1911 Encyclopædia Britannica/Ordnance
ORDNANCE (a syncopated form of “ordinance” or ordonnance,” so spelt in this sense since the 17th century), a general term for great guns for military and naval purposes, as opposed to “small arms” and their equipment; hence the term also includes miscellaneous stores under the control of the ordnance department as organized. In England the Master-General of the Ordnance, from Henry VIII.’s time, was head of a board, partly military, partly civil, which managed all affairs concerning the artillery, engineers and matériel of the army; this was abolished in 1855, its duties being distributed. The making of surveys and maps (see Map) was, for instance, handed over eventually (1889) to the Board of Agriculture, though the term “ordnance survey” still shows the origin.
I. History and Construction
The efficiency of any weapon depends entirely on two factors: (1) its power to destroy men and material, (2) the moral effect upon the enemy. Even at the present day the moral effect of gun fire is of great importance, but when guns were first used the noise they made on discharge must have produced a bewildering fear in those without previous experience of them; more especially would this be the case with horses and other animals. Villani wrote of the battle of Cressy that the “English guns made a noise like thunder and caused much loss in men and horses” (Hime, Proc. R. A. Institution, vol. 26). Now, the moral effect may be considered more or less constant, for, as men are educated to the presence of artillery, the range of guns, their accuracy, mobility and on shore their invisibility, so increase that there is always the ever present fear that the stroke will fall without giving any evidence of whence it came. On the other hand, the development of the gun has always had an upward tendency, which of late years has been very marked; the demand for the increase of energy has kept pace with—or rather in recent times may be said to have caused—improvements in metallurgical science.
The evolution of ordnance may be divided roughly into three epochs. The first includes that period during which stone shot were principally employed; the guns during this period (1313 to 1520) were mostly made of wrought iron, although the art of casting bronze was then well known. This was due to the fact that guns were made of large size to fire heavy stone shot, and, in consequence, bronze guns would be very expensive, besides which wrought iron was the stronger material. The second epoch was that extending from 1520 to 1854, during which cast iron round shot were generally employed. In this epoch, both bronze and cast iron ordnance were used, but the progress achieved was remarkably small. The increase of power actually obtained was due to the use of corn, instead of serpentine, powder, but guns were undoubtedly much better proportioned towards the middle and end of this period than they were at the beginning. The third or present epoch may be said to have commenced in 1854, when elongated projectiles and rifled guns were beginning to be adopted. The rapid progress made during this period is as remarkable as the unproductiveness of the second epoch. Even during recent years the call for greater power has produced results which were believed to be impossible in 1890.
The actual date of the introduction of cannon, and the country in which they first appeared, have been the subject of much antiquarian research; but no definite conclusion has been arrived at. Some writers suppose (see Brackenbury, “Ancient Cannon in Europe” in Proc. Royal Artillery Inst., vol. iv.) that gunpowder was the result of a gradual development from incendiary compounds, such as Greek and sea fire of far earlier times, and that cannon followed in natural sequence. Other writers attribute the invention of cannon to the Chinese or Arabs. In any case, after their introduction into Europe a comparatively rapid progress was made. Early in the 14th century the first guns were small and vase shaped; towards the end they had become of huge dimensions firing heavy stone shot of from 200 to 450 ℔ weight.
The earliest known representation of a gun in England is contained in an illuminated manuscript “De Officiis Regum” at Christ Church, Oxford, of the time of Edward II. (1326). This clearly shows a knight in armour firing a short primitive weapon shaped something like a vase and loaded with an incendiary arrow. This type of gun was a muzzle loader with a vent channel at the breech end. There seems to be undoubted evidence that in 1338 there existed breech-loading guns of both iron and brass, provided with one or more movable chambers to facilitate loading (Proc. R. A. I., vol. iv. p. 291). These firearms were evidently very small, as only 2 ℔ of gunpowder were provided for firing 48 arrows, or about seven-tenths of an ounce for each charge.

Fig. 1. — Dulle Griete, Ghent.
The great Bombarde of Ghent, called “Dulle Griete” (fig. 1) is believed to belong to the end of the century, probably about 1382, and, according to the Guide des voyageurs dans la ville de Gand (Voisin) the people of Ghent used it in 1411. This gun, which weighs about 13 tons, is formed of an inner lining of wrought iron longitudinal bars arranged like the staves of a cask and welded together, surrounded by rings of wrought iron driven or shrunk on. The chamber portion is of smaller diameter, and some suppose it to be screwed to the muzzle portion. The length of the gun is 197 in., the diameter of the bore 25 in., and the chamber 10 in. at the front and tapering to 6 in. diameter at the breech end. It fired a granite ball weighing about 700 ℔. Two wrought iron guns left by the English in 1423 when they had to raise the siege of Mont St Michel in Normandy belong to about the same period; the larger of these guns has a bore of 19 in. diameter. “Mons Meg” (fig. 2) in Edinburgh Castle is a wrought iron gun of a little later period; it is built up in the same manner of iron bars and external rings. It has a calibre of 20 in. and fired a granite shot weighing 330 ℔.

Fig. 2.— Mons Meg.
Bronze guns of almost identical dimensions to the “Dulle Griete” were cast a little later (1468) at Constantinople (see Lefroy, Proc. R. A. I., vol. vi.). One of these is now in the Royal Military Repository, Woolwich. It is in two pieces screwed together: the front portion has a calibre of 25 in. and is for the reception of the stone shot, which weighed 672 ℔; and a rear portion, forming the powder chamber, of 10 in. diameter. The whole gun weighs nearly 183/4 tons.
To give some idea of the power of these guns, the damage done by them to Sir John Duckworth’s squadron in 1807 when the Dardanelles were forced may be instanced. In this engagement six men-of-war were more or less damaged and some 126 men were killed or wounded. The guns were too unwieldy to lay for each round and were consequently placed in a permanent position; they were often kept loaded for months.
The 16th century was remarkable from the fact that the large bombard type was discarded and smaller wrought iron guns were made. This was due to the use of iron projectiles, which enabled a blow to be delivered from a comparatively small gun as destructive as that from the very weighty bombards throwing stone shot.
Bronze guns also now came into great favour. They were first cast in England in 1521 (Henry VIII.), and iron cannon about 1540, foreign founders being introduced for the purpose of teaching the English the art. The “Mary Rose,” which sank off Spithead in 1545, had on board both breech-loading wrought-iron and muzzle-loading bronze guns.
The smaller guns cast at this period were of considerable length, probably on account of the large charges of meal powder which were fired. The long bronze gun in Dover Castle known as “Queen Elizabeth’s pocket pistol” has a calibre of 4·75 in.; its bore is 23 ft. 1 in. long or 58 calibres, but its total length including the cascable is 24 ft. 6 in. It was cast at Utrecht in 1544 and presented by Charles V. to Henry VIII.
Little or no classification of the various types of guns was attempted during the 15th century. The following century saw some attempt made at uniformity and the division of the several calibres into classes, but it was not until about 1739, when Maritz of Geneva introduced the boring of guns from the solid, that actual uniformity of calibre was attained, as up to this date they were always cast hollow and discrepancies naturally occurred. In France organization was attempted in 1732 by Vallière, but to Gribeauvai (q.v.) is due the credit of having simplified artillery and introduced great improvements in the equipment.
It is not possible to compare properly the power of the earlier guns; at first small and feeble, they became later large and unwieldy, but still feeble. The gunpowder called “serpentine” often compounded from separate ingredients on the spot at the time of loading, burnt slowly without strength and naturally varied from round to round. The more fiercely burning granulated or corned powder, introduced into Germany about 1429, and into England shortly after, was too strong for the larger pieces of that date, and could be used only for small firearms for more than a century after. These small guns were often loaded with a lead or lead-coated ball driven down the bore by hammering.
The bronze and cast iron ordnance which followed in the 16th century were strengthened in the 17th century, and so were more adapted to use the corned powder. By this means some access of energy and greater effective ranges were obtained.
In the 18th century and in the first half of the 19th no change of importance was made. Greater purity of the ingredients and better methods of manufacture had improved gunpowder; the windage between the shot and the bore had also been reduced, and guns had been strengthened to meet this progress, but the principles of construction remained unaltered until the middle of the 19th century. Metallurgical science had made great progress, but cast iron was still the only metal considered suitable for large guns, whilst bronze was used for field guns. Many accidents, due to defects developing during practice, had, however, occurred, in order to prevent which experimental guns constructed of stronger material such as forged iron and steel had been made. Some of these weapons were merely massive solid blocks, with a hole bored in for the bore, and only withstood a few rounds before bursting. This result was attributed to the metal being of an indifferent quality—quite a possible reason as the treatment of large masses of steel was then in its infancy, and even with the best modern appliances difficulties have always existed in the efficient welding of large forgings of iron. Forged iron, however, always gave some evidence of its impending failure whereas the steel burst in pieces suddenly; steel was, therefore, considered too treacherous a material for use in ordnance. This view held for many years, and steel was only again employed after many trials had been made to demonstrate its reliability. It will be seen later that the ill success of these experiments was greatly due to a want of knowledge of the correct principles of gun construction.
The progress made since 1854 is dependent on and embraces improvements in gun construction, rifling and breech mechanisms.
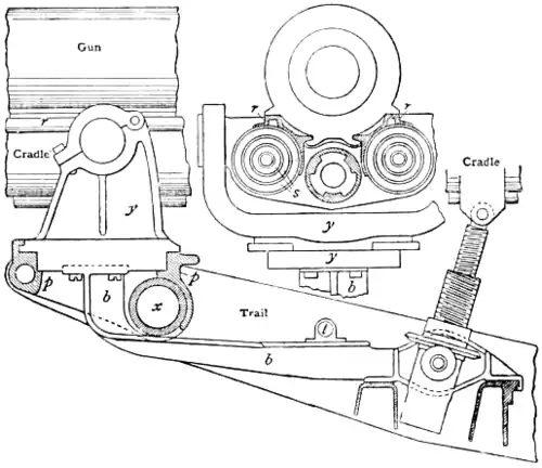
Considerable obscurity exists as regards the means adopted for mounting the first cannon. From illuminations in contemporary manuscripts it appears that the earliest guns, which were trunnionless, were simply laid on the ground and supported by a timber framing at meats. each side, whilst the flat breech end rested against a Old Equipments. strong wood support let into the ground to prevent recoil. This arrangement was no doubt inconvenient, and a little later small cannon were fastened in a wooden stock by iron bands; larger guns were supported in massive timber cradles (fig. 3) and secured thereto by iron straps or ropes. The ponderous weight to be moved and the deficiency of mechanical means prevented these large cannon and their cradles from being readily moved when once placed in position. Laying was of the most primitive kind, and the bombard was packed up in its wood cradle to the required elevation once for all. When it was desired to breach a wall the bombard with its bed would be laid on the ground at about 100 yds. distance, the breech end of the gun or the rear end of the bed abutting against a solid baulk of wood fixed to the ground. “Mons Meg” was originally provided with a wood cradle.
|
| Redrawn from Mallet’s Construction of Artillery. |
| Fig. 3. — Primitive Gun-mounting. |
It is by no means certain when wheeled carriages were introduced. They must have gradually appeared as a means of surmounting the difficulties engendered by the recoil of the piece and of transport of the early guns and their cradles. Andrea Redusio mentions in Chronicon Tarvisinum the use of two wheeled bombard carriages at the siege of Quero by the Venetians in 1376. It does not follow that these weapons were of large dimensions, as the term “bombard” was applied to small guns as well as to the more ponderous types.
The ancient carriages used on land are remarkable from the fact that in general design they contain the main principles which have been included in field carriages up to the present day. Until 1870 the body of all field carriages was made of wood. In an early type the trail portion was made of a solid baulk of timber supported at the front by a hard wood axletree, on the arms of which the wheels were placed (iron axletrees were introduced by Gribeauval in 1765). The gun resting in its wooden cradle was carried in bearings on the trail immediately over the axletree (fig. 4), the cradle being provided with an axle or trunnions for the purpose. For giving elevation a wood arc was fixed to the trail towards the rear end, and the breech end could be moved up and down along this arc and fixed at certain positions by a pin passing through both cradle and arc.
|
| From Clephan, Early Ordnance. |
| Fig. 4.—Early Field Gun. |
About the middle of the 15th century the trunnions were formed with the gun—the wood cradle therefore became unnecessary and was discarded. The carriage was then formed of two strong cheeks or sides of wood fastened together by four wood transoms. At the front end the cheeks were secured to the wooden axletree, which was strengthened by a bar of iron let into its under side. Trunnion bearings were cut in the upper surface of the cheeks over the axletree, and these were lined with iron, while the trunnions were secured in position by iron cap-squares. Elevation was given by a wedge or “quoin” being placed under the breech and supported by a transom or stool bed. For transport the trail end of the carriage was supported on a limber, a pintle on the limber body passing through a hole in the trail. One set of shafts were fixed to the limber, and a single horse was harnessed to them; the remainder of the team were attached in pairs in front. A driver was provided for every two pairs of horses. In Italy oxen were often yoked to the larger guns instead of horses. Tartaglia mentions in his Nova scientia (1562) that 28 oxen were required for a gun 15 ft. in length and weighing 13,000 ℔; horses were used for small guns only.
For service on board ship the difficulties of the cramped situation seem to have been surmounted in an ingenious manner. In the “Mary Rose,” sunk in the reign of Henry VIII., the brass guns with trunnions were mounted on short wood carriages provided with four small wood wheels called “trucks” and fastened to the gun ports by rope breechings. The iron breech-loading guns were employed in restricted positions where loading at the muzzle would be difficult. They had no trunnions and were mounted in a wood cradle, the under side of which was grooved to enable it to slide on a directing bar.
At the end of the 17th century not much progress had been
made. The larger guns were mounted on short wood carriages
having two or four “trucks.” The guns and carriages recoiled
along the vessel’s deck, and where this endangered the masts
or other structures the recoil was hindered by soft substances
being laid down in the path of the recoil.

Fig. 5.—Truck Carriage.
The small guns were mounted in iron Y pieces—the upper arms being provided with bearings for the gun trunnions—and the stalk formed a pivot which rested in a socket in the vessel’s side or on a wall, so that the gun could be turned to any quarter.
Similar carriages (fig. 5) existed until the advent of rifled guns, but a few small improvements, such as screw elevating gear in place of the quoin, had been approved. Cast iron standing carriages were also, about 1825, used on land for hot climates and situations not much exposed.
The earliest guns were not provided with sights or other
means for directing them. This was not important, as the range
seldom exceeded 100 yds. As, however, ranges
became longer, some means became necessary for
giving the correct line and elevation (see also Sights). The
direction for line was easily obtained by looking over the gun andSighting.
moving the carriage trail to the right or left as was necessary.
For elevation an instrument invented by Tartaglia called a
Gunner’s Quadrant (sometimes also called a Gunner’s Square)
was used; this was a graduated quadrant of a circle (fig. 6)
connecting a long and
short arm forming a
right angle; a line with
a plummet hung from
the angle in such a
Fig. 6.—Gunner’s Quadrant.
manner that on the long
arm being placed along
the bore near the muzzle
the plummet hung down
against the quadrant
and indicated the degrees
of elevation given to the piece. The quadrant was divided
into 90° and also into 12 parts; it was continued past the
short arm for some degrees to enable depression to be given
to the gun. The instrument was also used for surveying in
obtaining the heights of buildings, and is still much employed
for elevating guns in its clinometer form, in which a level takes
the place of the plummet.
For short range firing a dispart sight was in use early in the 17th century. A notch was cut on the top of the breech or base ring, and on the muzzle ring a notched fore sight (called the dispart sight) was placed in the same vertical plane as the notch, and of such a height that a line stretched from the top of the breech ring notch to the notch of the foresight was parallel to the axis of the bore. These sights were well enough for close, horizontal fire and so long as the enemy were within what was called “point blank” range; that is the range to the first graze, on a horizontal plane, of the shot when fired from a gun the axis of which is horizontal. As this range depends entirely, other things being equal, on the height of the gun’s axis above the horizontal plane, it is not very definite. When, however, the enemy were at a greater distance, elevation had to be given to the gun and, as a quadrant was slow and not easy to use, there was introduced an instrument, called a Gunner’s Rule (see The Art of Gunnery, by Nathanael Nye, 1670), which was really a primitive form of tangent sight. This was a flat brass scale 12 or 14 in. long divided on its flat surface into divisions proportional to the tangents of angles with a base equal to the distance from the notch on the base ring to the dispart notch. A slit was made along the rule, and a thread with a bead on it was mounted on a slider so that it could be moved in the slit to any required graduation. By sighting along the bead to the dispart the gun could be laid on any object. Later still, the requisite elevation was obtained by cutting a series of notches on the side of the base ring and one on the muzzle ring. These were called “Quarter Sights” and allowed of elevations up to 3°; the lowest notch with the one on the muzzle swell gave a line parallel to the axis of the bore but above it so as to clear the cap-squares of the trunnions. This system was also used in bronze field guns and in all cast iron guns up to the 32-pdr. Difficulties in laying occurred unless the direction was obtained by looking over the top or dispart sight and the elevation then given by the quarter sights. This was the system of sighting in use during the great naval actions of the end of the 18th century and the beginning of the 19th century. A pointed dispart sight was often used, and for naval purposes it was fixed on the reinforce near the trunnions, as the recoil of the gun through the port would destroy it if fixed on the muzzle swell.
The double sighting operation was rendered unnecessary by the use of “tangent scales” introduced by Gribeauval. Similar scales were soon adopted in the English land service artillery, but they were not fully adopted in the English navy until about 1854 (see Naval Gunnery, by Sir Howard Douglas, p. 390), although in the United States navy a system of sighting, which enabled the guns to be layed at any degree of elevation, had been applied as early as 1812. These tangent scales were of brass fitting into sockets on the breech end of the gun; they were used in conjunction with the dispart fore sight and gave elevation up to 4° or 5° over the top of the gun. For greater elevation a wooden tangent scale was provided which gave elevation up to 8° or 10°.
In the British navy, before tangent sights were used, the plan often adopted for rapidly laying the guns was by sighting, with the notch on the breech ring and the dispart sight, on some part of the masts of the enemy’s vessel at a height corresponding to the range.
With sailing ships about the middle of the 19th century the angle of heel of the vessel when it was sailing on a wind was ascertained from the ship’s pendulum, and the lee guns elevated or the weather guns depressed to compensate by means of a graduated wooden stave called a “heel scale” of which one end was placed on the deck or last step of the carriage whilst the upper end read in connection with a scale of degrees engraved on the flat end of the cascable.
Subsequently the term “tangent sight” was given to the “tangent scales,” and they were fitted into holes made in the body of the gun—the foresight usually being fitted to a hole in the gun near the trunnions. Two pairs of sights—one at each side—were generally arranged for, and in rifled guns the holes for the tangent sight bars were inclined to compensate for the drift of the projectile. As the drift angle varies with the muzzle velocity, the tangent sights of howitzers were set vertically, so that for the various charges used the deflection to compensate for drift had to be given on the head of the sight bar. Modern forms of sights are described and illustrated in the article Sights.
Breech-loading ordnance dates from about the end of the 14th century, or soon after the introduction of cannon into England (Brackenbury, Proc. R.A.I. v. 32). The body, in some cases, was fixed to a wood cradle by iron straps and the breech portion kept in position between the muzzle portion and a verticalBreech-loading Ordnance. block of wood fixed to the end of the cradle, by a wedge. Accidents must have been common, and improvements were made by dropping the breech or chamber of the weapon into a receptacle, solidly forged on or fastened by lugs to the rear end of the gun (fig. 7). This system was used for small guns only, such as wall pieces, &c., which could not be easily loaded at the muzzle owing to the position in which they were placed, and in order to obtain rapidity each gun was furnished with several chambers.

Fig. 7.—Early Breech-loader.
Guns of this nature, called Petrieroes a Braza, were used in particular positions even at the end of the 17th century. Moretii states that they carried a stone ball of from 2 ℔ to 14 ℔, which was placed in the bore of the gun and kept in position by wads. The chambers, resembling an ordinary tankard in shape, had a spigot formed on their front end which entered into a corresponding recess at the rear end of the bore and so formed a rude joint. Each chamber was nearly filled with powder and the mouth closed by a wood stopper driven in; it was then inserted into the breech of the gun and secured by a wedge. Even with feeble gunpowder this means of securing the chamber does not commend itself, but as powder improved there was a greater probability of the breech end of the gun giving way; besides which the escape of the powder gas from the imperfect joint between the chamber and gun must have caused great inconvenience. To these causes must be attributed the general disuse of the breech-loading system during the 18th and first half of the 19th centuries.
Robins mentions (Tracts of Gunnery, p. 337) that experimental breech-loading rifled pieces had been tried in 1745 in England to surmount the difficulty of loading from the muzzle. In these there was an opening made in the side of the breech which, after the loading had been completed, was closed by a screw. The breech arrangement (fig. 8) of the rifled gun invented

Fig. 8.—Cavalli Gun, 1845.
by Major Cavalli, a Sardinian officer, in 1845, was far superior to anything tried previously. After the projectile and charge had been loaded into the gun through the breech, a cast iron cylindrical plug, cupped on the front face, was introduced into the chamber; a copper ring was placed against its rear face; finally a strong iron wedge was passed through the body of the gun horizontally just in rear of the plug, and prevented it being blown out of the gun. In England the breech of one of the experimental guns was blown off after only a few rounds had been fired. In Wahrendorff’s gun, invented in 1846, the breech arrangement (fig. 9) was very similar in principle to the Cavalli gun. In addition to the breech plug and horizontal wedge there was an iron door, hinged to the breech face of the gun, which carried a rod attached to the rear of the breech plug. The horizontal wedge had a slot cut from its right side to the centre, so that it might freely pass this rod. After loading, the hinged door, with the breech plug resting against its front face, was swung into the breech opening, and the plug was pushed forward to its position in the chamber of the gun; the wedge was then pushed across to prevent the plug being blown back, and, finally, a nut screwed to the rear end of the plug rod was given a couple of turns so that all was made tight and secure. After firing, the breech was opened by reversing these operations.

Fig. 9.—Wahrendorff Gun, 1846.

Fig. 10.—Armstrong B.L. Arrangement.
The Armstrong system of breech-loading introduced in 1854 was the first to give satisfactory results; its simple design and few parts produced a favourable effect in the minds of artillerists, which was increased by the excellent accuracy obtained in shooting. The gun (fig. 10) had a removable breech block having on its front face a coned copper ring which fitted into a coned seating at the breech end of the powder chamber. The breech block was secured by means of a powerful breech screw; a hole was made through the screw so that, in loading, the shell and cartridge could be passed through it after the breech block had been removed. After loading, the block was dropped into its place and the breech screw turned rapidly so that it might jam the block against its seating, and so prevent the escape of powder gas when the gun was fired. This gun was most successful, and a great number of guns of this type were soon introduced into the British army and navy.
They were employed in the China campaign of 1860, and satisfactory reports were made as to their serviceableness; but while the breech-loading system had obtained a firm footing on the Continent of Europe, there was a strong prejudice against it in England, and about 1864 M.L.R. guns were adopted. Breechloaders did not again find favour until about 1882, when a demand was made for more powerful guns than the M.L.R. In consequence, M.L. guns having enlarged chambers for burning large charges of prismatic powder were experimented with by the Elswick Ordnance Co. and subsequently by the War Office, The results were so promising that means were sought for further improvements, and breech-loading guns, having the Elswick cup obturation, were reintroduced.
Up to about 1850 the dimensions of canon had been proportioned by means of empirical rules, as the real principles underlying the construction of ordnance had been little understood. It was known of course that a gun was subjected to two fundamental stresses—a circumferential tension tending to split the gun open longitudinally, and Built-up guns. a longitudinal tension tending to pull the gun apart lengthwise; the longitudinal strength of a gun is usually greatly in excess of any requirements. It is easy to demonstrate that any so-called homogeneous gun, i.e. a gun made of solid material and not built up, soon reaches a limit of thickness beyond which additional thickness is practically useless in giving strength to resist circumferential stress. This is due to the fact that the stress on the metal near the bore is far higher than that' on the outer portion and soon reaches its maximum resistance which additional thickness of metal does not materially increase. The gun can, however, be arranged to withstand a considerably higher working pressure by building it up on the principle of initial tensions. The inner layers of the metal are thereby compressed so that the gas pressure has first to reverse this compression and then to extend the metal. The gun barrel supported by the contraction of the outer hoops will then be able to endure a gas pressure which can be expressed as being proportional to the initial compression plus the extension, whereas in the old type solid gun it was proportional to the extension only.

Fig. 11.—Armstrong B.L. Construction.
The first to employ successfully this important principle for all parts of a gun was Lord Armstrong (q.v.), who in 1855–1856 produced a breech-loading field gun with a steel barrel strengthened by wrought iron hoops. In this system (fig. 11) wrought iron coils were shrunk over one another so that the inner tube, or barrel, was placed in a state of compression and the outer portions in a state of tension—the parts so proportioned that each performs its maximum duty in resisting the pressure from within. Further, by forming the outer parts of wrought iron bar coiled round a mandril and then welding the coil into a solid hoop, the fibre of the iron was arranged circumferentially and was thus in the best position to resist this stress. These outer coils were shrunk over a hollow breech-piece of forged iron, having the fibre running lengthwise to resist the longitudinal stress. The several cylinders were shrunk over the steel inner tube or barrel. To obtain the necessary compression the exterior diameter of the inner portion is turned in a lathe slightly greater than the interior diameter of the outer coil. The outer coil is heated and expands; it is then slipped over the inner portion and contracts on cooling. If the strength of the two parts has been properly adjusted the outer will remain in a state of tension and the inner in a state of compression.
Every nation has adopted this fundamental principle which governs all systems of modern gun construction. The winding, at a high tension, of thin wire or ribbon on the barrel or on one of the outer coils may be considered as having an exactly similar effect to the shrinking of thin hoops over one another. The American, Dr Woodbridge, claims to have originated the system of strengthening guns by wire in 1850; Brunel, the great railway engineer, also had similar plans; to Longridge, however, belongs the credit of pointing out the proper mode of winding on the wire with initial tension so adjusted as to make the firing tension (i.e. the tension which exists when the gun is fired) of the wire uniform for the maximum proof powder pressure. Great success attended the early introduction of the coil system. Large numbers (about 3500) of breech-loading Armstrong guns from 2·5 in. to 7 in. calibre were manufactured for England alone; most of these had barrels of coiled iron, but solid forged iron barrels were also employed and a few were of steel. This manufacture continued until 1867, when M.L. guns built up on the coil system (fig. 12) with the French form of rifling were adopted; but as the knowledge of the proper treatment and the quality of the steel had improved, steel barrels bored from a solid steel forging were mostly used; the exterior layers were still iron hoops with the fibre of the metal disposed as in the original type. In order to cheapen manufacture the coils were thickened, by Mr Fraser of Woolwich Arsenal, so that a few thick coils were used instead of a number of thin ones (fig. 13).
In the Fraser system an attempt was made to obtain rigidity of construction and additional longitudinal strength by interlocking the various coils from breech to muzzle; this feature still exists in all designs adopted by the English government, but foreign designers do not favour it altogether, and many of their guns of the latest type have a number of short independent hoops shrunk on, especially over the chase. Their view is that movements—such as stretching of the inner parts—are bound to take place under the huge forces acting upon the tubes, and that it is better to allow freedom for these to take place naturally rather than to make any attempt to retard them.On the other hand it cannot be denied that the rigid construction is conducive to strength and durability, but it is essential that massive tubes of the highest quality of steel should be employed.

Fig. 12.—M.L. Gun Construction.
The actual building up of a gun entails operations which are exactly similar, whether it be of the M.L. or B.L. system; and the hardening treatment of the steel is also the same—the coiled iron hoops when welded, of course, received no such treatment.

Fig. 13.—M.L. Gun Construction (Fraser).
Fig. 14 shows the various stages of building up a B.L. gun and illustrates at the same time the principle of the interlocking system.
The steel barrels of the M.L. guns were forged solid; the material was then tested so as to determine the most suitable temperature at which the oil hardening treatment should be carried out after the barrel had been bored. The bored barrel was simply heated to the required temperature and plunged vertically into a tank of oil. The subsequent annealing process was not introduced until some years after; it is therefore not to be wondered at that steel proved untrustworthy and so was used with reluctance.
Since 1880 the steel industry has made so much progress that this material is now regarded as the metal most to be relied on. The long high-power guns, however, require to be worked at a greater chamber pressure than the older B.L. guns, with which 15 tons or 16 tons per square inch was considered the maximum. With the designs now produced 18·5 tons to 20 tons per square inch working pressure in the chamber is the general rule.

Fig. 14.—Modern B.L. Construction.
A stronger material than ordinary carbon gun steel was consequently demanded from the steel-makers, in order to keep the weights of the heavier natures of guns within reasonable limits. The demand was met by the introduction of a gun steel having about 4% of nickel in addition to about 0·4% of carbon. This alloy gives great toughness and endurance under a suitable oil hardening and annealing process, the yielding stress being about 26 tons to 28 tons and the breaking stress from 45 tons to 55 tons per square inch, with an elongation of 16%. The tests for ordinary carbon gun steel are: “yield not less than 21 tons, breaking stress between 34 tons and 44 tons per square inch, and elongation 17%.”
The toughness of nickel steel forgings renders them much more difficult to machine, but the advantages have been so great that practically all barrels and hoops (except jackets) of modern guns are now made of this material.
The gun steel, whether of the carbon or nickel quality, used in England and most foreign countries, is prepared by the open hearth method in a regenerative gas furnace of the Siemens-Martin type (see Iron and Steel). The steel is run from the furnace into a large ladle, previously heated by gas, and from this it is allowed to run into a cast iron ingot mould of Gun forgings. from 10 to 12 ft. high and 2 ft. or more in diameter. With very large ingots two furnaces may have to be employed. The external shape of these ingots varies in different steel works, but they are so arranged that, as the ingot slowly cools, the contraction of the metal shall not set up dangerous internal stresses. The top of the ingot is generally porous, and consequently, after cooling, it is usual for about one-third of the length of the ingot to be cut from the top and remelted; a small part of the bottom is also often discarded. The centre of the larger ingots is also inclined to be unsound, and a hole is therefore bored through them to remove this part. In the Whitworth and Harmet methods of fluid compressed steel, this porosity at the top and centre of the ingot does not occur to the same extent, and a much greater portion can therefore be utilized.
The sound portion of the ingot is now heated in a reheating gas furnace, which is usually built in close proximity to a hydraulic forging press (fig. 15, Plate I.). This press is now almost exclusively used for forging the steel in place of the steam hammers which were formerly an important feature in all large works. The largest of these steam hammers could not deliver a blow of much more than some 500 ft. tons of energy; with the hydraulic press, however, the pressure amounts to, for ordinary purposes, from 1000 tons to 5000 tons, while for the manufacture of armour plates it may amount to as much as 10,000 or 12,000 tons.
For forgings of 8-in. internal diameter and upwards, the bored out ingot, just mentioned, is forged hollow on a tubular mandril, kept cool by water running through the centre; from two to four hours forging work can be performed before the metal has cooled down too much. Generally one end of the ingot is forged down to the proper size; it is then reheated and the other end similarly treated.
The forging of the steel and the subsequent operations have a very marked influence on the structure of the metal, as will be seen from the micro-photographs shown in the article Alloys, where (a) and (b) show the structure of the cast steel of the actual ingot; from this it will be noticed that the crystals are very large and prominent, but, as the metal passes through the various operations, these crystals become smaller and less pronounced. Thus (c) and (d) show the metal after forging; (e) shows the pearlite structure with a magnification of 1000 diameters, which disappears on the steel being oil hardened, and (f) shows the oil hardened and annealed crystals. At the Bofors Works in Sweden, gun barrels up to 24 cm. (9·5 in.) calibre have been formed of an unforged cast steel tube; but this practice, although allowing of the production of an inexpensive gun, is not followed by other nations.
After the forging is completed, it is annealed by reheating and
cooling slowly, and test pieces are cut from each end tangentially 
Fig. 15.—FORGING PROCESS.

Fig. 18.—SHRINKING-ON PROCESS.
to the circumference of the bore; these are tested to ascertain the quality of the steel in the soft state.
It is found that the quality of the steel is greatly improved by forging, so long as this is not carried so far as to set up a laminar structure in the metal, which is thereby rendered less suitable for gun construction—being weaker across the laminae than in the other directions. It is then termed over-forged.
If the tests are satisfactory the forging is rough-turned and bored, then reheated to a temperature of about 1600° F., and hardened by plunging it into a vertical tank of rape oil. This process is a somewhat critical one and great care is observed in uniformly heating, to the required temperature, the whole of the forging in a furnace in close proximity to the oil tank into which it is plunged and completely submerged as rapidly as possible. In some cases the oil in the tank is circulated by pumping, so that uniformity of cooling is ensured; and, in addition, the oil tank is surrounded by a water jacket which also helps to keep it at a uniform heat. The forging is subsequently again heated to about 1200° F. and allowed to cool slowly by being placed in warm sand, &c. This last operation is termed annealing, and is intended to dissipate any internal stress which may have been induced in the forging by any of the previous processes, especially that of oil-hardening. After this annealing process a second set of test pieces, two for tensile and two for bending test, are cut from each end of the forging in the positions above mentioned; for guns of less than 3-in. calibre only half this number of test pieces is taken; and with hoops of less than 48 in. in length the test pieces are taken only from the end which formed the upper part of the cast ingot.
In all cases of annealed steel the test pieces of 2 in. length and 0·533 in. diameter must give the stipulated tests according to the character of the steel. For breech screws the steel is made of a harder quality, as it has to resist a crushing stress. These are the tests required in England, but they differ in different countries; for instance in France a harder class of carbon steel is employed for hoops, in which the tensile strength must not be less than 44·5 tons, nor the elastic limit less than 28·5 tons per square inch, neither must the elongation fall below 12%.

Fig.16.—Lathe used in Gun Construction.
Assuming that the tests of the annealed forging are satisfactory, the forging, which we will suppose to be a barrel, is tested for straightness and if necessary rectified. It is then rough-turned in a lathe (fig. 16) “to break the skin” (as it is termed technically) and so prevent warping during the subsequent operations. It is then bored out to nearly the finished dimension and afterwards fine turned on the exterior. In the meantime the other portions of the gun are in progress, and as it is far easier to turn down the outside of a tube than to bore out the interior of the superimposed one to the exact measurements required to allow for shrinkage, the interior of the jacket and other hoops are bored out and finished before the exterior of the internal tubes or of the barrel is fine turned. The process of boring is illustrated in fig. 17. The barrel or hoop A, to be bored, is passed through the revolving headstock B and firmly held by jaws C, the other end being supported on rollers D. A head E, mounted on the end of a boring bar F, is drawn gradually through the barrel, as it revolves, by the leading screw K actuated by the gear G. The boring head is provided with two or more cutting tools, and also with a number of brass pins or pieces of hard wood to act as guides, in order to keep the boring head central after it has entered the barrel. The revolving headstock B is driven by a belt and suitable gearing.
With wire guns the procedure is somewhat different. The wire is wound on to its tube, which has been previously fine turned; the exterior diameter of the wire is then carefully measured and the interior of the covering tube or hoop finished to suit. The covering hoop is allowed usually only a small shrinkage, or sometimes none, as it is simply intended as a protection to the wire and to give longitudinal strength; but in order to place it over the wire it must be heated and thus some little contraction always does take place on cooling. The heat to which these hoops are brought for shrinking never exceeds that used in annealing, otherwise the modifying effects of this process would be interfered with.
In the earliest modern type B.L. guns, the breech screw engaged directly with a screw thread cut in the barrel, which thus had to resist a large portion, if not all, of the longitudinal stress. This was also the system first adopted in France, but there are certain objections to it, the principal being that the barrel must be made of large diameter to meet the longitudinal stress, and this in consequence reduces the circumferential strength of the gun. Again, the diameter of the screw is always considerably larger than the breech opening, and so an abrupt change of section takes place, which it is always best to avoid in structures liable to sudden shocks. The thick barrel, however, gives stiffness against bending and, moreover, does not materially lengthen with firing; thin barrels on the other hand are gradually extended by the drawing out action of the shot as it is forced through the gun. In some large guns with excessively thin barrels this action was so pronounced as to entail considerable inconvenience. In the English system the breech screw is engaged either in the breech piece, i.e. the hoop which is shrunk on over the breech end of the barrel, or in a special bush screwed into the breech piece. This latter method suits the latest system of construction in which the breech piece is put on the barrel from the muzzle, while with the earlier type it was put on from the breech end.
With the earlier modern guns short hoops were used whenever possible, as, for instance, over the chase, principally because the steel in short lengths was less likely to contain flaws, but as the metallurgical processes of steel making developed the necessity for this disappeared, and the hoops became gradually longer. This has however, increased correspondingly the difficulties in boring and turning, and, to a much greater extent, those encountered in building up the gun. In this operation the greatest care has to be taken, or warping will occur during heating. The tubes are heated in a vertical cylindrical furnace, gas jets playing both on the exterior and interior of the tube. When sufficiently hot, known by the diameter of the tube expanding to equal previously prepared gauges, the tube is raised out of the furnace and dropped vertically over the barrel or other portion of the gun (fig. 18, Plate II.). In cooling it shrinks longitudinally as well as circumferentially, and in order to avoid gaps between adjoining tubes the tube is, after being placed in position, cooled at one end by a ring of water jets to make it grip, while the other portions are kept hot by rings of burning gas flames, which are successively extinguished to allow the hoop to shorten gradually and thus prevent internal longitudinal stress. A stream of water is also directed along the interior of the gun during the building up process, in order to ensure the hoop cooling from the interior. After the building up has been completed, the barrel is fine-bored, then chambered and rifled. The breech is then screwed either for the bush or breech screw and the breech mechanism fitted to the gun.

Fig. 17.—Boring.
In order to obtain additional longitudinal strength the outer tubes are so arranged that each hooks on to its neighbour from muzzle to breech. Thus, the chase hoop hooks on to the barrel by a step, and the succeeding hoops hook on to each other until the jacket is reached which is then secured to the breech piece by a strong screwed ring. In all the latest patterns of English guns there is a single chase hoop covering the forward portion of the gun and a jacket covering the breech portion, an arrangement which simplifies the design but increases the difficulties of manufacture.

Fig. 19.—Wire Fastening.
Wire guns are now made of almost all calibres, ranging from 3 in. to 12 in. Many authorities objected to guns of less calibre than 4·7 in. being wound with wire, as they considered that on diameters so small the interior surface of each layer of wire is over-compressed, while the exterior is too much extended; but by proportioning the thickness of the wire to the diameter of the tube on which it is wound there is no reason for this to be so.
The wire is wound on the barrel at a certain tension, ascertained by calculation, and varying from about 50 tons per square inch for the layers first wound on the gun, to about 35 or 40 for the outer layers. To fasten the wire at the beginning and end several methods are adopted. In the Woolwich system a narrow annular ring (fig. 19), with slots cut into one of its faces, is shrunk on to the gun; into these slots one end of the wire is inserted and secured in position by a steel screwed plug. The wire is wound on for the distance desired and then back again to the ring, where the end is fastened off in the same way. At Elswick the wire is fastened by bending it into a shunt cut groove in a similar annular ring, but the wire is only fastened off in the same way after several layers have been wound.
With each succeeding layer of wire the interior layers are compressed, and these in turn compress the barrel. It is therefore necessary, in order to prevent the fatigue of the material, to make the barrel comparatively thick, or, better still, to have an outer barrel superimposed on the inner one. This latter arrangement is now used in all guns of 4 in. calibre and upwards. It is not so important with smaller guns as the barrel is always relatively thick, and therefore meets the conditions.
With many modern guns the interior of the outer barrel, termed the “A” tube, is taper bored, the larger end being towards the breech; and the exterior of the inner barrel or liner, called the “inner A tube,” is made tapered to correspond. The latter is, after careful fitting, inserted in the outer barrel while both are cold, and forced into position by hydraulic pressure or other mechanical means.
The details of the machines for winding on the wire (see fig. 20) differ somewhat in different works, but all are arranged so that any desired tension can be given to the wire as it is being wound on to the gun. The wire is manufactured in much the same way as ordinary wire. A red-hot bar of steel, gradually rolled down between rollers to a section about double that which it is finally intended to have, is annealed and carefully pickled in an acid bath to detach any scale. It is then wound on a drum, ready for the next process, which consists in drawing it through graduated holes made in a hardened steel draw-plate, the wire being often annealed and pickled during this process. The drawplate holes vary in size from slightly smaller than the rolled bar section to the finished size of the wire, and, as a rule, the sharp corners of the wire are only given by the last draw. It is found that considerable wear takes place in the holes of the draw-plate, and a new plate may be required for each hank of 500 or 600 yds. of wire. Great importance is attached to the absence of scale from the wire when it is being drawn, and, after pickling, the rolled bar and wire are treated with lime or some similar substance to facilitate the drawing. The tests for the finished wire are as follows: it has to stand a tensile stress of from 90 to 110 tons per square inch of section, and a test for ductility in which a short length of wire is twisted a considerable number of turns in one direction, then unwound and re-twisted in the opposite direction, without showing signs of fracture. It will be seen that the wire is extremely strong and the moderate stress of from 35 to 50 tons per square inch, which at most it is called upon to withstand in a gun, is far less than what it could endure with perfect safety.

Fig. 20.—Wire-winding Machine.
The wire after being manufactured is made up into hanks for storage purposes; but when required for gun construction it is thoroughly cleaned and wound on a drum R about 3 ft. 6 in. in diameter, which is placed in one portion of the machine in connexion, with a powerful band friction brake M. The wire is then led to the gun A placed between centres or on rollers B.B. parallel to the axis of the wire drum. By rotating the gun the wire is drawn off from the drum against the resistance of the band brake, which is so designed that, by adjusting the weight S suspended from the brake strap, any desired resistance can be given in order to produce the necessary tension in the wire as it is being wound on the gun. The stress on the wire is indicated on a dial, and the headstock, containing the drum of wire, is capable of being moved along the bed G by a leading screw H, driven by a belt through variable speed cones I; the belt is moved along the cones by forks J, traversed by screws K, which in their turn are actuated by chain belts from the hand wheel L. The traversing speed is regulated to suit the speed of winding by moving the belt along the speed cones.
The wire is rectangular in section, 0·25 in. wide and 0·06 in. thick, and after it has been wound on to the gun it presents a very even surface which requires little further preparation. The diameter over the wire is gauged and the jacket or other covering hoop is carefully bored equal to this, if no shrinkage is to be allowed; or the dimension is diminished in accordance with the amount of shrinkage to be arranged for.
The gun is built up, after wiring, in the same manner as a gun without wire, the jacket or other hoop being heated in the vertical gas furnace and when hot enough dropped into place over the wire, cooled by the ring of water jets at the end first required to grip and kept hot at the other, exactly as before described.
The machine arranged for rifling modern guns is very similar to that employed for the old muzzle-loaders; it is a special tool used in construction only (fig. 21), and is in reality a copying machine. A steel or cast-iron bar J which forms the copy of the developed rifling curve is first made. The copying bar—which is straight if the rifling is to be uniformRifling operation. but curved if it is to be increasing—is fixed, inclined at the proper angle, to standards K on the machine. The cutting tool is carried at one end C of a strong hollow cylindrical rifling bar B, the other end of which is fixed to a saddle M. This is moved along the bed of the machine by a long screw N, and the rifling bar is consequently either pushed into the gun or withdrawn by the motion of the saddle along the machine. During this motion it is made to rotate slowly by being connected to the copying bar by suitable gearing I. It will thus be seen that the cutting tool will cut a spiral groove along the bore of the gun in strict conformity with the copy. In most English machines the cutting tool cuts only as the rifling bar is drawn out of the gun; during the reverse motion the cutter F is withdrawn out of action by means of a wedge arrangement actuated by a rod passing through the centre of the rifling bar, which also pushes forward the cutter at the proper time for cutting. One, two or more grooves may be cut at one time, the full depth being attained by slowly feeding the tool after each stroke. After each set of grooves is cut the rifling bar or the gun is rotated so as to bring the cutters to a new position. In some foreign machines the cut is taken as the rifling bar is pushed into the gun.

Fig. 21.—Rifling Machine.
Rifling is the term given to the numerous shallow grooves cut spirally along the bore of a gun; the rib between two grooves is called the “land.” Rifling has been known for many years; it was supposed to increase the range, and no doubt did so, owing to the fact that the bullet having to be forced into the gun during the loading operation becameRifling. a mechanical fit and prevented to a great extent the loss of gas by windage which occurred with ordinary weapons. Kotter (1520) and Danner (1552), both of Nuremberg, are respectively credited as being the first to rifle gun barrels; and there is at the Rotunda, Woolwich, a muzzle-loading barrel dated 1547 rifled with six fine grooves. At this early period, rifling was applied only to small arms, usually for sporting purposes. The disadvantage of having, during loading, to force a soft lead (or lead-covered) ball down a bore of smaller diameter prevented its general employment for military use. In 1661 Prussia experimented with a gun rifled in thirteen shallow grooves, and in 1696 the elliptical bore—similar to the Lancaster—had been tried in Germany. In 1745 Robins was experimenting with rifled guns and elongated shot in England. During the Peninsular War about 1809, the only regiment (the “Rifle Brigade,” formerly called the 95th) equipped with rifled arms, found considerable difficulty in loading them with the old spherical lead bullet, from the muzzle. In 1836 Russia made a large number of experiments with a rifled gun invented by Montigny, a Belgian; this was not a success, but in England the guns invented by Major Cavalli, in 1845, and by Baron Wahrendorff in 1846, obtained some measure of favour. Both these guns were breech-loaders. The Cavalli gun had a bore of 6·5 in. diameter; it was rifled in two grooves having a uniform twist of 1 in 25 calibres, and the elongated projectile had two ribs cast with it to fit the grooves, but no means were taken to prevent windage. The Wahrendorff gun had an enlarged chamber and the bore of 6·37 in. diameter was rifled in 2 grooves; the projectile had ribs similar to that for the Cavalli gun; but Wahrendorff had also tried lead-coated projectiles, the coating being attached by grooves undercut in the outside of the shell. In 1854 Lancaster submitted his plan of rifling; in this (fig. 22) the bore was made of an oval section which twisted round the axis of the gun from the breech to the muzzle; a projectile having an oval section was fired. Several old cast-iron guns bored on this system burst in the Crimean War from the projectile wedging in the gun. In 1855 Armstrong experimented with a breech-loading rifled gun, firing a lead-coated projectile. The rifling consisted of a large number of shallow grooves having a uniform twist of 1 in 38 calibres. When the gun was fired the lead-coated projectile, which was slightly larger in diameter than the bore of the gun, was forced into the rifling and so gave rotation to the elongated projectile.

Fig. 22.—Sections of Rifling.
Whitworth in 1857 brought out his hexagonal bore method of rifling and a projectile which was a good mechanical fit to the bore. Good results were obtained, but although this system had certain advantages it did not fulfil all requirements.
In 1863, England re-opened the whole question, and after exhaustive trials of various inventions decided on the adoption of the muzzle-loading type for all guns, with the French system of rifling. This system was invented in 1842 by Colonel Treüille de Beaulieu and consisted of a few wide and deep grooves which gave rotation to a studded projectile. At the first trials two grooves only were tried, but the number was afterwards increased to three or more, as it was found that two grooves only would not correctly centre the projectile. The adoption of the muzzle-loading system with studded shot was a distinctly retrograde step, as a considerable amount of clearance was necessary between the bore and projectile for the purposes of loading, and this resulted in the barrel being seriously eroded by the rush of gas over the shot, and also led to a considerable loss of energy. In the Wahrendorff and Armstrong systems however the lead-coated projectiles entirely prevented windage, besides which the projectile was perfectly centred and a high degree of accuracy was obtained.
Shunt rifling was a brief attempt to make loading by the muzzle easy without forfeiting the centring principle: in this the rifling varied in width and in depth, at different portions of the bore in such a manner that, during loading, the studs on the projectile could move freely in the bore. When the gun was fired the studs of the projectile were forced to travel in the shallow part of the rifling, thus gripping and centring the projectile as it left the muzzle.
With uniform rifling on the French system, the few studs—generally two per groove—had to bear so high a pressure to produce rotation that they sometimes gave way. This subject was investigated by Captain (Sir Andrew) Noble, who showed that by making the rifling an increasing twist, commencing with no twist and gradually increasing until the necessary pitch was obtained, the maximum pressure due to rotation was much reduced. Increasing rifling was consequently adopted, with beneficial results.
In order to prevent the heavy erosion due to windage, a gas check was adopted which was attached to the base end of the studded projectiles. In some guns the number of grooves of the rifling was sufficiently great to admit of rotation being insured by means of the gas check alone; in these guns studded projectiles were not employed, but the gas check, called “automatic,” to distinguish it from that fitted to studded projectiles was usually indented around its circumference to correspond with the rifling of the gun. It was found that the studless projectile had considerably greater range and accuracy than the studded projectile, with the additional advantage that the shell was not weakened by the stud holes.
The introduction of the plain copper driving band for rotating projectiles with breech-loading guns included a return to the polygroove system with shallow grooves; this still exists, but the continuous demand for greater power has had the effect of increasing the number of grooves from that at first considered necessary, in order to keep the rotating pressure on the driving band within practical limits.
Many ingenious devices for giving rotation and preventing the escape of gas past the projectile were tried in the early days of modern rifling. Experiments of this nature still continue to be made with a view to improving the shooting and to prevent the erosion of the bore of the gun. Briefly considered, without going into any detail of the numerous plans, all rotating devices fitted to projectiles can be divided into three classes—the “centring,” the “compressing” and the “expansion” systems. The two last named almost invariably include the “centring” type. Studded (fig. 23) and Whitworth (fig. 24) hexagonal projectiles, which can freely slide in the bore, come under the first system.
In the compression class the coating or rings on the projectile are larger in diameter than the bore and when fired the coating (or rings) is squeezed or engraved by the rifling to fit the bore—the projectile is consequently also centred. The old-fashioned lead-coated shell (fig. 25), and the modern system of plain copper driving bands (fig. 26), come under this class. Most variety exists in the expansion type, where the pressure of the powder gas acts on the base of the projectile or on the driving ring and compresses a lead, copper or asbestos ring into the rifling grooves. One of the earliest was the Hotchkiss (1865) shell (fig. 27), in which a separate base end B was driven forward by the gas pressure and squeezed out the lead ring L into the rifling. The automatic gas check (fig. 28), and the gas check driving band (fig. 29), belong to this system; in the last the lip L is expanded into the rifling groove. In fig. 30 a copper driving band is associated with an asbestos packing A, contained in a canvas bag or copper casing made in the form of a ring on the principle of the de Bange obturator; but the results of this have not been entirely satisfactory.

Figs. 23-30.—Projectiles for Rifled Ordnance.
It will be seen that with breech-loading guns the projectile is better centred, and the copper driving band forms a definite stop for the projectile; and, in consequence, the capacity of the gun chamber is practically constant. In addition, the use of a copper driving band ensures a uniform resistance while this is being engraved and the projectile forced through the gun, and also prevents the escape of gas. These elements have a very great influence on the accuracy of the shooting, and fully account for the vastly superior results obtained from breech-loading ordnance when compared with the muzzle-loading type. Driving bands of other materials such as cupro-nickel and ferro-nickel have also been tried.
Many authorities believe that the best results are obtained when the projectile is fitted with two bands, one near the head and the other near the base, and no doubt it is better centred when so arranged, but such shot can only be fired from guns rifled with a uniform twist, and it must also not be forgotten that the groove formed for the front band in the head of the projectile necessarily weakens that part of the projectile which should be strongest.
Projectiles with a driving band at the base only can be fired from guns rifled either uniformly or with increasing twist.
The introduction of cordite (q.v.) about 1890 again brought into special prominence the question of rifling. The erosion caused by this explosive soon obliterated the rifling for some 4 or 5 calibres at the breech end. The driving band of the shell consequently started with indifferent engraving, and with the increasing twist, then in general use, it was feared that the wear would quickly render the gun useless. To remedy this the late Commander Younghusband, R.N., proposed straight rifling, which was adopted in 1895, for that portion of the rifling mostly affected by the erosion, with a gradual increase of the twist thence to the required pitch at the muzzle. Thus, any erosion of the straight part of the rifling would not affect that portion giving rotation, and it was argued that the gun would remain efficient for a longer period. The defect in this system is that when the projectile arrives at the end of the straight rifling it has a considerable forward velocity and no rotation. Rotation is then imparted by the increasing twist of rifling, and the resulting pressure on the engraved ribs of the driving band rises suddenly to a maximum which, in high velocity guns, the driving band is unable to resist. For this reason the straight portion at the commencement of the rifling has been discarded, and with high power guns firing a slow burning propellant uniform rifling has again found favour.
It is evident that in order that a projectile may have a definite amount of spin as it leaves the gun a determinate amount of work must be imparted to rotate it during its passage along the rifled portion of the bore. Put briefly, this work is the sum of the products of the pressure between the engraved ribs on the driving band and the lands of the rifling in the gun multiplied by the length of the rifling over which this pressure acts. Sir Andrew Noble has proved theoretically and experimentally (see Phil. Mag., 1863 and 1873; also Proc. Roy. Soc. vol. 50) that the rotating pressure depends on the propelling pressure of the powder gas on the base of the projectile and on the curve of the rifling. If this curve was so proportioned as to make the rotating pressure approximately constant along the bore, the result was an increasing or progressive curve partaking of the nature of a parabola, in which case it was usual to make the last two or three calibres of rifling at the muzzle of uniform twist for the purpose of steadying the projectile and aiding accuracy.
In uniform rifling the curve is a straight line and the rotating pressure is consequently mainly proportional to the propelling gas pressure. The pressure for rotation with uniform rifling therefore rises to a maximum with the propelling pressure and falls as it becomes less towards the muzzle.
With increasing rifling, owing to the angle of twist continually changing as the projectile travels along the bore, the ribs originally engraved by the rifling on the driving band are forced to change their direction correspondingly, and this occurs by the front surface of the ribs wearing away. They are therefore weakened considerably, and it is found that with high velocities the engraved part of the band often entirely disappears through this progressive action.
It will thus be seen that although an increasing twist of rifling may be so arranged as to give uniform pressure, it is evident that if wear takes place, the engraved rib becomes weaker to resist shearing as the shot advances, and the rate of wear also increases owing to the increase of heat by friction. With the very narrow driving bands used for low velocity guns this action was not so detrimental.
With the long modern guns and the high muzzle velocities required, the propelling gas pressures along the bore rise comparatively slowly to a maximum and gradually fall until the muzzle is reached. The pressure of the gas at all points of the bore is now considerably higher than with the older patterns of B.L. guns.
For modern conditions, in order to obtain an increasing curve giving an approximately constant driving pressure between the rifling and driving band, this pressure becomes comparatively high. The maximum rotating pressure, with uniform rifling, is certainly somewhat higher, but not to a very great extent, and as it occurs when the projectile is still moving slowly, the wear due to friction will be correspondingly low; the pressure gradually falls until the muzzle is reached, where it is much lower than with increasing rifling. The projectile thus leaves the gun without any great disturbance from the rifling pressure. Further, as the band is engraved once for all with the angle it will have all along the bore the pressure is distributed equally over the driving face of the engraved ribs instead of being concentrated at the front of the ribs as in progressive or increasing rifling.
The following formulae showing the driving pressures for increasing and uniform rifling are calculated from Sir Andrew Noble’s formula, which Sir G. Greenhill has obtained independently by another method.
Let R=total pressure, in tons, between rifling and driving band.
G=gaseous pressure, in tons, on the base of the projectile.
𝑟=radius, in feet, of the bore.
μτ=coefficient of friction.
ρ=radius of gyration of projectile.
δ=angle between the normal to the driving surface of groove and radius.
ℎ=the pitch of the rifling, in feet.
𝑘=cotangent of angle of rifling at any point of rifling.
M=weight of the projectile in pounds.
𝑧=the length, in feet, travelled by the projectile.
Then for parabolic rifling
/
For uniform rifling
/
For modern rifling δ=90°; therefore sin δ=1; by which the above expressions may be considerably simplified.
For parabolic rifling
R=2ρ2(4z𝑧2+𝑘2)1/2(G𝑧 + Mv2)/𝑘𝑟2(𝑘−2μ1𝑧)+2ρ2𝑧(2𝑧+μ1𝑘).
For uniform rifling we can write ℎ𝑘=2π𝑟 and the expression reduces to
R=ρ2(1+𝑘2)1/2/μ1(ρ2𝑘−𝑟2/𝑘)+ρ2z)+𝑟2.G.

Fig. 31 —Pressure Curves (uniform and increasing twist).
Fig. 31 shows graphically the calculated results obtained for a 4·7-in. 50-calibre gun which has a shot travel of 17·3 ft.; the pressure curve A is for a rifling twist increasing from 1 in 60 calibres at the breech to 1 in 30 calibres at the muzzle; curve B is for rifling having a uniform twist of 1 in 30 calibres.
It must be remembered that this comparison is typical for modern conditions; with old-fashioned guns firing black or brown powder the maximum rotating pressure for uniform rifling could attain a value 50% above that for increasing rifling.
In this example, with the increasing twist there is a loss of energy of about 11% of the total muzzle energy, and for the uniform rifling a loss of about 8%. This explains the reason for uniformly rifled guns giving a higher muzzle velocity than those with increasing rifling, supposing the guns to be otherwise similar.
The pitch of the rifling or the amount of twist to be given to it depends altogether on the length of the projectile; if this is short a small amount of twist only is necessary, if long a greater amount of twist must be arranged for, in order to spin the shell more rapidly. Sir G. Greenhill has shown that the pitch of the rifling necessary to keep a projectile in steady motion is independent of the velocity, of the calibre, or of the length of the gun, but depends principally on the length of the shell and on its description, so that for similar projectiles one pitch would do for all guns.
Table I., on following page, has been calculated from Greenhill’s formula.
In most modern guns the projectile varies in length from 3·5 to 4 calibres, so that the rifling is made to terminate at the muzzle with a twist of 1 turn in 30 calibres, which is found ample to ensure a steady flight to the projectile. In the United States a terminal twist of 1 in 25 calibres is often adopted; Krupp also uses this in some guns. With howitzers the projectile may be 4·5 calibres long, and the rifling has to be made of a quicker twist to suit.
If the gun has, as is usually the case, a right-hand twist of rifling the projectile drifts to the right; if it has a left-hand twist the drift takes place to the left. The drift increases with the range but in a greater ratio; further, the greater the twist (i.e. the smaller the pitch of rifling) the greater the drift. On the other hand the smooth B.L. projectiles Drift.drift less than studded M.L. projectiles.
To find the angle, usually called the permanent angle of deflection, at which the sights must be inclined to compensate for the drift, a number of shots are fired at various ranges. The results obtained are plotted on paper, and a straight line is then drawn from the point representing the muzzle through the mean value of the plotted curve.
The early guns were fired by inserting a red-hot wire into the vent, or by filling the vent with powder and firing it by a red-hot iron. Slow match held in a cleft stick afterwards took the place of the hot iron, and this again was replaced by a port-fire. Filling the vent with loose powder was inconvenient and slow, and to improve Firing arrangements.matters the powder was placed in a paper, tin or quill tube which was simply pushed into the vent and fired by the slow match or port-fire.
| Length of projectile in calibres. |
Minimum twist at muzzle of gun requisite to give stability of rotation =one turn in 𝑛 calibres; or a pitch of 𝑛 calibres. | |||
| Cast-iron common shell, cavity=8/27, vol. of shell (s.g. of iron=7·2). |
Palliser shell, cavity=1/8 vol. (s.g.=8·0). |
Solid steel bullet (s.g.=8·0). |
Solid lead and tin bullets of similar composition to M.-H. bullets (s.g.=10·9) | |
| 𝑛. | 𝑛. | 𝑛. | 𝑛. | |
| 2·0 | 63·87 | 71·08 | 72·21 | 84·29 |
| ·1 | 59·84 | 66·59 | 67·66 | 78·98 |
| ·2 | 56·31 | 62·67 | 63·67 | 74·32 |
| ·3 | 53·19 | 59·19 | 60·14 | 70·20 |
| ·4 | 50·41 | 56·10 | 57·00 | 66·53 |
| ·5 | 47·91 | 53·32 | 54·17 | 63·24 |
| ·6 | 45·65 | 50·81 | 51·62 | 60·26 |
| ·7 | 43·61 | 48·53 | 49·30 | 57·55 |
| ·8 | 41·74 | 46·45 | 47·19 | 55·09 |
| ·9 | 40·02 | 44·54 | 45·25 | 52·72 |
| 3·0 | 38·45 | 42·79 | 43·47 | 50·74 |
| ·1 | 36·99 | 41·16 | 41·82 | 48·82 |
| ·2 | 35·64 | 39·66 | 40·30 | 47·04 |
| ·3 | 34·39 | 38·27 | 38·84 | 45·38 |
| ·4 | 33·22 | 36·97 | 37·56 | 43·84 |
| ·5 | 32·13 | 35·75 | 36·33 | 42·40 |
| ·6 | 31·11 | 34·62 | 35·17 | 41·05 |
| ·7 | 30·15 | 33·55 | 34·09 | 39·79 |
| ·8 | 29·25 | 32·55 | 33·07 | 38·61 |
| ·9 | 28·40 | 31·61 | 32·11 | 37·48 |
| 4·0 | 27·60 | 30·72 | 31·21 | 36·43 |
| ·1 | 26·85 | 29·88 | 30·36 | 35·43 |
| ·2 | 26·13 | 29·08 | 29·55 | 34·49 |
| ·3 | 25·45 | 28·33 | 28·78 | 33·59 |
| ·4 | 24·81 | 27·61 | 28·05 | 32·74 |
| ·5 | 24·20 | 26·93 | 27·36 | 31·94 |
| ·6 | 23·65 | 26·32 | 26·74 | 31·21 |
| ·7 | 23·06 | 25·66 | 26·08 | 30·44 |
| ·8 | 22·53 | 25·08 | 25·48 | 29·74 |
| ·9 | 22·03 | 24·51 | 24·91 | 29·07 |
| 5·0 | 21·56 | 23·98 | 24·36 | 28·44 |
| ·1 | 21·08 | 23·46 | 23·84 | 27·83 |
| ·2 | 20·64 | 22·97 | 23·34 | 27·24 |
| ·3 | 20·22 | 22·50 | 22·86 | 26·68 |
| ·4 | 19·81 | 22·05 | 22·40 | 26·14 |
| ·5 | 19·42 | 21·61 | 21·96 | 25·63 |
| ·6 | 19·04 | 21·19 | 21·53 | 25·13 |
| ·7 | 18·68 | 20·79 | 21·12 | 24·66 |
| ·8 | 18·33 | 20·40 | 20·73 | 24·20 |
| ·9 | 18·00 | 20·03 | 20·35 | 23·75 |
| 6·0 | 17·67 | 19·67 | 19·98 | 23·33 |
| 7·0 | 14·99 | 16·68 | 16·95 | 19·78 |
| 8·0 | 13·02 | 14·48 | 14·72 | 17·18 |
| 9·0 | 11·50 | 12·80 | 13·00 | 15·18 |
| 10·0 | 10·31 | 11·47 | 11·65 | 13·60 |
The first attempt to fire guns by mechanical means was made in 1781 by Sir Charles Douglas, who fitted flint locks, similar to musket locks, but with the trigger actuated by a lanyard, to the guns on board his ship H.M.S. “Duke.” A double flint lock introduced in 1818 by Sir Howard Douglas, R.A., continued to be used until about 1842, when it was replaced by a percussion lock invented by an American named Hiddens. In this lock one pull on the lanyard caused the hammer to fall and strike a percussion patch or cap hung on a small hook over the vent, and afterwards caused the hammer to be drawn backwards out of the way of the blast from the vent. These somewhat clumsy contrivances were swept away on the adoption in 1853 of friction tubes (see Ammunition), which had simply to be placed in the vent and the friction bar withdrawn by means of a lanyard.
Friction tubes continued to be used with all muzzle-loading ordnance except in one or two natures with which the charge was ignited axially at the breech of the gun. In these a vent sealing friction tube retained in the vent by a tube holder was employed. With breech-loading field guns ordinary friction tubes were also used until the introduction of cordite, which eroded the vents so quickly by the escape of the gases that vent sealing tubes became a necessity.
In all other breech-loading ordnance and with the latest pattern field guns the firing gear forms part of the breech mechanism.
All modern breech mechanisms form two groups (a) the sliding type as with the Krupp wedge system, (b) the swinging type as in the interrupted screw system. Either type may be used with B.L. guns (i.e. those with which the charge is not contained in a metallic cartridge case) and Q.F. guns (i.e. those with which a metallic cartridge Breech mechanism.case is used).
Sliding mechanisms may be divided into two forms: (1) those having the block or wedge sliding horizontally, and (2) those in which the block works in a vertical direction, (1) is that used principally by Krupp; (2) is best illustrated by the Hotchkiss system for small Q.F. guns; the Nordenfelt, Skoda and the Driggs-Schroeder mechanisms for small Q.F. guns are an adaptation of the same principle.
The Krupp gear is in reality an improved Cavalli mechanism; it is capable of being worked rapidly, is simple, with strong parts not liable to derangement, except perhaps the obturator. The breech end of the gun, however, occupies valuable space especially when these guns are mounted in the restricted turrets or gun houses on board ship.
Later it will be seen that owing to the difficulty of arranging a convenient and efficient obturating device for the smokeless nitropowders, which have a peculiarly severe, searching effect, a metal cartridge case has to be used with even the heaviest guns; naturally this assumes large dimensions for the 305 m/m. gun.
The wedge (fig. 32) is housed in the breech piece, which covers the breech part of the barrel, made very massive and extended to the rear of the barrel. A slot, cut transversely through the extended portion, forms a seat for the sliding block. The slot is formed so that its front is a plane surface perpendicular to the axis of the gun, while the rear is rounded and slightly inclined to the axis. One or more ribs similarly inclined on the upper and lower surfaces of the slot guide the breech block in its movements. For traversing the block a quick pitched screw is fitted to its upper surface and works in a nut attached to the upper part of the slot (in small guns this traversing screw is dispensed with, as the block can be easily moved by hand). As the rear seat of the sliding block is inclined, there is a tendency for the block to be moved sideways, when the gun is fired by the pressure in the chamber acting on the front face of the wedge; this is prevented by a locking gear, consisting of a cylinder, having a series of interrupted collars, which is mounted on a screw. When the breech has been traversed into position, the collars are rotated, by a cross handle at the side of the block, into grooves cut in the rear surface of the slot; a further movement makes the screw jam the collars hard in contact with the gun and secures the breech. With small guns having no traversing gear a short strong screw takes the place of the collars, and on the handle being turned enters a threaded portion at the rear surface of the slot, actuates the breech for the last (or first in opening) portion of its movement in closing and secures it. To open the gun the movements are reversed.
The gun is fired by a friction tube, screwed into an axial vent bored through the sliding block, or, in field guns, by a copper friction tube through an oblique vent drilled through the top of the breech end of the gun and through the block.
There is also fitted in some guns a percussion arrangement for firing a percussion tube.
The obturation is effected by a Broadwell ring or some modification of it; this is placed in a recess cut in the gun and rests against a hard steel plate fitted in the breech block.
For modern Krupp mechanisms, for use with cartridge cases, the arrangement (fig. 33) is very similar to that described above, but some improvements have added to its simplicity. The transporting screw is fitted with a strong projection which, at the end of the movement for closing the breech, locks with a recess cut in the upper surface of the slot and secures the breech. The extra locking device is consequently dispensed with. The firing gear consists of a striker fitted in the sliding block in line with the axis of the gun; the striker is pushed back by a lever contained in the block and, on release, is driven forward against the primer of the cartridge case by a spiral spring.
In the Hotchkiss gun the mechanism has a vertical breech block of a rectangular section. The actuating lever F (fig. 34) is on the right side of the gun, and connected to a powerful crank arm C working in a groove E cut on the right side of the breech block. By pulling the lever towards the rear, the crank arm forces down the block A and extracts the fired case by an extractor X, which is actuated by a cam groove Y cut on one side or on both sides of the block. As the mechanism is opened the hammer H is cocked ready for the next round. To close the mechanism the lever is pushed over to the front, and by releasing the trigger sear by pulling the lanyard the hammer falls and fires the cap of the cartridge case.
Automatic gear is now generally fitted which opens the breech as the gun runs up after recoil and extracts the fired case by means of a supplementary mechanism and strong spring actuated by the recoil of the gun, and on pushing a new cartridge into the gun the breech which was retained by the extractor is released and closes automatically.
The Nordenfelt mechanism consists of a breech block (fig. 35) and a wedge to secure it. A hand lever on the shaft is pulled to the rear, and this works the action cam, which pulls down the wedge; the breech block is then caused to rotate and falls back to the rear. This motion of the breech block actuates the extractor and extracts the case. While the wedge is being withdrawn the firing pin is pulled back and cocked for the next round. The mechanism is closed by reversing the hand lever; this rotates the breech block upwards and pushes home the cartridge case, and the wedge is then forced up and secures the breech block.

Fig. 32.—Krupp Breech Action.
These small type Q.F. guns, which were introduced to cope with torpedo boats, are now, however, of little account, since experiment has proved that nothing smaller than a 12-pounder is sufficient so to injure a modern torpedo boat as to stop it. Most of these small guns are therefore in the English and in some other Services being converted into “sub-calibre” guns for exercise purposes. These sub-calibre guns retain their ordinary breech mechanism, but the bodies are fitted with a strong steel plug screwed on the outside in a similar manner to the breech screw of the parent gun. The sub-calibre gun is placed in the parent gun and the screwed plug engages in the threads of the breech opening.
There has been a gradual development of ideas regarding the repelling power required by a vessel against torpedo boat attack. The 12-pounder Q.F. 40-calibre guns were replaced by the more powerful 12-pounder Q.F. 50-calibre gun; this again by the 4-in. high power gun of 50 calibres, and now 6-in. guns are being used.
One other form of sliding mechanism is of importance owing to its adoption for the 75 m/m. French long recoil field gun (see below: Field equipments). This mechanism is on the Nordenfelt eccentric screw system and is very similar to that proposed by Clay about 1860; it has a breech screw (fig. 36) of large diameter mounted in the breech opening, which is eccentric to the bore. For loading, the breech block has a longitudinal opening cut through it, so that when the mechanism is in the open position this opening coincides with the chamber, while a half turn of the breech screw brings its solid part opposite the chamber and closes the gun. The mechanism is very simple and strong, but it is only suitable for small Q.F. guns using cartridge cases; the firing gear is similar to that applied to other types of mechanism, and the fired case is extracted by an extractor actuated by the face of the breech screw as it is opened.
With the swinging type of breech mechanism we are confronted with numberless patterns, many of undoubted merit and claiming certain advantages over others, and all showing the vast amount of ingenuity expended in so designing them that they may be as simple, and, at the same time, as effective and quick acting as possible. It is impossible to deal with all these, and therefore only the more important systems will be described. The special feature of this type is that the breech is closed by an interrupted breech screw; the screw is either supported in a carrier ring or tray hinged near the breech opening, or on a carrier arm which is hinged near the outer circumference of the gun.
The screw may be of the cylindric interrupted, Welin and coned types; these, or their modifications, practically embrace the various forms used. The cylindric form (fig. 37) is the simplest; it consists of a strong screwed plug engaging with a corresponding screw thread cut on the interior of the breech opening of the gun. The screw surface of the breech plug is cut away in sections equally divided and alternating with the threaded portions. The screw surface of the breech opening is similarly cut away, so that the plug can be pushed nearly home into the breech opening without trouble; by then revolving the breech screw through a small angle the screwed portions of the plug and breech opening engage. Thus if three screwed sections alternate with three plain sections the angle of revolution necessary to ensure a full engagement of the screw surfaces will be 60°. The Welin screw (fig. 38) is an ingenious adaptation of the cylindric type; in this the surface is divided into sections each formed of two or three cylindrical screwed steps with a single plain portion; thus if there are three sections, each section of which has one plain division and two screwed divisions, there will be in all six screwed portions and three plain. The breech opening is correspondingly formed so that the screwed threads would fully engage with 40° of movement. There is consequently a greater amount of screwed circumferential surface with the Welin screw than with the ordinary cylindric interrupted type; the latter form has 50% screw surface while the Welin has 60%. For equal screw surface the Welin can therefore be made shorter.
For medium guns the Elswick type of coned screw (fig. 39) has found much favour, and this mechanism has been fitted to guns of all calibres from 3-inch to 6-inch, both for the British and numerous other governments. The coned breech screw is formed with the front part conical and the rear cylindrical, to facilitate its entrance into the gun, and also its exit; this form, moreover, is taken advantage of by cutting the interruptions in the screwed surface alternately on the coned part and on the cylindrical part, so that there is a screwed surface all round the circumference of the breech screw. By this means the stress is taken all round the circumference, both of the breech screw and in the gun, instead of in portions alternately, as with other forms.
The Bofors breech screw is a modification. The surface is formed of a truncated ogive instead of a cylinder and cone, and the threaded portions are not alternate.

Fig. 33.—Krupp Breech Action.
In the older types of mechanism for heavy B.L. guns the breech was opened in from three to four different operations which involved considerable loss of time. Fig. 40 shows the general type for 9·2-in., lo-in. and 12-in. B.L. guns. To open the breech the cam lever C was folded up so that it engaged the pin B in connexion with the ratchet lever E. This was worked and so disengaged the breech screw from the threads cut in the gun; the cam lever was then folded down as to to start the breech screw, and the winch handle Q rotated and so withdrew the screw and swung it clear of the breech opening. During these operations the firing lock was actuated and made safe, but the fired tube had to be extracted by hand. To close the gun these various operations must be reversed, and to open or close the gun would certainly occupy at least half a minute with trained men.
To compare with this a modern 12-in. breech mechanism is shown in fig. 41. In order to open this breech it is only necessary to turn the handwheel continuously in one direction, and to close it again the motion of the handwheel is simply reversed; either closing or opening the breech by hand occupies about 6 seconds. Supposing the breech closed, the handwheel when rotated gives motion to the link G through the worm wheel S and crank F. By this means the tooth B is moved from its extreme left position to the right, and so disengages the breech screw A from the threads in the gun; the rack A2 on the breech screw then comes into gear with the pinion E and draws the breech screw out of the gun into the carrier ring C, which finally swings on the axis pin and clears the breech opening. While the opening is being performed the firing lock L is operated by the cam groove A3; this puts the firing mechanism, either electric or percussion, to safety by withdrawing the firing needle, extracts the fired tube and leaves the primer chamber open for a fresh primer. All these operations are performed in the reverse order on closing.

Fig. 34.—Hotchkiss Q.F. Breech Mechanism.
With both these types of mechanism the de Bange system of obturation, with the pad only slightly coned, is used.

Fig. 35.—Nordenfeldt Q.F. Breech Mechanism.
With smaller guns the mechanism is simpler, as less power is required for opening the breech. Thus, with the 6-in. B.L. gun Mark IV., introduced about 1885 (fig. 42) the breech is opened in three separate operations—(a) the cam lever, which also locks the breech, is raised into the vertical position and pulled over to the left; this disengages the screw threads; (b) the cam lever is folded down so that the cam acting on the rear face of the gun releases the de Bange obturator, and the screw is then pulled by hand through the carrier ring out of the breech; (c) the carrier ring and breech screw are revolved together to the right, clear of the breech opening.

Fig. 36.—Eccentric Screw, Breech Mechanism.
In a modern 6-in. gun fitted with de Bange obturator all these operations are combined and the mechanism (fig. 43) worked by a horizontal hand lever which is moved from left to right through an angle of about 200°. The hand lever A moves a link B connected to a pin C on the breech screw D and disengages the screw from the gun; a small lateral movement is then given to the axis pin of the carrier so as to allow the obturator pad E to swing out of its seating; when this is quite free, the whole mechanism revolves on the axis pin and thus clears the breech opening. The firing lock F is actuated at the same time and ejects the fired tube G. A new tube is inserted while the gun is being loaded, so that immediately the breech is closed the charge can be fired without loss of time. In the old mechanisms the breech had to be closed first, and the firing tube inserted after.
The breech mechanism for Q.F. guns firing metallic cartridge cases is worked on similar principles, but is somewhat simpler than that for the de Bange obturation, due principally to the fact of the firing primer being already contained in the cartridge case when this is introduced into the gun.

Fig. 37.—Interrupted Breech Screw—Cylindrical.
In the English service the later patterns of breech mechanism for medium and heavy B.L. guns have a Welin screw, with a “steep cone” de Bange obturator, supported on a carrier arm. This arrangement allows the mechanism (fig. 44) to swing clear of the breech opening immediately the threads of the breech screw are disengaged from those in the breech in a similar manner to the Q.F. guns fitted with a cone screw. The mechanism is actuated by the handwheel L which rotates the hinge pin; this in turn, through gearing, moves a crank arm D connected, by a link B, to the pin on the breech screw. By continuously moving the handwheel the link B is drawn towards the hinge pin until the breech screw threads are disengaged; the catch C then drops into a pocket on the breech screw and fixes it to the carrier arm. The whole of the mechanism then rotates around the hinge pin and leaves the breech open ready for loading. As the breech screw threads are being disengaged the electric or percussion lock W is operated by a cam groove in a similar manner to that already described. In the latest modification of this mechanism a roller at the end of the crank arm D works a long lever connected to the breech screw by two pins. This forms what is termed a “pure-couple” mechanism and it is claimed that greater ease of working is ensured by its use. While the loading is going on a new firing tube is placed in the vent, so that on closing the gun, by turning the handwheel in the opposite direction, the gun is ready for firing. For 9·2-in. guns and those of smaller calibre the handwheel is replaced by a hand lever pivoted on the carrier (fig. 45). By giving this lever a single motion from left to right the mechanism is opened.
For 6-in. and 4-in. guns a shot support is attached to the breech face which is operated by the breech mechanism so that when the breech is open the shot support is in position for loading, and it falls out of the way when the breech is being closed.
In the larger types of all breech mechanisms ball bearings are employed in various parts, such as the hinge pin bearings, &c., to reduce friction and in most of the modern heavy guns on board ship the breech mechanism is arranged to be worked by a hydraulic cylinder placed on the breech face, or by a small hydraulic engine or electric motor placed in some convenient position on the mounting. The hand gear, however, is always retained for emergency and a clutch is provided so that it can be put into action at a moment’s notice.
The Welin screw is largely used in the United States, but in heavy guns the ordinary cone (not “steep cone”) de Bange obturator is employed. The screw is mounted either in a carrier ring or on a carrier tray. In France the ordinary type of interrupted screw is adopted and this rests in a carrier tray. The operations of opening and closing are very similar to those already described.

Fig. 38.—Welin Breech Screw.
All the recent patterns of mechanism have an extractor fitted to extract the empty cartridge case with Q.F. guns or the fired tube with B.L. guns. In Q.F. field guns it generally takes the form of a lever working on an axis pin. The longer arm of the lever is formed into a jaw which rests on the inner face of the breech opening beneath the rim of the cartridge case, and the short arm is so arranged that when the breech is opened the carrier, in swinging mechanisms, or the breech block itself, in sliding systems, suddenly comes in contact with it; the long arm is thus jerked backwards and extracts the case. In B.L. mechanisms the tube extractor is
arranged on the same principle but in this case usually forms part of the box slide, i.e. that portion of the mechanism attached by interrupted collars to the rear end of the vent axial, in which the firing lock slides as it is actuated by the opening or closing of the breech mechanism. When the breech is being opened the firing pin of the lock is drawn back to safety and the lock is moved aside from over the tube; a tripper then actuates the extractor and ejects the fired tube. The extractor and tripper are so contrived that when a new tube is pushed home the extractor is also pushed back into the closed position, or, if the tube is somewhat stiff to insert, the action of closing the mechanism moves the lock over the primer and forces it home.

Fig. 39.—Elswick Coned Screw.
The firing lock used in B.L. guns is an important part of the mechanism. They are all designed on the same principle, with a view to safety and rapidity, and may be regarded as a miniature sliding breech mechanism. In the older types the lock or its substitute was manipulated by hand, and with electric firing the wires from the tubes were joined up to the loose ends of the firing circuit; safety depended therefore on everything being in order and all operations correctly performed.

Fig. 41.—12-in. Gun, Breech Mechanism.
The gun could, however, be fired before the breech was properly secured and a serious accident caused; to prevent this all the movements of modern locks are arranged to be automatic, and wireless electric tubes are used so that immediately the breech mechanism commences to open, the lock itself is moved in the box slide so as to uncover the vent opening. During the first part of this movement a foot on the striker rides up an incline I (fig. 45) on the box slide and thus pushes back the striker from contact with the tube. The extractor described above is actuated at the same time. Most locks consist of a steel frame with a socket for containing the striker and main spring. They are contrived so as to be capable of firing both electric and percussion tubes, but others are arranged for firing only electric, separate locks being employed for use with percussion tubes. The construction of both is very similar, but with the percussion lock, or the combined lock, a trigger is provided which drops into a notch in the striker when this is pulled back by the lugs E E (fig. 45) on the outer attachment of the striker. On the trigger being pulled by a lanyard the striker is released and fires the tube.

Fig. 40. — Breech Mechanisms, Heavy Guns.

Fig. 42.— Breech Mechanism, 6-in. B.L. Mark IV.
For Q.F. guns with interrupted or coned breech screws the striker is contained in the breech screw, but, in order to provide for safety, a small lever cam or other contrivance is fitted which, when the mechanism commences to open, is operated by the hand lever and withdraws the striker from contact with the primer inserted in the cartridge case.
The striker consists of a steel needle, with the stem insulated by ebonite or some similar material, contained in an outer steel sheath. The sheath is formed with a foot or lug which is acted upon by the safety gear; a collar is also provided for taking the thrust of the main spring.
Another form of lock now much in favour, especially for field-gun mechanisms, is that known as a trip lock. It is mainly used for percussion firing but can also be combined for use with electric tubes. In this pattern the striker is withdrawn, cocked and released by the continuous pull of a hand lever attached to the mounting or by a lanyard attached to the lock. Should a miss-fire occur the striker may be actuated as often as necessary by releasing the hand lever or lanyard and again giving a continuous pull (fig. 46).
In all modern heavy guns, especially when firing to windward, there is a tendency, when the breech is opened rapidly after firing, for a sheet of flame to issue from the open breech. It was practically unknown with the old black powders, but is of frequent occurrence with all smokeless propellants. If Back flash. the gun is loaded immediately after the breech is opened the fresh charge may be ignited and an accident caused. Several serious accidents have already been traced to this cause, notably one on the United States battleship “Missouri” on 13th April 1904, when 33 lives were lost. The flame is due to the large amount of highly heated carbonic oxide remaining in the gun from the explosion of the charge; this mixing with the oxygen of the air when the breech is opened burns rapidly as a sheet of flame in rear of the gun, and should wind be blowing down the gun the action is more intense. By looking into the gun from the muzzle, before the breech is opened, the gas can often be seen burning with a pale-blue flame as it slowly mixes with air and a curious singing noise is heard at the same time. It is now usual to fit a special apparatus on the gun, so that directly the breech is partly opened a blast of compressed air is allowed to enter the rear end of the chamber and thus sweep the whole of the residual gas out at the muzzle.
The purpose of the obturator is to render the breech end of the gun gas-tight, and to prevent any escape of gas past the breech mechanism. In the first Armstrong B.L. gun this object was attained by fitting to the breech block a copper ring coned on the exterior; the coned surface was forcibly pressed by Obturators. screwing up the breech screw against a corresponding copper ring fitted at the breech opening of the gun chamber. It is only possible to use this method when the copper surfaces can be jammed together by a powerful screw.
Except the above, all obturators in use are arranged to act automatically, i.e. the pressure set up in the gun when it is fired expands the arrangement and seals the opening; immediately the projectile leaves the bore the pressure is relieved and the obturator, by its elasticity, regains its original shape, so that the breech mechanism can be opened or closed with ease. In the French naval service B.L. guns have been in use since 1864, and the system of obturation was arranged on the same expansion principle as the leather packing ring of the hydraulic press. A steel ring A (fig. 47) of cupped form was fastened by a screwed plug to a thick steel plate, carried on the face of the breech screw, so that it could rotate when the breech screw was rotated in opening or closing the gun. The outer lip of the cup fitted against a slightly coned seating formed in the breech end of the gun chamber. When the gun was fired, the gas pressure expanded the cup ring and forced it into close bearing against the seating in the gun and the thick steel plate on the breech screw, thus preventing any escape of gas.

Fig. 43.—Breech Mechanism, Modern 6-in. Gun.
Very similar to this was the Elswick cup obturator (fig. 48) introduced by the Elswick Ordnance Company in 1881; its rear surface was flat and it was held by a central bolt against the front of the breech screw which was slightly rounded. The cup yielded to the gas pressure until it was supported by the breech screw; this action expanded the lip against a copper seating, let into the gun, which could be renewed when necessary. Many of both types are still in use and act perfectly efficiently if carefully treated. The use of modern smokeless powder renders them and similar devices, such as the Broadwell ring (fig. 49), &c., peculiarly liable to damage, as a slight abrasion of the lip of the cup or ring, or of its seating, allows gas to escape, and so accentuates the defect with each round fired. Unless, therefore, the fault be immediately remedied considerable damage may be caused to the gun. The Broadwell gas ring is still in use in the French naval service, where it is made of copper (fig. 50), and also of steel in a modified form (Piorkowski) in the German service (fig. 51); in the last-named service, owing to the defect already named, all the latest guns, both light and heavy, use metal cartridge cases. In the French navy, as in most other services, cartridge cases are used for the smaller and medium guns only.

Fig. 44.—English modern Breech Mechanism, for heavy and medium guns.
One of the most efficient obturators not liable to damage is the plastic device introduced by Colonel de Bange of the French service and adopted by the French army and also by the British and other governments. It consists of a pad (fig. 52) made up of a strong annular-shaped canvas bag A, containing a mixture of asbestos fibre and mutton suet; the bag with its contents is placed in a properly formed die and subjected to hydraulic pressure by which it becomes hard and firm. The pad so made is then placed on the front of the breech screw B, and it is protected on its faces by disks C, C, of metallic tin or copper having steel wedge rings on the outer edges; the circumference of the complete pad and disks is generally only slightly coned and fits into a corresponding seating formed at the breech end of the chamber, the canvas of the circumference of the pad being in immediate contact with the seat. In the English service the steep cone pattern (fig. 53) of de Bange obturator is used with mechanisms having the Welin screw. In front of the pad is placed a strong steel disk formed with a spindle, and called a mushroom head D, the spindle passing through the hole in the pad and through the breech screw, being secured in rear by a nut. The firing vent is generally drilled through the mushroom head and spindle and the part is then termed a “vent axial.” On the gun being fired the gas exerts a great pressure on the mushroom head, which compresses the pad and squeezes it out on the circumference into close contact with the seating, thus forming a perfect gas seal. It is found that this apparently delicate arrangement will stand considerable ill-usage and act perfectly for an indefinite time, and, as it is easily replaced, it is regarded as one of the best and most reliable forms of obturator. In some countries the Freyre obturator is in use; this has a somewhat similar axial head to the de Bange, but the asbestos pad is replaced by a single steel wedge ring into which the axial head fits. On firing the gun the head is forced into the wedge ring and expands it against the seating in the gun.
One other means of obturation has to be considered, viz. metallic cartridge cases. These are made of a kind of brass; aluminium cases have been experimented with, but have not proved satisfactory. The case (fig. 54) acts on the same principle as the cup obturation and is extremely efficient for the purpose; moreover, they have certain advantages conducive to rapid firing when used for small guns. The idea has developed from the use of such cartridges in small arms, and larger cartridges of the same type were introduced for 3-pounder and 6-pounder guns by Hotchkiss and Nordenfelt about the year 1880 for the purpose of rapid firing against torpedo boats. Then in 1886 the Elswick Company produced a 36-pounder (soon converted to a 45-pounder) of 4·7-in. calibre with the powder charge contained in metallic cases, and about 1888 a 6-in. 100-pounder gun using similar cartridges. A special advantage of the cartridge case is that it contains the firing primer by which the charge is ignited and consequently renders the firing gear of the gun more simple; on the other hand, should a miss-fire occur the gun must be opened to replace the primer. This is a proceeding liable to produce an accident, unless a long enough time is allowed to elapse before attempting to open the breech; guns having de Bange obturators and firing tubes inserted after the breech is closed are therefore safer in this respect.
Some means of extracting the case after firing must be fitted to the gun; this is simple enough with small guns, but with those of heavy natures the extractor becomes a somewhat ponderous piece of gear.
Metallic cases of a short pattern have been tried for large calibre guns; although their action is quite efficient, they are difficult to handle, and if a case must be used it is preferable to employ a fairly long one. It was for this reason that in England up to 1898 it was considered that for guns above 6-in. calibre the de Bange obturation was the most advantageous. Since then the de Bange obturator has been employed in guns of 4-in. calibre and above, the cartridge case being retained only for 3-in. and smaller guns. Krupp, however, uses cartridge cases with all guns even up to 12-in. calibre, but this is undoubtedly due to the difficulties, which have already been noticed, attending the use of smokeless powder with the ordinary forms of obturation applicable to the wedge breech system. In the most modern Krupp 12-in. guns the charge is formed in two pieces; the piece forming the front portion of the charge is contained in a consumable envelope, while the rear portion is contained in a brass cartridge case, which forms the obturator, about 48 in. long.
It will be seen that such large and heavy cases add to the difficulties which occur in handling or stowing the ammunition of large calibre guns, and although the use of cartridge cases with small guns adds to their rapidity of firing this is not the case with heavy guns. It seems, therefore, that the balance of advantages is certainly in favour of the de Bange system, for all guns except those of small calibre. With ordinary field guns cartridge cases are now considered obligatory owing to their convenience in loading.
While the ordinary types of plastic obturators last for an indefinite time a cartridge case can be used for a limited number of rounds only, depending on the calibre of the gun; with field guns from ten to twenty rounds or even more may be fired from one case if care is taken to reform it after each round; with large guns they will not, of course, fire so many. Cartridge cases are an expensive addition to the ammunition, so that there should be no doubt about the advantages they offer before they are definitely adopted for heavy guns.
The rapidity with which modern guns can be fired and the enormous energy they develop is especially striking when one considers the same facts in connexion with the early guns. Favé states in his Histoire et tactique des trois armes (p. 23) that during the invasion of Italy in 1494 by Charles VIII. the guns were so unwieldy and the firing so slowRange and power. that the damage caused by one shot could be repaired before the next could be fired. The range, too, about 100 yds. for battering purposes, now seems absurdly short; even at Waterloo 1200 yds. was all that separated the antagonists at the commencement of the battle, but they approached to within 200 or 300 yds. without suffering serious loss from either musketry or gun fire. Nelson fought his ships side by side with the enemy’s; and fifty years after Nelson’s day a range of 1000 yds. at sea was looked upon as an extreme distance at which to engage an enemy. Contrast this with the range of 12,000 yds. at which the opposing Russian and Japanese fleets more than once commenced a naval battle in 1904, while the critical part of the action took place at a distance of 7000 yds.
These long ranges naturally intensified the requirements of the British and other navies, and, so that they shall not be outclassed and beaten by an enemy’s long-range fire, guns of continually increasing power are demanded. In 1900 a 12-in. gun of 40 calibres was considered all that was necessary. After the Russo-Japanese War the demand rose first for a 45-calibre gun and then for a 50-calibre gun, and muzzle velocities from about 2400 f.s. to about 3000 f.s. In 1910 greater shell power was demanded, to meet which new type guns of 13·5-in. and 14-in. calibre were being made.
In the days of M.L. heavy guns one of the most difficult problems was that of loading. The weight of the shell and powder was such that some mechanical power had to be employed for moving and ramming them home, and as hydraulic gear had by that date been introduced it was generally used for all loading operations. To load, the guns had to be run back until their muzzles were within the turret, or, in the case of the 16-in. 80-ton guns of H.M.S. “Inflexible,” until they were just outside the turret. The guns were then depressed to a fixed angle so as to bring the loading gear, which was protected below the gun deck, in line with the bore; the charge was first rammed home and then the projectile. With this arrangement, and in order to keep the turret of manageable dimensions, the guns had to be made short. Thus the 12·5-in. 38-ton M.L. gun had a length of bore of but 16 calibres, and the largest English service gun of 16-in. diameter had a bore of 18 calibres in length; while the largest of the type weighing 100 tons, built by Sir W. G. Armstrong & Co., for the Italian navy, had a bore of 17·72 in. and a length of 20 calibres. The rate of fire was fairly rapid—two rounds could be fired from one turret with the 12·5-in. guns in about three minutes, while it took about four minutes to fire the same number from the 80-ton and 100-ton gun turrets.
The possibility of double loading M.L. guns was responsible for the bursting on the 2nd January 1879 of a 38-ton gun in a turret on H.M.S. “Thunderer”; and it was partly due to this accident that B.L. guns were subsequently more favourably regarded in England, as it was argued that the double loading of a B.L. gun was an impossibility.

Fig. 45.—Breech Mechanism for 6-inch B.L. Gun
With the B.L. system guns gradually grew to be about 30 calibres in length of bore, and they were not made longer because this was considered a disadvantage, not to be compensated for by the small additional velocity which the old black and brown prismatic powders were capable of imparting with guns of greater length. Increase in the striking energy of the projectile was consequently sought by increasing the weight of the projectile, and, to carry this out with advantage, a gun of larger calibre had to be adopted. Thus the 12-in. B.L. gun of about 25 calibres in length gave place to the 13·5-in. gun of 30 calibres and weighing 67 tons, and to the 16·25-in. also of 30 calibres and weighing 111 tons. The 10,000- or 12,000-ton battleships carrying these enormous pieces were, judged by our present-day standard, far too small to carry such a heavy armament with their ponderous armoured machinery, which restricted the coal supply and rendered other advantages impossible; even the 24,000-ton battleships are none too large to carry the number of heavy guns now required to form the main armament.
The weight and size of the old brown prismatic charges had also reached huge dimensions; thus, while with heavy M.L. guns the weight of the full charge was about one-fourth that of the projectile, it had with heavy B.L. guns become one-half of the weight of the shell or even a greater proportion. The introduction of smokeless powder about 1890, having more than three times the amount of energy for the same weight of the older powders, allowed longer guns to be used, which fired a much smaller weight of charge but gave higher velocities; the muzzle or striking energy demanded for piercing hard-faced armour could consequently be obtained from guns of more moderate calibre. The 13·5-in. and 16·25-in. guns were therefore gradually discarded and new ships were armed with 12-in. guns of greater power. As the ballistic requirements are increased the weight of the charge becomes proportionately greater; thus for the present high velocity guns it has reached a ratio of about 0·4 of the weight of the projectile.

Fig. 46.
|
| Fig. 47.—French Obturator.Fig. 48.—Elswick Cup. |
|
| Fig. 49.Fig. 50.Fig. 51. Figs. 49-51.—Broadwell Ring. |
The progress of artillery and the improvements made in armour have been reciprocal; as the protective value of iron and subsequently of steel plates has increased, so the penetrative force or quality of the projectile has advanced. Often, after a period of apparent inactivity, fresh ideas or new metallurgical processes have enabled further progress to be made; this is the case at the present time as regards both projectiles and armour. As a matter of fact, armour, at the present-day fighting ranges, is rather ahead of artillery—hence the demand for greater power; but even with this the probability of perforation is small, and is usually only obtained when the projectile strikes normally to the surface of the plate; the chance of this happening in action is somewhat remote. During the Russo-Japanese War no instance of perforation of the thick belt or turret armour is known; the chief cause of the Russian losses was the bursting of 12-in. and 6-in. shells inside the unarmoured portions of their ships; it is stated that no ship survived after being struck by ten 12-in. projectiles.
| |
| Fig. 52.—De Range Obturator. |
Fig. 53.—Steep Cone de Bange Obturator. |
Some authorities have lately sought to increase the muzzle energy—without adding weight or length to the gun—by increasing the weight of the projectile. This can be done to a limited extent with beneficial results, but it is impossible to carry the idea very far, as the projectile becomes very long and difficulties may be encountered with the rifling; or, if these are avoided, the thickness of the walls of the shell is increased so much that the heavier projectiles is in reality less powerful owing to its internal bursting charge being comparatively small. Again, many foreign gunmakers claim that their guns are, in comparison with English guns of the same power, of less weight. This is true in a limited sense, but such guns have nothing like the same factor of resistance as English guns, or, in other words, the English guns are much stronger. This is an obvious advantage, but an equally solid one is the fact that owing to the greater weight of the home-made weapon the recoil energy is less and consequently the mounting can be made of a lighter pattern. Besides, the weight of the gun is so disposed as to bring its centre of gravity as near the breech end as possible; by this means the radius of the gun house is reduced to the smallest dimension and, in consequence, there is a great saving of weight of armour. The extra weight of the gun is therefore more than compensated for.
![]() Fig. 54.—Metallic Cartridge Case. |
| Names. | Weight. | Diameter of Bore. |
Diameter of Shot. |
Weight of Shot. |
Weight of Charge. Serpentine. |
Scores of Paces at point-blank. |
| ℔ | in. | in. | ℔ | ℔ | ||
| Robinet | 200 | 11/4 | 1 | 1 | 1/2 | . . |
| Falconet | 500 | 2 | 13/4 | 2 | 11/4 | 14 |
| Falcon | 800 | 23/4 | 21/2 | 21/2 | 21/2 | 16 |
| Minion | 1100 | 31/4 | 3 | 41/2 | 41/2 | 17 |
| Sacre | 1500 | 31/2 | 31/2 | 5 | 5 | 18 |
| Demi-Culverin | 2500 | 41/4 | 4 | 9 | 9 | 20 |
| Culverin | 4000 | 51/4 | 5 | 18 | 18 | 25 |
| Demi-Cannon | 6000 | 61/2 | 61/4 | 30 | 28 | 28 |
| Cannon | 7000 | 73/4 | 71/2 | 60 | 40 | 20 |
| Eliza-Cannon | 8000 | 8 | 73/4 | 63 | 42 | 20 |
| Basiliske | 9000 | 83/4 | 81/2 | 60 | 60 | 21 |
| Gun. | Weight of Charge. |
Weight of Shot. |
Muzzle Velocity. |
| ℔. | ℔. | f.s. | |
| 27-pr. 66 cwt. | 13·125 | 27 | 1517 |
| 131/2 pr. 37·5 cwt. | 6·562 | 13·5 | 1618 |
| 63/4 pr. 20 cwt. | 4·922 | 6·75 | 1696 |
| 33/8 pr. 11 cwt. | 2·469 | 3·375 | 1720 |
| Official Designation of Gun. | Calibre. | Weight of Gun. |
Weight of Charge. |
Weight of Projectile. |
Muzzle Velocity. |
Muzzle Energy. | |
| In. | Tons. | ℔. | ℔. | Ft. Secs. | Ft. Tons. | ||
| Cast Iron. |
10 in. 87 cwt. | 10 | 4·35 | 12 | 88·31 | 1292 | 1022 |
| 68 pr. 95 „ | 8·12 | 4·75 | 16 | 66·25 | 1579 | 1145 | |
| 8 in. 65 „ | 8·05 | 3·22 | 10 | 49·875 | 1464 | 742 | |
| 32 pr. 58 „ | 6·375 | 2·9 | 10 | 31·375 | 1690 | 621 | |
| 24 „ 50 „ | 5·823 | 2·5 | 8 | 23·5 | 1720 | 482 | |
| 18 „ 38 „ | 5·292 | 1·9 | 6 | 17·69 | 1690 | 350 | |
| Bro- nze. |
12 „ 18 „ | 4·623 | 0·9 | 4 | 12·66 | 1769 | 275 |
| 9 „ 13 „ | 4·20 | 0·65 | 2·5 | 9·36 | 1614 | 169 | |
| 6 „ 6 „ | 3·668 | 0·3 | 1·5 | 6·23 | 1484 | 95 | |
| Official Designation of Gun. | Calibre. | Weight of Gun. |
Weight of Charge. |
Weight of Projectile. |
Muzzle Velocity. |
Muzzle Energy. |
| In. | Tons. | ℔. | ℔. | Ft. Secs. | Ft. Tons. | |
| 100 pr. | 7 | 4·1 3·6 * |
12 | 103·75 | 1166 | 978 |
| 40 „ | 4·75 | 1·75 1·6 * |
5 | 41·5 | 1164 1134 |
390 370 |
| 20 „ | 3·75 | 0·8 0·65 * |
2·5 | 21·22 | 1114 997 |
162 146 |
| 12 „ | 3·0 | 0·425 | 11·56 | 1184 | 112 | |
| 9 „ | 3·0 | 0·3 | 1·125 | 9·0 | 1141 | 81 |
| 6 „ | 2·5 | 0·175 | 0·75 | 6·0 | 946 | 37 |
At a later date the velocities of these guns were altered. * Two patterns were in existence.
Until late into the 16th century the calibres of the guns were not regulated with a view to the interchangeability of shot. In the following century ordnance was divided into classes, but even then, owing no doubt to manufacturing difficulties, there was no fixed size for the bore. The Tables II.-VII. give some idea of the size and weight of these pieces.
Table II. is taken from Cleveland’s Notes, but corrected from “An Old Table of Ordnance” (Proc. R.A.I., vol. xxviii. p. 365); the last column gives the range in scores of paces at point-blank, a term used in those days to denote the first part of the trajectory which was supposed to be a straight line. Later the point-blank range was that distance from the gun on its carriage to the first graze of the shot on the horizontal plane when the axis of the gun was placed horizontal; this depended on the height of the gun above the ground plane, but it was the only method of determining the relative power of these early guns.
In power, smooth-bore guns in Europe did not differ very much from each other, and it may be taken for granted that the progress made since has been much the same in all.
D’Antoni, in his Treatise of Fire Arms (translated by Captain Thomson, R.A.), gives particulars of Italian guns of about 1746, which are shown in Table III.
It will be seen that the velocities given in Table III. are not inferior to those obtained from guns actually in use in 1860 (see Table IV.). They were considerably higher than those for elongated rifled projectiles (Table V.) for many years after their introduction; the last-named, however, during flight only lost their velocity slowly, while the spherical shot lost their velocity so rapidly that at 2000 yds. range only about one-third of the initial velocity was retained.
| Official Designation of Gun. |
Calibre. | Weight of Gun. |
Weight of Charge. |
Weight of Projectile. |
Muzzle Velocity. |
Muzzle Energy. |
Perforation of Wrought Iron. |
Rate of Firing Rounds. |
Propellant. |
| M.L. Guns— | In. | Tons. | ℔ | ℔ | Ft. Secs. | Ft. Tons. | In. | Per Minute. | |
| 17·72 in. | 17·72 | 100 | 450 | 2000 | 1548 | 33,233 | 24·5 | 1/6 | Prism Black |
| 16 ,, | 16 | 80 | 450 | 1700 | 1540 | 29,806 | 25·0 | 1/4 | Prism Brown |
| 12·5 ,, | 12·5 | 38 | 210 | 818 | 1575 | 14,140 | 19·2 | 1/3 | Prism Black |
| 12 ,, | 12 | 35 | 140 | 714 | 1390 | 9,563 | 15·2 | 1/3 | P2 |
| 11 ,, | 11 | 25 | 85 | 548 | 1360 | 6,510 | 13·5 | 1/3 | Pebble |
| 10 ,, | 10 | 18 | 70 | 410 | 1379 | 5,406 | 12·5 | 1/3 | ,, |
| 9 ,, | 9 | 12 | 50 | 256 | 1440 | 3,695 | 11·0 | 1/2 | ,, ,, |
| 8 ,, | 8 | 9 | 35 | 179 | 1390 | 2,391 | 9·2 | 1/2 | ,, ,, |
| 7 ,, | 7 | 7 | 30 | 114·6 | 1525 | 1,854 | 9·2 | 1 | ,, |
| 64-pr.* | 6·3 | 3·2 | 10 | 66·9 | 1390 | 897 | 6·4 | 1 | R.L.G.4 |
| B.L. Guns— | |||||||||
| 16·25 in. | 16·25 | 110·5 | 960 | 1800 | 2087 | 54,390 | 38 | 1/3 | S.B.C. |
| 13·5 ,, | 13·5 | 67 | 630 | 1250 | 2016 | 35,230 | 33 | 1/2 | ,, |
| 12,, | 12 | 45 | 295 | 714 | 1914 | 18,137 | 24·5 | 1 | Prism Brown |
| 10,, | 10 | 29 | 252 | 500 | 2100 | 15,290 | 25·8 | 1 | ,, |
| 9·2,, | 9·2 | 22 | 166 | 380 | 2036 | 10,915 | 22·3 | 11/2 | ,, |
| 8,, | 8 | 14 | 118 | 210 | 2200 | 7,046 | 20·0 | 2 | ,, |
| 6,, | 6 | 5 | 48 | 100 | 1960 | 2,435 | 13·5 | 3 | E.X.E. |
| 5,, | 5 | 2 | 16 | 50 | 1800 | 1,123 | 9·2 | 3 | S.P. |
| 4,, | 4 | 1·3 | 12 | 25 | 1900 | 626 | 7·8 | 3 | ,, |
| Q.F. Guns— | |||||||||
| 4·7 in. | 4·72 | 2·1 | 12 | 45 | 1786 | 995 | 8·8 | 8 | ,, |
| 6-pr. | 2·24 | 0·4 | 1·94 | 6 | 1837 | 141·2 | 5·3 | 20 | Q. F. |
| 3 ,, | 1·85 | 0·25 | 1·5 | 3·3 | 1873 | 80·2 | 4·0 | 20 | ,, |
* And many smaller guns.
| Official Designation of Gun. |
Calibre. | Weight of Gun. |
Weight of Charge. |
Weight of Projectile. |
Muzzle Velocity. |
Muzzle Energy. |
Perforation of Wrought Iron. |
Rate of Firing Rounds. |
Propellant. |
| In. | Tons. | ℔. | ℔ | Ft. Secs. | Ft. Tons. | In. | Per Minute. | ||
| 16·25 in. | 16·25 | 110·5 | 960 | 1800 | 2087 | 54,390 | 38 | 1 | S.B.C. |
| 13·5 in. | 13·5 | 67 | 187 | 1250 | 2016 | 35,230 | 33 | 1/2 | Cordite |
| 12 in. Mark VIII. | 12 | 46 | 167·5 | 850 | 2367 | 33,000 | 36·9 | 1 | ,, |
| 10 in. | 10 | 29 | 76 | 500 | 2040 | 14,391 | 24·8 | 11/2 | ,, |
| 9·2 in. Mark X. | 9·2 | 28 | 103 | 380 | 2601 | 17,826 | 32·3 | 21/2 | ,, |
| 8 in. | 14 | 32·625 | 210 | 2200 | 7,046 | 20·0 | .. | ,, | |
| 6 in. Mark VII. | 6 | 7 | 20 | 100 | 2493 | 4,335 | 19·25 | 7 | ,, |
| 5 in. | 5 | 2 | 4·45 | 50 | 1750 | 1,062 | 8·8 | 3 | ,, |
| 4 in. | 4 | 13 | 3·06 | 25 | 1900 | 626 | 7·8 | 3 | ,, |
| Q.F. Guns— | |||||||||
| 6 in. | 6 | 7 | 13·25 | 100 | 2200 | 3,356 | 160 | 6 | ,, |
| 4·7 ,, | 4·72 | 2·1 | 5·43 | 45 | 2188 | 1,494 | 12·0 | 8 | ,, |
| 4 ,, | 4 | 1·3 | 3·75 | 25 | 2456 | 1,046 | 11·6 | 9 | ,, |
| 12-pr. | 3 | 0·6 | 1·94 | 12·5 | 2210 | 423 | 8·0 | 15 | ,, |
| 6 ,, | 2·24 | 0·4 | 0·483 | 6 | 1818 | 137 | 4·8 | 20 | ,, |
| 3 ,, | 1·81 | 0·25 | 0·396 | 3·3 | 1873 | 80·2 | 4·0 | 20 | ,, |
As regards rapidity of aimed fire—and no shooting is worth consideration which is not aimed—much depends on the quickness with which the gun can be opened, loaded and closed again ready for firing, but quite as much depends on the ease and convenience of moving to any required direction the gun with its mounting; also on the system of recoil adopted and the method of sighting. Two identically similar guns may consequently give entirely different rates of firing, unless mounted and sighted on the same system—without taking into consideration the personal element of the gun detachment or crew. The rates of firing shown in many tables are therefore not always a trustworthy criterion of the guns capabilities. The advantage of the Q.F. system (i.e. a gun firing charges contained in metallic cases), when suitably mounted, over the old B.L. guns was exhibited in a very marked manner in 1887, when the first 4·7-in. Q.F. gun fired ten rounds in 47·5 seconds and subsequently fifteen rounds in one minute. The 5-in. B.L. gun when fired as rapidly as possible only fired ten rounds in 6 minutes 16 seconds; so that the Q.F. gun fired its tenth round before the then service gun fired its second shot. Recent improvements made in the mechanism of the B.L. gun enable it to compete with the Q.F. system.
| Official Designation of Gun. |
Calibre. | Weight of Gun. |
Weight of Charge. |
Weight of Projectile. |
Muzzle Velocity. |
Muzzle Energy. |
Perforation of Wrought Iron. |
Rate of Firing Rounds. |
Propellant. |
| In. | Tons. | ℔. | ℔. | Ft. Secs. | Ft. Tons. | In. | Per Minute. | ||
| 12 in. Mark XI. | 12 | 66 | .. | 850 | 2959 | 51,580 | 51·5 | 2 | M.D.Cordite |
| 12 in. Mark X. | 12 | 58 | 309 | 850 | 2900 | 47,697 | 51·0 | 2 | ,, |
| 10 in. | 10 | 31 | 148 | 500 | 2800 | 27,205 | 39·5 | 2 | ,, |
| 9·2 Mark X. | 9·2 | 28 | 103 | 380 | 2640 | 18,400 | 33·3 | 3 | ,, |
| 7·5 in. | 7·5 | 16 | 69·5 | 200 | 2800 | 10,883 | 29·0 | 4 | ,, |
| 6 in. Mark VII. | 6 | 7·4 | 20 | 100 | 2493 | 4,308 | 19·6 | 6 | ,, |
| 4 in. | 4 | 1·3 | 3·75 | 25 | 2456 | 1,046 | 11·6 | 9 | ,, |
Q.F. guns as in 1900.
The tabulated armour-piercing value of a gun is based on the results given by various formulas. These often vary considerably, so in order that a direct comparison in the tables may be made, this value is obtained for wrought iron plate only, using Tresidder’s formula, which is one of the most trustworthy. The equivalent thickness of Krupp cemented steel armour can be obtained immediately by dividing the tabulated value for wrought iron by a “factor of effect” of 2·3 to 2·4 for uncapped armour piercing shot, and about 2·0 for capped armour piercing shell. These factors are dependent on the nature of the projectile and must therefore be taken as approximate.
Tables VIII.-XXII. are obtained from trustworthy sources, but as great secrecy is now observed in many countries there may be a few inaccuracies; in some cases the whole of the data are not available.
| Official Designation of Gun. |
Calibre. | Weight of Gun. |
Weight of Charge. |
Weight of Projectile. |
Muzzle Velocity. |
Muzzle Energy. |
Perforation of Wrought Iron. |
Rate of firing Rounds. |
Propellant. |
| In. | Tons. | ℔. | ℔. | Ft.-Secs. | Ft.-Tons. | In. | Per Minute. | ||
| 305 mm. | 12·01 | .. | .. | 750 | 2870 | 42,890 | 46·0 | 1·5 | Smokeless B. Powder |
| 274 ,, | 10·8 | 34·5 | .. | 562 | 2650 | 27,186 | 38·8 | 1·5 | |
| 240 ,, | 9·45 | 23·6 | .. | 375 | 2870 | 21,445 | 37·0 | 2 | ,, |
| 194 ,, | 7·64 | 12·5 | .. | 190 | 2870 | 10,890 | 29·0 | 2 | ,, |
| 164·7 ,, | 6·46 | 8·5 | .. | 115 | 3000 | 7,185 | 26·3 | 4 | ,, |
| Q .F. Guns— | ,, | ||||||||
| 164·7 mm. | 6·46 | 8·1 | .. | 115 | 2870 | 6,568 | 24·5 | 5 | ,, |
| 140 ,, | 5·44 | 4·13 | .. | 66 | 2625 | 3,153 | 20·0 | 6 | ,, |
| 100 ,, | 3·94 | .. | .. | 31 | 2395 | 1,232 | 12·4 | 6 | ,, |
| 75 ,, | 2·9 | .. | .. | 14 | 3116 | 943 | 14·5 | 12 | ,, |
| 65 ,, | 2·57 | .. | .. | 8·8 | 2871 | 503 | 10·8 | 12 | ,, |
| 47 ,, | 1·85 | .. | .. | 3·3 | 2871 | 188 | 7·9 | 15 | ,, |
| Official Designation of Gun. |
Calibre. | Weight of Gun. |
Weight of Charge. |
Weight of Projectile. |
Muzzle Velocity. |
Muzzle Energy. |
Perforation of Wrought Iron. |
Rate of firing Rounds. |
Propellant. |
| Q.F. Guns— | In. | Tons. | ℔. | ℔. | Ft.-Secs. | Ft.-Tons. | In. | Per Minute. | Nitro- Glycerine powder |
| 28 cm. | 11·02 | 33·3 | .. | 529 | 2854 | 29,878 | 40·2 | 1 | |
| 24 ,, | 9·45 | 25·4 | 88·2 | 309 | 2740 | 16,086 | 31·0 | 11/2 | |
| 21 ,, | 8·2 | 15·75 | 49·5 | 242 | 2526 | 10,707 | 26·1 | 3 | ,, |
| 17 ,, | 6·7 | 7·8 | 43·1 | 132 | 2887 | 7,629 | 26·1 | 5 | ,, |
| 15 ,, | 5·9 | 4·73 | 19·83 | 88 | 2461 | 3,696 | 18·0 | 7 | ,, |
| 10·5 ,, | 4·13 | 1·645 | 7·27 | 38·35 | 2297 | 1,403 | 12·75 | 8 | ,, |
| 8·8 ,, | 3·42 | 1·34 | 4·85 | 23·6 | 2789 | 1,273 | 14·7 | 10 | ,, |
| 5 ,, | 1·97 | 0·236 | 0·66 | 3·86 | 2165 | 125 | 5·4 | 11 | ,, |
Note. — It is stated that the new German 28 cm. 50 calibre naval gun weighing 43·9 tons fires, with a charge of 291 ℔,
a projectile of 760 ℔ with a velocity of 2871 f.s.
| Official Designation of Gun. |
Calibre. | Weight of Gun. |
Weight of Charge. |
Weight of Projectile. |
Muzzle Velocity. |
Muzzle Energy. |
Perforation of Wrought Iron. |
Rate of firing Rounds. |
Propellant. |
| In. | Tons. | ℔. | ℔. | Ft.-Secs. | Ft.-Tons. | In. | Per Minute. | ||
| 343 mm. | 13·5 | 67·9 | 187·2 | 1215 | 2067 | 36,050 | 34·0 | .. | Strip Ballistite |
| 305 ,, | 12 | 51 | 231·5 | 850 | 2580 | 39,220 | 42·0 | .. | ,, |
| 254 ,, | 10 | 30 | 85 | 450 | 2461 | 19,000 | 31·0 | .. | ,, |
| 203 ,, | 8 | 19 | 57 | 250 | 2526 | 11,060 | 27·0 | .. | ,, |
| 152 ,, | 6 | 5·7 | 17·6 | 100 | 2296 | 3,655 | 17·0 | .. | ,, |
| 120 ,, | 4·72 | 2·1 | 5·5 | 45 | 2116 | 1,397 | 11·4 | .. | ,, |
| 76 ,, | 3·0 | 0·6 | 2·17 | 12·5 | 2296 | 457 | 8·5 | .. | ,, |
| 57 ,, | 2·24 | 0·4 | 1·05 | 6 | 2198 | 201 | 6·3 | .. | ,, |
| 47 ,, | 1·81 | 0·25 | 0·67 | 3·3 | 2330 | 124 | 5·8 | .. | ,, |
| Official Designation of Gun. |
Calibre. | Weight of Gun. |
Weight of Charge. |
Weight of Projectile. |
Muzzle Velocity. |
Muzzle Energy. |
Perforation of Wrought Iron. |
Rate of firing Rounds. |
Propellant. |
| In. | Tons. | ℔. | ℔. | Ft.-Secs. | Ft.-Tons. | In. | Per Minute. | Nitro- Cellulose | |
| 12 in. | 12 | 59 | .. | 720 | 2600 | 33,730 | 39·0 | .. | |
| 10 ,, | 10 | 32 | .. | 488 | 2550 | 22,003 | 34·0 | .. | ,, |
| 8 ,, | 8 | 14 | 87 | 188 | 2950 | 11,345 | 29·5 | .. | ,, |
| 6 ,, | 6 | 6·28 | 50·6 | 91·5 | 2118 | 2,849 | 14·4 | .. | ,, |
| 9 pr. | 4·2 | 0·87 | 4·88 | 27·75 | 1226 | 289 | 4·2 | .. | ,, |
| 4 ,, | 3·43 | 0·45 | 3·1 | 15·0 | 1451 | 219 | 4·6 | .. | ,, |
| Q.F. Guns— | |||||||||
| 6 in. | 6 | 5·75 | 28 | 91·5 | 2502 | 3,970 | 18·5 | .. | ,, |
| 4·7 ,, | 4·72 | 2·95 | 15·4 | 45·0 | 2502 | 1,953 | 14·6 | .. | ,, |
| 2·9 ,, | .. | 0·87 | 3·53 | 10·8 | 2700 | 546 | 10·3 | .. | ,, |
| 1·81 ,, | 1·81 | 0·323 | .. | 3·3 | 2003 | 91·8 | 4·6 | .. | ,, |
| Official Designation of Gun. |
Calibre. | Weight of Gun. |
Weight of Charge. |
Weight of Projectile. |
Muzzle Velocity. |
Muzzle Energy. |
Perforation of Wrought Iron. |
Rate of firing Rounds. |
Propellant. |
| In. | Tons. | ℔. | ℔. | Ft.-Secs. | Ft.-Tons. | In. | Per Minute. | ||
| 30·5 cm. | 12·01 | . . | . . | 990 | 2625 | 47,300 | 46·0 | . . | |
| 24 ,, | 9·45 | 21·5 | 120·6 | 474 | 2595 | 22,121 | 34·5 | . | |
| 19 ,, | 7·5 | 11·6 | 56 | 198 | 2700 | 10,025 | 27·3 | 3 | |
| 15 ,, | 5·91 | 5·2 | 28·8 | 112·5 | 2608 | 5,308 | 22·0 | 10 | |
| 12 ,, | 4·72 | 2·0 | 9·7 | 52·4 | 2264 | 3,554 | 13·7 | 10 | |
| 7 ,, | 2·7 | . . | 3·3 | 15·2 | 2378 | . . | 10·4 | . . | |
| 4·7 ,, | 1·85 | 0·253 | 0·79 | 3·3 | 2329 | . . | 5·8 | . . | |
| 3·7 ,, | 1·4 | . . | . . | 2346 | . . | . . |
| Official Designation of Gun. |
Calibre. | Weight of Gun. |
Weight of Charge. |
Weight of Projectile. |
Muzzle Velocity. |
Muzzle Energy. |
Perforation of Wrought Iron. |
Rate of firing Rounds. |
Propellant. |
| In. | Tons. | ℔. | ℔. | Ft.-Secs. | Ft.-Tons. | In. | Per Minute. | ||
| 30·5 cm. | 12·01 | . . | 198·4 | 981 | 2297 | 35,860 | 37·8 | . . | Tubular |
| 28,, | 11·024 | 38 | 220 | 760 | 1722 | 15,615 | 22·5 | . . | Prism |
| 15,, | 5·906 | 4·28 | 18·28 | 100 | 2297 | 3,659 | 17·2 | 4 |
| Official Designation of Gun. |
Calibre. | Weight of Gun. |
Weight of Charge. |
Weight of Projectile. |
Muzzle Velocity. |
Muzzle Energy. |
Perforation of Wrought Iron. |
Rate of firing Rounds. |
Propellant. |
| In. | Tons. | ℔. | ℔. | Ft.-Secs. | Ft.-Tons. | In. | Per Minute. | Nitro- Cellulose | |
| 13 in. | 13 | 61·4 | 180 | 1130 | 2000 | 31,333 | 31·8 | . . | |
| 12 ,, | 12 | 56·1 | 340 | 870 | 2950 | 52,483 | 52 | . . | ,, |
| 10 ,, | 10 | 34·6 | 207·5 | 510 | 2700 | 25,772 | 38 | . . | ,, |
| 8 ,, | 8 | 18·7 | 98·5 | 260 | 2750 | 13,630 | 31·1 | . . | ,, |
| 7 ,, | 7 | 12·7 | 58 | 165 | 2700 | 8,34 0 | 25·9 | . . | ,, |
| 6 ,, | 6 | 8·6 | 37 | 105 | 2800 | 8,710 | 23·5 | . . | ,, |
| 5 ,, | 5 | 5 | 23·8 | 50 | 3150 | 3,439 | 21·1 | . . | ,, |
| 4·7 ,, | 4·72 | . . | . . | 45 | 2600 | 2,110 | 15·5 | . . | ,, |
| 4 ,, | 4 | 2·9 | 12·3 | 33 | 2800 | 1,794 | 16·1 | . . | ,, |
| 3 ,, | 3 | 1·0 | 3·85 | 13 | 2700 | 657 | 11·0 | . . | ,, |
| 6 pr. | 2·24 | . . | . . | 6 | 2240 | 209 | 6·6 | . . | ,, |
| 3 ,, | 1·81 | . . | . . | 3 | 2200 | 100 | 5·4 | . . | ,, |
| Official Designation of Gun. |
Calibre. | Weight of Gun. |
Weight of Charge. |
Weight of Projectile. |
Muzzle Velocity. |
Muzzle Energy. |
Perforation of Wrought Iron. |
Rate of firing Rounds. |
Propellant. |
| In. | Tons. | ℔. | ℔. | Ft.-Secs. | Ft.-Tons. | In. | Per Minute. | Nitro- Cellulose | |
| 16 in. | 16 | 127 | 612 | 2400 | 2150 | 77,000 | 46·4 | . . | |
| 14 ,, | 14 | 50 | 280 | 1660 | 2150 | 53,220 | 41·0 | . . | ,, |
| 12 ,, | 12 | 59 | 340 | 1046 | 2250 | 36,730 | 37·6 | . . | ,, |
| 10 ,, | 10 | 34·3 | 205 | 604 | 2250 | 21,200 | 31·5 | . . | ,, |
| 8 ,, | 8 | 14·4 | 80 | 316 | 2200 | 10,600 | 24·5 | . . | ,, |
| 6 ,, | 6 | 9·45 | 35 | 106 | 2600 | 4,970 | 21·1 | . . | ,, |
| 5 ,, | 5 | 4·96 | 20 | 58 | 2600 | 2·718 | 17·2 | . . | ,, |
| 4·72 ,, | 4·72 | 2·75 | 10·5 | 45 | 2600 | 2,110 | 15·5 | . . | ,, |
| 4 ,, | 4 | 1·61 | 7·5 | 33 | 2300 | 1,210 | 12·0 | . . | ,, |
| 3 ,, | 3 | 1·2 | 6·0 | 15 | 2600 | 704 | 11·25 | . . | ,, |
| 2·24 ,, | 2·24 | 0·38 | 1·35 | 6 | 2400 | 240 | 7·3 | . . | ,, |
| 12 ,, mortar | 12 | 13 | 54 62 |
1046 824 |
1150 1325 |
9,590 10,025 |
. . . . |
. . . .,, |
| Official Designation of Gun. |
Calibre. | Weight of Gun. |
Weight of Charge. |
Weight of Projectile. |
Muzzle Velocity. |
Muzzle Energy. |
Perforation of Wrought Iron. |
Rate of firing Rounds. |
Propellant. |
| In. | Tons. | ℔. | ℔. | Ft.-Secs. | Ft.-Tons. | In. | Per Minute. | ||
| 12·5 | 66 | . . | 990 | 2308 | 36,500 | 37·3 | 0·2 | MD. Cordite | |
| 12 | 59 | 305 | 850 | 2800 | 46,200 | 47·2 | 2·0 | ,, | |
| 10 | 34 | 166·5 | 500 | 2850 | 28,170 | 40·9 | 3·0 | ,, | |
| 8 | 17·5 | 44 | 250 | 2740 | 13,015 | 30·3 | 2·0 | ,, | |
| 6 | 7 | 35 | 100 | 2800 | 5,436 | 29·3 | 7·0 | ,, | |
| 4·72 | 2·1 | 5·5 | 45 | 2188 | 1,494 | 12·0 | 8 | ,, | |
| 3 | 0·6 | 1·94 | 12·5 | 2210 | 423 | 8·0 | 12 | ,, | |
| 3 | 0·9 | . . | 10·8 | 2716 | 553 | 10·2 | . . | ,, | |
| 2·24 | 0·4 | 0·5 | 6·0 | 1818 | 138 | 4·8 | 20 | ,, | |
| 1·35 | 0·25 | 0·4 | 3·3 | 1873 | 80 | 4·25 | 20 | ,, |
Note.—The Japanese fleet has mainly been armed by Armstrong’s Works, but the “Katori” was armed by Vickers’, and those ships taken from the Russians during the late war are armed with guns from Krupp or Obuchoff. Guns of all sizes are now, however, being constructed in Japan, so that the country is no longer dependent on foreign factories.
| Official Designation of Gun. |
Calibre. | Weight of Gun. |
Weight of Charge. |
Weight of Projectile. |
Muzzle Velocity. |
Muzzle Energy. |
Perforation of Wrought Iron. |
Rate Of firing Rounds. |
Propellant. |
| In. | Tons. | ℔. | ℔. | Ft.-Secs. | Ft.-Tons. | In. | Per Minute. | ||
| 12 in. | 12 | 69 | 318 | 850 | 2960 | 51,640 | 51·5 | 2 | |
| 10 ,, | 10 | 36 | 200 | 500 | 3000 | 33,318 | 44·0 | 3 | |
| 9·2 ,, | 9·2 | 28 | 138 | 380 | 3030 | 24,190 | 40·8 | 4 | |
| 8 ,, | 8 | 21 | 90 | 250 | 3000 | 15,600 | 34·9 | 5 | |
| 7·5 ,, | 7·5 | 15·75 | 76 | 200 | 3000 | 12,481 | 32·1 | 6 | |
| 6 ,, | 6 | 8·75 | 35·5 | 100 | 3050 | 6,492 | 26·0 | 9 | |
| 4·7 ,, | 4·7 | 3·3 | 15 | 45 | 3000 | 2,808 | 19·1 | 12 | |
| 4 ,, | 4 | 2·1 | 11 | 31 | 3000 | 1,934 | 17·3 | 12 | |
| 3 ,, | 3 | 1·1 | 5·75 | 14·3 | 3050 | 922 | 13·9 | 30 | Semi- automatic |
| 6 pr. | 2·24 | ·52 | 1·13 | 2400 | 240 | 7·3 | 25 | ||
| 3 ,, | 1·85 | ·25 | ·625 | 3·3 | 2300 | 121 | 5·7 | 25 |
Note.—The most powerful gun of each calibre has been selected.
| Official Designation of Gun. |
Calibre. | Weight of Gun. |
Weight of Charge. |
Weight of Projectile. |
Muzzle Velocity. |
Muzzle Energy. |
Perforation of Wrought Iron. |
Rate Of firing Rounds. |
Propellant. |
| In. | Tons. | ℔. | ℔. | Ft.-Secs. | Ft.-Tons. | In. | Per Minute. | ||
| 12 in. | 12 | 66·85 | 344 | 850 | 3010 | 53,400 | 53·0 | 2 | |
| 10 ,, | 10 | 27·85 | 172 | 496·6 | 2863 | 28,225 | 41·0 | 3 | |
| 9·2 ,, | 9·2 | 27·8 | 184 | 380 | 3070 | 24,835 | 41·3 | 4 | |
| 8 ,, | 8 | 14·15 | 90 | 216·7 | 3090 | 14,350 | 33·9 | 6 | |
| 7·5 ,, | 7·5 | 16·0 | 80·3 | 200 | 3007 | 12,540 | 32·3 | 8 | |
| 6 ,, | 6 | 7·8 | 43 | 100 | 3190 | 7,056 | 27·9 | 10 | |
| 4·7 ,, | 4·72 | 3·1 | 17 | 45·14 | 3050 | 2,910 | 18·5 | 12 | |
| 4 ,, | 4 | 2·1 | 11·25 | 31 | 3030 | 1,975 | 17·6 | 15 | |
| 3 | 3 | 0·95 | 3·625 | 12·5 | 2700 | 632 | 10·8 | 25 | Semi- automatic |
| 6 pr. | 2·24 | 0·46 | 1·55 | 6 | 2600 | 281 | 8·2 | 28 | |
| 3 ,, | 1·85 | ·28 | 1·066 | 3·3 | 2800 | 179·4 | 7·5 | 30 |
Note.—The most powerful gun of each calibre has been selected.
| Official Designation of Gun. |
Calibre. | Weight of Gun. |
Weight of Charge. |
Weight of Projectile. |
Muzzle Velocity. |
Muzzle Energy. |
Perforation of Wrought Iron. |
Rate of firing Rounds. |
Propellant. |
| In. | Tons. | ℔. | ℔. | Ft.-Secs. | Ft.-Tons. | In. | Per Minute. | ||
| 30·5 cm. | 12·01 | 47 52·2 |
357 | 771·6 981·0 |
3251 2884 |
56,540 | .. 53·0 |
2–3 | |
| 28 ,, | 11·02 | 36·4 40·4 |
276 | 595·2 760·6 |
3255 2881 |
43,754 | 52·0 49·0 |
2–3 | The explosive for the |
| 24 ,, | 9·45 | 22·93 25·45 |
173·6 | 374·8 474·0 |
3255 2894 |
27,540 | 44·5 42·0 |
3–4 | charges of guns of 105 cm. and up- |
| 21 ,, | 8·27 | 15·20 16·90 |
115·2 | 249·1 308·6 |
3251 2920 |
18,101 | 38·6 36·5 |
4–5 | wards con- |
| 19 ,, | 7·48 | 11·37 12·64 |
86·2 | 187·4 235·9 |
3241 2890 |
13,572 | 35·0 33·1 |
5–6 | tains 25% of nitroglycerin |
| 17 ,, | 6·7 | 8·55 9·48 |
64·6 | 141·1 176·4 |
3238 2897 |
10,259 | 32·0 30·3 |
6–7 | |
| 15·5 ,, | 5·91 | 5·5 6·2 |
41·7 | 90·4 112·4 |
3245 2910 |
6,603 | 27·4 26·1 |
6–8 | |
| 12 ,, | 4·72 | 2·86 3·18 |
21·72 | 46·3 59·5 |
3274 2887 |
3,442 | 22·2 20·8 |
15–20 | |
| 10·5 ,, | 4·13 | 1·92 2·13 |
14·55 | 30·9 39·7 |
3281 2897 |
2,306 | 19·5 18·3 |
20–25 | |
| 9 ,, | 3·54 | 1·28 | 7·72 | 19·84 25·13 |
3162 2812 |
1,377 | 16·0 15·0 |
||
| 1·45 | 7·94 | 19·84 25·13 |
3248 2887 |
1,452 | 16·5 15·6 |
25–30 | The explosive for charges | ||
| 7·5 ,, | 2·95 | ·74 | 4·48 | 11·46 14·55 |
3165 2812 |
797 | 13·3 12·6 |
of guns up to 9·5 cm. | |
| ·84 | 4·61 | 11·46 14·55 |
3251 2887 |
840 | 13·9 13·0 |
30–40 | contains 40% nitroglycerin | ||
| 5·7 ,, | 2·24 | ·325 | 1·96 | 5·07 6·4 |
3156 2808 |
350 | 10·1 9·5 |
||
| ·367 | 2·03 | 5·07 6·4 |
3242 2884 |
369 | 10·5 9·9 |
40–50 | |||
| 5·0 ,, | 1·97 | ·220 | 1·32 | 3·42 4·3 |
3242 2890 |
249 | 8·7 8·4 |
||
| ·248 | 1·37 | 3·42 4·3 |
3242 2890 |
249 | 9·0 8·75 |
40–50 |
Note. The above table includes a light and heavy type of gun, but for each the length of bore is 50 calibres; in the unabridged table guns of 40 and 45 calibres are included. The particulars of the shorter pieces can be easily obtained from Table XX., as the construction of Krupp’s complete table is based on very simple rules. Thus, for the same relative length of gun, the weight of the projectile and of the charge are, with few exceptions, in proportion to the cube of the calibre. Again, the weight of the gun varies as the cube of the calibre multiplied by the length. The muzzle velocity is practically identical for guns of the same relative length, and varies as the square root of the length; consequently the muzzle energy varies directly as the length. Two weights of projectile are given for every gun, but the muzzle energy of each, for the same charge, is identical; this result is never the case in actual practice. Similar arithmetical processes are utilized for the Schneider-Canet, Bofors and Skoda tables, and only the first named is therefore given.
| Official Designation of Gun. |
Calibre. | Weight of Gun. |
Weight of Charge. |
Weight of Projectile. |
Muzzle Velocity. |
Muzzle Energy. |
Perforation of Wrought Iron. |
Rate of firing Rounds. |
Propellant. |
| In. | Tons. | ℔. | ℔. | Ft.-Secs. | Ft.-Tons. | In. | Per Minute. | ||
| 305 mm. | 12·01 | 57·6 | .. | 826 | 3116 | 55,717 | 54·8 | ||
| 274·4 ,, | 10·9 | 41·9 | .. | 606 | 3116 | 40,859 | 49·1 | ||
| 240 ,, | 9·45 | 28·0 | .. | 407 | 3116 | 27,487 | 43·2 | ||
| 200 ,, | 7·87 | 16·25 | .. | 231 | 3116 | 15,601 | 35·9 | ||
| 175 ,, | 6·89 | 10·8 | .. | 165 | 3116 | 11,143 | 32·1 | ||
| 150 ,, | 5·91 | 6·8 | .. | 99 | 3116 | 6,686 | 27·0 | ||
| 120 ,, | 4·72 | 3·5 | .. | 48 | 3116 | 3,268 | 21·0 | ||
| 100 ,, | 3·94 | 2·0 | .. | 28·6 | 3116 | 1,931 | 17·8 | ||
| 75 ,, | 2·95 | 1·2 | .. | 14·3 | 3116 | 917 | 14·6 | ||
| 57 ,, | 2·24 | ·55 | .. | 6·0 | 3116 | 400 | 10·7 | ||
| 47 ,, | 1·85 | ·30 | .. | 3·3 | 3116 | 223 | 8·9 |
Note. — The unabridged table gives only 45 and 50 calibre guns; the above table gives the particulars for 50 calibre guns.
| Official Designation of Gun. |
Calibre. | Weight of Gun. |
Weight of Charge. |
Weight of Projectile. |
Muzzle Velocity. |
Muzzle Energy. |
Perforation of Wrought Iron. |
Rate of firing Rounds. |
Propellant. |
| In. | Tons. | ℔. | ℔. | Ft.-Secs. | Ft.-Tons. | In. | Per Minute. | ||
| 18 in. | 18 | 60 | .. | 2000 | 2250 | 70,185 | 42·7 | ||
| 12 ,, | 12 | 53 | .. | 850 | 2800 | 46,195 | 47·4 | ||
| 10 ,, | 10 | 35 | .. | 500 | 2800 | 27,174 | 39·8 | ||
| 8 | 8 | 18·6 | .. | 250 | 2800 | 13,587 | 31·5 | ||
| 7 ,, | 7 | 14·5 | .. | 165 | 2900 | 9,619 | 28·82 | ||
| 6 ,, | 6 | 8·4 | .. | 105 | 2900 | 6,180 | 24·9 | ||
| 5 ,, | 5 | 4·75 | .. | 60 | 2900 | 3,490 | 20·5 | ||
| 4·724 ,, | 4·724 | 4·2 | .. | 45 | 2900 | 2,623 | 18·3 | ||
| 4 ,, | 4 | 2·6 | .. | 33 | 2900 | 1,924 | 17·0 | ||
| 3 ,, | 3 | ·85 | .. | 13 | 2800 | 707 | 11·7 | ||
| 2·24 ,, | 2·24 | ·43 | .. | 6 | 2400 | 240 | 7·3 | ||
| 1·85 ,, | 1·85 | ·245 | .. | 3 | 2600 | 142 | 6·4 |
Note.—The most powerful gun of each calibre has been selected.
Modern naval artillery may be looked upon as the high water
mark of gun construction, and keeps pace with the latest
scientific improvements. For coast defence the latest pattern
of ordnance is not of the same importance; in general very
similar guns are employed, although perhaps of an older type.
Formerly in the British Service the heaviest guns have been
used for this purpose; but of late years, where fortifications
could be erected in suitable situations, the largest gun favoured
is the 9·2-in. of the latest model. Other governments have,
however, selected still heavier pieces up to 12-in. calibre, mounted
in heavily armoured cupolas or gunhouses.
As regards field material, mobility is still one of the primary conditions, and, as high power is seldom required, ordnance of medium calibre is all that is necessary. For siege purposes guns of 4-in. to 6-in. calibre are generally sufficient, but howitzers up to 28 cm. (11·02 in.) were used at the siege of Port Arthur, 1904. All authorities seem agreed that for ordinary field guns 75 mm. or 3-in. calibre is the smallest which can be efficiently employed for the purpose, and the muzzle velocity is in nearly all equipments about 500 m.s. (1640 f.s.).
For mountain equipments all foreign governments have selected
a 75-millimetre gun with a velocity of about 350 m.s. (1148 f.s.);
in England, however, a 2·75-in. has been supplied to mountain
batteries; this fires a projectile of
with 1440 f.s.
Field Howitzer batteries abroad have pieces of from 10 to 12 centimetres calibre and a low velocity; in England a 5-in. howitzer is at present used, but it is intended to adopt a 4·5-in. howitzer of 17 calibres in length for future manufacture.
Heavy shell power and long range fighting render the work of the gun designer particularly difficult, especially when this is combined with conditions restricting length and weight; and, in addition, other considerations, especially for naval guns, may have to be taken into account such as the allowable weight of the armament, Theory of gun-making. and the size of the gun house or turret. These and other similar conditions are important factors in deciding on the type of design which embodies most advantages for a heavy gun intended for the main armament. For land defence more latitude is allowed so long as this is combined with economy. With both heavy and medium naval guns the length is often limited to 45 calibres on account of peculiarities in the design of the vessel, but usually great rapidity of fire, high velocity and large shell power are insisted upon. Again for Q.F. field guns, where high velocity is not of importance, ease of manipulation, rapidity of working and reliability even after months of arduous service are essential. Supposing, However, that the initial conditions, imposed by the shipbuilder or by the exigency of the case, can be fulfilled, it still remains to so design the gun that, when it is fired, there is an ample margin of safety to meet the various stresses to which the several portions of the structure are subject. The two principal stresses requiring special attention are the circumferential stress, which tends to burst open the gun longitudinally, and the longitudinal stress. The calculation for the last named is based on the supposition that the gun is a hollow cylinder, closed at one end by the breech screw and at the other by the shot, both being firmly fixed to the cylinder. The gas pressure exerts its force on the face of the breech screw and on the base of the shot thus tending to pull the walls of the cylinder asunder. But besides these there is the special stress on the threads of the breech screw which must receive very careful consideration.
Regard must also be had to the fact that in building up the gun, the smaller the diameter of the hoop and the longer it is, the higher must be the temperature to which it is heated before shrinking. This is necessary in order that the dilatation may allow sufficient clearance to place the hoop correctly in position on the gun, without the possibility of its contracting and gripping before being so placed. Should it warp while being heated or while being placed in position the hoop may prematurely grip on the gun and may consequently have to be sacrificed by cutting it off and shrinking on another.
The dilatation must be so adjusted that the required temperature to obtain it is not higher than that used for annealing the forging, otherwise the effect of this annealing will be modified. There is, therefore, for this reason, considerable risk in shrinking up long hoops of small diameter.
Before heating hoops of large diameter two or three narrow reference bands are turned on the exterior and their diameter measured; special gauges are prepared to measure these plus the dilatation required. After heating the hoop but before shrinking it, the diameter of the reference bands when tested by these gauges should not be in excess of them. The temperature can then be easily ascertained by dividing the dilatation by the coefficient of expansion of steel per degree F. or C., taking of course the diameter into account.
For small hoops this method is not convenient, as the hoop cools too quickly; the dilatation must then be obtained by ascertaining the temperature, and this is best done by the use of some form of pyrometer, such as a Siemens water pyrometer, before the hoop is withdrawn from the furnace.
It may also be desired to obtain a given striking energy or velocity at some definite range—then, the weight of the projectile being decided upon, the muzzle velocity is found from the formulas (see Ballistics) given in Exterior Ballistics. From this and the length of the gun allowable the designer has, with the aid of former experience and the formulas given in Internal Ballistics, to decide on the weight and nature of the powder charge necessary and the internal dimensions of the powder chamber and bore. These data are used to plot what is termed a “gunmakers’ curve,” i.e. the curve of pressures along the bore which the powder charge decided upon will give. The factor of safety and the maximum allowable stress of the steel forgings or steel wire also being known, the necessary strength of each section of the gun can be easily found and it remains to so proportion each part as to conform to these conditions and to meet certain others, such as facilities for manufacture, which experience only can determine.
When the second course consists of a single long tube into which a tapered barrel is driven, as in the system adopted by the English government, the two tubes are treated as a single tube equal in thickness to the two together; but when the second course consists of several tubes shrunk on to the barrel the additional strength, obtained by the initial tension of the shrunk tubes, is sometimes taken account of in the calculation, or the two may be treated as one thick tube.
The gunmakers’ formulas for the strength of the gun are obtained from considering the strength of a thick cylinder exposed to unequal internal and external pressures. Supposing a transverse section of the gun to cut through n tubes, the internal radius of the barrel is 𝑟0 in., the external radius 𝑟1 in., the external radius of the second course is 𝑟2 and so on; and the external radius of the jacket is 𝑟𝑛. Then if T=a circumferential stress (tension) in tons per square inch, T𝑛=a circumferential stress at radius 𝑟𝑛 in., P=a radial stress (pressure) in tons per square inch, and P𝑛=a radial stress at radius 𝑟𝑛 in., the formulas used in the calculation of the strength of built-up guns are as follows:—
where 𝑟 is any intermediate radius in the thickness of a tube
in the same tube; also the pressure between the (𝑛−1)𝑡ℎ and 𝑛𝑡ℎ hoops is
Equation (4) is usually known as the Gunmakers’ formula and from it, when P𝑛 and T𝑛−1, T𝑛−2 . . . are known the other pressures can be found. The proof tension of the material is kept well below the yielding stress. For ordinary carbon gun steel it is usual to consider that the proof tension of the barrel should not exceed 15 tons and of the outer hoops 18 tons per square inch; with nickel gun steel these become 20 tons and 24 tons respectively. If the 𝑛𝑡ℎ hoop is the exterior tube then P𝑛=0; neglecting the atmospheric pressure.
In all gun calculations for strength three cases must be considered:
(a) When the built-up gun is fired, the stress is called the Firing Stress and is obtained by the repeated use of equation (4);
(b) When the gun, supposed to be a solid homogeneous block of metal is fired, the stress is termed the Powder Stress and is obtained from the equations (1) and (2);
(c) When the built-up gun is in repose, the stress is then called the Initial Stress or Stress of Repose.
Between these three cases the following relations hold:—
It is best to use different symbols to distinguish each kind of stress. We will use for the Firing Stress P, T; for Powder Stress 𝑝, 𝑡; and for the Initial Stress (𝑝), (𝑡).
The method of working will be illustrated by a practical example. Take, for instance, a section across the chamber of a 4·7-in. Q.F. gun, for which the diameter of the chamber is 5 in., that of the barrel 8·2 in., and the external diameter of the jacket 15 in.
Here 𝑟0=2·5; 𝑟1=4·1; 𝑟2=7·5
T0=15; T1=18; P2=0.
From (4) for the Firing Stress
- P1=(7·5)2 − (4·1)2/(7·5)2 + (4·1)2×18=9·72 tons per square inch.
- P0=(4·1)2 − (2·5)2/(4·1)2 + (2·5)2×(15+9·72)+9·72=21 tons per square inch.
From (3) the tension T′𝑛 of the outer fibres of the hoops is obtained; thus
- T′2=P2+T1−P1=18−9·72=8·28 tons per square inch.
- T′1=P1+T0−P0=9·72+15−21 =3·72 tons per square inch.
For any intermediate radius r the stress can be found by using equations (1) and (2) or (1) or (2) and (3).
For the Powder Stress equations (1) and (2) are used by putting 𝑛=1, and then 𝑝1=0 (also remembering that, as there are two hoops, the outer radius must be written 𝑟2); the formulas become
When 𝑟=𝑟0=2·5, 𝑡 =𝑡0, 𝑝0=P0 already found and:
𝑡0=(7·5)2 + (2·5)2/(7·5)2 − (2·5)2×21=26·25 tons.
For the tension of the fibres at the outer circumference
𝑡′2=26·25 − 21=5·25 tons,
from (3) and for a radius 𝑟2=7·5 inches.
The stress for any intermediate radius 𝑟 can be obtained from (6) and (7) or, from (6) or (7) and (3).
Subtracting the Powder Stress from the Firing Stress the Initial Stress is obtained, and the various results can be tabulated as follows:—
| At Radius. | Tensions. | Pressures. | |||||
| Firing Stress. |
Powder Stress. |
Initial Stress. |
Firing Stress. |
Powder Stress. |
Initial Stress. | ||
| Barrel | 𝑟0=2·5 | 15·0 | 26·25 | −11·25 | 21·0 | 21·0 | 0 |
| 𝑟0=4·1 | 3·72 | 11·57 | −7·85 | 9·72 | 6·32 | 3·4 | |
| Jacket | 𝑟0=4·1 | 18·0 | 11·57 | 6·43 | 9·72 | 6·32 | 3·4 |
| 𝑟0=7·5 | 8·28 | 5·25 | 3·03 | 0 | 0 | 0 | |
It is generally stipulated that the initial compression of the material at the interior surface of the barrel shall not exceed 26 tons per square inch, i.e. (𝑡0) =−26 tons; in the example above (𝑡0) =−11·25 tons only, but in wire-wound guns special attention to this condition is necessary.
It now remains for the designer so to dimension the several hoops that they shall, when shrunk together, give the stresses found by calculation. To do this the exterior diameter of the barrel must be a little larger than the interior diameter of the covering hoop; after this hoop is shrunk on to the barrel its exterior diameter is turned in a lathe so that it is slightly larger than the interior of the next course hoop and so on. It will be seen that the fibres of the barrel must be compressed while the fibres of the superimposed hoop are extended, and thus produce the Initial Stress. The shrinkage S may be defined as the excess of the external diameter of the tube over the internal diameter of the hoop, when separate and both are in the cold state. Then ii. 𝑛S𝑛+1 denotes the shrinkage between the 𝑛𝑡ℎ and (𝑛 + 1)𝑡ℎ hoops.
| 𝑛S𝑛+1 | =2𝑟𝑛/M{ (𝑡𝑛 − 𝑡′𝑛)} | (8) |
| =2𝑟𝑛/M [ (𝑡𝑛 − 𝑡𝑛−1) + 𝑟𝑛2 − 𝑟𝑛2−1/𝑟𝑛2 + 𝑟𝑛2−1 {(𝑡𝑛−1) + (𝑝𝑛)} ] | (9). |
Here M can be taken as 12,500 tons per square inch for gun steel. In the example already calculated the shrinkage between the jacket and barrel is 0·009 in.
S=2 × 4·1/12,500 [ 6·43 + 11·25 + (4·1)2 − (2·5)2/(4·1)2 + (2·5)2(−11·25 + 3·4) ]=0·009 in.
In that portion of the gun in which wire is used in the construction, exactly the same principles are involved. It may be assumed that the tube on which the wire is wound is so large, in comparison to the thickness of the wire, that the compression of the concave surface of the wire and the extension of its convex surface may be neglected without Wire guns. sensible error.
The greatest advantage is obtained from the wire coils when in the Firing Stress the tension T is uniform throughout the thickness of the wiring. The Firing Stress T in the wire may be as low as 25 tons per square inch and as high as 50 tons, but as the yielding strength of the wire is never less than 80 tons per square inch nor its breaking strength less than 90 tons, there is still an ample margin especially when it is remembered that the factor of safety is included in the calculation.
If the wire is wound direct on to the barrel and is covered by a jacket, 𝑟0, 𝑟1 being the radii in inches of the barrel, 𝑟1, 𝑟2 the radii of the internal and external layers of wire, and 𝑟2, 𝑟3 the radii of the jacket; then for the Firing Stress in the wire
or
By combining these the gunmakers’ formula for the wire is obtained
As T is to be uniform, when the gun is fired, the Initial Tensions of the wire are arranged accordingly, and the tensions at which the wire must be wound on to the guns have now to be determined.
| Let θ | =the winding tension at radius 𝑟 in. |
| (𝑡) | =the initial tension at radius 𝑟 in. |
| (𝑝) | =the radial pressure between any two layers of wire at radius 𝑟 in. |
It is assumed that M is uniform for the gun steel and wire.
Then
where
and
By means of these two equations and (9) the expression (11) becomes
where
E=−(T+P2)𝑟2
F=(T + P2)𝑟2 − (T + P0)𝑟0
G=(T + P2)𝑟2 + (T + P0)𝑟0
To compare with the previous example, the stress for a 4·7-in. Q.F. wire gun will be calculated. This consists of a barrel, intermediate layer of wire and jacket.
Here 𝑟0=2·5; 𝑟1=3·75; 𝑟2=5·5; 𝑟3=7·5 inches; the firing tension T1 to T2 of the wire=25 tons per square inch, suppose.
Take P0 = 21 tons per square inch and consider that the jacket
fits tightly over the wire, but has no shrinkage. Then for the
Firing Stress, from (2), P2=2·25 tons,
and from (9) and (10), T1(𝑟2-𝑟1) = P1𝑟1-P2𝑟2
P1=14·97, say 15 tons;
from (4) we can obtain T0 and T2 since P0, P1 and P2 are known; from (3) T0 = 0·6 tons. T2 = 7·5 tons.
T′2=−5·4 tons (a compression),
and
T3=5·25 tons.
The Powder Stress is obtained in the same way as in the previous example, so also is the Initial Stress; therefore we may tabulate as follows:—
| At Radius. | Tensions. | Pressures. | ||||||
| Firing Stress. |
Powder Stress. |
Initial Stress. |
Firing Stress. |
Powder Stress. |
Initial Stress. | |||
| Barrel | 𝑟0=2·5 | 0·6 | 26·25 | −26·25 | 21·0 | 21·0 | 0 | |
| 𝑟1=3·75 | −5·4 | 13·125 | −18·125 | 15·0 | 7·875 | 7·125 | ||
| Wire | 𝑟0=3·75 | 25·0 | 13·125 | 11·875 | 15·0 | 7·875 | 7·125 | |
| 𝑟2=5·5 | 25·0 | 7·125 | 17·5 | 2·25 | 2·25 | 0 | ||
| Jacket | 𝑟2=5·5 | 7·5 | 7·5 | 0 | 2·25 | 2·25 | 0 | |
| 𝑟3=7·5 | 5·25 | 5·25 | 0 | 0 | 0 | 0 | ||
As the wire is wound on, the pressure of the external layers will compress those on the interior, thus producing an extension in the wire which is equivalent to a reduction in the winding tension θ of the particular layer at radius 𝑟 considered. If τ represents this reduction then
θ=(𝑡) − τ,
where
τ=−𝑟𝑛2 + 𝑟02/𝑟2 − 𝑟02(𝑝)
At the interior layer of wire τ is the initial stress on the exterior of the barrel and the winding tension must commence at
θ= 11·875 + 18·525=30·4 tons per square inch.
As the jacket is supposed to have no shrinkage T=0 and consequently
θ=(𝑡)=17·5 tons per square inch.
These winding tensions can be found directly from formula (14) and then
E=−149·875; F=34·875; G=264·875.
Sir G. Greenhill has put these formulas, both for the built-up and wire-wound guns, into an extremely neat and practical geometrical form, which can be used instead of the arithmetical processes; for these see Text-Book of Gunnery, Treatise of Service Ordnance, 1893, and Journal of the United States Artillery, vol. iv.
The longitudinal strength of the gun is very important especially at the breech end; along the forward portion of the gun the thickness of the barrel and the interlocking of the covering hoops provide ample strength, but at the breech special provision must be made. It is usual to provide for this by means of a strong breech piece or jacket in small guns orLongitudinal stress. by both combined in large ones. Its amount is easily calculated on the hypothesis that the stress is uniformly distributed throughout the thickness of the breech piece, or jacket, or of both. If 𝑟0 is the largest radius of the gun chamber, 𝑟01 the radius of the obturator seating, 𝑟1 the external radius of the barrel, and P0 the maximum powder pressure, then, with the usual form of chamber adopted with guns fitted with obturation other than cartridge cases, there will be a longitudinal stress on the barrel at the breech end of the chamber due to the action of the pressure P0 on the rear slope of the chamber, of
π/4(𝑟02 − 𝑟012)P0 tons
this is resisted by the barrel of section π/4 (𝑟12−𝑟02) so that the resistance
R=𝑟02−𝑟012/𝑟12−𝑟02 P0 tons.
This portion of the longitudinal stress is not of great importance as the breech end of the barrel is supported in all modern designs by the breech bush. In Q.F. guns, i.e. those firing cartridge cases, the breech end of the chamber has the largest diameter, and 𝑟0−𝑟01 so that there is no longitudinal stress on the chamber part of the barrel.
For the breech piece or outer tube of radii 𝑟1 and 𝑟2, the resistance
R=𝑟012/𝑟22−𝑟12 P0 tons for B.L. guns
=𝑟02/𝑟22−𝑟12 P0 tons for Q.F. guns
If the longitudinal stress is taken by a jacket only, the resistance is found in the same way.
Generally for ordinary gun steel, the longitudinal stress on the material is always kept below 10 tons per square inch or 13 tons for nickel steel; but even with these low figures there is also included a factor of safety of 1·5 to 2. In large guns it is best to consider the jacket as an auxiliary aid only to longitudinal resistance, as, owing to the necessary connexions between it and the breech bush and its distance from the centre of pressure, there is a possibility that it may not be taking its proportionate share of the stress.
The thread of the breech screw and of the breech bush (or opening) must be so proportioned as to sustain the full pressure on the maximum obturator area; V or buttress shaped threads are always used as they are stronger than other forms, but V threads have the great advantage of centring the breech screw when under pressure.
In most modern B.L. guns fitted with de Bange obturation the diameter of the seating is made just large enough to freely admit the projectile; this is usually considerably smaller than the maximum diameter of the chamber, consequently a less area is exposed to the gas pressure and less screw thread section is required.
The principal features of the various systems of construction of modern heavy guns may be briefly described.

Figs. 55-57.—British, French and American Construction.
Fig. 55 is that adopted in England. The barrel or “inner A tube” is surmounted by a second layer which is either shrunk on in two or three pieces, as at Elswick, or is formed of one long piece called the “A tube,” as in the Woolwich system. This second layer is covered with wire, and over this is shrunk the chase hoop or B tube and the Systems of construction. jacket. The breech bush is screwed into the rear end of the A tube so that the principal longitudinal stress is taken by this tube.
Fig. 56 is the system adopted in the French service. In this the barrel is surmounted over the breech end with two layers of short thin hoops, which consequently approximate to the wire system. Over the muzzle end two or three long tubes are shrunk; the chase hoop is also screwed to the barrel near the muzzle. A jacket is shrunk over the breech portion of the gun, and the breech bush is screwed into it at the rear end. The gun is further strengthened by a long tube in front of the jacket to which it is attached by a screwed collar.
Fig. 57 shows the design adopted for the United States navy. Here the barrel is surmounted by a second course in two lengths, and over the breech a third and fourth layer are shrunk. The breech screw is screwed into the rear end of the second course.
Fig. 58 is the Krupp system, of which, however, it is an old example; it is believed, however, that Krupp still retains the essential peculiarities of this design, viz. that over the breech end of the barrel is shrunk a solid breech piece, made particularly massive in rear where the breech wedge is seated. The remainder of the layers consist of hoops which are comparatively short but may be covered with longer thin tubes.

Fig. 58.—Krupp Construction.
When guns are fired, the interior surface is gradually worn away by the action of the powder gases; the breech end of the rifled portion of the bore becomes enlarged, and the rifling itself partly obliterated. The ballistics suffer in consequence of the enlarged diameter of the bore, and the rifling may be worn so much as not to properly rotate theErosion. projectile.
In all modern gun designs provision has, therefore, to be made for repairing or replacing the barrel when it is worn out. There are two methods of providing for the repair in the original design—the first is by replacing the whole of the barrel by an entirely new one; the second is to make the original barrel thick so that when it is worn the interior can be bored out, either over a portion of its length to cover the eroded part, or the full length for “through lining.” In large guns it is usual to make the original barrel, if it is intended to be removed as a whole, tapered from end to end, so that by warming the gun in a vertical position breech downwards to about 300° F. and then suddenly cooling the barrel by a jet of water it can be knocked out by heavy blows from a falling weight. A new tapered barrel can then be inserted by driving it in. When a gun which had originally a thick barrel is lined part of the barrel is bored out in a machine, and it is usual to make the hole tapered so that a new tapered liner can be inserted and driven home.
The wearing of the barrel owing to erosion is one of the mo.st difficult problems the gun constructor has to face. Sir Andrew Noble (see “Some Modern Explosives,” a paper read at the Royal Institution, 1900, also “Researches on Explosives,” part iii., Phil. Trans. Roy. Soc.) has conclusively proved that the erosion is mainly dependent on the very high temperature to which the interior surface of the gun is raised and on the quantity of this heat. Both these factors are, for any particular explosive, determined by some function of the proportion of the weight of the charge to the extent of the exposed surface. The passage for the products of combustion gradually reduces from the maximum diameter of the chamber to the diameter of the bore. The highly heated gases therefore impinge more directly on that part of the bore which forms the seating for the shot and acts on it for the longest time, i.e. for the whole time the shot is in the gun. Consequently this part suffers most wear.
It may be assumed that the weights of the charges vary as the cube of the diameters of the bore, while the circumference of the bore varies directly as the calibre; now as the wear depends principally on the weight of the charge in relation to the exposed surface at the shot seating it varies as the square of the calibre. It is evident too that the allowable wear will vary as the calibre, so that the life of the gun or the number of rounds which can be fired is inversely proportionate to the calibre.
The heat of combustion and the time of burning of the explosive are factors in determining the amount of heat developed per unit of time, and thus influence the proportion of heat conducted away from the interior surface of the gun. The time of burning of the explosive depends on the size and form of the explosive and on the density of loading, while the heat of combustion depends on its composition and cannot be treated of here, but it may be stated generally that for equal weights Ballistite is more erosive than Cordite Mark I., and Cordite Mark I. than Cordite M.D. All of these explosives contain a fairly large proportion of nitro-glycerine, and it is found that as the proportion of this ingredient is reduced the erosion also decreases, so that for pure nitro-cellulose powders it is less still. Unfortunately pure nitro-cellulose powders are not ballistically equal to the same weight of nitroglycerin powder; the advantage of the less erosive action is lost owing to the greater weight of pure nitro-cellulose explosive required to obtain the same ballistics.
The effect of erosion on large high-power guns is serious, for in a 12-in. gun after some 150 or fewer rounds are fired with a full charge the barrel is worn so much as to need replacing. In the British service it is considered that the wear produced by firing sixteen half charges is equivalent to that of one full charge.
In small high-velocity guns the number of rounds with full charge which can be fired without replacing the barrel is considerably greater; while for low-velocity guns the number is higher still. In some guns this number appears abnormally high; in others of exactly similar type it may be low and for no apparent reason.
The first effect of the powder gases on the steel is a very characteristic hardening of the surface of the whole of the bore; so much is this the case that it is difficult to carry out any mechanical operation, except grinding, after a gun has been fired. When ignited the explosive contained in the chamber of the gun burns fiercely, and as the projectile travels along the bore the highly heated gases follow. The surface of the bore near the chamber is naturally the most highly heated and for the longest time; here too the rush of gas is greatest. There is in consequence a film of steel swept off from the surface, but this becomes less as the distance from the chamber becomes greater, owing to the abstraction of heat by the bore. It is a noticeable fact that only where a decided movement of gas takes place is there any erosion: thus, towards the breech end of the chamber where no rush of gas occurs there is no perceptible erosion, even after many rounds have been fired. Again, at the muzzle end there is very little erosion, as here the gases are in contact with the bore for a minute fraction of time.
As the firing proceeds, the interior surface of the bore, where the erosion is greatest, becomes covered with a network of very fine cracks running both longitudinally and circumferentially. The sides of these cracks in their turn become eroded and gradually fissures are formed. With the old black and brown powders these fissures were a feature of the erosion, while with the new type smokeless powders the eroded surface is usually smooth, and it is only after prolonged firing that fissures occur although fine cracks occur after a comparatively few rounds have been fired.
Bibliography.—English: Nye, The Art of Gunnery (1670); Norton, The Gunner, showing the whole Practice of Artillerie (London, 1628); Sir Jonas Moore, Treatise of Artillery (London, 1683); Robins, New Principles of Gunnery (London, 1742); Hutton, Tracts (London, 1812); Sir Howard Douglas, R.A., Naval Gunnery (London, 1855); Mallet, Construction of Artillery (London, 1856); Boxer, Treatise on Artillery (London, 1856); Owen, Modern Artillery (London, 1871); Text-Book Rifled Ordnance (London, 1877); Treatise on Construction of Ordnance (London, 1879); Lloyd and Hadcock, Artillery: its Progress and Present Position (Portsmouth, 1893); Treatise on Service Ordnance (London, 1893–1904); Catalogue of Museum of Artillery in the Rotunda (Woolwich, 1906); Sir Andrew Noble, Artillery and Explosives (1906); Brassey, Naval Annual. United States: A. L. Holley, Ordnance and Armour (New York, 1865); E. Simpson, Ordnance and Naval Gunnery (New York, 1862); Resistance of Guns to Tangential Rupture (Washington, 1892); Annual Reports of Chief of Ordnance; Fullam and Hart, Text-Book of Ordnance and Gunnery (Annapolis, 1905); O. M. Lissak, Ordnance and Gunnery (New York, 1907). French: Jacob, Resistance et construction des bouches à feu (Paris, 1909); De Lagabbe, Matériel d’artillerie (Paris, 1903); Manuel du canonnier (1907); Alvin, Leçons sur l’artillerie (Paris, 1908). German and Austrian: Kaiser, Konstruktion der gezogenen Geschützröhre (Vienna, 1900); Indra, Die wahre Gestalt der Spannungskurve (Vienna, 1901). Italian: Tartaglia, La Nuova Scienta (Venice, 1562); Bianchi, Materiale d’artiglieria (Turin, 1905). (A. G. H.)
II. Field Artillery Equipments
General Principles.—A field gun may be considered as a machine for delivering shrapnel bullets and high-explosive shell at a given distant point. The power of the machine is limited by its weight, and this is limited by the load which a team of six horses is able to pull at a trot on the road and across open country. For under these conditions it is found that six is the maximum number of horses which can work in one team without loss of efficiency. The most suitable load for a gun-team is variously estimated by different nations, according to the size of the horses available and to the nature of the country in the probable theatre of war. Thus in England the field artillery load is fixed at 43 cwt. behind the traces; France, 42·5 cwt., Germany 41·5 cwt., and Japan (1903) 30 cwt. This load consists of the gun with carriage and shield, the limber with ammunition and entrenching tools, and the gunners with their kits and accoutrements. The weights may be variously distributed, subject to the condition that for ease of draught the weight on the gun wheels must not greatly exceed that on the limber wheels. It is still usual to carry two gunners on seats on the gun axletree, and two on the limber. But a Q.F. gun capable of firing 20 rounds a minute requires to be constantly accompanied by an ammunition wagon, and the modern tendency is to take advantage of this to carry some of the gunners on the wagon. Thus in the British field artillery two gunners are carried on the gun limber, two on the wagon limber, one on the wagon body and none on the gun. These five gunners, with the sergeant, called the No. 1, on his horse, make a full gun-detachment. Three wagons for each gun usually are provided, two of which, with the spare gunners and non-commissioned officers, are posted under cover at some distance behind the battery. Besides lightening the weight on the gun, the presence of the wagon allows the number of rounds in the limber to be reduced. The result of this redistribution of weights is that field artillery may now be equipped with a much heavier and more powerful gun than was formerly the case. A gun weighing 24 cwt. in action is about as heavy as a detachment of six can man-handle.
The power of a field gun is measured by its muzzle energy, which is proportional to the weight of the shell multiplied by the square of its velocity. The muzzle energy varies in different equipments from 230 to 380 foot-tons. Details of the power, weight and dimensions of the guns of the principal military nations are given in Table A.
A gun of given weight and power may fire a heavy shell with a low velocity, or a light shell with a high velocity. High velocity is the gunner’s ideal, for it implies a flat trajectory and a small angle of descent. The bullets when blown forward out of the shrapnel fly at first almost parallel to the surface of the ground, covering at medium ranges a depth of some 350 yards, as against half that distance for a low-velocity gun. Under modern tactical conditions a deep zone of shrapnel effect is most desirable. On the other hand, for a given power of gun, flatness of trajectory means a corresponding reduction in the weight of the shell; that is, in the number of shrapnel bullets discharged per minute. We have accordingly to compromise between high velocity and great shell power. Thus the British field gun fires an 181/2 ℔ shell with muzzle velocity of 1590 ft. per second, while the French gun, which is practically of the same power, fires a 16 ℔ shell with M.V. of 1740 f.s. Again, a shell of given weight may be fired either from a large-bore gun or from a small-bore gun; in the latter case the length of the shell will be proportionately increased. The small-bore gun is naturally the lighter of the two. But the longer the shell the thicker must its walls be, in order not to break up or collapse in the gun. The shorter the shell, the higher is the percentage of useful weight, consisting of powder and bullets, which it contains. We must, therefore, compromise between these antagonistic conditions, and select the calibre which gives the maximum useful weight of projectiles for a given weight of equipment. In practice it is found that a calibre of 3 in. is best suited to a shell weighing 15 ℔; and that, starting with this ratio, the calibre should vary as the cube root of the weight of the shell.
As to rifling, the relative advantages of uniform and increasing twist are disputed. The British field guns are rifled with uniform twist, but the balance of European opinion is in favour of a twist increasing from 1 turn in 50 calibres at the breech to 1 in 25 at the muzzle. Mathematically, the development of the groove is a parabola.
For field guns the favourite breech actions are the interrupted screw and the wedge. The latter is simpler, but affords a less powerful extractor for throwing out the empty cartridge case. This point is of importance, since cartridge cases hastily manufactured in war time might not all be true to gauge. Modern guns have percussion locks, in which a striker impinges upon a cap in the base of the metallic cartridge. All Q.F. guns have repeating trip-locks. In these, when the firing-lever or lanyard is pulled, the striker is first drawn back and then released, allowing it to fly forward against the cap. The gun is usually fired by the gun-layer; it is found that he lays more steadily if he knows that the gun cannot go off till he is ready. A field gun has to be sighted (see Sights) for laying (a) by direct vision (b) by clinometer and aiming-point (see Artillery). The first purpose is served by the ordinary and telescopic sights; the second by the goniometric sight or the panorama sight. The independent line of sight is an arrangement of sights and elevating gear found in many modern field guns, which divides between two gunners the work of aiming (called laying) the gun, and of giving it the elevation required to hit the target.
| Austria 1905. |
Belgium 1905. |
Brazil 1904. |
Denmark 1902. |
France 1898– 1902. |
Germany 1906. |
Great Britain F.A· 1903. |
Great Britain H.A· 1903. |
Italy 1906. |
Japan 1905. |
Rumania 1904. |
Russia 1903. |
Spain 1906. |
Switzer- land 1903. |
United States 1902. | |
| Calibre, inches | 3·01 | 2·95 | 295 | 2·95 | 2·95 | 3·03 | 3·3 | 3 | 2·95 | 2·95 | 2·95 | 3 | 2·95 | 2·95 | 3 |
| Weight of shrapnel, ℔. | 14·72 | 14·3 | 12·1 | 14·85 | 15·96 | 15 | 1848 | 12·54 | 14·3 | 14·3 | 14·3 | 14·41* | 14·3 | 14 | 15 |
| Number of bullets. . | 316+16 | 360 | 235 | 295 | 300 | 300 | 364 | 263 | 360 | 210 | 295 | 260 | 294 | 210 | 252 |
| Number of bullets to the ℔. | 50 and 35 | 50 | 42 | 41·3 | 38 | 45 | 42 | 42 | 50 | 36·4 | 42 | 43 | 45 | 36·3 | 36·5 |
| Whether H.E. shell carried | Yes | Yes | Yes | No | Yes | Yes | No | No | Yes | Yes | Yes | Yes | Yes | Yes | Yes |
| Muzzle velocity, f.-s. | 1640 | 1640 | 1600 | 1640 | 1739 | 1525 | 1590 | 1658 | 1675 | 1706 | 1640 | 1930 | 1640 | 1590 | 1700 |
| Muzzle energy, ft.-tons | 275 | 266 | 215 | 277 | 334 | 242 | 324 | 239 | 279 | 288 | 267 | 373 | 267 | 245 | 300 |
| Weight of gun, cwt. | 7 | 6·67 | 5·7 | 6·42 | 9 | 7·66 | 9 | 6 | 6·9 | 6·8* | 7·37 | 7·85 | 6·67 | 6·48 | 6·9 |
| Weight of gun and carriage | 20 | 20 | 16·3 | 20·5 | 22·4 | 186 | 24·75 | 195 | 19·75 | 19·7 | 21 | 20·75 | 20·4 | 19·75 | 21 |
| Weight of gun and limber filled | 37·5 | 34·5 | 26·7 | 36·6 | 37 | 34·4 | 40 | 32·5 | 33·45 | 33·2 5 | 34·8 | 38·5 | 34·2 | 35·5 | 37·3 |
| Maximum elevation, degrees | 18 | 15 | 17 | 15 | 17 | 16 | 16 | 17 | 17 | 17* | 16 | 164 | 16 | 16 | 16 |
| Traverse each way, degrees | 4 | 31/2 | 3 | 31/2 | 3 | 4 | 3 | 3 | 3 | 31/2 | 3 | 23/4 | 3 | 2 | 4 |
| Length of recoil, inches | 51·5 | 51 | 44 | 54 | 43 | 44 | 48 | 48 | 57 | 55 | 54 | 42·5 | 50 | 53 | 50 |
| Height of wheels | 4′ 3″ | 4′ 31/4″ | 4′ 2″ | 4' 3″ | 4′* | 4′ 51/4″ | 4′ 8″ | 4′ 8″ | 4′ 31/2″ | 4′ 31/2″* | 4′ 31/2″ | 4′ 4″ | 4′ 31/2″ | 4′ 31/2″ | 4' 8″ |
| Line of sight, whether independent | No | Yes | No | No | Yes | No | Yes | Yes | Yes | No | No | No | Yes | No | No |
| Sights, goniometric, telescopic, panorama or ordinary |
P. | P. | T.G. | T.G. | G. | T.G. | T.G. | T.G. | T.P. | T.G. | T.G. | O.P. | T.G. | 0. | O.P. |
| Length of gun, calibres . | 30 | 30 | 28 | 30 | 36 | 27·3 | 29·4 | 24·4 | 30 | 30 | 30 | 30 | 30 | 30 | 29·2 |
| Breech action, wedge, swinging block,or eccentric screw |
W. | W. | W. | W. | E.S. | W. | S.B. | S.B. | W. | W. | W. | S.B. | S.B. | W. | S.B. |
| Thickness of shield, inches | 0·18 | 0·2 | 0·177 | 0·236 | 0·2 | 0·155 | 0·155* | 0·155* | 0·1575 | 0·118 | 0·236 | 0·2 | 0·18 | 0·17 | 0·2 |
| Traverse on pivot or alongaxle | P. | P. | P. | P. | A. | P. | P. | P. | P. | P. | P. | A. | A. | P. | P. |
| Number of rounds in limber.. . | 33 | 40 | 32 | 44 | 24 | 36 | 24 | 24 | 32 | 36 | 24 | 36 | 38 | 40 | 36 |
| Number of rounds in wagon limber | 30 | 40 | 40 | 48 | 24 | 36 | 28 | 28 | 32 | 36 | 24 | 40 | 38 | 48 | 36 |
| Number of rounds in wagon body | 60 | 61 | 40 | 72 | 72 | 52 | 48 | 48 | 64 | 60 | 64 | 48 | 60 | 48 | 70 |
| Number of rounds per gun | 168 | 242 | 192 | 284 | 312 | 1261 | 176 | 176 | 224 | 228 | 288 | 212 | 278 | 280 | 3582 |
| Weight of wagon, packed cwt. | 38·5 | 35·3 | 24 | 39·4 | 38·5 | 35 | 36·75 | 30·5 | 36 | 34·5* | 34 | 38 | 32 | 35·3 | 37 |
| No. of guns in battery | 6 | 4 | 4 | 4 | 4 | 6 | 6 | 6 | 6 | 6 | 4 | 8 | 4 | 4 | 4 |
| No. of wagons in battery | 9 | 8 | 8 | 8 | 12 | 61 | 12 | 12 | 12 | 12 | 12 | 16 | 10 | 10 | 12 |
| Maker. | State, Skoda &Ehrhardt |
Krupp & Cockerill |
Krupp | Krupp | State | State | State, Elswick Ordnance Co., Vickers, Maxim and Coventry Ordnance Works |
Krupp | State and Krupp |
Krupp | Putilov | Schneider | Krupp | State and Ehrhardt | |
These weights do not include the gunners.Doubtful figures are marked thus.*
1In addition to the wagons with light ammunition column, now raised to 62 per battery.2Including four rounds with gun.
|
| From Bethell’s Modern Guns and Gunnery. |
| Fig. 59.—Diagram illustrating the independent line of sight. |
In fig. 59 the gun is shown mounted on an intermediate carriage elevated and depressed by the screw A. The telescopic or ordinary sight is fixed to this carriage. The gun, in its cradle, is elevated and depressed by the screw B. To lay the gun, the layer works the laying screw A till the telescope points at the target; the gun also, if no elevation has been given, is then pointing straight at the target. To give the gun the elevation necessary for the range, the elevating number on the right of the gun now works the elevating screw B till the gun is sufficiently elevated, the amount given being shown in yards of range on a drum. The motion given to the gun does not disturb the intermediate carriage with the telescope attached to it, and the telescope still remains layed on the target. Once the sights are layed on the target, the elevation of the gun may be changed in a moment by a turn of the elevating wheel, without disturbing the laying. The layer does not have to concern himself about the elevation; he has only to keep his sights on the target while the other numbers continue the service of the gun. This device is especially valuable when firing at moving targets, when the range and the laying have to be altered simultaneously.
The same result may also be obtained by other mechanical devices without the use of the intermediate carriage. Thus the British field guns have a long elevating screw with the sight connected to its centre, the lower end passing through a nut at the side of the upper carriage, the upper end through a nut at the side of the cradle. Then, if the lower nut be turned by the laying wheel, the screw, the sight and the gun will go up or down together; if the upper nut be turned by the elevating wheel, the gun will go up or down the screw without moving the sights. Colonel Scott’s “automatic” line of sight is an improvement on the ordinary gear in that the sight can be cross-levelled to eliminate the error due to difference of level of wheels. Krupp has a similar device in which the sight-socket is on the cradle so that it can be cross-levelled. The sight itself is connected to the elevating gear, and is screwed out of its socket as the breech of the gun is depressed, so that the sight remains in the same place.
Construction of the Gun.—Field guns are made of steel, usually containing a small percentage of nickel or chromium, or both, and having a tensile breaking strain of about 50 tons per square inch. In Austria, for facility of local manufacture, hard-drawn bronze is still used, although this is considerably heavier than steel.
The Carriage (see Artillery, Plate I.).—The first field guns used in war were supported by crossed stakes under the muzzle and anchored by a spike on the breech which penetrated into the ground. The next improvement was to mount the gun on a sleigh. This method is still used in Norway and in Canada. The next step was to mount the gun on a two-wheeled carriage, connected to a second two-wheeled carriage (the limber) by a flexible coupling. For centuries the gun-carriage was a rigid construction, recoiling on firing, and having to be run up by hand after each round. In 1895 spring-spade equipments were introduced. In these a spade attached to a helical spring was set under the carriage; on discharge the spade dug into the ground, compressing the spring as the carriage recoiled. The extension of the spring ran the gun up again without assistance from the gunners.
The British 15 pr. used in the South African War (1899–1902) had a spring spade carriage designed by Sir George Clarke. Similar equipments were introduced by several continental powers. The Japanese gun used in Manchuria (1904) had dragshoes attached by wire ropes passing round drums on the wheels to a strong spring in the trail. On recoil the wheels revolved backwards, compressing the spring; after recoil the pull of the spring on the wire ropes revolved the wheels forward and returned the gun to its former position. The Italian 1902 semi-Q.F. carriage was constructed on a very similar principle. All these semi-Q.F. equipments were open to the objection that the gunners had to stand clear of the shield every time the gun was fired. They have since been superseded by Q.F. gun-recoil equipments.
The gun-carriage must be strong enough to carry the gun across country, and it must be so constructed as not to move when the gun is fired. If the gun-carriage were allowed to recoil to the rear on discharge, the gunners would have to stand clear on firing, abandoning the protection of the shield, and, moreover, the loss of time entailed by running up and relaying the gun would render the fire slow. The requirement of steadiness of the carriage is met by allowing the gun itself to recoil on its carriage. Its motion is gradually checked by the hydraulic buffer (see below) and the gun is returned to the firing position by helical springs, or, in the French, Spanish and Portuguese equipments, by compressed air. The carriage is held from recoiling by a spade fixed to the point of the trail, which digs into the earth on discharge, and (usually) by brakes on the wheels. This is known as the gun-recoil system, and is now universally adopted. Field guns constructed on this principle are styled Q.F., or quick-firing, guns.
Steadiness of Carriage.—In the gun-recoil equipment the constructional difficulty lies not in preventing the carriage from recoiling but in preventing the wheels from rising off the ground on the shock of discharge. The force of recoil of the gun, acting in the line of motion of the centre of gravity of the recoiling parts, tends to turn the carriage over backwards about the point of the trail, or, more correctly, about the centre of the spade. This force is resisted by the weight of the gun and carriage, which tends to keep the wheels on the ground. The leverage with which the overturning force acts is that due to the distance of its line of motion above the centre of the spade; the leverage with which the steadying force acts is that due to the horizontal distance of the centre of gravity of the gun and carriage from the centre of the spade. If the force of recoil be 6 ft.-tons, and if it be absorbed during a recoil of 3 ft., the average overturning force is 2 tons; since the weight of the gun in action may not greatly exceed 1 ton, the trail must be so long as to give a leverage of at least two to one in favour of the steadying force. It follows from the above that the steadiness of the carriage, for a given muzzle energy, may be promoted by four factors, (a) Increasing the weight of the gun and recoiling parts. This reduces the recoil-energy, (b) Increasing the length of recoil allowed. This reduces the overturning pull, (c) Keeping the gun as low as possible, either by reducing the height of the wheels, or by cranking the axletree downwards. This reduces the leverage of the overturning force. (d) Increasing the length of the trail. This increases the leverage of the steadying force.
It will be seen from Table A that the condition of steadiness is satisfied in the various Q.F. equipments by not very dissimilar combinations of the above factors.
The cradle is the portion of the carriage upon which the gun slides when it recoils. It also contains the buffer and running-up springs, which are fixed either above or below the gun. The latter method gives the stronger and simpler construction, and is favoured by all nations except Great Britain. By putting the buffer on top the gun can be set lower on the carriage, which is an advantage as regards steadiness. A top-buffer cradle is of ring section, surrounding the gun; the gun is formed with ribs or guides extending for its whole length, which, on recoil, slide in grooves in the cradle. The cradle is pivoted on horizontal trunnions to the intermediate carriage and carries the buffer and springs on top. This construction is shown in the illustration of the 18 pr. Q.F. gun (fig. 60, Plate III.).
In carriages having the buffer under the gun the cradle is a trough of steel plate, usually closed in at the top. It has guides formed on the upper edges fitted to take guide-blocks on the gun. The cradle contains the buffer-cylinder, which is fixed to a horn projecting downwards from the breech of the gun, and recoils with it; the piston-rod is fixed to the front of the cradle. The running-up springs are usually coiled round the buffer-cylinder, and, on recoil, are compressed between a shoulder on the front end of the cylinder and the rear plate of the cradle.
The cradle is mounted on a vertical pivot set in a saddle pivoted on horizontal trunnions between the sides of the trail (Krupp); or, as in the earlier Ehrhardt equipments, the vertical pivot is set in the axletree itself, which has then to turn when the gun is elevated or depressed. The Krupp cradle is shown in the drawing of the German gun.
The buffer consists of a steel cylinder nearly filled with oil or glycerine. In this cylinder works a piston with piston-rod attached to the carriage; the cylinder is attached to the gun. On recoil the piston is drawn from one end of the cylinder to the other, so that the liquid is forced to flow past the piston. The friction thus caused gradually absorbs the recoil of the gun and brings it gently to a standstill. As the gun recoils the centre of gravity of the gun and carriage shifts to the rear, reducing the stability. The buffer-resistance has to be gradually reduced proportionately to the reduced
| Plate III. |
|
| Fig. 60.—BRITISH 18-PR. QUICK-FIRING GUN. |
|
| Fig. 61.—BRITISH 18-PR. QUICK-FIRING GUN AND LIMBER. |
|
| Fig. 62.—FRENCH 75-MM. QUICK-FIRING GUN AND WAGON BODY IN ACTION. |
| Plate IV. |
|
| Fig. 64.–DANISH (KRUPP) 7·5-CM. QUICK-FIRING FIELD GUN AND WAGON BODY IN ACTION. |
|
| Fig. 67.–EHRHARDT 4·7-IN. QUICK-FIRING FIELD HOWITZER (CONTROLLED RECOIL). |
|
| Fig. 68.–KRUPP 7·5-CM. MOUNTAIN GUN. |
stability. To allow the liquid to flow past the piston, grooves (called ports) are formed in the sides of the cylinder, and by varying the depth of the grooves at different points the resistance can be adjusted as required.
Running-up Gear.—In compressed-air equipments a separate piston is attached to the gun, working in a cylinder on the carriage connected with a reservoir of air at a pressure of about 300 ℔ to the square inch. This gear is much lighter than the springs, but the difficulty of keeping the piston and gland tight is a serious objection to it, although this difficulty is partly overcome by filling the cylinder with glycerine so that the air has no direct access to the piston or the gland. In spring equipments the principal difficulty lies in providing a sufficient length of recoil without undue compression of the column of springs. Thus if the spring column be 6 ft. long and the gun recoils 41/2 ft. the springs are compressed into a space of 11/2 ft., or a quarter of their working length. This treatment is liable to crush the springs. German gun-makers get over this difficulty by the use of very high-class springs made of steel having a tenacity of about 140 tons to the square inch with an elastic limit of 90 tons. They also use a valve in the buffer piston which relieves the springs of resistance in running-up, and so allows slighter springs to be used. But in England the telescopic spring-case patented by the Elswick Ordnance Company is preferred. Suppose that the spring-columns before firing are each 4 ft. long; then if the telescopic gear be pulled out for a distance of 4 ft. on recoil, each spring column will be compressed to 2 ft., or only to half its length. Tensile running up springs are used by some firms, as Cockerill of Seraing (Liége). They are open to the objection that if a spring breaks the gun is for the time being rendered useless, which is not the case with compression springs.
The intermediate carriage is used chiefly in equipments with buffer above the gun; it serves as a means of connecting the cradle to the lower carriage. When the spade is fixed in the ground it is impossible to shift the carriage laterally in order to correct the aim, the intermediate carriage is therefore pivoted so that it can traverse laterally about 3 degrees each way. Instead of using an intermediate carriage the direction may be given to the gun by shifting the whole carriage sideways along the axle in an arc about the point of the trail, which is fixed by the spade. This system is used in guns of French manufacture and in the 1902 Russian gun. It is simple in action, but requires the shield to be cut away on either side to clear the wheels at extreme traverse.
The trail is either a drawn steel tube, of circular section as in the 18 pr., or of closed U section as in the Ehrhardt carriages, or else a box trail built up of sheet steel. In the Krupp equipments the trail is bent downwards to give a greater range of elevation to the gun.
Elevating Gear, in order to save space, is usually of the telescopic screw pattern, in which one screw is inside the other so that the two pack into half the length of a single screw. The spade is of the shape shown in the illustration of the 18 pr. Q.F. gun. For equipments which may have to be used on rock, such as the Swiss gun, the spade is made to fold upwards when desired. The axletree is usually a hollow steel forging with the ends tapered to receive the wheels. The wheels are of wood, with naves of stamped steel. Steel wheels have been tried but are less elastic than wood and have been found unsuitable. England and the United States use 4 ft. 8 in. wheels; most European nations use wheels 4 ft. 31/4 in. in diameter.
The shield is made of hard steel, from 0·12 to 0·236 in. thick. The size and thickness of the shield are limited by considerations of weight. Thus if 150 ℔ of weight be available this will provide a shield about 5 ft. square and 31/2 mm. or 0·138 in. thick, proof against rifle bullets at distances over 600 yds., and against shrapnel bullets at all distances. The present tendency, since the introduction of the French D bullet and German S bullet (see Ammunition: Bullet), is to make shields thicker than this, 5 mm. or 0·2 in. being the usual thickness.
Recent Developments of the Q.F. Gun-Carriage.—The principle of “differential” recoil gear is as follows: Suppose an ordinary Q.F. field gun held in the recoil position by a catch, loaded, released and allowed to fly forward under the action of the running-up springs. A valve in the buffer relieves the gun of any resistance to running-up. While in rapid motion forward the gun is fired by a tripper which catches the firing lever. The gun then returns to the recoil position and is again held by the catch. On firing, the recoil-velocity is reduced by the amount of the forward velocity previously imparted to the gun. Thus if the ordinary recoil-velocity of a Q.F. gun be 30 fs., and if it be fired while running up at a velocity of 10 fs., the recoil-velocity with respect to the carriage will be only 20 fs. And since the recoil-energy is proportional to the weight of the gun multiplied by the square of the recoil-velocity, the recoil-energy is reduced in the proportion of 900 to 400, or roughly by one-half. This halves the overturning stress on the carriage, and renders it possible to make the gun and carriage lighter for the same power, or to obtain greater power for the same weight. This increase of efficiency is due to the fact that the whole of the recoil-energy is not, as in ordinary Q.F. guns, absorbed by the friction in the buffer, but that part of it is stored up and used to counteract the recoil of the next round. If the hydraulic buffer be dispensed with, and the whole of the recoil taken on the springs or compressed air gear. the overturning stress is reduced to one-fourth of its normal amount. One practical difficulty in the way of applying the differential system to field guns lies in the vibration and slight lateral motion of the carriage during running-up. Since this motion takes place after laying and before firing, it is liable to cause inaccuracy. The only equipment on this principle as yet in use is the French 1907 mountain gun referred to below.
“Semi-automatic” Q.F. field and mountain guns are made by the leading firms, but have not been generally introduced. In these equipments the breech is thrown open by tripping gear during the run-up, and the cartridge case is ejected. When the gun is reloaded the action of introducing the cartridge releases the breech-block, which is closed by a spring. In the Krupp semi-automatic gun the breech-block is set vertically to facilitate loading. This equipment is capable of firing thirty rounds per minute. The principal advantage of the semi-automatic system lies not in the increased rate of fire but in the fact that three gunners are sufficient to carry out the service of the gun. This is of importance in mountain equipments, where the size of the shield is limited.
The introduction of airships into military operations has produced the auto-airship gun, which differs from the ordinary field gun in almost every respect. The attack of airships presents special problems. High elevation, higher even than the howitzer’s, may have to be given, and, unlike the howitzer, the airship gun must be a high-velocity weapon, both ranging power and flatness of trajectory being essential. As regards the shell, to bring down a gasbag, or even to kill a crew, with time shrapnel is difficult, owing to the speed of the airship and the difficulty of observing bursts. Direct hits with ordinary shell are equally hard to obtain, unless the balloon is stationary and the range known. Even if such a hit were got, the ordinary fuse would not act on encountering the slight resistance of the balloon envelope. As regards the equipment, the absorption of recoil at high elevations presents difficulties, the exaggeration of the angle of sight makes the sighting arrangements complicated, and rapidity in changing the line of fire is essential. The most powerful equipment that, in June 1910, had been constructed to meet these conditions was the Krupp 75 mm., which is mounted on a motor lorry, the weight of the equipment and carriage, without gunners, being about 41/4 tons. The equipment is constructed on the differential recoil principle, with rear trunnions on the cradle. The shell is a 12 ℔ H.E., fitted with a highly sensitive fuse and containing, beside the H.E. burster, a quantity of composition which gives off a trail of smoke to facilitate ranging.
The British 18-pr. Q.F. Field Gun (1905) (see Plate III., figs. 60 and 61; also Artillery, Plate II.).—Taking fig. 60 from the top, we see the buffer, telescopic spring-case and springs on top of the cradle, the buffer being attached to the horn projecting upwards from the breech. The cradle, of bronze, surrounds the gun, and is pivoted on horizontal trunnions on the upper carriage. The gun recoils in the cradle on the guide ribs, which extend for its whole length. The upper carriage is pivoted vertically on the trail and is traversed by the handle seen below the breech. The long elevating screw is formed as a telescopic screw at its lower end to avoid any downward projection; the screw does not turn, but the nut at bottom raises the gun, screw and sights for laying, while the nut at top raises and lowers the gun alone for giving elevation. The tubular trail supports the brake-arms, which also carry the seats for the layer and elevating number. The spade and traversing hand-spike are seen at the end of the trail. The telescopic sight is on the left of the gun. The shield is curved well back to give as much protection as possible to the detachment. The lower portion of the shield is hinged and folds up for travelling.
The French Q.F. Field Gun (1898) (fig. 62, Plate III.; see also Artillery, Plate II.).—This is a powerful gun, of unusual length, namely 36 calibres. The breech mechanism is of the eccentric screw type (see Part I. of this article). The gun has compressed-air running-up gear and traverses along the axletree. The carriage is anchored by a trail spade and two brake-blocks which are arranged so as to go under the wheels, forming dragshoes, on firing. This method of anchoring causes some delay on coming into action and considerable delay in changing on to a fresh target. The gun has a goniometric sight with independent line of sight. The body of the ammunition wagon is tilted alongside the gun, and, with its armoured bottom and steel doors, forms a good protection for the gunners supplying ammunition.
The German Q.F. Field Gun (1906) (fig. 63).—This is the 1896 gun remounted on a Q.F. carriage. It is not a powerful gun, the ballistics being the same as those of the British 15-pr. B.L. of 1893. It has a single-motion wedge breech action. The gun is mounted on a cradle with buffer and springs under the gun; the cradle traverses on a vertical pivot set in a traversing bed which turns about the axletree. The gun has an arc sight with prismatic telescope and a clinometer mounted on it, and a circular laying-plane for laying on an auxiliary mark. It has not the independent line of sight. The shield is in three pieces, the top flap folding down for travelling. The carriage stands perfectly steady on discharge.
The Russian Q.F. Field Gun (1903) is intended as an improvement on the French gun, being of even greater power. Springs are used for running-up instead of compressed air. To ensure steadiness the gun is kept very low on the carriage; this is effected by the use of a cranked axletree. The gun has not the independent line of sight, but has a panorama sight. It traverses on the axletree.
The Danish Q.F. Field Gun (fig. 64, Plate IV.) is a good example of the heavier or more powerful type of Krupp field gun. The gun may be seen supported on the cradle, which contains the hydraulic buffer and running-up springs. The wedge breech-block is open.
|
| Redrawn from Bethell’s Modern Guns and Gunnery. |
| Fig. 63.—The German Q.F. Gun. C. 96. n./A. (1906). |
The arc sight with panorama telescope is seen behind the shield, which is curved backwards for better protection. The seats for the gunners who lay and attend to the breech are on either side of the trail. At the point of the trail are the spade, the traversing lever and the trail eye by which the gun is limbered up.
The American Q.F. Field Gun.—This is an example of the Ehrhardt type of gun. It is considerably more powerful than the field guns adopted by most European powers. Steadiness is ensured by making the trail 101/2 ft. long, or 13/4 ft. longer than the Krupp trail. The construction is otherwise very similar to that of the Krupp gun shown in fig. 64, Plate IV. Four rounds are carried in tubes on the carriage.
Other Q.F. Equipments.—These closely resemble the standard types of their makers, as given in the above table of field guns. The Swiss and Dutch guns are light Krupps; the Spanish and Portuguese guns, by Schneider of Creusot, are improved and lighter models of the French gun.
The new Italian gun is a medium Krupp. The Austrian gun is similar to the American (Ehrhardt) but the gun itself is of bronze.

Fig. 65.—Rumanian (Krupp) Quick-Firing Field Gun.
The Rumanian Q.F. field gun (fig. 65) is a recent type of medium Krupp gun. The shield is set well back, and has a hood projecting forwards and fitting close to the gun. The brake is used for travelling only; the brake-wheel is seen in front of the shield. The panorama telescope is mounted on top of the arc sight; no foresight is used. There are no axletree seats, the gunners being carried on the gun limber and wagon limber. The wagon body (fig. 66) is tipped beside the gun in action.
Horse Artillery Guns.—A horse artillery gun must be mobile enough to accompany cavalry. This is secured partly by the adoption of a light type of gun, partly by carrying the gunners on horseback instead of on the carriage. It is considered that the weight behind the team should not exceed 30 cwt. The Germans have declined to introduce a special type of light gun, as they object to the complication entailed by the supply of two natures of ammunition on the battlefield. The H.A. guns of other nations are merely lighter and less powerful editions of their field guns.
The Q.F. Field Howitzer.—A field howitzer is a gun capable of throwing a shell weighing 35 to 45 ℔ at high angles of elevation, and light enough to manoeuvre at a trot across open country. The permissible weight of the equipment is but slightly greater than that of a field gun. The object of the howitzer is to throw a heavy, shell with an angle of descent of not less than 25°, so as to destroy| overhead cover with high-explosive shell, and to search entrenchments and reach gunners behind their gun-shields with shrapnel. Effect is obtained, not by the striking velocity of the shell, but by, the amount of its high-explosive burster, or, in the case of shrapnel fire, by the use of a large driving charge in the base of the shell which gives the necessary forward and downward velocity to the bullets.
Since the muzzle energy of a howitzer is limited by the weight of the equipment, the heavy shell can only be fired with a low velocity, usually not exceeding 1000 ft. per second. And in order to secure a steep angle of descent at short ranges this velocity is still further reduced by using half and quarter charges.
The construction of the howitzer is much the same as that of a gun. The calibre is usually between 4·3 and 4·7 in., and the length does not much exceed 12 calibres. Case ammunition is used, and the breech action is similar to that of a Q.F. gun. Howitzers are usually provided with shields in order to enable them to come into action in the open when necessary. At short ranges, with full charge, they make very powerful guns.
Construction of the Carriage.—The gun-recoil system is used as in a gun equipment. There is however one important difference. If the recoil allowed be sufficient to keep the carriage steady at low elevations, then when fired at an elevation of 45° the breech will strike the ground. This may be to some extent avoided by placing the trunnions of the cradle which supports the howitzer at the extreme rear end, so that when elevated the breech of the howitzer is not brought any nearer the ground (Krupp). One objection to this is that the forward preponderance of the howitzer has to be balanced by a spring to enable it to be elevated.
A second method is known as controlled recoil. The buffer-liquid, on recoil, has to pass through holes in the piston. The access of the buffer-liquid to these holes is controlled by a disk valve rotated by rifled grooves in the cylinder. By connecting the piston-rod to the carriage so as to rotate the piston when the gun is elevated, the area of the holes exposed by the disk valve can be decreased at high elevations so as to shorten the recoil. This is known as the Vavasseur-Ehrhardt control valve. Messrs Cockerill use a channel through which the liquid is forced on recoil, which is partly closed by a stopcock connected to the left trunnion when the howitzer is elevated. The running-up springs require to be strong in order to lift the weight of the howitzer at 45° elevation. In most equipments twin columns of springs are used.

Fig. 66.—Wagon Body, Rumanian (Krupp) Quick-firing Field Gun.
The Ehrhardt Q.F. Field Howitzer, fig. 67 (Plate IV.), may be taken as a type of the light field howitzer with controlled recoil, as opposed to the Krupp pattern with rear trunnions and constant long recoil. The howitzer is represented immediately after firing, before it has run up. The recoil is automatically shortened so that when fired at this high elevation the buffer, which is seen under the breech, does not strike the ground. The sights are on the bar which passes through the shield. The calibre is 4·7 in.; the howitzer fires a 46 ℔ shell with M.V. 985 f.s., and weighs 25 cwt. in action with shield.
The Q.F. Mountain Gun.—A mountain gun has the same tactical duties to fulfil as a field gun. It is merely a field gun sufficiently mobile for mountain transport. Its weight and dimensions are restricted by the following considerations: (1) The whole equipment has to be carried on pack animals. (2) The average load for a battery mule is about 280 ℔, including 65 ℔ of saddle and equipment. A few specially selected gun-mules can carry about 40 ℔ more, or 320 ℔. In Spain and Italy, where exceptionally fine mules are available, some of the mountain battery loads amount to 375 ℔. (3) The loads must be short, the length being limited by that of the neck of a mule. If possible no part of the equipment should be more than 4′ 6″ long. (4) The equipment must, therefore, be subdivided into component parts such that no part weighs more than 320—65 or 255 ℔, and these parts must be so designed as to be quickly assembled. (5) The number of parts into which the equipment may be subdivided is either four or five. British mountain batteries have five gun and carriage mules, and yet they come into action and fire the first round within one minute. Other nations mostly divide the equipment into four parts only, and use rather heavier loads than is in England considered consistent with activity on a hillside (6) Mountain guns are usually provided with shafts to enable them to be drawn instead of being carried when travelling along a road.
On a 5-mule basis the total weight of gun and carriage carried amounts to 101/4 cwt. or more than half the weight of a field gun. But the power obtainable is not commensurate, being in practice limited by the weight of the gun itself, which is restricted by the carrying power of the transport animals. In B.L. mountain equipments this difficulty has been got over by carrying the gun in two parts, which are screwed together on coming into action.
In the British service the 7 pr. R.M.L. of 400 ℔, the original “screw gun,” was superseded in 1900 by the 10 pr. B.L., also in two pieces. A quick-firing mountain gun has since been introduced (1907).
In modern mountain equipments, such as the Schneider-Danglis gun adopted by Russia, the gun is not divided across the bore but is lightened for transport by removing the breech-piece and breech-block, which are carried separately. These guns fire a shell of 14·3 ℔ with M.V. of 1100 f.s.
When the gun is in one piece, the equipment naturally divides itself into four parts, namely the gun, cradle, trail and axletree and wheels. When a long jointed trail is used, as in the Krupp Q.F. mountain equipment, the point of the trail is carried with the wheels, which form a light load. In addition to this the folding shield with ammunition forms a fifth load. The shield need not, however, be brought up till after the gun has opened fire.
Since the length of a mountain gun in one piece may not exceed 4 ft. 6 in., the calibre has to be comparatively large to get the necessary power, and is usually 75 mm. or 3 in. The weight may not exceed 255 ℔. A short breech action such as the swinging block or the eccentric screw is preferred. The sights must be of simple pattern; the independent line of sight is too complicated for mountain work. But it is most desirable that the sight-socket should be capable of being cross-levelled to eliminate the error introduced by difference of level of wheels. Except in the French gun, the recoil gear and running-up springs are similar to those used in Q.F. field guns. In the Krupp mountain equipment the gun does not slide directly on the cradle guides, but a steel forging called a sleigh is interposed. This forms a sliding cover to the cradle, and protects the guides. On coming into action the gun is dropped into the sleigh and secured by a keyed lug. The trail of a Q.F. mountain gun has to be from 6 ft. to 7 ft. long to keep the gun steady. It is either carried in two pieces (Krupp) or is hinged and folded (Ehrhardt). The spade is similar to that used with field guns. The wheels are of wood, about 3 ft. in diameter. The elevating gear is a plain screw. The gun and cradle traverse on a vertical pivot about 3 degrees each way. A shield high enough to protect the gunners kneeling weighs up to 1 cwt., and is carried in two pieces.
The Krupp mountain gun, fig. 68 (Plate IV.), may be taken as an example of ordinary practice. The gun is seen mounted on the sleigh, which slides to the rear on the cradle when the gun recoils. The cradle is pivoted vertically on a saddle mounted on horizontal trunnions between the trail brackets; the rearward extension of the saddle forms the traversing bed and is supported by the elevating screw. The foresight and arc sight are attached to the cradle. Near the middle of the 7-ft. trail are seen the seats for the laying and loading numbers. The trail is divided immediately in rear of the seats. The calibre is 2·95 in., the gun fires a shell weighing 11 ℔ 10 oz. with a muzzle velocity of 920 f.s. The weight in action is 820 ℔, without shield.
The French 1907 mountain gun differs markedly from other types in that the carriage is constructed with differential recoil gear as described above. There is no hydraulic buffer, and the whole of the recoil-energy is absorbed by the springs. The gun is held in the recoil position by a catch, and when loaded and released it is fired automatically by a tripper on the cradle. The calibre is 2·65 in., and the shell weighs 11 ℔ 10 oz.
Authorities.—H. A. Bethell, Modern Guns and Gunnery (Woolwich, 1907, 3rd edition, 1910); Kenyon, F.A. Material on the Continent (R.A. Institution, Woolwich, 1905); Greenhill, “The Dynamics of Gun Recoil,” The Engineer (23rd August 1907); v. Roskoten, Moderne Feldkanonen (Oldenburg, 1906); Rohne, Progrès de l’artillerie de campagne moderne (Paris, 1906), Challéat, Théorie des affûts à deformation (Paris, 1906), Siacci, Balistique extérieure; Witzleben, Feldgeschützfrage in Portugal (Dresden, 1906); Castner, “Development of Recoil Apparatus,” Journal U.S. Artillery (1904); and Der Erfolg des stdndigen Rohrn'icklaufs bei Feldhaubitzen (Frauenfeld, 1906); v. Reichenau, Munitionsausrüstung (Berlin, 1905). Shrapnels et boucliers and L’Obusier de campagne moderne (Lucerne, 1906), Bahn. Die Entwicklung der Rohrrücklauf-Feldhaubitze (Berlin, 1907), (H. A. B.)
III. Heavy Field and Siege Equipments
Heavy Field Batteries.—Since the days of Gujrat and Inkermann the value of heavy metal in the field has been recognized, at all events in theory, but it was mainly due to the South African war that “heavy” batteries have become a component part of modern armies. Guns heavier than field guns have formed part of the equipment of the Indian army for many years. but they have existed for a specific purpose, and ordnance originally designed for quite other functions has, from the exigencies of war, been occasionally utilized in the field, as was the case in South Africa and Manchuria, but the heavy field battery as we know it to-day is a new military product. Its rôle is an extensive one, as it embraces many of the functions of ordinary field guns as well as some of those usually attributed to fight siege pieces. In the heavy field armaments of the Powers as they stand at the present time will be found guns, howitzers and mortars, and projectiles that vary from 50 ℔ to more than five times that weight, and no boundary line can be assigned which will separate these field equipments from those of the light units of a siege train It will be convenient to consider in turn the three natures of ordnance (guns, howitzers and mortars) employed and to quote some typical instances of each kind.
The United States 60 pr. Gun.—This gun and its equipment are of modern type (1904) Its general appearance is shown in figs. 69 and 70, Plate V. The calibre is 4·7″; the charge 5·94 ℔ of smokeless powder and the muzzle velocity developed is 1700 f.s. Fixed ammunition is employed, and with an elevation of 15° the range is 7600 yds. The weight of the equipment limberedGuns. up is given as 712/7 cwt.: it is known as a siege gun.
In its general aspect the carriage resembles a field carriage, but of stronger type, with a special arrangement of cradle.
| |||||
| From Lieut.-Colonel Ormond M. Lissak’s Ordnance and Gunnery. Fig. 71.—Diagram of 4·7-in. Siege Gun, U.S.A. | |||||
| b, | Traversing bracket, | r, | Rails. | x, | Axle. |
| p. | Pintle bearing. | s. | Spring cylinders, | y, | Pintle yoke. |
In fig. 71 two sections are given; the cradle, it will be seen, consists of three cylinders (seen in section in the upper figure) which are bound together by broad steel bands; the two outer cylinders carry rails r upon which the gun slides in recoil. The centre cylinder contains the hydraulic gear for checking recoil, the two outer contain the running-up springs s. These springs are arranged in three concentric columns, the front end of each outer column being connected to the rear end of the next inner column by a steel tube, flanged outwardly at the front end and inwardly at the rear end. A rod carrying a head which acts on the inner coil only passes through the centre of the cylinder and is fixed to a yoke that is connected with a lug at the breech of the gun. The flanged tubes thus convey the pressure from the innermost coil to the next outer coil and finally to the outermost coil, so that in each cylinder the springs work in tandem and have a long stroke with short assembled length. It is thus seen the recoil takes place partially on the carriage and only a portion of the energy remains to tend to cause movement in the mounting.
The cradle is supported by trunnions in the casting y, which is itself seated in the casting p, which forms a bearing for it. This bearing is mounted between the front ends of the trail brackets, its rear end embracing the hollow axle x. Attached to the lower surface of y is the traversing bracket b, which extends to the rear under the axle and forms a support for the traversing shaft t and for the elevating mechanism.
For travelling (Plate V., fig. 69) the gun is withdrawn to the rear and the breech is attached to a holding-down arrangement about the middle of the trail. A spade is hinged at the point of the trail.
The British 60 pr. Gun.—This is known as a heavy battery gun; its calibre is 5″, its length 32 calibres, its weight 39 cwt.; its charge is 97/16 ℔ of cordite, its muzzle velocity 2080 f.s. and its effective shrapnel range 10,000 yds. The weight behind the team is 106 cwts., 3 qrs.
The German 10 cm. Gun is called a heavy battery gun; its calibre is 4″, its effective shrapnel range is 5750 yds., but common shell can be used up to 11,000 yds. The organization is a six-gun battery, but a platform has always to be used.
A howitzer is a comparatively light piece that fires a comparatively heavy shell with a comparatively low muzzle velocity, and changes in range are effected sometimes by alteration of charge as well as of elevation. On the continent of Europe howitzers are more popular than guns for heavy field batteries and light siege units.Howitzers.
The French 15 cm. (Rimailho) Howitzer.—This piece is at the present time very popular in France, where, in 1907, some 120 batteries of the field army were said to be armed with it. It came into being from the conversion of an old pattern siege howitzer and its adaptation to a new form of carriage, according to the plans of Commandant Rimailho. The gun (canon de 155 R) is a short piece, made of steel, with a calibre of 6·1″; the shell weighs about 94 tb and has an effective range of 7000 yds. The breech opens automatically after each round and a rapidity of fire of from 4 to 5 rounds a minute is claimed. The howitzer is supported on two trunnions near its rear end so that the weight pivots about a point near the breech, with the result that the latter remains nearly 5 ft. above the ground level at all angles of elevation; space is thus left for recoil, which is checked by a buffer, the construction of which is a secret; running-out springs are provided to return the gun to the firing position. The piece recoils in a cradle to which is attached the elevation scale, but the elevating gear is independent of the carriage proper; the line of sight is also independent. The howitzer has a special transporting carriage, but it can be placed on its firing carriage, it is said, in two minutes. The weight behind the teams is in each case about 47 cwt. On a war footing three ammunition wagons per howitzer would be provided.
The German 75 cm. Howitzer.—The Germans also possess a 15 cm. howitzer of modern type; its rate of fire is 2 to 3 rounds a minute; its shell is 871/2 ℔ in weight and the weight behind the team is about 53 cwt.
The British 6″ B.L. Howitzer.—This piece is made of steel, it weighs 30 cwt., its shell weighs 122 ℔ and has an effective range of 7000 yds. The weight behind the team is 85 cwt.
Fig. 72 shows the howitzer and cradle A mounted on the travelling carriage, from which it can be fired up to an angle of 35°: in fig. 73 the wheels have been removed, the trail B has been lowered on to the pivot plate C and secured to a pivot plug screwed into the plate: to the trail is fitted the top carriage D, and when the howitzer and cradle are thus mounted 70° elevation can be given.

Fig. 72.—Diagram, of British 6-in. B.L. Howitzer.
The howitzer recoils through the cradle, in which are two hydraulic buffers side by side, fig. 74, whose piston rods E are attached to the howitzer so that the recoil of the latter draws the pistons J to the rear. Consider now, in fig. 74, the right buffer only; forged in one piece with the piston and piston rod is a tail rod F of larger diameter than the piston rod, and in the front of the cylinder is an annular bronze casting G, called a floating piston, which bears against the rear of the springs. On discharge, the howitzer slides along the cradle to the rear, the piston rod E is drawn out of the cylinder and the tail rod F is drawn in, and from its larger diameter causes a pressure of oil against the floating piston G, which slides forward and compresses the springs which are prevented moving by the rods H. The action is the same in each buffer. After recoil the springs expand and return the howitzer into the firing position. The floating pistons are tapered slightly inside towards the front to prevent violence in the running out action. The elevating gear, which can be placed on the left side of either the trail or the top carriage, actuates the arc K, bolted to the left side of the cradle. When the gun is fired on wheels (fig. 72) an anchorage buffer M, attached to the platform, checks the recoil, whilst the springs with which it is provided cause the carriage to return to its position.

Fig. 73.—Diagram of British 6-in. B.L. Howitzer
(70° elevation).
The United States 6 ″ Howitzer.—This is a more modern equipment, its date being 1905. The howitzer is a short piece, 13 calibres long; it fires a 120-℔ shell with a muzzle velocity of 900 f.s. It has an extreme elevation of 45° and an effective range of 7000 yds. The weight behind the team is 705 cwt. The carriage is of peculiar construction (fig. 75). The howitzer is supported under its cradle, which is carried on trunnions seated in the top carriage. The cradle consists of three cylinders generally similar in arrangement and in functions to those described for the 4·7″ 60 pr. gun: the howitzer is made in a single forging and carries a lug on its breech end for the attachment of the recoil piston rod and the yoke for the rods of the spring cylinders; flanged rails are formed on its upper surface, which support it on its cradle. The top carriage rests on a framework called a “pintle bearing.” Flanges in the former engage under clips in the latter; the pintle bearing is riveted to the front part of the trail brackets, and forms a turn-table upon which the top carriage and all supported by it have a movement of 3° traverse on either side.
This movement of traverse is effected by a shaft and worm: the former is supported in a fixture attached to the left trail bracket, and the latter works in a nut pivoted to the top carriage.

Fig. 74.—Hydraulic buffers of British 6-in. B.L. Howitzer.
(N.B.—Spiral, instead of volute springs, are now used.)
Elevation is effected by a forging called the rocker. The rear part of the latter is U-shaped and passes under the gun, being attached to the cradle by a pivoted hook k. From either side of the U arms extend which embrace the cradle trunnions between the cradle and the cheeks of the top carriage so that the rocker can rotate about the cradle trunnions. The elevating gear is supported in lugs on the under side of the top carriage, while the upper end of the elevating screw is attached to the bottom of the rocker. The rocker thus moves in elevation in the top carriage and gives elevation to the cradle, and therefore to the gun, by means of the pivoted hook above referred to.
The brackets of the trail extend separately to the rear, sufficiently providing for free movements of recoil at any elevation; they are then joined by transoms and top and bottom plates and terminate in a detachable spade which is secured to the top of the trail in travelling. The axle is of special shape to admit of the movements of the cradle; it is lower in the middle than at the sides and is made in three parts, held together by shrinkage in cylinders formed in the sides of the pintle bearing.
A peculiarity of this carriage is that recoil is automatically shortened as elevation increases. Thus the length of recoil is 50″ at angles of firing from −5° to 0°, from 0° to 25° the 50″ is gradually reduced to 28″, which is not changed for higher angles. This is effected as follows: Four apertures are made in the piston of the recoil cylinder and there are two longitudinal throttling grooves in the walls of the cylinder. All apertures being open and deepest part of grooves in use would correspond to a 50″ recoil; apertures closed and grooves alone at work would mean a 28″ recoil. A rotating disk with apertures similar and similarly placed to those on the piston is carried by the piston rod and rests against the front of the piston, and is actuated during recoil by two lugs projecting into helical guide slots cut in the walls of the recoil cylinder. The latter is mounted so as to be capable of rotation in the cradle, and its outer surface carries teeth which engage with similar teeth in a ring surrounding the right spring cylinder. When the elevation is between 0° and 25° these latter teeth engage in special gearing which is seated in the hollow trunnion of the cradle and is attached to the right cheek of the top carriage. The buffer conditions are thus made to correspond with the elevation.
The mortar is a short piece of ordnance that is always fired from a bed. Changes in range are usually effected by varying the charge.Mortars.
United States 3·6 ″ Mortar.—This equipment is not modern; the piece was intended for vertical fire against troops in entrenchments; the mortar weighs 245 ℔, and its bed, which is made in a single casting of steel, 300 ℔. The latter rests in action on a wooden platform and is held down by ropes and pickets.
The German 8·4 ″ Mortar.—This equipment is perhaps the heaviest field equipment existing. The mortar in action weighs about 4·9 tons; it has to be transported in a special vehicle and can only be fired from a platform; four hours are required for bringing it into action. Two platform wagons are attached to each mortar, weighing respectively 2·9 and 4·9 tons. The equipment can be moved at a walk on good roads, but two companies of infantry are always attached for haulage in case of need. A battery consists of 4 mortars, and 160 rounds are carried. The shell weighs 250 ℔ and carries a heavy charge of high explosive, with or without delay action fuze.
A special equipment designed by Messrs Krupp is shown in Plate vi., figs. 76 and 77. It is a mobile mounting for an 8·26″ mortar with constant long recoil, which is fired, like a howitzer, from its travelling carriage without a platform. This equipment weighs about 5 tons in action.
All the foregoing equipments may be considered mobile; that is to say, the batteries in which they are organized are self-contained, can move from place to place without external assistance, and may be employed on either field or siege duties. Their uses may be summed up as follows: The first object of the heavy artillery accompanying an army is to demolish the barrier forts or other frontier fortifications of a permanent nature in order to enable the army to penetrate into the enemy’s country. After this has been done, a small portion of this artillery will be employed in connexion with the siege of fortresses, while another, by far the more considerable portion, will accompany the advance of the field army.
Heavy Siege Units.—When a serious siege has to be undertaken it is necessary to organize one or more siege trains in addition to the troops of the field army. Both heavy and light siege units enter into the composition of a siege train. As to the armament of the latter, we have said that it is not exactly distinguishable from that of heavy field batteries, and it has already been described. That of the former is less definite. Heavy siege units are seldom mobile in the sense that light siege units are: the ordnance comprising the former has usually to be transported by some special means; thus it might be conveyed by ordinary rail or ship to some place from which special siege railways would admit of its conveyance to its place in battery, and probably great variety of calibre and mounting would exist. For example, during the siege of Sevastopol a civil engineer, Robert Mallet (1810–1881), designed a 36″ mortar; it did not, however, reach the seat of war; and in 1904 the Japanese made use of their 11·1″ coast howitzers at Port Arthur. At the siege manoeuvres in France in 1906 the heavy siege units were represented by their 6·1″ gun and their 10·7″ howitzer. The official British pieces are a 6″ gun and a 9·4″ howitzer. Generally speaking, whereas the most suitable armament of the light units can as a rule be foreseen, that of the heavy would depend very much on circumstances.
The French 10·7 ″ Howitzer.—As a typical piece the 10·7″ howitzer may be taken, which the French transported by special horse draught, as it was found too heavy for the type of siege railway made use of at the mock siege of Langres in 1907. Its total equipment weighs 22 tons and it is transported in four components, namely, the piece, the carriage, the slide and the platform. A battery of six pieces would thus require, exclusive of ammunition transport, 24 vehicles that would weigh 130 tons. The howitzer was designed originally for coast defence; it weighs about 53/4 tons and its bed weighed 61/3 tons: to this equipment was added a slide and a platform, consisting of a thick plate of iron upon which the slide moves. The platform is provided with a pivot upon which the front part of the slide fits. The latter consists of an iron framework, having lateral movement around the aforesaid pivot; its rear portion is provided with rollers to facilitate its movement on the platform. Its upper portion consists of two inclined rails along which the bed or carriage of the howitzer slides. To check recoil a hydraulic buffer is attached to the front of the slide and also to the bed.
| |||
| From Lieut.-Colonel Ormond M. Lissak’s Ordnance and Gunnery. | |||
| Fig. 75.—Diagram of 6-in. Siege Howitzer, U.S.A. | |||
| b, | Hand-wheel actuating wheel | k, | Hook, 1, 2, 3, 4 and mechanism |
| brakes. | for loading position. | ||
| e. | Elevating hand-wheel. | n, | Elevating screw. |
| h, | Handle. | t. | Traversing wheel. |
The fighting units of siege artillery in the British service are companies and brigades; each company would be armed with from 4 to 6 light siege pieces or from 2 to 4 heavy pieces. A company is usually a major’s command. Three such companies would form a siege brigade under a lieutenant-colonel. If a siege train of any magnitude were organized it might be necessary to combine two or more brigades into a division under a colonel or brigadier. In the French service each siege train consists of three divisions. A division is divided into groups and comprises some 50 pieces of ordnance, heavy and light. (J. R. J. J.)
IV. Garrison Mountings
The armament of modern coast fronts consists of (a) heavy B.L. guns, 9″ and upwards; (b) medium guns, 4″ and upwards, and (c) light Q.F. guns; all these being for direct fire; and (d) guns, howitzers or mortars of various calibres for high angle fire. Typical guns of type (a) are the Krupp 12″ gun and the British 9·2 B.L. gun. The Krupp 12″ gun is built up of crucible cast nickel steel, not wire wound. It is 45 calibres long and has the Krupp wedge-shaped breech-closing apparatus. It is fitted with a repeating trip lock. The cartridge is a metallic case containing a charge of 290 ℔ of tubular powder. The projectiles are of two weights, 770 ℔ and 980 ℔, and the respective muzzle velocities are 3025 f.s. and 2700 f.s. The British 9·2 B.L. gun is of wire-wound construction and is over 48 calibres long. It has the asbestos pad and Welin screw system of obturation, and its charge of 103 ℔ of cordite, contained in a cartridge of silk cloth, fires a 380 ℔ projectile with a muzzle velocity of 2643 f.s. A typical gun of class (b) is the British 6″ mark VII. It is similar in construction and breech mechanism to the last-named and fires a 100 ℔ projectile with a charge of 23 ℔ cordite, giving a muzzle velocity of 2493 f.s. A typical gun of class (c) is the British 12 pr. Q.F.; its weight is 121/2cwt., it is made of steel, is 10·3 calibres long, and with a cordite charge of 1 ℔ 15 oz. it fires a projectile 121/2 ℔ in weight with a muzzle velocity of 2197 f.s. and a possible rate of 15 aimed rounds a minute. A typical piece of class (d) is the 11″ Krupp howitzer. It is 12 calibres long, has a charge of 281/2 ℔ smokeless powder and fires steel shell weighing 470 ℔ or 760 ℔. It is provided with a shrapnel shell of the former weight which contains 1880 bullets.
The methods of mounting of coast ordnance are many; space only permits of referring to certain typical arrangements.
1. The Moncrieff Principle.—The disappearing carriage originated, at all events in England, with Colonel Sir A. Moncrieff, who, about 1864, proposed to utilize the energy of recoil to bring a gun into a protected position and at the same time to store up sufficient energy to raise it to a firing position when loading was completed. To effect this a heavy counterweight Disappearing mountings. was so adjusted that its tendency was to raise the gun; when the latter was fired, it raised the counterweight and a ratchet and pawl followed the action up: when the pawl was released the counterweight brought the gun back to the firing position; this application of the principle had many drawbacks, and never had any success with guns over 7 tons in weight. It was not until Moncrieff invented the hydropneumatic appliances that any real progress was made. In 1888 was introduced into the British service the first of a large group of disappearing mountings for guns of types (a) and (b). where the energy of recoil was absorbed chiefly by forcing a large volume of liquid through a narrow opening or recoil valve, and also by further compressing a large volume of already highly compressed air; when recoil was completed the recoil valve closed and the air was retained at very high pressure: the energy thus stored up returned the gun to the firing position. The action will be understood from the following example.
The British 6 ″ B.L. Gun on H.P. Mounting, Mark IV.—Fig. 78 shows a general view of the mounting; fig. 79 is a vertical and Fig. 78.—British 6″ B.L. Gun on H.P. Mounting, Mark IV.
fig. 80 a transverse section through the recoil cylinder. The gun trunnions (fig. 78) are supported by the two arms of the elevator A, which is pivoted to the front of the lower carriage at B. The breech is supported by the two elevating bars C whose lower ends are attached to the elevating arcs D. These arcs are worked by the elevating gear actuated by the hand-wheel E. The arcs are struck with the bars C as radii, their centres being points at the upper end of the bars when the gun is in the loading position. Elevation can thus be given to the gun whilst it is being loaded. The lower carriage rests on a ring of live rollers G, which are free to traverse round on a circular racer H, motion being given by traversing gear actuated by the hand-wheel I. Supported by vertical stanchions attached to the lower carriage is a horizontal circular shield J through which the gun rises to the firing position. The manganese bronze ram F which is attached to the elevators A by the cross-head L is forced on recoil into the central chamber of the recoil cylinder (see fig. 79), which is supported by trunnions M resting in the brackets of the lower carriage. There are ten chambers N (figs. 79 and 80), all of which are connected at the bottom with the recoil valve chamber O, and consequently with each other. Nine of these contain liquid in their lower portions and highly compressed air above, and are connected at the top by a channel P to equalize the pressure in each chamber. The tenth chamber N′, which is situated lowest in the cylinder, contains liquid alone and has at its uppier end the raising valve Q. On recoil the liquid in the central chamber is forced by the ram through the recoil valve R into the outer chambers N, thus further compressing the air. As R is a non-return valve the air is maintained in this highly compressed state during loading. The gun is raised by pushing the lever S (fig. 78) to the front which actuates the rack T (fig. 79), thus opening Q, which allows the air in the nine chambers to force liquid from the tenth chamber N into the centre ram chamber, lifting the ram. U is a pump (fig. 79) by which the gun can be pumped down at drill. The liquid employed in the buffer is a mixture of methylated spirits, mineral oil, distilled water and carbonate of soda, and its aeration, due to the churning it receives on recoil, is a serious drawback to this class of mounting. From a 6″ B.L. gun mounted in this fashion somewhat more than one aimed round a minute can be obtained; from a 9·2″ B.L. about four such rounds in five minutes.
The foregoing description is now, however, principally interesting as showing an ingenious application of mechanical principles for military purposes. Mountings of this type are being gradually withdrawn from the British service.
The Buffington-Crozier Principle.—In the United States a type of disappearing carriage known as the Buffington-Crozier (fig. 81) is used. Here, as in the earlier types of Moncrieff carriage, a counterweight is employed, but the energy of recoil is partly absorbed by a buffer, and the counterweight, which is constrained by guides to move vertically up and down, is just able to raise the gun to the firing position. A satisfactory rate of fire is claimed for this mounting, which has recently been improved.
Balanced Pillar.—Another type of disappearing mounting for guns of type (b) or (c), known as the balanced pillar, is found on the continent of Europe and in the United States, where it is used for 5″ guns and under. A long steel cylinder, which supports the gun and its carriage, has a vertical movement of about 35 ft. in an outer cylinder. The inner cylinder and all that it carries is balanced by a counterweight. After the gun is fired it can be brought with its length parallel to the parapet.
- Fig. 79.—Vertical Section through Recoil Cylinder of Gun shown in fig. 78.
- Fig. 80.—Transverse Section through Recoil Cylinder of Gun shown in fig. 78.
Then by the action of the mechanism the inner cylinder can be made to sink in the outer cylinder and the gun is brought down to the loading position; the release of the counterweight will cause it to rise again. The gun has the usual motion of traverse round the common axis of the two cylinders.
Fig. 81.—Buffington-Crozier Disappearing Carriage for 10″ B.L. .Gun, U.S.A.
The heavy gun cupola is found on the continent of Europe in the armaments of various Powers for guns of type (a), the German practice being occasionally to mount two 11″ guns in the same cupola. The cast-iron cupola was introduced by Gruson of Magdeburg, but nickel steel is now generally employed by Krupp. In Gruson’s design the gun and mounting are placed Cupolas. upon a turn-table upon which also rest the bases of a series of cast-iron plates; these are very massive, are curvilinear in section, and are built up into a shallow dome which completely covers the mountings as with a cap: the whole structure turns together, being traversed round a central pivot. The chase of the gun emerges through a port which admits of the necessary play of elevation. A notable example of a cupola was erected at Spezzia containing two 120-ton Krupp guns, the structure complete weighing 2050 tons. A Krupp cupola of chilled cast-iron for two 28-cm. (11″) is shown in fig. 82. These are designed principally for coast defence in low sites. The cupola, which is built up like a Gruson cupola of several heavy iron masses, is resolved and the guns laid by hydraulic power. A heavy chilled cast-iron collar protects the under side of the armoured structure and the working mechanism of the guns. Fig. 83, Plate VI., represents a Krupp mounting for an 11·2″ howitzer, with a cupola-like shield. This is worked both electrically and by hand. Vertical fire from a weapon of this type is sufficiently powerful to penetrate the protective deck of a vessel. Light and medium guns, types (b) and (c), are sometimes mounted in cupolas, especially on land fronts (see below), and disappearing cupolas have also been proposed for them: in the latter the whole structure is made to sink by the action of mechanism till the top of the cupola is level with the ground. Types and further details will be found in the article Fortification and Siegecraft.
Mountings of the barbette type are much favoured in the British service for guns of types (a) and (b); one of the most modern is shown in fig. 21, where a 9·2″ B.L. gun, Mark X., is placed upon a Mark V. mounting, a combination which admits of over five aimed rounds in two minutes.Barbette mountings.
Fig. 82.—Krupp Cupola for two 28-cm. Guns.
The British 9·2″ B.L. Gun.—Fig. 84 shows a general view of the mounting, fig. 85 a longitudinal section through the cradle on a larger scale. The gun, which is trunnionless, carries a cross-head A and recoils in the cradle C, being supported by its guides D, which slide in longitudinal grooves in the cradle. To this cross-head is attached the buffer cylinder B (see fig. 85) which recoils with the gun, while the piston rod L is attached to the front of the cradle: engaging with the buffer cylinder and in the same axial line is a bronze casting containing two air chambers F and G: the casting is attached to the rear of the cradle, which is supported by trunnions E in the lower carriage. Thus on firing, the gun carries the buffer
| Plate V. |
|
| From Lieut.-Col. Ormond M. Lissak’s Ordnance and Gunnery. |
| Fig. 69.—4·7-IN. SIEGE GUN, TRAVELLING POSITION (U.S.A.). |
|
| From Lieut.-Col. Ormond M. Lissak’s Ordnance and Gunnery. |
| Fig. 70.—4·7-IN. SIEGE GUN, IN ACTION (U.S.A.). |
| Plate VI. | |
| |
| Fig. 83.—KRUPP 11·2-IN. HOWITZER AND SHIELD. | |
![]() |
|
| Fig. 76.—KRUPP 8·26-IN. MORTAR, TRAVELLING. | Fig. 77.—KRUPP 8·26-IN. MORTAR, FIRING POSITION. |
| |
| Fig. 88.—KRUPP 3·4-IN. AUTOMATIC GUN. | |
| From photographs by Friedrich Krupp A. G., Essen/Ruhr. | |
cylinder backwards with it, draws it off its piston rod L and forces it into the air chamber F. The air in the chambers F and G is at a high initial tension and, on recoil, the air in F is further compressed and forced through the valve H into the chamber G. At the conclusion of recoil the air expands and forces the buffer cylinder to the front, which carries with it the gun into its loading position; but the valve H closes and the air has to make its way through a narrow hole before it can act on the end of the buffer, thus preventing violent action, which is further guarded against by the “control ram” M which is bolted into the rear end of the buffer. To prevent leakage of air between the air chamber and the buffer at the gland K the packing employed is a viscous liquid which is in communication by means of the pipe J with the intensifier I. The latter consists of a cylinder containing a piston and rod free to move: the front face of this piston is subject to the pressure of the air in the air chamber, the rear face is in communication with the liquid in the gland. Now, as the piston head is held in position by the pressures on either side of it, and as the effective area of the front face is greater than that of the rear—on account of the rod—the liquid pressure per square inch of the fluid in the gland, &c., must be greater than that of the air in the air chamber, hence the latter cannot escape through the former. The pressure in the chambers F and G is adjusted on preparing for action by an air pump worked by hand. The energy of recoil is further utilized as follows: hydraulic cylinders called compressors are held in the cradle, and in them work rams connected with the cross-head A (sec fig. 85): they are also connected with a hydraulic accumulator (not shown) which can be placed in any convenient position in the work, and the power thus stored up be employed for raising the projectiles, for which purpose two lifts are provided. One of these (W) is in the floor of the emplacement, the other (W) is attached to and moves with the mounting. Underneath and suspended from the circular gun platform RR, which forms a shield, is an overhead railway QQ, on which run trollies, each taking a projectile. The projectiles are stored in the recess shown in section at O. By means of a shell barrow any projectile can be placed on the lift W and raised to a trolley which can be run round over the lift W, which raises the projectile, as shown at S, to a point suitable for loading.
![]() |
| Fig. 84.—British 9·2″ B.L. Gun, Mark X., on Barbette Mounting. |

Fig. 85.—Details of Mounting shown in fig. 21.
The British 6″ B.L. Gun.—A typical mounting for guns of type (b) is afforded by the British C.P. (central pivot), Mark II. mounting for the 6″ B.L. Mark VII. gun, a combination which admits of six rounds a minute aimed fire. Fig. 86 shows a side elevation cf the mounting with half the shield removed; fig. 87 a longitudinal section of part of the cradle through the axis of the buffer. The gun, which is trunnionless, recoils in the cradle A; the latter contains a buffer B and two cylindrical boxes containing springs S. Attached to the breech of the gun is a piston rod C with piston D, the latter having an opening or “port” E, through which the oil passes on recoil, the pressure in the buffer, which would otherwise vary with the velocity of the recoil, being kept constant by the variation in the area of aperture afforded by E. This area is governed by the action of the valve key strip F of varying section, which is inserted in the buffer in such a way that as the gun recoils the port E is constrained to pass over it. On recoil the rods J, which are attached to the gun in rear and screwed into the flanged cylinder H in front, force back the front of the springs S, whose rear ends butt up against the rear of the spring boxes. After recoil the springs return the gun to the firing position. To check the violence of this action a control ram G is made use of: the piston rod has a cylindrical hole in front which, as the gun recoils, becomes filled with oil, and before the piston can come up against the front of the buffer this oil has to be displaced by the thrust of the ram G which checks the forward movement of the gun. The cradle A rests on its trunnions in seatings in the lower carriage and is elevated or depressed by the gear K′. The last-named drives the elevating arc L, which is attached to the cradle at M, the axis of the gun moving parallel to the axis of the cradle. In fig. 86 the lower carriage is almost entirely hidden by the gears carried on it, namely, the elevating gear K, the traversing gear N, which works a spur pinion, gearing into the rack O attached to the pedestal P: the elevation indicators Q and R for recording the angle of elevation of the gun and the bracket S′ which support the 6″ armour plate T. The weight of the lower carriage, cradle and gun is taken by a horizontal ring of hard steel balls resting on the top of a massive forged steel “pivot” U, the lower portion of which is shown supported in the cast-iron pedestal. The elevation indicator consists of a sector Q bolted to the cradle trunnions; to its edge is attached a metal tape, the other end of which is fixed to the spindle supporting a pointer, reading angles of elevation on the drum R. As the gun elevates the tape is paid out, the slack being taken in and the pointer revolved by the action of a clock spring.[1] The mounting carries an automatic sight (see Sights, Gun Sights).
| |
| Fig. 87. | Fig. 86. |
| Fig. 86.—British Mark II. Barbette Mounting for 6″ B.L. Gun. Fig. 87—Longitudinal Section of Part of Cradle of Gun shown in fig. 13, through Axis of Buffer. | |
The British 12-pr. Q.F. Gun. — A typical mounting for guns of class (c) is the British pedestal mounting for the 12-pr. Q.F. gun. This mounting consists of a cradle, a pivot, a pedestal and holdfast. The cradle is a gunmetal casting, provided with trunnions that rest in bearings on the pivot; the gun recoils in the upper portion of the cradle and the lower part of the latter is bored at the rear for an hydraulic buffer and at the front for a running-out spring. The pivot is of steel, is fork-shaped at the top end, where are the trunnion bearings for the cradle; its lower end is conical and fits into bushes in the pedestal, where it is free to revolve but is prevented from lifting by a holding-down screw.[2] The pedestal is bolted down to the platform. The gun has a shoulder-piece and it can be trained and elevated by the layer. It has also an automatic sight.
A typical Krupp mounting of this kind is shown in fig. 88, Plate VI., which represents an 8·8-cm. (3·4″) automatic gun firing, it is stated, 40 aimed rounds in the minute.
The United States 12″ Mortar.—A typical mounting for pieces of class (d) is afforded by the United States mounting, model of 1896, for the 12″ B.L. mortar. The piece is mounted in a top carriage or saddle consisting of two arms connected by a heavy web. This saddle is hinged on a heavy bolt and is connected to the front of the turntable (fig. 89). The saddle inclines to the rear and upwards at an angle of 45°, the upper ends forming trunnion bearings: it is supported at a point about one-third of its length from the bolt or fulcrum by five columns of double springs arranged in a row, side by side. The recoil is checked by two hydraulic cylinders, one on each side, the pistons of which are attached to the saddle near the trunnions of the piece. When the mortar is fired the saddle revolves about its fulcrum to the rear and downwards, carrying the mortar and compressing the spring columns until the action is stopped by the hydraulic buffers; the springs then assert themselves and return the piece to the firing position. The mortar must always be brought horizontal for loading.
The fighting units of coast artillery in the British service are the fire command, the battery command and the group. The limits of a fire command are governed by the possibility of efficient surveillance and control that can be exercised by an individual, and these limits vary much from time to time. Usually a number of forts or emplacements are included in a fire command. The fire command is broken up into battery commands, in every one of which it must be possible for its commander actually to take charge of the guns therein contained in all phases of action. The battery command is divided up into gun groups, each consisting of one or more pieces of like calibre, nature and shooting qualities. As a rule a fire commander is a field officer, a battery commander a major or a captain, a gun group commander a subaltern or senior N.C. officer. In connexion with coast artillery range-finders (q.v.) and electric lights (see Coast Defence) are installed and electric communications established for the chain of command. (J. R. J. J.)
V. Naval Guns and Gunnery
In dealing with naval guns and gunnery, we shall take the British navy as the basis. At the close of the 19th and at the beginning of the 20th century it appeared that a type of British battleship (see Ship) had been evolved which was stable as regards disposition of armament, and that further advance would consist merely in greater efficiency of individual guns, in improvements of armour rendering possible the protection of greater areas, and in changes of engine and boiler design resulting in higher speeds. The “Majestic,” “Glory,” “Exmouth,” “London” and “Bulwark” classes differed from each other only in such details, all of them subordinate to the main raison d’être of the battleship, i.e. the number and nature of the guns which she carries.
The strength and disposition of the armaments of the ships of these classes were identical except in small details (see fig. 90). In every case the main armament consisted of a pair of 12-in. guns forward and a pair aft, each pair enclosed in a hooded barbette, which was more commonly designated a turret. The turrets were on the midship line, and the guns in each commanded an arc of fire of 240°, i.e. from right ahead to 30° abaft the beam on either side in the case of the fore turret, and from astern to 30° before either beam in the case of the after turret. The secondary armament, consisting of twelve 6-in. guns, was also symmetrically disposed. Two guns on either side (four in the “Majestic” class) were mounted with arcs of fire of from 60° before to 60° abaft the beam, while two guns each side forward and two aft (one forward and one aft in the “Majestic” class) fired through similar arcs to the turret guns, but on their own sides only. Four of these 6-in. guns were mounted on either side of the main deck and two on either side of the upper deck, all being enclosed in casemates.

Fig. 89.—12″ B.L. Mortar, Model 1896, U.S.A.

Fig. 90.—Diagrams showing Disposition of Armament in
Typical Ships.
In the armoured and large protected cruisers built contemporaneously with these classes of battleships, the 9·2-in. gun had been largely mounted, and it was the improvements brought about by practical experience in the rate and accuracy of fire of this gun that suggested its adoption in battleships to replace the whole or a part of the 6-in. armament. During the period in which the battleships referred to above were constructed, the idea of the functions of the respective divisions of the armament was that the 12-in. guns were to injure the enemy’s vitals by piercing his armour with armour-piercing shot or shell, while the business of the 6-in. guns was to cover him with a hail of shells of large capacity which were to kill and demoralize his personnel, pierce his funnels, destroy any navigational or sighting appliances which were exposed, set his woodwork on fire and render extinction of the fires impossible, and by piercing or bursting on unarmoured portions of his side diminish his reserve of buoyancy and so impair his sea-going qualities.
These ideas were gradually losing favour; it was realized that the damage done by an armour-piercing shot, whether or not it hit and pierced armour, was limited to its own path, while that done by an armour-piercing shell striking an unarmoured portion of the ship’s side was inconsiderable as compared with that effected by a common shell of the same calibre. Further, the area of side, by piercing which an armour-piercing projectile would reach any portion of the propelling machinery or magazines of an enemy, was so small compared with the whole exposed area of his side and upper works that it was scarcely advantageous to fire at it projectiles, the effectiveness of which, if they struck another portion of the enemy, was small in comparison with that of other projectiles which might equally well be fired from the same gun. Again, the lessons of practical experience showed that ships might be and were defeated by shell fire alone, while their armour remained unpierced, and propelling machinery and magazines intact.
All these considerations led to the conclusion that it was to intensity of shell-fire, and especially to the fire of large capacity and high explosive shell, that attention should be directed. At the same time, while the rate of fire of the 6-in. guns, to which great attention had been paid, remained stationary or nearly so, the rate of fire of the 9·2 in. and 12-in. guns had considerably improved, and their ballistic powers rendered possible more accurate firing at long ranges than could be effected with the 6-in. guns. The explosive effect of a shell is said to vary as the square of the weight of its bursting charge. The bursting charge, with shell of the same type, bears a constant proportion to the weight of the shell. Now the weight of the 12-in. shell is 850 ℔, that of the 9·2-in. 380 ℔, that of the 6-in. 100 ℔. Hence it would require fourteen 6-in. shells to produce the same effect as one 9·2-in., and seventy-two to produce the same effect as one 12-in. shell, consequently the 6-in. gun to produce the same shell effect as the 12-in. or 9·2-in. gun must fire 72 times, or 14 times, respectively, faster. The rate of fire of guns in action depends upon a variety of conditions, an important one being that of smoke interference, which tends to reduce the maximum rate of fire of the smaller guns nearer to that practicable with the heavier guns, but the rate of fire of the three guns in question, under battle conditions, is in the approximate proportions of 1: 1·5: 4, which would thus produce a shell effect (supposing the hits made by each type of gun to bear a fixed proportion to the rounds fired), in the proportions of 72: 22: 4, for the 12-in., 9·2-in. and 6-in. guns respectively. This argument of course takes no account of the probably greater effect produced by the dispersion of the larger number of hits of the smaller gun over the exposed area of the target, nor, on the other hand, does it take account of the greater armour-piercing power of the 12-in. shell which would have the result that a larger proportion of the hits from the smaller gun would be defeated by the enemy’s armour, and so prove innocuous.
The shell effect forms a strong argument for the weight available for the heavy gun armament of a ship being disposed of in the form only of the heaviest gun available. Another strong argument is that deduced from the fact already stated, that, as the calibre of the gun increases, its ballistic powers enable accurate shooting to be made at a longer range.
The accuracy of a gun at any range depends mainly, for practical naval purposes, on what is known as the “dangerous space,” or the limit within which the range must be known in order that a target of a given height may be struck. Again, the dangerous space at any range depends upon the remaining velocity of the projectile at that range, which, as between guns of different calibres but with the same initial muzzle velocity, is greater, the greater the calibre of the gun and weight of projectile, the advantage possessed by the larger gun in this respect being much increased at great ranges. As a practical example, for a target 30 ft. high at a range of 8000 yds., the dangerous spaces of modern 12-in., 9·2-in. and 6-in. guns, which do not differ greatly in muzzle velocity, are 75, 65 and 40 yds. respectively. At whatever range a naval action is to be fought, it is evident that there must be a period during which the enemy is within the practical 12-in. gun range, and outside the practical 6-in. gun range, and that during this period the weight allotted to 6-in. guns will be wasted, and this at the outset of an action, when it is more important than at any time during its progress to inflict damage on the enemy as a means of preventing him from inflicting damage on ourselves. But if all the weight available be allotted to 12-in. guns, the whole of the armament which will bear on the enemy will come into action at the same time, and that the earliest, and consequently most advantageous, time possible. This train of argument led to the substitution of 9·2-in. guns in the 8 “King Edward VII.” class (the first of which was completed in 1905) for the upper deck 6-in. guns, and eventually in the “Lord Nelson” and “Agamemnon” (completed in 1908) to the abolition of the 6-in. armament, which was replaced by ten 9·2-in. guns.
At the beginning of the present century the subject of “fire control” began to receive considerable attention, and a short statement is necessary of the causes which render essential an accurate and reliable system of controlling the fire of a ship if hits are to be made at long range. In the first place, even with the 12-in. gun, the range must be known with considerable nicety for a ship to be hit. At a target 30 ft. high, at 8000 yds., for example, the range on the sights must be correct within 75 yds. or the shot will fall over or short of the target. No rangefinder has yet proved itself reliable, under service conditions, to such a degree, and even if one were found, it could not be relied upon to do more than place the first shot in fair proximity to the target. The reason for this lies in the distinction which must be drawn between the distance of a target and its “gun range,” or, in other words, the distance to which the sights must be adjusted in order that the target may be hit.
This gun range varies with many conditions, foremost among which are the wear of the gun, the temperature of the cordite, the force and direction of the wind and other atmospheric conditions. It can only be ascertained with certainty by a process of “trial and error,” using the gun itself. The error, or distance which a shot falls short of or beyond the target, can be estimated with a greater approach to accuracy the greater the height of the observer. It is the process of forming this estimate which is termed “spotting,” a duty the performance of which calls for the exercise of the most accurate judgment on the part of the “spotter,” and which requires much practice in order that efficiency may be secured. In practice, the first shot is fired with the sights adjusted for the distance of the target given by the range-finder, corrected as far as is practicable for the various conditions affecting the gun range. The first shot is spotted, and the result of the spotting observations governs the adjustment of the sights for the next shot, which is spotted in its turn, and the sights are readjusted until the target is hit. From this time onwards it is (in theory) only necessary to apply the change in range, due to the movements of our own ship and of the enemy, for the interval between successive shots, in order to continue hitting. This change of range, which may be considerable (e.g. 1000 yds. per minute in the extreme case of ships approaching each other directly, and each steaming at the rate of 15 knots), is in practice extremely difficult to estimate correctly, and the spotting is consequently continued in order to rectify errors in estimating the rate of change in range. For various reasons the “gun range” which has been referred to is not the same for different natures of guns. This is mainly on account of the difference in the height attained by their projectiles in the course of their respective trajectories. While it is possible, by careful calibration (i.e. the firing from the several guns of carefully aimed rounds at a fixed target with known range and under favourable conditions for practice), to make the shots from all guns of the same nature fall in very close proximity to each other when the sights of all are similarly adjusted, it has not been found possible in practice to achieve this result with guns of different natures. Consequently guns of each nature must be spotted for independently, and it is obvious that this adds considerably to the elaboration and complication of the fire control system.
This constitutes one of the reasons for the adoption of the uniform armament in the “Dreadnought” and her successors; another important reason lies in the fact that with the weight available for the heavy gun armament disposed of in a small number of very large guns, a greater proportion of these guns can be mounted on the midship line, and consequently be available for fire on either side of the ship (see fig. 90). Thus in the “Dreadnought,” eight of her ten 12-in. guns can bear through a considerable arc on either beam, while in the “Lord Nelson,” although all her four 12-in. guns can bear on either beam, half at least of her 9·2-in. armament (i.e. that half on the opposite side to the enemy) will be at any moment out of bearing, and consequently be for the time a useless weight. The same principle of a uniform armament of 12-in. guns has been adopted in the “Invincible” type, the only large cruisers designed since the inception of the “Dreadnought.” Thus the 12-in. gun forms the sole heavy gun armament of all battleships and large cruisers of the “Dreadnought” era. The gun so carried is known as the Mark X., it is 45 calibres in length, and fires a projectile weighing 850 ℔ with a charge of cordite of 260 ℔, resulting in a muzzle velocity of 2700 ft. per second. The Mark XI. gun was designed to be mounted in the later “Dreadnoughts.” Following the same line of development as resulted in the Mark X. gun, it is longer, heavier, fires an increased charge of cordite, and has a higher muzzle velocity, viz. of 2960 ft. per second. This gun appears to mark the climax of development along the present lines, since the price to be paid in greater weight, length and diminished durability of rifling is out of all proportion to the small increase in muzzle velocity. Further developments would therefore be looked for in some other direction, such as the adoption either of a new form of propellant or of a gun of larger calibre. A modern gun of 10-in. calibre is found in the battleships “Triumph” and “Swiftsure.” The next gun in importance to the 12-in. is the 9·2-in., which forms part of the armament of the “Lord Nelson” and “King Edward VII.” classes of battleships, and the principal armament of all armoured cruisers (excepting the “County” class) antecedent to the “Invincibles.” The latest gun of this calibre has developed from earlier types in a similar manner to the 12-in., that is to say, it has experienced a gradual increase in length, weight, and weight of charge, with a consequently increased muzzle velocity. The latest type, which is known as the Mark XI., and is mounted in the “Lord Nelson” and “Agamemnon,” is 50 calibres in length, weighs 28 tons, and with a charge of cordite of 130 ℔ gives to a projectile of 380 ℔ a muzzle velocity of 2875 ft. per second. The 7·5-in. gun forms the secondary armament of the “Triumph” and “Swiftsure,” and is mounted in the armoured cruisers of the “Minotaur,” “Duke of Edinburgh” and “Devonshire” classes. The 6-in. gun, of which there are a very large number afloat in modern, though not the most recent, battleships, and in armoured and first and second class cruisers, is the largest gun which is worked by hand power alone. For this reason, and on account of its rapidity of fire, it was for many years popular as an efficient weapon. It was evolved from the 6-in. 80-pounder B.L. gun, constructed at Elswick, which was the first breech-loader adopted by the Royal Navy, and whose development has culminated in the 6-in. Mark XI. gun of the “King Edward VII.” class and contemporary cruisers, which fires a 100-℔ projectile with a muzzle velocity of 2900 ft. per second. It has only now passed out of favour on account of its inferior hitting power at long range as compared with that of guns of larger calibre, and as a secondary armament of 6-in. guns is still being included in the latest battleship designs of more than one foreign navy—notably that of the Japanese, with their practical experience of modern war at sea—its abandonment in the British Navy can scarcely be considered final. The 4-in. Q.F. gun is mounted in the third-class cruisers of the “P” class as their main armament, and an improved gun of this calibre, with muzzle velocity of about 2800 ft. per second, is mounted in the later “Dreadnoughts,” as their anti-torpedo-boat armament.
The increase in size of modern torpedo craft and the increased range of modern torpedoes has led to a reconsideration of the type of gun suitable for the protection of large ships against torpedo attack. The conditions under which the anti-torpedo-boat armament comes into play are the most unfavourable possible for accurate gun-fire. The target is a comparatively small one; it comes into view suddenly and unexpectedly; it is moving rapidly, and the interval during which the boat must be stopped, i.e. that between her being first sighted and her arrival at the distance at which she can expect to fire her torpedo with success, is in all probability a very short one. Moreover, in the great majority of cases the attack will be made at night, when the difficulties of rapid and correct adjustment of sights, and of range-finding and spotting, are intensified. Two requirements then are paramount to be satisfied by the ideal anti-torpedo-boat gun: (1) it must have a low trajectory, so that its shooting will not be seriously affected by a small error in the range on the sights; (2) one hit from it must suffice to stop a hostile destroyer.
For many years it was considered that these requirements would be met by the 12-pounder, which was the anti-torpedo-boat gun for battleships from the “Majesties” to the “Dreadnought,” the 12-pounders mounted in the “King Edwards” and the “Dreadnought” being of a longer and heavier type, giving a higher muzzle velocity. The introduction of a larger gun has, however, been considered desirable, and a 4-in. gun of new type is mounted in the later “Dreadnoughts,” while in the older battleships and large cruisers with secondary armaments it is considered by many officers that the 6-in. guns will prove to be the most effective weapon against torpedo craft. The gun armament of destroyers being required to answer much the same purpose as the anti-torpedo-boat armament of large ships, namely, to disable hostile torpedo craft, the type of gun used has followed a similar line of development.
Starting with 6-pounders in the first destroyers built, the majority of the new destroyers have a fixed armament consisting of one 12-pounder forward, and four 6-pounders. This armament has been changed in the larger destroyers to one of 12-pounders only, while the latest ocean-going destroyers have two 4-in. guns. Owing, however, to the strength of the decks of such craft being insufficient to withstand the stresses set up by the discharge of a gun giving very high muzzle velocity, the 4-in. gun for use in light craft is one giving 2300 ft. per second muzzle velocity only and has a very long recoil. The 6-pounder and 3-pounder Q.F. guns are no longer being mounted as part of the armaments of modern ships. A very high rate of fire was attained in the “semi-automatic” mounting of the 3-pounder, which was last fitted in the “Duke of Edinburgh” class, but for reasons already given guns of this type are no longer required, and the 3-pounder is retained only as a boat gun for sub-calibre practice.
All double-banked pulling boats and all steam-boats are fitted with arrangements for mounting one or two guns, according to the size of the boat; the object of the boat armaments being for use in river operations, for covering a landing, or in guard-boats. Three descriptions of gun are used, the 12-pounder 8 cwt. and 3-pounder, light Q.F. guns, and the Maxim rifle-calibre machine gun.
Gun-Mountings.—Gun mountings in the British navy may be divided broadly into two classes, power-worked and hand-worked mountings. The former class includes the mountings of guns of all calibres mounted in turrets or barbettes, also of 9·2-in. guns mounted behind shields; the latter class includes mountings of guns of all sizes up to the 7·5-in. which are mounted in batteries, casemates or behind shields.
Hydraulic power has been adopted almost universally in the British navy for power-worked mountings, although electricity has been experimented with, and has been largely applied in some foreign navies. The principal advantages of hydraulic, as compared with electric, power are its comparative noiselessness and reliability, and the ease with which defects can be diagnosed and rectified. On the other hand, electric power is more easily transmitted, and is already installed in all ships for working electric light and other machinery, whereas hydraulic power, when used, is generally installed for the purpose of working the guns only. The 12-in. guns in the “Majestic” class, following the practice with the earliest heavy B.L. guns, were loaded normally at extreme elevation of 131/2°, and the turret had to be trained to the fore and aft line and locked there for each occasion of loading. An alternative loading position was also provided, in which the guns could be loaded at 1° of elevation and with the turret trained in any direction. Loading in the alternative position could, however, only be continued until the limited supply of projectiles which could be stowed in the turret was exhausted. Experience showed that a greater rapidity of fire could be obtained by the use of this “all round” loading position, as it was termed, and in the latest ships of the “Majestic” class, and in subsequent battleships, the fixed loading position has been abandoned.
The details of recent 12-in. mountings vary considerably, a drawing of one of the most recent being shown in fig. 91, for which thanks are due to Messrs Vickers, Sons & Maxim, but in the majority of cases there is a “working chamber” revolving with the turret. A fixed ammunition hoist brings the shell and cartridges from shell-room and magazine respectively into the working chamber, where they are transferred to a cage which takes them up, by hydraulic power, to the rear of the gun. The gun is strapped by steel bands to a cradle (see fig. 91) which moves in and out along a slide on recoil, the gun always remaining parallel to the slide. Gun, slide and cradle are pivoted for elevation on trunnions carried in trunnion bearings fixed to the structure of the turret, and the whole moving weight is balanced with the gun in the “run out” position. The recoil of the gun on firing is taken up by a hydraulic press placed underneath the slide, and the gun is run out again into the firing position by hydraulic power. Loading is carried out by means of a hydraulic rammer, with the gun in the “run out” position, and at an angle of elevation which varies with different mountings. In the most recent mountings loading can be carried out with the gun at any elevation, thus affording considerably greater facility to the gunlayer for keeping his sights on the target during the process of loading, and so increasing the rate of fire by enabling the gun to be discharged immediately the loading operations are completed. Elevating is by hydraulic power, and is effected by cylinders placed underneath the slide, the pistons working on an arm projecting downwards. Turret turning engines are also hydraulic, and much attention has been given of late years to the perfection of elevating and turning gear such as will enable the turret or gun to respond instantly to the wish of the gun-layer, and to move either with considerable rapidity, or very slowly and steadily as would be the case when following a target at long range and with but little motion on the ship. The breech is opened and closed by hand or by hydraulic power, and a douche of water or blast of air, or a combination of both, removes any smouldering fragments of cordite or cartridge material before a fresh round is loaded.
| From a drawing supplied by Messrs. Vickers, Sons & Maxim. | |||||||
| Fig. 91. — Diagram of 12-in. Gun Mounting, “Dreadnought” type. | |||||||
| A, | Roller ring. | K, | Elevating presses. | R1, | Transferring rammer pro- | R3, | Transferring chamber. |
| B. | Gun slide. | L. | Guide rail for loading cage. | jectiles from trunk cage to | R4, | Training rack. | |
| C, | Recoil buffer. | N, | Trunk cage. | gun-loading cage. | R5, | Training engine. | |
| D, | Gun cradle. | P1, | Breech block in open position. | R2, | Transferring rammer for | S, | Rotating trunk. |
| G, | Rammer. | P2, | Breech operating hand | powder charges from trunk | T, | Turntable. | |
| H, | Loading cage. | wheel. | cage to gun-loading cage. | W, | Casing for chain rammer. | ||
Although there is little difference in principle between the arrangements of the mountings in the later “Majestics” and those in the “Dreadnought,” improvements in detail have enabled the interval between successive rounds to be reduced from about 55 seconds in the former case to 25 or 30 seconds in the latter.
In the turrets containing 9·2-in. and 7·5-in, guns, which exist in most British armoured and first-class protected cruisers, the moving weights are, of course, not so large, and, as might be expected, the assistance of hydraulic machinery is not necessary in so many operations. A drawing of a typical 9·2-in. gun and mounting is shown in fig. 92.
Training the turret and elevating the guns are, however, in all cases performed by hydraulic power, as is the raising of the projectiles to their place on the loading tray in rear of the gun, but the breech is opened and closed, and the charge and projectile rammed home, by hand power only, while the gun, after recoil, is forced out again to its firing position by means of springs. A ready supply of thirty-two projectiles is stowed in a “shell carrier,” which is a circular trough running on rollers round the turret, but independently of it. When a projectile is required to be loaded into the gun, the shell carrier is rotated until the required projectile is under a hatch in rear of the gun, when the projectile is raised by a hydraulic press on to a swinging loading tray. It is intended that the shell carrier shall be replenished direct from the shell-room during the pauses of an engagement. A new type of 9·2-in. mounting has been installed in the “Lord Nelson” and “Agamemnon,” in which greater use is made of hydraulic power with a view to improving rapidity of fire. In this mounting, each projectile is brought up from the shell-room as it is required, and the loading operations are performed by hydraulic power instead of by hand.
The “King Edward VII.” class of battleships and “Duke of Edinburgh” class of cruisers are the last ships in which any 6-in. guns have been mounted, and with the exception of the 7·5-in. guns in the “Triumph” and “Swiftsure,” these are the largest guns which are worked entirely by hand. Other hand-worked guns are the 4-in. and 12-pounder, which are mounted in small cruisers and destroyers.
The principles of the 6-in., 4-in. and 12-pounder mountings are similar. The rear part of the gun is partially enclosed in a metal cradle, which carries the recoil cylinder and running out spring box. The gun and cradle are balanced for elevation about trunnions on the cradle, which fit into trunnion bearings on the carriage. The latter carries the elevating and training gear, and the whole moving weight is borne by a pivot pin which rotates on a ball bearing. The gun recoils in the line of fire, and the energy of recoil is absorbed by means of the recoil piston, whose rod is secured to the gun, passing over a valve key secured to the cradle, in such a way as to produce a channel of varying sectional area through which the liquid in the recoil cylinder must pass from one side of the piston to the other. Springs run the gun out again after firing into its original position. The breech is opened by the single motion of a hand lever. A “bare” charge is used in the 6-in. and 4-in. guns, with the de Bange type of obturation, while a brass cartridge case has been retained with the 12-pounder, as with the earlier Q.F. guns.
Firing is by electricity, percussion being available as an alternative if required, and the current is usually taken off the dynamo mains of the ship.
Sighting.—The great advances recently made in accuracy of fire have been rendered possible, to a very great extent, by, the use of telescopic sighting apparatus. Arrangements are made in all modern sights for the bars or disks which carry the range graduations to be of considerable length or diameter respectively, in order that no difficulty may be found in adjusting the sights for every 25 or 50 yds. of range. In the larger hand-worked mountings, where the laying of the gun for elevation and for direction is effected by two men on opposite sides of the gun, the sights used by them are “cross-connected,” i.e. connected by rods and gearing to one another in such a way that, initial parallelism of the axes of the two telescopes having been secured, the adjustments to one sight made by the sight setter are simultaneously effected at the sight on the opposite of the gun.
| From a drawing supplied by Messrs Vickers, Sons & Maxim. | |||||
Fig. 92.—Diagram of a 9·2-in. Gun and Mounting, “Hogue type.” | |||||
| A, | Roller ring. | G, | Elevating press. | P2, | Breech operating hand- |
| B, | Recoil buffer. | H, | Shell-lifting press. | wheel. | |
| C, | Gun cradle slide frame. | K, | Fixed armoured trunk. | R1, | Training rack. |
| D, | Loading tray. | L, | Radial shell-lifting crane. | R2, | Training engine. |
| E, | Shell carrier. | M, | Axial powder hoist. | T, | Turntable. |
| F, | Pressure water pivot pipes. | P1, | Breech block. | U, | Powder door. |
In practice with the 6-in. and 4-in. guns, one man is responsible for the laying of the gun for direction, and has consequently only to think about the coincidence of the vertical cross-wire with the target, while another man, who also fires, keeps the gun laid for elevation, and is responsible only for the coincidence of the target with the horizontal cross-wire. The 12-pounder has one sight only, one man being considered sufficient to keep the gun laid for elevation as well as for direction, and to fire. It is essential that the sights shall be unaffected by the recoil of the gun, so that they can be adjusted up to the moment of firing by the sight-setter, and that it shall not be necessary for the gunlayer to remove his eye from the telescope while the gun is being fired and reloaded. It is also essential that the sights shall move automatically in elevation and direction with the gun. These two requirements are easily met in the hand-worked mountings by the attachment of the sights to the cradle, which does not move on recoil, and remains constantly parallel to the gun; but in turret mountings the case is more complicated and involves greater complexity of gearing.
The older turret sighting arrangement consisted of two horizontal shafts, one for each gun, running across the turret, which were rotated by pinions gearing into racks underneath the gun-slides, the latter remaining of course always parallel to the guns. Pinions keyed to these shafts geared in their turn into racks formed on vertical sighting columns in the sighting positions, these columns, which carried the sighting telescopes, accordingly moving up and down with the guns. With this arrangement an appreciable amount of backlash was found to be inevitable, owing to the play between the teeth of the several racks and pinions, and to the torsion of the shafts, and the arrangement was also open to the objection that the telescopes were much exposed to possible injury from an enemy’s fire. These defects have been very largely obviated by the “rocking motion sights,” which have been fitted in the turrets of the latest British battleships and cruisers. In these sights a sight-bracket is secured to and rotates with the trunnion of the mounting; the sight-carrier and telescope move along the top of the sight-bracket, on a curved arc of which the trunnion is not the centre. When the sight is at zero, the telescope is parallel to the axis of the gun, while to adjust the sight, the sight-carrier with telescope is moved along the curved arc by means of a rack and pinion a distance corresponding to the graduations shown on the range dial, which is concentric with the pinion.
Organization.—The organization of a large ship for action is necessarily highly elaborate. Among the officers, next to the captain, the most important duties are probably those of the fire control officer. He is in communication by telephone or voice tube with each of the several units composing the ship’s armament. This office is usually filled by the gunnery lieutenant. In the conning tower with the captain is the navigating officer, who attends to the course and speed of the ship, assisted by petty officers to work the wheel and engine-room telegraphs. The torpedo lieutenant, or another officer at the torpedo director, is also in the conning tower, prepared to fire the torpedoes if opportunity offers. Other officers of the military branch, and marine officers, are in charge of various sections of the “quarters.”
The rate of advance in naval gunnery has been much accelerated since 1902. The construction of the “Dreadnought,” which embodied a new principle both in nature and disposition of armament, the rise of the United States and Japanese navies to the first rank, and the practical experience of the Russo-Japanese war, were all factors which contributed to the increase of the normal rate of advance due to progress in metallurgy and engineering science. In the British as well as in other navies, notably those of Germany, the United States and Japan, ever-increased attention is being devoted to the attainment of a rapid and accurate shell-fire, and large sums are being expended upon fire control instruments and elaborate aiming and sighting appliances. Size of armaments, power of guns, resistance of armour, efficiency of projectiles, and, above all, rapidity and accuracy of fire, all seem to be advancing with giant strides. But there are two important ingredients of naval gunnery which are not subject to change: the human factor, and the factor of the elements—wind, sea and weather. The latter ensures at any rate one datum point to the student of the science, that is, that the extreme range in action is limited by the maximum distance at which the enemy can be clearly seen, which may be considered to be a distance of 8000 to 10,000 yds. The permanence of the human factor assures that, however great the advance in material, and, provided that no great discrepancies exist in this respect between opposing navies, success at sea will be the lot of the nation whose officers are the coolest and most intelligent, whose men are the best disciplined and best trained, and whose navy is in all respects the most imbued mth the habits and traditions of the sea. (S. Fr.)



























