United States patent 1108529
| C. R. Underhill. Telegraph System. |
||
| 1,108,529 | Patented Aug. 25, 1914. 9 SHEETS-SHEET 1. | |
![]() | ||
![]() |
||
| C. R. Underhill. Telegraph System. |
||
| 1,108,529 | Patented Aug. 25, 1914. 9 SHEETS-SHEET 2. | |
![]() | ||
![]() |
||
| C. R. Underhill. Telegraph System. |
||
| 1,108,529 | Patented Aug. 25, 1914. 9 SHEETS-SHEET 3. | |
![]() | ||
![]() |
||
| C. R. Underhill. Telegraph System. |
||
| 1,108,529 | Patented Aug. 25, 1914. 9 SHEETS-SHEET 4. | |
![]() | ||
![]() | ||
![]() |
||
| C. R. Underhill. Telegraph System. |
||
| 1,108,529 | Patented Aug. 25, 1914. 9 SHEETS-SHEET 5. | |
![]() | ||
![]() | ||
![]() | ||
![]() |
||
| C. R. Underhill. Telegraph System. |
||
| 1,108,529 | Patented Aug. 25, 1914. 9 SHEETS-SHEET 6. | |
![]() | ||
![]() | ||
![]() | ||
![]() |
||
| C. R. Underhill. Telegraph System. |
||
| 1,108,529 | Patented Aug. 25, 1914. 9 SHEETS-SHEET 6. | |
![]() | ||
![]() | ||
![]() |
||
| C. R. Underhill. Telegraph System. |
||
| 1,108,529 | Patented Aug. 25, 1914. 9 SHEETS-SHEET 8. | |
![]() | ||
![]() |
![]() | |
![]() |
||
| C. R. Underhill. Telegraph System. |
||
| 1,108,529 | Patented Aug. 25, 1914. 9 SHEETS-SHEET 9. | |
![]() | ||
![]() |
||
United States Patent Office.
Charles R. Underhill, of Providence, Rhode Island, Assignor to Underhill Telegraph Translator Company, of Jersey City, New Jersey, a corporation of New Jersey.
Telegraph System.
| 1,108,529. | Specification of Letters Patent. | Patented Aug. 25, 1914. |
Application filed August 25, 1904. Serial No. 222,041.
To all whom it may concern:
Be it known that I, Charles R. Underhill, a citizen of the United States, and a resident of Providence, in the county of 5Providence and State of Rhode Island, have invented certain new and useful Improvements in Telegraph Systems, of which the following is a specification.
This invention relates to a telegraph system,10 and particularly to a wireless telegraph system. Its main object is to provide an improved means for transmitting signals of a signal-code system and converting them into corresponding characters of another 15system, and particularly to transmit signal-code characters through a natural medium and convert them into characters of another system, such as letters, figures, etc., of a language.
20My present invention is in the nature of an improvement upon that shown, described and claimed in the patent granted to me August 2, 1904, No. 766,474, for a receiving telegraph instrument capable of translating 25the characters of a telegraph code into letters, figures, and words by the analysis of the signal components of the code characters sent and the translation of these into representative movements or functions capable of 30forming a plurality of different combinations each corresponding to a different letter, figure or other language character.
This invention is also in the nature of an improvement upon that shown, described 35and claimed in the application filed by me August 4, 1904, Ser. No. 219,541, for improvements in the art of and apparatus for electrical signaling, in which there is disclosed a method of transmitting electrically 40the signals of a telegraph code and converting elements of the signals sent into modified signal elements at the receiving station, the particular object of such invention being to permit the transmission through a natural 45medium of interrupted electrical disturbances or vibrations in the form of signals and the translation of such interrupted signals into continuous signals—such as continuous dots and dashes—at the receiving 50point. The invention set forth in said application does not, however, provide specifically for the transmission of signals of a signal-code system through a natural medium and the translation of such signals into corresponding55 characters of another system—such for example as the characters of language—but only provides specifically for the translation of such characters into modified signals of the same system, that is, into 60modified electrical signals.
As to the principal feature thereof, this invention is an improvement upon both of those set forth in said prior patent and application, in that it extends and combines 65the principle of translation of signals into letters and words set forth in said patent, and the principle of translating interrupted vibrations or wireless signals into continuous electrical signals suitable for transmission70 on telegraph line wires, and permits the application of these combined principles to the purposes of wireless telegraphy and the utilization of these two principles of translation for the purpose of first converting75 the interrupted disturbances or vibrations constituting wireless signals into modified or continuous signals capable of operating instruments in ordinary telegraphic line-wire circuits, and then converting such 80modified or continuous signals into corresponding letters, figures, etc. By combining these principles I am enabled by means of a system such as is disclosed herein, and particularly by the use of a receiving instrument85 of the type illustrated, to transmit wireless messages by means of wireless transmitting apparatus of well-known types and print such messages either at the main receiving station or at any number of substations90 near to or remote from the main station and connected therewith by the line wires of ordinary land lines.
The principal means which renders it possible to convert wireless signals into letters, 95figures, etc., is a receiving instrument substantially of the type disclosed in my said prior patent, that is, it is a translating receiver controlled by combinations of signals representing the respective code characters 100of a telegraphic code and controlling by analysis and synthesis the selection of devices representing the characters of ordinary language, these devices being selected by the receiving instrument when the representative105 groups of signals corresponding to their code characters are received by the instrument. The operation of such a receiving instrument as that set forth in said patent is dependent upon the analysis of the telegraphic code characters and the 110conversion of the components or signals of these code characters into representative functions or movements, the sum of which movements for any code character represents, and controls the selection of, a corresponding115 letter, figure or other language character. An important feature, however, which distinguishes any improved receiving instrument from that disclosed in said prior patent is that each series of signals 120contained in a code character, beginning with the first signal of the character, has a characteristic movement, these movements being of successively increasing values for the different series of signals. Because of this 125every code character representing a letter, figure, etc. is instantly convertible into another and different character selected by adding to the sum of the movements representing the first code character a movement 130representing the additional signal element of the other code character.
The machine used in the present system, as well as that disclosed in my prior patent, is preferable on in which the selection of 135each letter, figure or other character of the language into which the telegraphic signals are to be converted is determined by the number of signal components in each code character, by the value of each such 140component, and by the position of each component with respect to the others of its code character. In the ordinary telegraphic codes, most of the code characters are composed of combinations of two electric signals 145separated by breaks in the circuit, these two signals being of different values, that is, having different time-constants. In the Morse code two other electrical signals are used and messages transmitted by the Morse 150system have four different electrical signals the time-constants of which are of four different values, each of which signals, in my invention, is utilized to control a different function or movement, each of which 155functions or movements is the representative of its particular electrical signal. These functions or movements is the representative of its particular electrical signal. These functions or movements have such relative values that when they are combined each combination will have a different characteristic or 160value from every other and will be representative of a different letter, figure or other character of the language into which the code characters are to be translated. Each of these electrical signal components of the 165code characters is preferably represented by a different character-selecting component, and the character-selecting components will usually be arranged in rows or groups which rows or groups correspond in number to the maximum number of signal components of any of the code characters, the 170maximum number of signal-components in any character of the Morse code being six, whether such components be dots or dashes or a combination of dots and dashes. For the purpose175 of choosing character-selecting components corresponding to the positions of the electrical signal components constituting the different code characters, a selector is preferably employed which has a traveling180 or step-by-step movement, the subdivisions or steps of which movement correspond to the periods or positions of the different signals of the code characters. This selector will be returned to normal or zero185 position after the reception of each code character, regardless of the number of signals constituting such code character, and hence regardless of the number of steps such selector has advanced. In order that a telegraphic190 message may be properly translated into corresponding language characters, words and sentences, it is important to consider the complementary or non-electrical components of the code-characters—that is,195 the breaks in the circuit between the dashes, etc.—and to consider the relative values of these breaks, and in my system the lengths or time-constants of these breaks are employed to govern the selection of such space or other200 device as it may be necessary to operate in order properly to separate letters, words and sentences. I therefore employ as the preferred means for translating into language characters telegraphic messages sent either205 through a natural or an artificial medium, a receiving instrument containing selecting means having two sets of opposite or reciprocal functions, one function being the control or selection of one or more devices210 governed by one signal element and by the time-constants thereof, and the other function being the control or selection of one or more devices governed by the complementary signal element and by the 215time-constants thereof, every function or operation necessary to the analysis of a telegraphic message and to the conversion of it into terms of language being governed in substantially the manner disclosed in said prior220 patent by some one of these reciprocal and differential controlling or selecting functions of a translating receiver operable by every combination of signals capable of being telegraphically transmitted to represent225 a message.
Other features of the present invention relate to improvements in the analytic mechanism for separating the various code characters into their constituent elements;230 to synthetic mechanism for choosing character-selecting components corresponding to such constituent elements or components of the code characters received, and for combining such character-selecting components to235 determine the selection of a letter, figure or other. language character corresponding to the code character received; to means for controlling various electric circuits and electrically240 controlled elements of the receiving instrument; and to certain other combinations of devices—all of which will be hereinafter described and claimed and are illustrated in the accompanying drawings, in 245which—
Figure 1 is a plan of an improved receiving telegraph instrument embodying means for effecting two translations of the transmitted signals, first into modified signals of 250a similar character, and second into characters of another system. Fig. 2 is an enlarged plan, partly in section, of the 255synthetic mechanism of such receiving instrument Fig. 3 is an end elevation of said synthetic, mechanism, looking from the left in Fig. 2. Fig. 4 is a transverse section of the 260same, the section being taken in the line A—A, Fig. 2, looking in the direction of the arrow. Fig. 5 is a transverse section of the same, the section being taken in the line Fig. 2, looking in the same direction. Fig 6 is a transverse section of the same, the section being taken in the line C—C, Fig. 2, through the printing mechanism and 265looking in the same direction. Fig 7 is an underside view of the selecting means controlling the selection of characters represented by the longest electrical signal elements in the Morse code. Fig 8 is a sectional detail of 270certain parts which will hereafter be described, the section being taken in the line D—D, Fig. 2, looking in the direction of the arrow. Fig. 9 is a detail, partly in section, of a portion of the printing mechanism and 275the parts associated therewith, the upper portion of the synthetic mechanism being removed for clearness. Fig. 10 is a detail illustrating in longitudinal and elevation various elements of the synthetic 280mechanism and the devices for controlling the movements thereof, the section being taken in the line E—E, Fig. 2, looking in the direction of the arrow. Fig. 11 is a detail of a portion of the escapement 285mechanism for imparting a step-by-step movement to the main selector, one movement for each impulse of a code character. Fig. 12 is an enlarged plan of the analytic mechanism. Fig. 13 is an elevation of the same, looking 290from the left in Fig. 12. Fig. 14 is a sectional elevation of the same, looking from the underside in Fig. 12. Fig. 15 is a detail illustrating the contacts representing the time-constants of complementary signal 295elements or components of different lengths. Fig. 16 a diagrammatic view illustrating the positions of the character-selecting components of the synthetic mechanism and the combinations corresponding to letters, 300figures and other language characters. Fig. 16 is a diagrammatic view illustrating the positions of the character-selecting components of the synthetic mechanism and the combinations corresponding to letters, figures and other language characters. Fig. 17 is a digrammatic view of a wireless telegraph system embodying the various elements of my present invention.
Similar characters designate like parts in all the figures of the drawings.305
Considering first my improved wireless telegraph system as a whole and referring particularly to Fig. 17, any suitable means may be employed at the sending station for transmitting through a natural medium310 electrical impulses, vibrations or disturbances,and any suitable means responsive to such signals may be employed at the receiving station. In this figure 1 and 2 represent the usual antennæ or corresponding elements at315 the transmitting and receiving stations respectively At the transmitting station there will be provided suitable means for producing and transmitting in the form of signals artificially formed electrical impulses, vibrations320 or disturbances, the devices shown being a transmitting key 3 connected in circuit with a source of energy or battery 4 and with an induction-coil 5 having the usual vibratory circuit-maker-and-breaker 6, a325 condenser 7 and the usual spark-gap 8 between a pair of spheres. At the receiving station there is employed a device responsive to electrical impulses, vibrations or disturbances transmitted through a natural medium,330 the device shown herein being the usual coherer 9 connected with the antenna 2 and with ground and controlling a local circuit including a source of energy, usually a single cell 10, said circuit also having therein335 a relay magnet 11 which governs one or more other local circuits by means of which receiving apparatus proper is operated. The relay magnet 11 operates a switch 12 governing an electric circuit containing a340 source of energy or battery 13, this circuit including in the present case a controlling device such as the relay magnet 14. This relay magnet in turn governs the operation of a circuit-controller or switch 15, which in345 the present construction is adapted to control a pair of contacts, such as 16 and 17, and thus control the circuits of a pair of controlling devices, one of which is a decohering device, such as the tapper 18, and the other350 of which is a relay magnet 19 for controlling the operation of suitable means for translating electrical signals of one character into modified electrical signals, this modification being preferably effected, as before 355indicated, by converting interrupted electrical vibrations representing dots or dashes of a telegraphic code into continuous signals, that is, continuous dots and dashes. It will be noticed that the decohering device 18 and 360the relay magnet 19 for controlling the first translating means are in this construction connected in parallel branches of the same circuit which circuit, contains a suitable source of energy or battery 20. The 365ar-rangement of the branches of this circuit is similar to that shown in my prior application before referred to. except as to the closing of the breaks for the two parallel 370branches of the circuit. In all of the circuits thus far described and in all the elements contained therein up to and including the relay magnet 19, the signals are of the same general character, that is to say, they are 375formed by impulses of varied electrical character, the variation being introduced by the vibratory interruptions separating successive electrical vibrations.
In wireless telegraph systems as heretofore380 operated the signals sent are made up of interrupted electrical vibrations, and these signals are received and recorded substantially without change, vibratory breaks in the signals transmitted being reproduced 385at the receiving point both electrically and in the movements of the mechanically-operated parts of the receiver. In the present system, however, I make use of means at the receiving station for so modifying the 390signal elements of the signals received as to convert the transmitted signals into signals of different character, this conversion being effected, when the signals sent are made up of electrical vibrations, by 395eliminating from the receiving apparatus all the operations ordinarily resulting from vibratory interruptions in the transmitted signals. This modification or elimination of certain signal elements constitutes the first 400translation of the signals transmitted and may be effected in various ways, but I prefer to employ at the receiving station means for closing a local circuit each 405time that an electrical vibration is received, that is, each time that the receiving apparatus responds to a transmitted electrical 410vibration, and to maintain such local circuit closed during the time interval represented by the vibratory interruption which follows an electrical 415vibration. By controlling a local circuit at the receiving point in this manner all vibratory interruptions of the circuit may be eliminated from the signals received, and by selection all interruptions in the 420transmitted signals of longer duration than the vibratory interruptions may be reproduced in the local circuit. Thus, for example, if characters of the Morse or other telegraphic code are being transmitted, the dots, dashes, 425etc., of such code will usually be broken up, and each dash (and sometimes each dot) will consist of a series of smaller dashes or dots separated by breaks, these smaller dashes or dots representing the electrical 430vibrations transmitted and the breaks representing the vibratory interruptions. Such a series of vibrations and vibratory interruptions constituting a dash will have a determined time-constant, just as in telegraphing435 with wires, the dots and dashes have determined time-constants which differ from each other or from one another; and in wireless telegraphy the time-constant of each dot or dash element of a signal, and the time constant of each break following a dot or440 a dash will be substantially the same as in telegraphing over line wires. By providing suitable means for holding a local circuit closed during the time interval represented by a vibratory interruption of an electrical445 impulse and for causing such local circuit to be opened when the interruption is of longer duration, each series of electrical450 vibrations and vibratory interruptions representing a dash (or a dot) may be reproduced455 in the local circuit as a continuous electrical impulse having a time-constant equal or corresponding to the sum of the time constants of the series of electrical vibrations and vibratory interruptions transmitted.460
The means for converting or translating each series of electrical vibrations and vibratory interruptions transmitted from one point to a distant point into a corresponding465 signal of a different electrical character is the principal element which has made it possible to apply the translating principle disclosed in my aforesaid patent to wireless telegraphy, and is therefore the principal470 element which has made it possible for me to produce a wireless telegraph system capable of transmitting rapidly-interrupted electrical vibrations in the form of signals and converting them into, and recording475 them as, letters, figures and other characters of language. The devices shown herein represent but one of the various means that may be employed for automatically converting or translating electrical signals of480 one character into corresponding electrical signals of a different character, but such devices are a simple means for accomplishing this result and are capable of effecting such translation in the most desirable manner485 now known to applicant. The devices shown comprise a switch which is electrically operated in one direction by the electrical impulse. received and is operated in another direction and at a different rate of490 speed by independent means. The switch shown constitutes in this construction one element of a relay, the armature of the relay being secured to the switch and being attracted each time that the coils of the relay495 magnet are energized by an electrical vibration. The return movement of this switch is in this case relatively slow and regular, the means for imparting a return stroke to the switch being effective for this purpose500 only on the interruption of an electrical signal. I prefer to impart a return stroke to the switch by coupling it intermittently to a continuously movable driver, such as a continuously-rotative driver, movable at a505 substantially constant speed, the switch and the driver being coupled in such a manner that the pull of the magnet will be effective to release the switch instantly from the 510driver when the magnet is energized, and the rotary driver being so combined with the switch as to begin to operate the latter immedately on the deënergization of the magnet. This will be better understood by 515referring to Figs. 1 and 9, in which 21 represents the armature of the relay magnet 19, which magnet, as before stated, governs the operation of the first translating mechanism. This armature is secured in this case to one 520arm of an angle-lever 22 pivoted about the axis 23 of a rotary driver 24, which in this case is a worm-gear forming the terminal member of a train of worm gearing driven from a common driver 25, which will be 525rotated in one direction of a substantially constant speed by any suitable means, this driver being preferably the armature-shaft of a small electric motor 26, the direction of rotation of such armature shaft being 530indicated in {{spl2|1|Fig. 1|#S1} by an arrow. The initial member of the train of worm gearing operated by this main driver 25 is a worm 27 and the intermediate elements are a worm gear 28 in mesh with the worm 27, and the 535worm 29 in mesh with the worm gear 24. The object of this gearing is to reduce the speed of the main driver 25 to a very slow rotary movement of the worm gear 24 with which the angle-lever 22 directly coacts. 540The angle-arm or lever 22 constitutes one element of a switch the main member of which is a spring-arm 30, preferably insulated from the lever 22 and coacting with a contact 31 constituting a terminal of a circuit 545controlled by switch-arm 30. In this case the switch is adapted to he coupled to the worm-gear 24 by a frictional connection. Between this arm 22 and the worm gear 24 a frictional connection (not shown in 550detail) may be interposed for the purpose of coupling these parts together, or any other suitable means may be employed for effecting this result. The parts shown are the same as those illustrated in my 555prior application hereinbefore mentioned. This frictional connection should always be so adjusted as to permit the arm 22 to slip when the armature 21 is attracted by the relay magnet 19 and also when the long arm of the 560angle-lever 22 comes in contact with the stop 32. The worm great 24 travels slowly in the direction indicated by the arrow in Fig. 17 and hence begins to return the armature 21, the lever 22 and the switch-arm 30 565to their normal positions show in said view as soon as the relay magnet 19 is deëergized. This slow and regular return movement of these parts will be variable in extent, and the length of the movement will 570depend upon the length of the time-constant of the interruption of the signals received. If the break in the circuit is the vibratory interruption which separates successive electrical vibrations the parts 21, 22°and 30 will have only a partial stroke, and the switch-arm575 30 will remain in engagement with the contact 31. If, however, the interruption is of longer duration, as for example, the interruption following a dot or a dash of the Morse or other telegraphic code, the parts580 21, 22 and 30 will move a greater distance corresponding to the greater length of the time-constant of such break as compared with the time-constant of the vibratory interruption. Usually on the reception of a585 break following a dot or a dash the worm gear 24 will carry the parts 21, 22 and 30 with it until the long arm of lever 22 is in contact with the stop 32, by which time the contact-arm 30 will have moved away590 from the contact 31 and will have broken the local circuit.
The circuit or circuits controlled by the switch-arm 20 differ from the circuits before described for controlling said switch-arm in that they transmit electrical signals corresponding to but of different character from those traversing the circuits which include the sources of energy 4, 10, 13 and 20. The circuit controlled by tho switch-arm595 30 and the contact 31 is in this case a simple one, including only a source of energy 33 and a suitable controlling device, such as the relay magnet 34. This circuit governs the operation of devices for 600properly receiving an incoming message, all of these devices preferably being embodied in and forming part of the receiving instrument proper which constitutes the second translating mechanism and is capable of605 converting the modified or continuous electrical signals into letters, figures and other characters of language substantially in the manner hereinbefore described and substantially as disclosed in my prior patent 610aforesaid. This second translating mechanism is preferably a recording translator. capable of printing on a record medium the characters of language into which signals are converted, and ever movement thereof is 615controlled in this construction by the relay magnet 34, said relay governing the operation of a circuit-controlling device, of any suitable type, for making and breaking the circuit of the second translating mechanism to represent continuous signal elements of the code characters of a telegraphic code. This circult-controller may be of any suitable type, and it is illustrated herein as the armature lever 35 of a sounder 26, this 620device having been used by me, in my early experiments, for this work, as a matter of convenience. This armature lever, when the relay magnet 34 is energized, closes the main break in the circuit of the second 625trans-lating mechanism, this break being between the contacts 37. Whenever this break is closed the second translating mechanism will be brought, into action and will choose a 630character-selecting component corresponding in length and position to the electrical signal received and also corresponding to the time-constant of such signal; and whenever the circuit between the contacts 37 is broken 635after being thus made the second translating instrument will also be operated to select a function or movement corresponding to a break in the circuit and to the time-constant of such break.
640Referring now particularly to Fig. 1 and to Figs. 12 to 15 inclusive, it will be seen that in the first of these views all of the parts. of the first and second translating mechanisms are as a matter of convenience 645mounted on a common base 38 and constitute in this embodiment of the invention a single receiving apparatus or instrument. The main sub-mechanisms mounted on the base-plate 38 are the first translating 650mechanism, the details of construction of which have been hereinbefore described and which is designated generally by 39; the sounder 36 just referred to; the motor 26 which will preferably control both the first translating 655mechanism and the analytic portion of the second translating mechanism the analytic mechanism which constitutes one of the two main elements of the second translating mechanism and is designated generally by 66040, the synthetic mechanism which constitutes-the second main element of the second translating mechanism and is designated; generally by 41, and certain other devices such as switches, fuse-blocks and resistances 665contained in various portions of the local circuits of the receiving instrument. Each of these main elements is here shown as an independent sub-mechanism or device, all of the larger elements being mounted on 670their own sub-bases and secured to the main base 38.
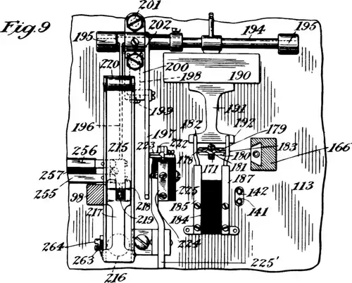
The first element of the second translating mechanism to be operated by the continuous signals converted by the first 675translating mechanism 39 is the analytic mechanism 40, the details of which are shown most clearly in Figs 12 to 15 inclusive. This analytic mechanism is similar in function to that shown in my aforesaid patent, 680but the construction is different and the analysis of the incoming signals is performed more perfectly. Two selectors are employed, one of which is controlled by one of the signal components or elements 685and the other of which is controlled by the complementary signal component or element, one of said selectors being operated in this case-each time that a make of the circuit is received by the analytic mechanism, and 690the other selector being operated each time the circuit is broken after the reception of such impulse. These two selectors operate reciprocally and each one has a variable movement the length of which is dependent upon the time-constant of the make or break695 of the circuit by which it is brought into action. For the purpose of operating each of these selectors a distance corresponding to the time-constant of its controlling signal element I prefer to employ, as in my aforesaid700 patent, a driver moving at a substantially constant speed, and suitable means for connecting each selector and the driver on the reception of the signal element controlling. such selector. In the machine705 shown in these drawings this driver is a feed-screw 42. It may be rotated continuously at a substantially constant speed: in any suitable manner, and in this case is fast on a shaft 43 journaled in a pair of uprights710 in the form of plates 44 and 45, the shaft being driven from the armature shaft of the motor 26 by suitable connections, such as band-wheels 46 and 47 connected by a crossed belt 48. This feed-screw 42 is of sufficient715 length to operate the selectors distances corresponding to the time-constants of their signal components of greatest lengths and preferably has a plurality of coarse screw-threads with any one of which a selector720 may engage when brought into action. By means of this feed-screw a relatively rapid rotation of the driving means, imparted to the feed-screw as a rotary movement is converted into-a relatively slow feed movement725 by the screw-threads. The selectors which employ in this machine are preferably reciprocatory in straight lines and slide back and forth on guides parallel with the axis of rotation of the feed-screw 42. These guides730 ere shown at 49 and 50 as rods rectangular in cross section but pivoted at their ends so as to be capable of oscillation. In order to permit freedom of movement of these guides I prefer to support them on needle-bearings,735 needle-pointed screws 51. and 52 being shown for this purpose, these screws being passed through uprights 44 and 45. On the rectangular or squared portions of the guides 49 and 50 are mounted the selectors, which are740 designated generally by 53 and 54. The first of these is brought into engagement the 745feed-screw 42-each time that an impulse is received, and the second brought into engagement with the feed-screw and the first is shifted out of action when the complementary signal element, or break, is received. In the construction illustrated, each of these selectors has two main elements, one of which is a feed 750element or feed-arm adapted to coact directly with the threads of the feed-screw 42, and the other of which is the selecting element proper and is in the form of a contact-arm adapted to sweep over a series of contacts755 or equivalent elements and select a particular one corresponding to the signal element by which the selector is brought into action. The feed elements of the selectors 53 and 54 760are designated respectively by 55 and 56 and are here shown here as fingers having hubs formed with squared openings fitting the square guides 49 and 56 and adapted to travel therealong freely but without turning 765thereon. At points adjacent to the feed-screw 42 these feed elements or fingers 55 and 56 have threaded portions adapted to coact with and complementary to the screw-threads of said feed-screw. In this case 770each feed element has a single screw-thread adapted to engage in any groove of the feed-screw, and the two feed elements are shown coactng with, opposite sides of the feed-screw Each feed element carries the other 775main element of the selector, to wit, the selecting element proper, this being in the present construction a spring contact-arm secured to the feed element. These two contact-arms are designated respectively by 57 780and 58 and are fastened to their respective feed elements by means of screws. Each is perforated near its upper end and is located laterally by means of a guide-pin carried by the feed clement and passing through such 785perforation. These guide-pins are designated 59 and 60. In order that the selectors may slide freely on their guide-rods, each feed element is preferably fastened to a relatively long sleeve, the hubs of the feed 790elements being extended as shown at 61 and 62 to form such sleeves. These two selectors 53 and 54 are oscillated by the squared guides 49 and 50 each time that a signal component influences the receiving instrument,795 and means are employed for operating said selectors reciprocally so that when one is in engagement with the feed-screw the other will always be out of engagement. These movements of the selectors are 800preferably controlled by an electromagnet, such as 63, which constitutes the main analytic magnet and is operated by every electrical signal element which influences the second translating mechanism. Each time that this 805magnet is energized and attracts its armature, which is designated by 64, it operates both of the selectors reciprocally in the manner just described, that is to say, it throws one of them into engagement with the 810feed-screw and the other out of engagement, the feed element 55 being engaged with the threads of the feed-screw 42 when the magnet is energized and the feed element 56 being engaged with such feed-serew when 815the magnet is deënergized. The armature 64 is secured in this construction to a lever being formed by two arms 66 and 67 secured to a short shaft 68 journaled at one end in the 820upright 44 and at the other end in a bracket 69 secured to the upright 45. The arm 67 of this lever is forked and so shaped as to form an actuator for a pair of rock-arms 70 and 71 extending from and secured to the guide-rods 49 and 50. These rock-arms 825constitute the means for transmitting movement to the guide-rods 49 and 50 for oscillating the selectors into and out of engagement with the feed-screw alternately. Each rock-arm also has a pin projecting laterally830 therefrom, these pins being shown at 72 and 73. Said pins enact with a pair of spring-arms 74 and 75 fastened to one side of the forked arm 67 of the lever 65. The ends of the forked portions of the arm 67 are so835 shaped as to bear on the upper and lower sides respectively of the rock-arms 70 and 71, the parts being so organized that the springs will force their respective selectors into engagement with the feed-screw, while840 the rigid portions of the rock-arm 67 will disengage their respective selectors at the proper times. The lever 65 is retracted in the usual manner on the deënergization of the magnet 63, a spring 76 being shown for845 this purpose. Accuracy of adjustment of the relative positions of the lower ends of the contact-arms 57 and 58 and the contacts over which they sweep is essential, and some provision should be made for obtaining a850 fine adjustment of such relative positions. This I prefer to accomplish by adjusting the sleeves 61 and 62 on the guide-rods 49 and 50, This adjustment is obtained by providing adjustable stops for determining the855 normal positions of the sleeves 61 and 62, that is, the positions they occupy when not in action. In this construction the hubs to which the rock-arms 70 and 71 are attached and by means of which they are keyed to860 the guide-rods are relatively long and are screw-threaded, these hubs being designated by 77 and 78. On these threaded portions of the hubs are mounted adjustable stop-nuts, such as 79 and 80, the inner ends865 of which constitute stop-walls for locating the sleeves 61 and 62 in their normal positions. By turning said stop-nuts 79 and 80 a fine adjustment of the positions of the contact ends of the arms 57 and 58 relative to the870 contacts over which they sweep may be effected. The direction of feed of either feed element 55 or 56 when in contact with the feed-screw 42 is from the left to the right as seen in Fig. 13, The return movements of875 these feed elements when released from the feed-screws may be effected quickly by means of springs, such us 81 and 82, each of which is secured at its opposite ends to a fixed point and to the long sleeve of its 880selector. The contacts with which the selecting arms 57 and 58 coact are here shown as supported by a bracket 83 fastened to the base of the analytic mechanism below the feed-screw. This bracket supports in 885this construction two parallel rows of contacts in position to be engaged the one by the contact-arm 57 and the other by the contact-arm 58. The contacts which correspond to 890and represent the makes of the circuit are mounted on the shank of a screw 84 fastened to the upright portion of the bracket 83, and the contacts which represent the complementary elements or breaks of the circuit are 895mounted on the shank of a similar screw 85 secured to the bracket 83 in the same manner. On the shanks of these screws are placed two rows of contacts separated by insulation and spaced at proper distances 900apart to represent the different time-constants sf the different complementary, or electrical and non-electrical, components or elements of the signals which influence the main analytic mechanism 63. 905These contacts are in this case in the form of washers which are slipped on the shanks of the screws 84 and 85 and are separated by insulating washers, the metallic-washers and the insulating washers 910being firmly held together between the heads of the screws and the bracket by said screws themselves. In this case the screw 84 has three metal washers, which. are designated respectively by 86, 87 and 88. These 915contacts represent respectively the ordinary dash, the longer dash which represents the letter “L” in the Morse code, and the longest dash representing, the cipher “0” in said code, no contact being necessary to represent 920the shortest electrical signal or dot. These three contacts are so placed as to be selected respectively only when the selecting arm 57 has a feed movement corresponding to the time-constant of the electrical signal 925element represented by the particular. contact to be brought into action. In a similar manner, the shank of the screw 85 carries three insulated contacts 89, 90 and 91, representing three different signal elements or 930components complementary to those represented. by the contacts 86, 87 and 88, and also of different lengths, These contacts represent respectively in this system the extra break which occurs within some code 935characters, the break which occurs at the end of a letter, and the break at the end of a word. The second contact 90 also represents and controls the printing function. All of these contacts are connected by suitable conductors with various elements of the synthetic mechanism, which will now be described.
The synthetic mechanism constituting the second main element of the second translating mechanism is shown in detail in 940Figs. 2 to 11 inclusive. Referring to these figures and to Fig. 1, 92 is a rotary member or shaft which is continuously driven, preferably from the armature-shaft 25, by suitable connections, such as a pair pulleys 94593 and 94 connected by a crossed belt 95. The shaft 92 is journaled in bearings, such as 96, 97 and 98, and extends substantially from end to end of the synthetic mechanism. and carries or coöperates with the main elements for choosing character-selecting950 components corresponding to the signals received by the magnet: 63. The pulley, 94 is loosely mounted on the shaft 92 and has secured thereto at the hub portion thereof a block 99 to which are 955fastened in such a manner as to rotate at opposite sides of the shaft 92 a pair of spring-arms 100 carrying at the outer sides of their free ends friction members; such as felt blocks 101. These friction members engage 960the inner side of the band of a friction drum 102, which is loosely mounted: on the shaft 92 and may be separated from the block 99 by a washer or sleeve 103. Within this drum is a fat coiled spring, (not shown)965 similar to that shown at the top of Fig. 2 for driving the escapement shaft, which will-be hereinafter described, one end of the spring within the drum 102 being fastened to the drum and the other end to the970 shaft 92. This construction permits the shaft 92 to be turned by the power stored up in the spring whenever the shaft 92 is released while the spring is under tension, and the frictional connection between the975 pulley 94 and the shaft 92 permits said shaft to be stopped instantly and also prevents excessive tensioning of the spring. The tension of the spring-arms may be regulated by means of adjusting-screws980 104. Near the center thereof the shaft 92 has secured thereto an arm 105 which at its free end is shaped to form a tooth and is adapted to coact with and be held by a complementary locking member controlled by985 the main synthetic magnet. This main synthetic magnet is shown at 106 and is operated each time that an impulse is received by the relay magnet 34, the circuits both to the main analytic and main synthetic990 magnets 63 and 106 being closed simultaneously by the armature-lever 85. The locking member which engages the-arm 105 is in this construction a ratchet crown-wheel, and is designated by 107. This995 crown-wheel is secured to a sleeve 108 which is mounted to slide freely on the shaft 92 but is prevented from rotating by connections to the armature of the-main synthetic magnet 106. The armature of said magnet1000 is designated by 109 and is secured to a shifting-lever 110 having a long sleeve 111 mounted on a vertical post 112 rising from the sub-base 113 of the synthetic mechanism, this base 113 being elevated above the1005 main base by feet 114, so as to leave a clear, space between them for certain magnets and other parts. The shifting lever 110 is forked at its free end to straddle the hub of the crown-wheel 107 and is pivoted 1010to the hub of said wheel in the well-known manner. By means of this pivoted connection the crown-wheel may be shifted back and forth on the shaft a sufficient 1010distance to release and reëngage the coacting arm 105. This shifting-lever will release said locking crown-wheel from the stop-arm 105 each time that the main synthetic magnet 106 is energized. The 1015shifting-lever 110 also has secured thereto a circuit-controlling arm 15 which engages a contact, 116 controlling a locking circuit which will be hereinafter described. The shaft 92 also carries a sleeve 117 which is 1020rotatable therewith and is also movable therealong a distance corresponding to the maximum number of periods or impulses in a code character. The longest characters of the Morse code contain six electrical signal 1025components or elements, and the sleeve 117 is in this machine shifted one step for each electrical impulse of a code character. The usual pin-and-slot connection may be employed, as shown in Fig. 2, for 1030permitting this step-by-step movement of the sleeve 117. This sleeve, in the present construction, carries the principal selector for choosing character-selecting components corresponding to the electrical signal 1035components of the signals which energize the main synthetic magnet 106. This main selector is here shown as a finger 118 secured to one end of the sleeve 117. The step-by-step movement of this selector and its sleeve 1040is effected by means of connections between them and the armature of the main synthetic magnet 106, which magnet at each energization thereof will operate means for imparting a movement to said sleeve and 1045selector, thereby shifting said selector to successive positions corresponding to the successive periods of a code character. The means shown herein for imparting this step-by-step movement to said main selector 1050is an escapement mechanism controlled by the shifting-lever 110. The main elements of this escapement mechanism are a rack-segment and a pair of feed-dogs, on of which is fixed and the other moveable, which 1055dogs coact with the rack-segment in a manner similar to the corresponding parts of the feed mechanism of a typewriting machine. The rack segment is designated 119 1060(see Fig. 10) and is secured to the free end of a shifting-lever 120 similar to that shown at 110, the lever 120 having a relatively long hub 121 which is supported on a base 122 (see Fig. 4). The free end of the 1065shifting-lever 120 is also forked and is provided with pins which enter a groove in a collar 128 at the end of the sleeve 117 opposite the main selector 118, this construction permitting shifting of the sleeve lengthwise of its axis in a well-known 1070manner while the selector is rotating. The rack segment 119 is secured to the extended under side of the forked end of the shifting lever 120, and each time that the main synthetic magnet, 106 is energized a feed movement of the rack-segment will be indicated.1075 The means for operating the dogs which coact with the rack-segment 119 are clearly shown in Figs. 2, 4 and 10. Here an angle-lever 124, which also has a relatively long sleeve, is mounted on a vertical stud i25,1080 the short arm of this angle-ever being bifurcated and embracing a pin 126 fixed to and depending from the shifting-lever 110. The long arm of said angle-lever has at its end a fixed feed-dog 127 and carries1085 a pivoted yielding feed-dog 127. (see also Fig. 11) which, when in its normal position1090 is in contact with a stop 129 in fixed relation with the fixed feed-dog 127. The movable feed-dog is returned to its normal position in the usual manner, a spring 130 being shown for this purpose. The feed-dogs and the rack segment are so organized that a feed movement is indicated each time the shifting-lever 110 is attracted on the 1095energization of the magnet 106, but the movement of the rack-segment, and of the sleeve 117 and the main selector 118 connected therewith. will not take place until said magnet is deërgized and the shifting-lever1100 110 has moved far enough on its return stroke to lock the stop-arm 105 and the crown-wheel together again. Any suitable source of power may be employed to effect this feed movement, a spring 131 1105connected to the shifting-lever 120 and to a fixed point being employed for this purpose. The shifting-lever 120 also carries for movement in unison therewith a circuit-controlling arm 132 which controls a1110 break in another controlling circuit herinafter to be described. At the end of a series of feed movements corresponding to the number of periods in the code character received, the rack-segment 119 should1115 be restored to its original position, and this is accomplished in the present construction by means of a restoring solenoid 133 the core of which is connected with said shifting-lever, the connector shown being a screw1120 134 having a journal portion at its lower end. The spring 131 is strong enough to shift the core 135 of the solenoid 133 each time that the rack-segment is moved a step, but the pull of the solenoid is of course1125 superior to that of said spring. In addition to governing the circuit-controlling arm 132 and a pair of insulating contacts 136 and 137 in the path of said arm, the shifting-lever 120 also controls a pair of 1130insulated contacts, such as 138 and 139, the function of which will be hereinafter described.
The main selector 118 coöperates in this construction with a plurality of 1135character-selecting components arranged about the axis of the shaft 92. These character-selecting components are preferably in the form of pins, most of which are fixed pins, such 1140as 140, but some of which are shiftable into and out of the path of movement of the selector 118. The movable character-selecting components or pins are in this case two in number and are designated respectively 1145141 and 142. Both of these normally project into the interior of a drum 143, which I prefer to employ as a carrier for all of said character-selecting components or pins. The pin 141 is an ordinary dash pin representing the 1150shortest dash in the Morse code and is normally in position to indicate the selection of a corresponding character-selecting component, but when retracted permits the main selector 118 to pass by it and strike the 1155pin 142. In this manner the pin 141 when withdrawn controls the selection of a character-selecting component representing a dash of greater length than the ordinary dash of the Morse code and is controlled by 1160such long dash when the long dash signal is received. In a similar manner the pin 142 when withdrawn permits the main selector to pass by it and be stopped against the next fixed pin in the same row, which represents 1165the longest dash in the Morse code and is controlled by the longest signal received by the instrument. These tow pins are preferably operated by connections, such as 144 and 145, to a pair of angle-levers 146 and 1170147 secured to spindles 148 and 149 pivoted in blocks 150 beneath the base 113 of the synthetic mechanism. These angle-levers 146 and 147 are secured to the armatures 151 and 152 of a pair of electromagnets 153 1175and 154 which represent and are governed respectively by the two different long dashes or electrical signal components of the Morse code. The connections to these magnets for energizing the same will be herinafter described. The mode of the arranging the fixed and movable pins carried by the drum 143 is illustrated in Fig. 16, which will also be hereafter 1180described, and most of these pins are omitted from the other views for the 1185sake of clearness. These character-selecting components or pins just described are all supported by the drum 143 in such a manner as to project into the path of the main selector or finger 118 when they are in the plane 1190of rotation of said finger, and all of said pins may in this case be of the same length. Both the dots and the ordinary dashes of a code system are represented by the pins carried by the drum 1`43, and the pins as a 1195whole are divided into two main groups of six rows each, arranged in two overlapping sets the rows of which are equidistant from one another, the two main sets of six rows each being so combined as to form in the 1200aggregate seven rows of pins, as will be clear by referring to Fig 16. Each of these rows contains either dot or ordinary dash pins or both. In order that each of these two main sets may be brought into proper operative relation with the main selector 1181205 without varying the herinbefore described step-by-step feed movement of said selector, I provide means in this construction for shifting the drum 113 from a normal position, in which, in this case, the dot pins are1210 in their proper positions and the dash pins are one period out of proper position, to another position in which the dash pin will be in proper position and the dot pins or components will be one step out of proper1215 position. This movement is in this case lengthwise of the axis of rotation of the selector 118 and may be effected by means of a shifting-lever 155 having a pin 156 which works in a groove in a collar 1571220 forming in this instance part of the hub of the drum 143 and constituting with a sleeve 158 forming a continuation thereof, means for permitting said drum to slide freely on the shaft 92. The shifting movement1225 of the drum 143 for bringing the dash components thereof into action is toward the left in Fig 2, that is to say, it is in the direction of the feed of the main selector 118, this movement of the drum serving to bring1230 the rows of dash components into the positions normally occupied by the rows of dot components. This will be clear by referring to the diagram in Fig. 16. The shifting-lever 155 has a long hub 159 mounted on a1235 vertical stud 160 rising from the base 113 of the synthetic mechanism, and is secured in this case to the armature 161 of the electromagnet 162 which constitutes the means for selecting the dash components 1240corresponding to dash signals received by the instrument.
In addition to the shift movement just described the drum 143 preferably has another shift movement to provide for the1245 proper translation of code characters which, as in the Morse system, have extra spaces in the character. The drum 143 will therefore have two shift movements from its normal position, the second shift movement being1250 preferably in the opposite direction to that just described, that is to say, it is in a direction of the reverse of the feed movement of the main selector 118. The extent of this second shift movement is the same as the1255 first shift movement, that is to say, it is a movement of one step. The shifting-lever 155 constitutes a convenient means for also accomplishing this second shift movement, and in the construction shown said lever is1260 connected to a second armature 163 which constitutes in this case the armature of the electromagnet 164 which represents the extra space which occurs in MOrse code characters. Each time that such a space is 1265indi-cated in a code character received by the instrument said magnet 164 will be energized, by means which will be hereinafter described, to oscillate the shifting-lever 155 1270in the opposite direction to that in which it is oscillated by the dash magnet 162, thereby shifting the drum 143 and all of its character-selecting components back one step. In these shift movements of the drum 143 to 1275the shiftable pins 141 and 142 controlling the long dashes representing the “L” and “O” in the Morse code maintain their relative positions to the drum and the other pins and oscillate about their points of connection1280 with the angle-levers 146 and 147, as will be clear by referring to Fig. 10. Movement of the drum 143 in a rotary direction about the axis of the shaft 92 is prevented in this construction by a pin 165 carried by 1285a post 166 rising from the base 113 and by a forked member 167 secured to said drum and embracing the pin 165, this pin being long enough to permit the drum to assume any of its three positions lengthwise of the 1290shaft 92. The two shift positions of the lever 155 may be accurately determined by means of adjusting-screws, such as 168 and 169. This lever in its normal position is clear of said adjusting-screws and of the 1295poles of the two magnets 162 and 164, as will be seen by referring to Fig. 2, and in this case is held in said normal position by means of a spring 170 connecting a pair of short levers, the free ends of which are in 1300engagement with a depending arm 171 secured to the free end of the lever 155. The two short levers connected by the spring 170 are designated 172 and 173 and are pivoted on a plate 174 secured to the upper end of 1305a pair of posts 175 rising from the base 113. The normal positions of these two levers 172 and 178 are indicated in Fig. 2, they being at such time in contact with stops, such as the pins 176 and 177 fastened to the plate 1310174. The spring 170 is of sufficient strength to hold all three of the levers 155, 172 and 173 in their normal positions and return them thereto when not operated on by other elements. The arm 171 depending from the 1315free end of the lever 155 carries at its lower end a pair of by-pass pawls 178 and 179 (see particularly Fig. 8) these pawls being pivoted in this case on a plate 180 constituting an extension of the arm 171. A spring 1320181 serves to force the upper ends of these pawls normally outward beneath the under sides of a pair of levers 182 and 183 (see Figs. 5 and 8). Whenever the dash magnet 162 is operated the arm 171 is forced to the 1325right in Fig. 8 and the pawl 179 moves away from its lever 183 at such time and the end of the lever 183 is depressed. When the arm 171 is moved to the left in said figure, on the operation of the space magnet1330 164, the pawl 178 moves away from its lever 182 and said lever is depressed in the same manner as the lever 183. The two levers 182 and 183 are in this construction carried by an insulating block 184 secured to the base 113, and serving normally to1335 70 close respectively a pair of circuits through two different pairs of contacts also secured to said insulating block and all insulated from one another. The levers 182 and 183 are insulated at the points where they 1340engage the lower contacts and their respective sets (see Fig. 5). The contacts of these sets are designated respectively 185, 186, 187 and 188. The principal object of these contacts is normally to close circuits controlling the1345 action of the magnets 162 and 164. They also serve, by their resiliency, to depress the respective levers 182 and 183 when released by the corresponding pawls 178 and 179.
There are no code characters in the Morse1350 code in which a dash occurs after an extra space, and similarly there are no code characters in said code in which an extra space occurs after a dash. Because of this I provide means for preventing the energization1355 of the dash magnet 162 in any code character after the spacing magnet 164 has been operated and for preventing the energization of the spacing magnet 164 in a code character after the dash magnet 162 has 1360operated in the same character. I accomplish this result by depressing the lever 183 in the manner just described whenever the dash magnet 162 is operated, the pawl 19 releasing said lever at such time, thus breaking1365 100 the circuit of the contacts 187 and 188 and preventing the energization of the spacing magnet 164 which such contacts control. When the spacing magnet 164 is operated the lever 182 is depressed, as before stated,1370 the pawl 178 moving inward and releasing said lever at such time, thus breaking the circuit to the contacts 185 and 186 and preventing the energization of the dash magnet 162, which such contacts control. The1375 levers 182 and 183 thus operate reciprocally for each series of signals representing a code character, the organization of the mechanical parts and the connections of the circuits being such as to prevent, the release of both1380 levers during the reception of the signals of a single code character, that circuit which is first closed through the contacts 185, 183, or 187 and 188 serving to prevent the closure of a circuit through the other two1385 contacts. In this construction said levers 182 and 183 are depressed by the contacts 186 and 188 respectively, which are shown (see Fig. 5) as spring arms. The other movement of the levers 182 and 183, to wit,1390 the elevation thereof, is effected in any suitable manner after a series of signals representing a code character has been received, they being restored to their normal positions in which they close the contacts 185,1395 186, 187 and 188, preferably by means of a lever operated by the printing magnet. This printing magnet is shown at 189, and the resetting lever for elevating the lever-arms 1400182 and 183 is in this construction connected directly to the armature 190 of such printing magnet. This resetting lever is designated by 191, and has at its free end a T-head the bar 192 of which is of sufficient 1405length to span both of the levers 182 and 183. The movements of the levers 182 and 183 up and down may be guided by guide-arms 193 secured to the insulating block 184. The resetting lever 191 is secured in this 1410case to a relatively long rack-shaft 194 journaled in a pair of bearings 195 rising from the base 113. This rock-arm carries, in addition to the resetting lever just described, a printing lever or press lever adapted to 1415coact with a type-wheel, and also carries a locking lever for locking the type-wheel against movement at the printing moment. The printing lever is designated 196 (see Fig. 6) and is rigidly secured to the rock-shaft1420 194, but the locking lever, which is shown at 197, will be capable of yielding slightly, it being pressed firmly into locking engagement with the teeth of a locking wheel by 1425means of a spring 1298 the free end of which is immediately under a pin 199 secured to said locking lever, the fixed end of the spring being fastened in this case to a rock-arm or lever 200 fast on the rock-shaft 194 1430and also in fixed relation with the printing-lever 200 will preferably be regulable, any necessary adjustment of the positions of the printing and locking levers with respect 1435to their coacting elements being effected in this case by means of a pair of adjusting-screws 201 and 202 the ends of which are stopped by the base 113. These levers coact in the construction shown with a printing-1440wheel and a locking wheel respectively, both of these wheels being carried by the shaft 92. Neither of these wheels is, however, fixed on said shaft, but instead they are mounted so as to be capable of making 1445a complete rotation on said shaft. The printing-wheel is designated herein by 203 and the locking wheel by 204. These tow elements have in this case a common hub 205 which affords a long bearing therefor 1450on the shaft 92, and said wheels will normally be held in the zero position of the type-wheel against a suitable stop in fixed relation with the shaft 92. A suitable spring (not shown) is secured to the locking-wheel 1455204 and yo the shaft 92, substantially in the manner shown in my prior patent, a casing 206 inclosing said spring in this construction.
In order that the type-wheel and the 1460locking-wheel may be able to make a complete rotation of 360°, a shiftable stop is interposed between a fixed stop on the shaft and a stop in fixed relation with said wheels. Here the shaft 92 has beyond the type-wheel a collar 207 fixed thereon and provided at1465 its inner face with a peripheral notch 208. Between said collar 207 and the adjacent cheek of the hub of the type-wheel a shiftable stop is loosely mounted on the shaft 92. This stop is indicated at 209. It has two1470 stop faces, designated respectively 210 and 211, the former of which, when the parts are in their normal position shown in Fig. 2, is in contact with one wall of the notch 208, and the latter of which, when the wheel is1475 at the extreme opposite end of its movement relative to the shaft 92, will be in contact with the opposite wall of said notch. Normally one face of a stop 212 fast on the printing-wheel 203 is in contract with a third1480 stop-wall of the stop 209, this third stop being stepped to lie in a different plane from the other two, while when the printing-wheel is at such extreme opposite end of its relative movement the opposite side of the1485 pin 212 secured thereto will be in contact with the stop-face 210 of the shiftable stop 209. This construction of stops permits the printing and locking wheels to make a complete rotation, thus saving the space which1490 is usually occupied by a fixed stop and which ordinarily necessitates the leaving blank of one or more spaces on the periphery of the type-wheel.
Anny suitable means may be employed for1495 guiding the record medium, which will ordinarily be a paper strip or table 214, the means shown herein being a shallow trough 215 mounted on a post 216 rising from the base 113. This trough has at its receiving1500 end a spring 217 having a slight tension sufficient to keep the paper strip flat, this spring being slotted in the plane of the faces of the type carried by said type-wheel, and the trough itself also having and opening 2181505 therein to permit the hammer 219 of the printing-lever or press lever to move there-through and force the paper against a type face (see Fig. 6). At the delivery end of the trough a guide-roll 220 is mounted, and1510 under this the record medium or tape 214 passes to the feed mechanism.
In fixed relation with the shaft 92 I have also mounted a circuit-controlling element in the form of a finger 221 adapted to operate1515 a pivoted switch-lever 222. This switch-lever has an arm projecting therefrom and provided with cam faces to shaped as to minimize the resistance opposed to the finger 221 in passing the same. This arm is designated1520 by 223, and the range of oscillation thereof is such as to permit it to move entirely out of the path of the finger 221. This switch-lever constitutes one of a pair of insulated contacts for controlling a restoring circuit1525 which will be hereinafter described. The other of those contacts is a contact-strip 224, and both to the elements 222 and 224 are mounted on a block of insulating material 1530225 (see Fig 6) and have suitable electric terminals. The strip 224 is fastened directly to said block, while the switch-lever 222 is pivoted on an arm 226 fastened directly to said block, while the switch-lever 222 is pivoted on an arm 226 fastened to said insulating block, and may be adjusted 1535vertically by a lever 225′ and a nut 255″. The switch-lever has a suitable contact point which is normally in engagements with the coacting contact strip and is held in such position by means of a spring 227. At all 1540times except when the printing-wheel is returned to this normal position these contacts remain in engagement and close the circuit controlled therby but on the return of said printing-wheel to its normal position the 1545finger 221 strikes the arm 223 and shifts the switch-lever away from the strip 224 and momentarily opens such circuit.
The feed mechanism employed may be of any suitable type, and in this machine is 1550driven directly from the motor 26 and is controlled by an escapement device. A second long shaft 228 parallel with the shaft 92 is driven from said motor by connections similar to those for driving said shaft 92. 1555The shaft 228 is mounted in bearings 229 near opposite ends of the base 113. Said shaft has thereon a pulley 230, a hub 231, springs 232 with friction blocks 233, regulating-screws 234, a drum 235, a flat coiled 1560spring 236, a spacing washer or sleeve 237 and a stop 238, all substantially identical with the corresponding parts carried by the shaft 92. These parts serve to maintain the spring 236 under constant tension while the 1565machine is in operation and thereby assure proper movement of the driven shaft 228. The pulley 230 may be operated by a straight belt 239 running from another pulley 240 carried by the armature-shaft of 1570the motor 26. At the opposite end of the shaft 238 from that which carries the driving mechanism just described is a ratchet-wheel 241 which is controlled in its movements by an escapement-lever 242 preferably1575 secured to the armature 243 of an electromagnet 244 constituting the shifting magnet for spacing between letters, words, etc. This lever is pivoted on a post 245 rising from the base 113 and is retracted by 1580a spring 246 substantially in the usual manner. Each time that the magnet 214 is deenergized the escapement permits the ratchet-wheel 211 and the shaft 228 to turn one step and feed the tape 214 a corresponding1585 distance. For the purpose of feeding the tape it is preferably perforated at regular intervals, as shown, and the feed-wheel is in the form of a sprocket-wheel 247 having pins which enter such perforations. 1590The tape 214 passes from the guide-roll 220 under another guide-roll 248 over the sprocket-wheel and under another guide-roll 249, it being prevented from returning under the feed-wheel by a vertical guard 250. The two guide-rolls 248 and 249 are1595 carried by a lever 251 pivoted at its lower end in a bearing 252 on the base 113 and normally holding the guide-rolls in proper working relation with the sprocket-wheel, a spring 253 serving to keep the parts in1600 their operative positions (see Fig. 3).
The printing-lever also has secured to the free end thereof a block 254 of insulating material the under side of which is stepped (see Fig. 6) for the purpose of opening1605 and closing alternately a pair of breaks in two electric circuits; which will be hereafter described. When the printing-lever is in its normal or retracted position this insulating block 254 closes the circuit controlled by1610 the contract-strips 255 and opens the circuit controlled by the contact-strips 256, and when said printing-lever is attracted on the energization of its controlling magnet the circuit controlled by contacts 255 is broken1615 and that controlled by contacts 256 is closed. Two contacts 255 and two contacts 256 are employed, these being secured to an insulating block 257 and provided with suitable terminals for wires.1620
The record medium or web of paper may be fed to the printing-wheel, and the printing-wheel may be inked, in any suitable manner. Here the paper is carried by a reel 258 journaled on a rod 259 at the 1625upper end of a bracket 260 rising from the base 113. The inking means shown consists of an inking-wheel 261 similarly mounted on the journal portion or shank of a screw 262 at the upper end of an arm1630 263 secured to the post 216 by means of a screw 264.
In addition to the circuit-controlling devices herinbefore described the main synthetic magnet 106 also governs the operation1635 of a circuit-controller. This circuit-controller consists of a divided contact-strip 265 and a contact 266, both of which are carried by a post 267 on the base 113. Two other circuit-controllers are governed1640 by the movements of the levers 172 and 178. These circuit-controllers are here shown as spring-arms 268 and 269 adapted to cooperate with the levers 172 and 173 and close circuits to ground through such levers.1645
Referring now to Fig. 16, the manner in which the different letters, figures, etc., of language are selected by their code-characters will new be described. In this view I have illustrated in the second column thereof1650 the order of succession of the letters, figures, etc., on the type-wheel, forty-three of the characters most commonly used being illustrated. In the fourth, fifth, sixth, seventh, eighth, ninth and tenth columns of1655 this chart I have shown the relative positions of the various character-selecting components or pins about the periphery of the drum 143 and also the relative positions of 1640the different series or rows of such pins in the direction of the axis of the drum, which corresponds to the direction of feed of the main selector 118. The first pin representing a dot is that for the letter “E” and is in the 1645fifth column of the chart. The first pin representing an ordinary dash of the Morse code is in the fourth column of said chart. The columns numbered at the tops thereof 1, 2, 3, 4, 5 and 6 represent the normal 1650positions of the pins corresponding to the dots, that is, the positions thereof when they are in position to coact properly with the main selector 118. In the Morse code there are no dashes in the sixth position of a 1655code character, and hence the dashes shown on the chart are contained in only five columns, but the first column containing a dash is that which is lettered B. The dot and dash pins are therefore arranged in two overlapping 1660groups, and the dash pins are normally out of action and are not in position to coöperate properly with the selector 118 until the drum 143 is advanced one feed step by the action of the magnet 162 and its lever. When 1665so shifted, the dashes occupy the same positions that are normally occupied by the first five rows of pins controlled by dots. The two longer dashes controlling the “L” and “O” respectively are represented by pins 1670in the same column with the first dash pin, the shiftable pins 141 and 142 being represented by the first and second of the three dashes in column B. My present mode of arranging the character-selecting components1675 or pins, differs greatly from that employed in the construction shown in my prior patent aforesaid. Here the letters are so arranged about the periphery of the type wheel that each letter, figure or other 1680language character is chosen by simply moving the main selector 118 to the next pin in the next column. For example, the letter “E” is represented by a single dot signal. It therefore is controlled by a pin in column 1685L. The letter “I” has two dots. In this case the main selector simply drops from the first pin in the first column to the first pin in the second column. In a similar manner the letters “S”, “H”, and “P” and Fig. “6”1690 are chosen by the selector moving to the next succeeding pin in the next column, it being shifted to a new column, of course, after each signal. If, however, a character is to be selected which contains an 1695extra space, the drum 143 is shifted back one step, and the main selector 118 instead of being stopped by the first pin in column 2 is stopped by the first pin in column 3, which will then be in the position normally occupied1700 by column 2. When the drum is restored to its normal position, said pin in column 3 returns to its normal position, but this does not take place until the whole code character is completed. The other characters having spaces therein or containing 1705additional dots, such as “R” and “&”, are made by simply permitting the selector to turn an additional distance representing each additional dot. The letters containing dashes may be begun either with a dot or1710 with a dash. If they begin with a dash the selector 118 turns immediately to the twenty-eighth position on the periphery of the drum when the drum is shifted ahead one step. If, however, they begin with a1715 dot, and the second or any succeeding element of the code-character is a dash, the pin representing the dash may occupy a position following such first dot or dash. In every case each series of elements in a code1720 character, beginning with the first, will always represent the same letter, figure or other language. character, and each language character will be selected by simply permitting the selector 118 to turn a 1725distance corresponding to its last signal element. It will be noticed that this chart contains an extra column lettered “A” and containing one extra pin or stop different from all the others. This represents a stop1730 270 carried by the drum 143. When a series of code characters has been received and the main selector 118 is returned, it is drawn back clear of all the character-selecting pins and into the plane of said stop 270, which1735 locates the selector at its starting point. In order to permit adjustment of the drum with respect to the finger 118 constituting the main selector, I prefer to mount the guide-pin 165 in an adjustable slide in the1740 post 166, this slide being designated 271 and having a spring 272 for holding the slide firmly against its stop and maintaining the drum 143 in such adjusted position.
Referring now to Fig. 17, the sequence of1745 operations of the various parts of the system will now be described. Interrupted electrical impulses or vibrations are produced at the transmitting station in the well known manner as hereinbefore described1750 and transmitted through a natural medium to the coherer 9 or other responsive device. The current of low voltage and amperage in the circuit of the coherer operates in the usual manner the high-resistance relay 11,1755 which in turn controls a local circuit. This local circuit contains, however, only the circuit-closing switch 12, a source of energy 13, and a relay magnet 14, and hence said relay is adapted to close another local 1760circuit or circuits having low-resistance contacts at the points 15, 16 and 17, and low resistance translating devices, such as the decohering device 18 and the relay 19. By means of the worm-gearing and other parts1765 associated there with and hereinbefore described the interrupted electrical signals received by the relay magnet 19 are converted or translated into continuous signals, that 1770is, continuous dots and dashes in the circuit of the relay 34. As each such continuous dot or dash is received the relay magnet 34 is energized a period of time corresponding to the whole length of such dot or dash, and 1775closes the main circuit of the second translating mechanism at the points, 35 and 37. Each time that an electrical signal is thus received the main analytic magnet 63 is energized and also the main synthetic magnet 1780106. If the signal received is a dot the selector 53 moves into engagement with the feed-screw 42 and the switch-arm 57 is moved a short distance on the insulation but does not engage any of the contacts 86, 87 1785and 88. The main synthetic magnet does, however, release the crow-wheel 107 from the locking finger 105 and permits the selector 118 to escape and strike the first dot pin, representing the letter “E”. When the 1790magnet 106 is energized its armature-lever 110 also closes at 265 and 266 one break in the circuit is open at the contacts 57 and 86, no current flows in the dash circuit. 1795When the circuit is broken at 35 and 37 the selectors of the analytic mechanism assume the positions shown in Fig. 14 but the switch-arm 58 does not travel far enough to engage any of the contacts 80, 90 or 91. 1800When the circuit is thus broken at 35 and 37 the escapement mechanism before described shifts the main selector 118 one step into the path of the second row of pins in the drum 143, and the contacts 265 and 266 1805are opened, as are also the contacts 115 and 116. The circuits of the main synthetic and main analytic magnets are through a source of energy, such as 273, and suitable switches such as the single-pole switch 274—which is 1810a ground-switch for cutting out all the electrically operated elements of the 1815second translating mechanism except the motor 26—and a double-pole switch 275 for cutting out the motor and all other elements of the second translating mechanism. The circuit through this double-pole switch preferably contains a pair of fuses, such as 276 and 277, and also a resistance 278. When a dash signal is received, the switch-arm 57 moves 1820to contact 86 and closes the main break to the dash magnet 162, the other break in said circuit having been closed at the moment of reception of the signal, as previously described, at 265 and 266, by the main 1825synthetic magnet 106. This circuit is as follows—from the switch-arm 57 to ground, to single-pole switch 274, conductor 279, double-pole switch 275, fuse 276, battery 278, fuse 277, resistance 278, conductor 280, to 1830the other contacts of the double-pole switch 275, conductor 281, main return conductor 282, conductor 283, contacts 265 and 266, conductor 284, dash magnet 162, conductor 285, contacts 185 and 186, conductor 286, and contact 86, the contacts both of the 1835single-pole and double-pole switches being closed, of course, when the machine is in operation, in order that the motor 26 may impart the necessary movements to the various parts of the second translating 1840mechanism. The motor 26, will be energized through conductors 287, 288 and 289, these conductors serving to connect the motor in a parallel branch of the circuit just described. When the magnet 162 is 1845energized it operates the lever 155, shifts the drum, as before described, in the direction of feed, and the lever 172 closes contact with the contact-arm 268 and thereby closes a shunt to ground instead of through conductor1850 286, thus maintaining the circuit of the dash magnet closed. At the same time that the lever 172 closes this shunt circuit at 268 the contacts 187 and 188 are opened by the lever 183, thus preventing the closure of the1855 circuit through the space magnet 164 during the reception of the code character after such dash occurs. If the signal element received is a longer dash than the ordinary one, to wit, the dash representing1860 the letter “L” in Morse code, the contact-arm 57 will travel as far as, and engage, the contact 87, and a circuit will be closed from the contact 87 and the contact-arm 57 through ground to single-pole switch 274,1865 and will follow the course hereinbefore described to the return conductor 282, from which the circuit will be by way of conductor 292, magnet 154 and conductor 298. This action results in the withdrawal of1870 the shiftable pin 1412 in the manner hereinbefore described. If the longest dash signal in the Morse code is received the contact-arm 57 moves as far as the contact 88 and closes a circuit through the ground and1875 through the connections before described to the conductor 282, from which the circuit is by way of conductor 290 to the magnet 153 and through conductor 291. When any dash signal is completed and the circuit broken1880 the magnet 106 is deënergized and contact is broken at 265 and 266, thus restoring the lever 155 and the parts coöperative therewith. the exception of the lever 183 and the contacts 187 and 188, to their normal1885 positions, and also restoring the drum 143. If an extra space is received, the arm 58 moves far enough to engage the first contact 89 of the other set of contacts, and thereby closes a circuit through 89 and 581890 and through ground to the devices herinbefore described in circuit with the battery 273, the circuit from the conductor 281 being through conductor 289 and conductor 294 to the contacts 255 below the 1895printing-lever 196, from which the current flows through conductor 295, magnet 164, conductor 296, contacts 188 and 187 and conductor 297. By the closure of this circuit 1900the space magnet 164 is energized and the lever 155 is shifted in the opposite direction to that before described to feed the drum 143 one step backward, thus closing contact at 269 with the lever 173 and also causing1905 the lever 182 to release the contacts 185 and 186 and open the circuit at such contacts, thus rendering it impossible for the dash magnet 162 to be energized after the reception of an extra space in a code character.1910 By the closure of the contact at 269 and 178 a shunt to ground through said lever is established which is similar to the shunt before described with respect to the lever 172 and contact 268. After all the signals1915 of a code character have been received the space following such code character will be of such length that the contact-arm 192058 will engage the contact 90 and a circuit will be closed from said contact 90 and the arm 58 and through ground to the parts before described in circuit with the battery 273 the circuit from conductor 282 being through the paper-shifting magnet 244, conductor 298, conductor 299, printing magnet 189,1925 and conductor 300. By the closure of this circuit the printing-lever 196 is operated, opening the break at the contacts 255 and closing the break at the contacts 256. The breaking of the circuit of the spacing magnet1930 164 at the contacts 255 causes the lever 155 and coacting parts to be restored to their normal positions, with the exception of the contacts 185 and 186 and the lever 182, and also causes the drum 143 to be 1935returned to its normal position. At the instant the the break at 256 is closed a circuit is established through ground to the devices in circuit with the batter 278, the circuit from conductor 282 being through 1940the restoring magnet 133 and conductor 301. The restoring magnet when energized returns the lever 120 to its normal position and with it the main selector 118, and at the end of the movement of said lever two 1945breaks are closed at the contacts 136 and 137, and contacts 138 and 139. When the main selector 118 moves from the zero or “E” position, in which the break at the contacts 223 and 224 is open, it permits the 1950contact 223 to move into engagement with the contact 224. When these contacts 223 and 224 close their break and the breaks at the contacts 136—137 and 138—139 are afterward closed in the manner just1955 described, a circuit is established from contacts 138 and 139 through ground to the devices in circuit with the battery 273, the circuit from conductor 282 being through conductor 283 and the main synthetic 1960magnet 106, conductor 302, conductor 203′, contacts 224 and 223 and conductor 303. The object of closing this circuit is, first, to unlock the wheel 107 from the locking-arm 105 and permit the shaft 92 to restore the main selector 118 to its zero or “E” position,1965 said selector first striking the outer stop 270; and second, to close the two breaks at the contacts 115 and 116. This assures the holding of the circuit through the restoring magnet, the circuit at this time 1970being through ground to the devices in circuit with the batter 273, the circuit from the conductor 282 being through the restoring magnet 133, conductor 305, contacts 137 and 136 and conductor 306 back to the contacts1975 116 and 115. The circuits through the main synthetic magnet 106 and the restoring magnet 133 will be held by the contacts just described until the main selector 118 returns to its normal or zero position, when the 1980circuit-controlling arm 221 will open the break between the contacts 223 and 224, whereupon the main synthetic magnet 106 is deenergized and the arm 105 is again locked to the crown-wheel 107 and the shaft 921985 held. As the lever 110 returns it opens the circuit at the contacts 115 and 116 and thus breaks the circuit through the restoring magnet 133, whereupon the lever 120 permits the selector 118 to move two steps into1990 the path of the first row of dot pins. All the circuits are now open except the circuit of the motor 26. When the contact-arm 58 leaves the contact 90 the circuit of the printing magnet 189 is broken and the feed 1995mechanism is mechanically operated as before described, to advance the tape one step. If the space is a space following a word, the contact-arm 58 travels as far as, and into engagement with the contact 91 and thereby2000 closes a circuit through ground and the devices hereinbefore described in circuit with the battery 273, the circuit from conductor 282 being through the paper-shifting magnet 244, conductor 298, and an extra 2005resistance 307 of the value of the resistance of the printing magnet 189, through contact 91 and conductor 58, this circuit serving to indicate an extra feed movement of the feed mechanism, which extra feed movement is2010 imparted mechanically in the manner before described.
The various binding-posts to which the different wires are connected are shown in Fig. 1. At the analytic mechanism 40 the2015 binding post 308 is connected with the contact for the spacing magnet, the binding post 309 with the contact for the printing magnet, the binding-post 310 with the contact for the paper-shifting magnet, the 2020binding-post 311 with the contact for the dash magnet, binding-post 312 with the contact for the “L” magnet, binding-post 313 with the contact for the “O” magnet, binding-post 314 with the main analytic magnet,2025 and the binding-post 315 with the main analytic magnet and with the battery 273. At the synthetic mechanism the binding-post 316 is connected with the spacing magnet, 2030the binding-post 317 with the printing magnet, the binding-post 318 with the paper-shifting magnet, binding-post 319 with the dash magnet, binding-post 320 with the “L” magnet, binding-post 321 with the “O” 2035magnet, binding-post 322 with the main synthetic magnet, and the binding-post 323 with the battery, the binding-post 324 being for the ground connection. The binding-posts 325 and 326 are for making connection 2040with the battery 33. The binding-post 327 of the first translating mechanism 39 is also connected with the battery 33, and the binding-post 328 is connected with the binding-post 329 of the sounder 36. The binding-post2045 330 of the sounder is connected to ground and the binding-post 331 is connected with the battery 33. 332 is the binding-post for the ground connection of the analytic mechanism.
2050It should be understood that ll of the various contacts and translating devices at which sparking and fusing are likely to occur, and which are ordinarily protected by suitable platinum or equivalent resistances 2055in the well-known wireless telegraph systems ordinarily used, are similarly protected in the present system, but such resistances are not shown in the drawings.
What I claim is:
20601. A receiving telegraph instrument comprising a plurality of character-indicating devices and also a translating receiver embodying the following elements, viz.—a feed-screw, a pair of reciprocally-operative 2065selectors operable by said feed-screw the working stroke of one selector being controlled by one component and the working stroke of the other selector being controlled by a complementary component of the 2070receiver-influencing signals, and means governed by said electors for controlling said character-indicating devices selectively in accordance with the combinations of receiver-influencing signals representing their 2075respective code characters.
2. A Receiving telegraph instrument comprising a plurality of character-indicating devices and also a translating receiver embodying the following elements, viz.—a 2080feed-screw, a pair of reciprocally-operative variably-movable selectors operable by said feed-screw the working stroke of one selector being controlled by variable components of one character and the working stroke of the 2085other selector being controlled by complementary variable components of the receiver-influencing signals, and means governed by said selectors for controlling said character-indicating devices selectively in 2090accordance with the combinations of receiver-influencing signals representing their respective code characters.
3. A receiving telegraph instrument comprising a plurality of character-indicating devices and also a translating receiver 2095embodying the following elements, vis.—a constant-speed driver, a pair of reciprocally-operative reciprocatory circuit-controllers operable by said driver the working stroke of one circuit-controller being governed by2100 one component and the working stroke of the other circuit-controller being governed by a complementary component of the receiver-influencing signals, and means governed by said circuit-controllers for controlling2105 said character-indicating devices selectively in accordance with the combination of receiver-influencing signals representing their respective code characters.
4. A receiving telegraph instrument 2110comprising a plurality of character-indicating devices and also a translating receiver embodying the following elements, viz.—a constant-speed driver, a pair of reciprocally-operative variably-movable reiprocatory2115 circuit-controllers operable by said driver the working stroke of one circuit-controller being governed by variable components of one character and the working stroke of the complementary variable components of the receiver-influencing signals, and means governed by2120 said circuit-controllers for controlling said character-indicating devices collectively in accordance with the combinations2125 of receiver-influencing signals representing their respective code characters.
5. A receiving telegraph instrument comprising a plurality of character-indicating devices and also a translating receiver 2130embodying the following elements, viz.—a feed-screw, a pair of reciprocally-operative reiprocatory circuit-controllers operable by said feed-screw the working stroke of one circuit-controller being governed by one2135 component and the working stroke of the other circuit-controller being governed by a complementary component of the receiver-influencing signals, and means governed by said circuit-controllers for controlling said2140 character-indicating devices selectively in accordance with the combinations of receiver-influencing signals representing their respective code characters.
6. A receiving telegraph instrument 2145comprising a plurality of character-indicating devices and also a translating-receiver embodying the following elements, viz.—a constant-speed driver, a pair of reciprocally-operative sliding circuit-controllers operable2150 by said driver the working stroke of one circuit-controller being governed by one component and the working stroke of the other circuit-controller being governed by a complementary component of the 2155receiver-influencing signals, and means governed by said circuit-controllers for controlling said character-indicating devices selectively in accordance with the combinations of 2160receiver-influencing signals representing their respective code characters.
7. A receiving telegraph instrument comprising a plurality of character-indicating devices and also a translating receiver 2165embodying the following elements, viz.—a constant-speed driver, a pair of reciprocally-operative variably-movable sliding circuit-controllers operable by said driver the working stroke of one circuit-controller being 2170governed by variable components of one character and the working stroke of the other circuit-controller being governed by complementary variable components of the receiver-influencing signals, two parallel 2175rows of contacts governed respectively by said circuit-controllers and means governed by said contacts for controlling said characters-indicating devices selectively in accordance with the combinations of receiver-influencing2180 signals representing their respective code characters.
8. A receiving telegraph instrument comprising a plurality of character-indicating devices and also a translating receiver 2185controlling said devices selectively in accordance with the combinations of receiver-influencing signals representing their respective code characters, said receiver embodying the following elements, viz.—a constant-speed2190 driver, a variably-movable sliding circuit-controller operable by said driver and having a working stroke of length of which is governed by the time-constants of one component of the receiver-influencing 2195signals, and selecting means governed by said circuit-controller.
9. A receiving telegraph instrument comprising a plurality of character-indicating devices and also a translating receiver 2200controlling said devices selectively in accordance with the combinations of receiver-influencing signals representing their respective code-characters, said receiver embodying the following elements, viz.—a 2205feed-screw, and a variably-moveable selector operable by said feed-screw and having a working stroke the length of which is governed by the time-constants of one component of the receiver-influencing signals.
221010. A receiving telegraph instrument comprising a plurality of character-indicating devices and also a translating receiver controlling said devices selectively in accordance with the combinations of receiver-influencing2215 signals representing their respective code characters, said receiver embodying the following elements, viz.—a feed-screw, a variably-moveable circuit-controller operable by said feed-screw and having a working stroke the length of which is2220 governed by the time-constants of one component of the receiver-influencing signals, and selecting means governed by said circuit-controller.
11. A receiving telegraph instrument 2225comprising a plurality of character-indicating devices and also a translating receiver controlling said devices selectively in accordance with the combinations of receiver-influencing signals representing their respective2230 code characters, said receiver embodying the following elements, viz.—a feed-screw, a variably-movable sliding circuit-controller operable by said feed-screw, means governed by one component2235 of the receiver-influencing signals for connecting said circuit-controller and the feed screw a period of time corresponding to the time-constant of such component, and selecting means governed by said circuit-controller.2240
12. A receiving telegraph instrument comprising a plurality of character-indicating devices and also a translating receiver controlling said devices selectively in accordance with the combinations of 2245receiver-influencing signals representing their respective code characters, said receiver embodying the following elements, viz.—a feed-screw, and a pair of variably-movable selectors operable by said feed-screw and 2250coacting with opposite sides thereof.
13. A receiving telegraph instrument comprising a plurality of character-indicating devices and also a translating receiver controlling said devices selectively in 2255accordance with the combinations of receiver-influencing signals representing their respective code characters, said receiver embodying the following elements, viz.—a feed-screw, and a pair of reciprocally-operative2260 variably-movable selectors controlled respectively by complementary-components of the receiver-influencing signals and movable into and out of engagement with opposite sides of said feed-screw.2265
14. A receiving telegraph instrument comprising a plurality of character-indicating devices and also a translating receiver controlling said devices selectively in accordance with the combinations of 2270receiver-influencing signals representing their respective code characters, said receiver embodying the following elements, viz.—a feed-screw, a pair of reciprocally-operative variably-movable circuit-controllers governed2275 respectively by complementary components of the receiver-influencing signals and movable into and out of engagement with opposite sides of said feed-screw, and two rows of contacts governed by said 2280circuit-controllers respectively.
15. A receiving telegraph instrument comprising a plurality of character-indicating2285 devices and also a translating receiver controlling said devices selectively in accordance with the combinations of receiver-influencing signals representing their respective2290 code characters, said receiver embodying the following complementary elements, viz.-character-selecting components corresponding in number to the maximum number of signal components of any of the code 2295characters representing said character indicating devices, and a selector-one of which elements has a step-by-step feed movement controlled by the signal components, and means for imparting a shift movement 2300to one of said complementary elements relatively to the other for varying the feed relation between them.
16. A receiving telegraph instrument comprising a plurality of character-indicating 2305devices and also a translating receiver controlling said devices selectively in accordance with the combinations of receiver-influencing signals representing their respective code characters, said receiver embodying2310 the following complementary elements, viz.-character-selecting components corresponding in number to the maximum number of signal components of any of the code characters representing said character-indicating2315 devices, and a selector, one of which elements has a step-by-step feed movement controlled by the signal components, and means for imparting differential shift movements to one of said complementary elements2320 for varying the feed relation between them.
17. A receiving telegraph instrument comprising a plurality of character-indicating devices and also a translating receiver 2325controlling said devices selectively in accordance with the combinations of receiver-influencing signals representing their respective code characters, said receiver embodying the following complementary elements, 2330viz.-character-selecting components corresponding in number to the maximum number of signal components of any of the code characters representing said character-indicating devices, and a selector-one of which elements2335 has a step-by-step feed movement controlled by the signal components, and means for shifting one of said complementary elements relatively to the other in opposite directions for varying the feed 2340relation between said elements.
18. A receiving telegraph instrument comprising a plurality of character-indicating devices and also a translating receiver controlling said devices selectively in accordance2345 with the combinations of receiver-influencing signals representing their respective code characters, said receiver embodying the following complementary elements, viz.-character-selecting components corresponding2350 in number to the maximum number of signal components of any of the code characters representing said character-indicating devices, and a selector-one of which elements has a step-by-step feed movement controlled by a signal component of one2355 character, and means controlled by a signal component of another character for imparting a shift movement to one of said complementary elements for varying the feed relation between them.2360
19. A receiving telegraph instrument comprising a plurality of character-indicating devices and also a translating receiver controlling said devices selectively in accordance with the combinations of 2365receiver-influencing signals representing their respective code characters, said receiver embodying the following complementary elements, viz.-character-selecting components corresponding in number to the maximum number of2370 signal components of any of the code characters representing said character-indicating devices, and a selector-one of which elements has a step-by-step feed movement controlled by a signal component of one 2375character, and means controlled by a complementary signal component for imparting a shift movement to one of said complementary elements for varying the feed relation between them.2380
20. A receiving telegraph instrument comprising a plurality of character-indicating devices and also a translating receiver controlling said devices selectively in accordance with the combinations of 2385receiver-influencing signals representing their respective code characters, said receiver embodying the following complementary elements, viz.-character-selecting components corresponding in number to the maximum 2390number of signal components of any of the code characters representing said character-indicating devices, and a selector-one of which elements has a step-by-step feed movement controlled by signal components of different2395 characters, and means controlled by signal components of one character for imparting a shift movement to one of said complementary elements relatively to the other for varying the feed relation between them.2400
21. A receiving telegraph instrument comprising a plurality of character-indicating devices and also a translating receiver controlling said devices selectively in accordance with the combinations of 2405receiver-influencing signals representing their respective code characters, said receiver embodying the following complementary elements, viz.-groups of differential character-selecting components which groups correspond in2410 number to the maximum number of signal components of any of the code characters representing the following complementary elements, 2415de-vices, and a selector-one of which elements has a feed movement controlled by the signal-components, and means for imparting shift movement to one of said 2420complementary elements relatively to the other for bringing different components of each group into action.
22. A receiving telegraph instrument comprising a plurality of character-indicating 2425devices and also a translating receiver controlling said devices selectively in accordance with the combinations of receiver-influencing signals representing their respective code characters, said receiver embodying2430 the following complementary elements, viz.-groups of differential character-selecting components which groups correspond in number to the maximum number of signal components of any of the code characters 2435representing said character-indicating devices, and a selector-one of which elements has a step-by-step feed movement controlled by the signal components, and means for imparting a shift movement to one of said 2440complementary elements relatively to the other for bringing different components of each group into action.
23. A receiving telegraph instrument comprising a plurality of character-indicating 2445devices and also a translating receiver controlling said devices selectively in accordance with the combinations of receiver-influencing signals representing their respective code characters, said receiver embodying2450 the following complementary elements, viz.:-groups of differential character-selecting components which groups correspond in number to the maximum number of signal components of any of the code characters 2455representing said character-indicating devices and have their differential components separated by like spaces in all groups, and a selector-one of which elements has a step-by-step feed movement controlled by the signal 2460components, and means for imparting a shift movement to one of said complementary elements for bringing different components of each group into action.
24. A receiving telegraph instrument 2465comprising a plurality of character-indicating devices and also a translating receiver controlling said devices selectively in accordance with the combinations of receiver-influencing signals representing their respective code characters, said receiver embodying2470 the following complementary elements, viz.-groups of which differential character-selecting components which groups correspond in number to the maximum number of signal components of any of the code characters representing2475 said character-indicating devices and are equidistant from one another and have their components separated by like spaces, and a selector-one of which elements has a step-by-step feed movement controlled by the signal 2480components, and means for imparting a shift movement to one of said complementary elements for bringing different components of each group into action.
25. A receiving telegraph instrument 2485comprising a plurality of character-indicating devices and also a translating receiver controlling said devices selectively in accordance with the combinations of 2490receiver-influencing signals representing their respective code characters, said receiver embodying the following complementary elements, viz.-groups of differential character-selecting components which groups correspond2495 in number to the maximum number of signal components of any of the code characters representing said character-indicating devices, and a selector-one of which elements has a step-by-step feed movement2500 controlled by the signal components, and means for shifting one of said complementary elements relatively to the other from a normal position to either of two other positions in either direction for bringing 2505different components of each group into action.
26. A receiving telegraph instrument comprising a plurality of character-indicating devices and also a translating receiver 2510controlling said devices selectively in accordance with the combinations of receiver-influencing signals representing their respective code characters, said receiver embodying the following complementary elements,2515 viz.-groups of differential character-selecting components which groups correspond in number to the maximum number of signal components of any of the code characters representing said character indicating 2520devices, and a selector-one of which elements has a step-by-step feed movement controlled by electrical signal components of different lengths, and means controlled only by the longer electrical signal components for 2525imparting a shift movement to one of said complementary elements for bringing different components of each group into action.
27. A receiving telegraph instrument 2530comprising a plurality of character-indicating devices and also a translating receiver controlling said devices selectively in accordance with the combinations of receiver-influencing signals representing their respective2535 code characters, said receiver embodying the following complementary elements, viz.-groups of differential character-selecting components which groups correspond in number to the maximum number of signal2540 components of any of the code characters representing said character-indicating devices, and a selector-one of which elements has a step-by-step feed movement controlled by closures of the circuit of different lengths,2545 and separate means of controlled respectively by the longer closures and by the breaks of the circuit for shifting one of said complementary elements from a normal position 2550to either of two other positions for bringing different components of each group into action.
28. A receiving telegraph instrument comprising a plurality of character-indicating 2555devices and also a translating receiver controlling said devices selectively in accordance with the combinations of receiver-influencing signals representing their respective code characters, said receiver embodying2560 the following complementary elements, viz.—groups of differential character-selecting componants which groups correspond in number to the maximum number of signal components of any of the code characters 2565representing said character-indicating devices, and a selector—one of which elements has a step-by-step feed movement controlled by the signal components, means for imparting a shift movement to one of said 2570complementary elements relatively to the other for bringing different components of each group into action, and means controlled by said character-selecting components for imparting a variable rotary 2575movement to one of said complementary elements.
29. A receiving telegraph instrument comprising a plurality of character-indicating devices and also a translating receiver 2580controlling said devices selectively in accordance with the combinations of receiver-influencing signals representing their respective code-characters, said receiver embodying the following elements, viz.—2585character-selecting components corresponding in number to the maximum number of signal components of any of the code characters representing said character-indicating devices, a selector, means controlled by the signals 2590components for imparting to said selector a step-by-step feed movement in the direction of its axis, and means controlled by said character-selecting components for imparting a variable rotary movement to said 2595selector.
30. A receiving telegraph instrument comprising a plurality of character-indicating devices and also a translating receiver controlling said devices selectively in accordance2600 with the combinations of receiver-influencing signals representing their respective code characters, said receiver embodying the following elements, viz.—groups of fixed differential character-selecting 2605components which groups correspond in number to the maximum number of signal components of any of the code characters representing said character-indicating devices, a selector, means controlled by the signal2610 components for imparting to said selector a step-by-step feed movement in the direction of its axis, means controlled by said character-selecting components for imparting a variable rotary movement to said selector, and means for imparting a shift2615 movement to said groups of character-selecting components for bringing different components of each group into action.
31. A receiving telegraph instrument comprising a plurality of character-indicating2620 devices and also a translating receiver controlling said devices selectively in accordance with the combinations of receiver-influencing signals representing their respective code characters, said receiver embodying the 2625following elements, viz.—groups of fixed differential character-selecting components which groups correspond in number to the maximum number of signal components of any of the code characters representing said2630 character-indicating devices, a selector, means controlled by the signal components for imparting to said selector a step-by-step feed movement in the direction of its axis, means controlled by said character-selecting 2635components for imparting a variable rotary movement to said selector, and means for shifting said groups of character-selecting components from a normal position to either of two other positions for bringing different2640 components of each group into action.
32. A receiving telegraph instrument comprising a plurality of character-indicating devices and also a translating receiver controlling said devices selectively in accordance2645 with the combinations of receiver-influencing signals representing their respective code characters, said receiver embodying the following elements, viz.—two groups of differential character-selecting components2650 each of which groups corresponds in number to the maximum number of signal components of any of the code characters representing said character-indicating devices, and a selector coöperative with components2655 of each group.
33. A receiving telegraph instrument comprising a plurality of character-indicating devices and also a translating receiver controlling said devices selectively in accordance2660 with the combinations of receiver-influencing signals representing their respective code characters, said receiver embodying the following elements, viz.—character-selecting components representing signal2665 components of at least three characters corresponding in number to the maximum number of signal components of any of the code characters representing said character-indicating devices, and a selector coöperative2670 with all of said components.
34. A receiving telegraph instrument comprising a plurality of character-indicating devices and also a translating receiver controlling said devices selectively in 2675accord-ance with the combinations of receiver-influencing signals representing their respective code characters, said receiver embodying the following elements, viz.-a plurality of 2680character-selecting components representing signal components of at least three characters and forming rows which correspond in number to the maximum number of signal components of any of the code characters 2685representing said character-indicating devices, and a selector coöperative with all of said components.
35. A receiving telegraph instrument comprising a plurality of character-indicating 2690devices and also a translating receiver controlling said devices selectively in accordance with the combinations of receiver-influencing signals representing their respective code characters, said receiver embodying the 2695following elements, viz-character-selecting components corresponding to the signal components of the code characters representing said character-indicating devices, a plurality of selectors coöperative with and 2700complementary to said components, and means for shifting out of action one of such complementary elements.
36. A receiving telegraph instrument comprising a plurality of character-indicating devices and also a translating receiver controlling said 2705devices selectively in accordance with the combinations of receiver-influencing signals representing their respective code characters, said receiver embodying the 2710following elements, viz.-character-selecting components corresponding to the signal components of the code characters representing said character-indicating devices, a plurality of selectors coöperative with and 2715complementary to said components, and means for shifting one of such complementary elements out of the path of another.
37. A receiving telegraph instrument comprising a plurality of character-indicating 2720devices and also a translating receiver controlling said devices selectively in accordance with combinations of receiver-incluencing signals representing their respective code characters, said receiver embodying 2725the following complementary elements, viz.—character-selecting components corresponding to the signal components of the code characters representing said character-indicating devices, and a selector coöperative 2730therewith—one of which is moveable relatively to the other, and means for shifting one of such complementary elements out of the path of another.
273538. A receiving telegraph instrument comprising a plurality of character-indicating devices and also a translating receiver controlling said devices selectively in accordance with the combinations of receiver-influencing signals representing their respective2740 code characters, said receiver embodying the following complementary elements, viz.-character-selecting components corresponding to the signal components of the code characters representing said character-indicating devices, and a selector coöperative 2745therewith-one of which is rotatable relatively to the other, and means for shifting one of such complementary elements out of the path of another.
30. A receiving instrument 2750comprising a plurality of character-indicating devices and also a translating receiver controlling said devices selectively in accordance with the combinations of receiver-influencing signals representing their respective code characters, said receiver embodying 2755the following complementary elements, viz.—character-selecting components corresponding to the signal components of the code characters representing said2760 character-indicating devices, and a selector coöoperative therewith—one of which is rotatable relatively to the other, and means for shifting one of such complementary elements in a direction radial to such rotation2765 out of the path of another.
40. A receiving telegraph instrument comprising a plurality of character-indicating devices and also a translating receiver controlling said devices selectively in accordance2770 with the combinations of receiver-influencing signals representing their respective code characters, said receiver embodying the following elements, viz.—character-selecting components corresponding2775 to the signal components of the code characters representing said character-indicating devices, a rotary selector coöperative therewith, and means for shifting one of said components out of the path of said2780 selector.
41. A receiving telegraph instrument comprising a plurality of character-indicating devices and also a translating receiver controlling said devices selectively in accordance2785 with the combinations of receiver-influencing signals representing their respective code characters, said receiver embodying the following elements, viz.—character-selecting components corresponding2790 to signal components of the code-characters representing said character-indicating devices, selecting means coöperative with said components out of position,2795
42. A receiving telegraph instrument comprising a plurality of character-indicating devices and also a translating receiver controlling said devices selectively in accordance with the combinations of 2800receiver-influencing signals representing their respective code characters, and receiver embodying the following elements, viz.—character-selecting components corresponding to the signal components of the code2805 characters representing said character-indicating devices, selecting means coöperative with said components, and means for shifting a plurality of said components out of 2810position.
43. A receiving telegraph instrument comprising a plurality of character-indicating devices and also a translating receiver controlling said devices selectively in accordance2815 with the combinations of receiver-influencing signals representing their respective code characters, said receiver embodying the following elements, viz.:character-selecting components corresponding2820 to electrical signal components of three or more different values, and means for shifting one or more of said components out of position.
44. A receiving telegraph instrument 2825comprising a plurality of character-indicating devices and also a translating receiver controlling said devices selectively in accordance with the combinations of receiver influencing signals representing their 2830respective code characters, said receiver embodying the following elements, viz.—character-selecting components corresponding to electrical signal components of three or more different values, selecting means 2835controlled by signal components of two values and controlling said components, and means controlled by a signal component of greater value for shifting one of said components out of action.
284045. A receiving telegraph instrument comprising a plurality of character-indicating devices and also a translating receiver controlling said devices selectively in accordance with the combinations of 2845receiver-influencing signals representing their respective code characters, said receiver embodying the following elements, viz.—character-selecting components corresponding to electrical signal components of three or more different values, selecting means2850 controlled by signal components of two values and controlling said components, and means controlled by different signal components of greater values for shifting a plurality of said components out of action.2855
46. In a printing telegraph receiver, the combination with a rotary member movable in the direction of its axis and also rotatable about said axis, of a pair of electrical controlling means for said rotary member each2860 controlled directly by dot and dash impulses transmitted to said receiver, one of said controlling means including means for adjusting said rotary member in one of said directions by a step-by-step action, and the other2865 of said controlling means including means for moving said rotary member in the other of said directions.
Signed at New York, in the county, of New York, and State of New York, this2870 24th day of August, A. D. 1904.
Charles R. Underhill.
- Witnesses:
- C. S. Champion,
- S. Champion.
This work was published before January 1, 1930, and is in the public domain worldwide because the author died at least 100 years ago.
Public domainPublic domainfalsefalse

















