Page:EB1911 - Volume 27.djvu/36
jaws of a face-plate, on the head-stock spindle, the loose poppet being omitted.
These, however, are broad types only, since proportions of length to diameter differ, and with them lathe designs are modified whenever there is a sufficient amount of work of one class to justify the laying down of a special machine or machines to deal with it. Then further, we have duplicate designs, in which, for example, provision is made in one lathe for turning two or three long shafts simultaneously, or for turning and boring two wheels or tires at once. Further, the position of the axis of a face lathe need not be horizontal, as is necessary when the turning of long pieces has to be done between centres. There are obvious advantages in arranging it vertically, the principal being that castings and forgings can be more easily set and secured to a horizontal chuck than to one the face of which lies vertically. The chuck is also better supported, and higher rates of turning are practicable. In recent years these vertical lathes or vertical turning and boring mills (fig. 30) have been greatly increasing in numbers; they also occur in several designs to suit either general or special duties, some of them being used for boring only, as chucking lathes. Some are of immense size, capable of boring the field magnets of electric generators 40 ft. in diameter.
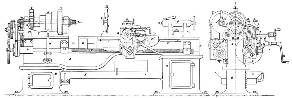
Standard Lathes.—But for doing what is termed the general work of the engineer's turnery, the standard lathes (fig. 29) predominate, i.e. self-acting, sliding and surfacing lathes with headstock, loose poppet and slide-rest, centres, face plates and chucks, and an equipment by which long pieces are turned, either between centres or on the face chucks, and bored. One of the greatest objections to the employment of these standard types of lathes for indiscriminate duty is due to the limited height of the centres or axis of the headstock, above the face of the bed. This is met generally by providing a gap or deep recess in the bed next the fast headstock, deep enough to take face work of large diameter. The device is very old and very common, but when the volume of work warrants the employment of separate lathes for face-work and for that done between centres it is better to have them.
Screw-cutting.—A most important section of the work of the engineer's turnery is that of cutting screws (see Screw). This has resulted in differentiation fully as great as that existing between centres and face-work. The slide-rest was designed with this object, though it is also used for plain turning. The standard "self acting sliding, surfacing and screw-cutting lathe" is essentially the standard turning lathe, with the addition of the screw-cutting mechanism. This includes a master screw—the lead or guide screw, which is gripped with a clasp nut, fastened to the travelling carriage of the slide-rest. The lead-screw is connected to the headstock spindle by change wheels, which are the variables through which the relative rates of movement of the spindle and the lead-screw, and therefore of the screw-cutting tool, held and traversed in the slide-rest, are effected. By this beautiful piece of mechanism a guide screw, the pitch of which is permanent, is made to cut screw-threads of an almost infinite number of possible pitches, both in whole and fractional numbers, by virtue of rearrangements of the variables, the change wheels. The objection to this method is that the trains of change wheels have to be recalculated and rearranged as often as a screw of a different pitch has to be cut, an operation which takes some little time; To avoid this, the nest or cluster system of gears has been largely adopted, its most successful embodiment being in the Hendey-Norton lathe. Here all the change wheels are arranged in a series permanently on one shaft underneath the headstock, and any one of them is put into engagement by a sliding pinion operated by the simple movement of a lever. Thus the lead-screw is driven at different rates without removing any wheel from its spindle. This has been extensively applied to both small and large lathes. But a moment's thought will show that even this device is too cumbrous when large numbers of small screws are required. There is, for example, little in common between the screw, say of 5 or 6 ft. in length, for a massive penstock or valve, and ½-in. bolts, or the small screws required in thousands for electrical fittings. Clearly while the self-acting screw-cutting lathe is the best possible machine to use for the first, it is unsuitable for the last. So here at once, from the point of view of screw cutting only, an important divergence takes place, and one which has ultimately led to very high specialization.
Small Screws.—When small screws and bolts are cut in

Fig. 29.—8-in. Centre Gap Lathe. (Webster & Bennett, Ltd., Coventry.)
A, Bed.
B, B, Cupboard legs of cabinets.
C, Gap.
D, Bridge piece.
E, Headstock.
F, Loose poppet.
G, Slide-rest.
H, Lead-screw.
J, Driving cones.
K, Back-gears.
L, Change wheels.
M, Swing plate for ditto.
N, Hand lever for changing speeds of sliding and surfacing through gears O.
P, Saddle or carriage.
Q, Rack.
R, Rack operating handle for sliding.
S, Clasp nut operating handle for screw cutting.
T, Cross-slide.
U, Swivel-slide.
V, Tool-holder.
W, Reversing plate.
X, Waste oil tray.
Y, Guards over gear wheels.
Z, Hinged steady to support work when boring.