Encyclopædia Britannica, Ninth Edition/Telegraph
TELEGRAPH
TELEGRAPH (from τῆλε and γράφω) signifies an instrument to write at a distance. The term is specifically applied to apparatus for communicating intelligence to a distance in unwritten signs addressed to the eye or ear, and has only recently had application to those wonderful combinations of inanimate matter which literally write at a distance the intelligence committed to them. The chief object of the present article is to explain the principles and practice of the electric telegraph, and we shall allude to other telegraphic systems only to illustrate the general principles of signalling.
Signalling generally.A word expressing an idea may, according to a pre-arranged plan of signalling, be communicated by voice, by trumpet calls, by gun fire, by gesture or dumb signs, by lamp signals, by flags, by semaphore, or by electric telegraph. The simplest system of word-signalling hitherto practised is that of the nautical flag telegraph, in which each hoist represents a word by a combination of four flags in four distinct positions (see Signals, Naval). If n denote the number of flags, supposed all different, out of which the four to be sent up may be selected, the number of different ideas which can be expressed by a single hoist is n(n-1)(n-2)(n-3) since there are n varieties out of which the flag for each of the four positions may be independently chosen. To commit to memory so great a number of combinations, which amount to 358,800 if n=26, would be a vain effort; the operators on each side must therefore have constant recourse to a dictionary, or code, as it is called. For the sake of convenient reference each flag is called by the name of a letter of the alphabet, and all that the operator has to bear in mind is the letter by which each flag is designated. Sometimes the words to be expressed are spelled out by means of the flags as in ordinary language; but, as in most words there are more than four letters, as scarcely any two consecutive words are spelled with four or less than four letters, and as more than four flags at a time cannot be conveniently used, the system of alphabetic signalling frequently requires the use of two hoists for a word, and scarcely ever has the advantage of expressing two words by one hoist. It is therefore much more tedious than code signalling in the nautical telegraph.
In point of simplicity spoken words may be considered as almost on a par with the nautical telegraph, since each word is in reality spoken and heard almost as a single utterance. Next in order comes the system of spelling out words letter by letter, in which—instead of, as in the nautical telegraph, 358,800 single symbols to express the same number of ideas— 26 distinct symbols are used to express by their combinations any number whatever of distinct ideas. Next again to this may be ranked the system by which several distinct successive signals are used to express a letter, and letters thus communicated by compound signals are combined into words according to the ordinary method of language. It is to this last class that nearly all practical systems of electro-telegraphic signalling belong. But some of the earliest and latest proposals for electric telegraphs are founded on the idea of making a single signal represent a single letter of the alphabet; as instances we may name those early forms in which separate conductors were used for the different letters; a method suggested by Professor W. Thomson[1] in 1858 in which different strengths of current were to be employed to indicate the letters; and the various forms of printing telegraph now in use.
I. Historical Sketch of Early Telegraphs.
Early forms.Although the history of practical electric telegraphy does not include a period of more than half a century, the idea of using electricity for telegraphic purposes is much older. It was suggested again and again as each new discovery in electricity and magnetism seemed to render it more feasible. Thus the discovery of Stephen Gray and of Wheeler that the electrical influence of a charged Leyden jar may be conveyed to a distance by means of an insulated wire gave rise to various proposals, of which perhaps the earliest was that in an anonymous letter[2] to the Scots Magazine (vol. xv. p. 73, 1753), in which the use of as many insulated conductors as there are letters in the alphabet was suggested. Each wire was to be used for the transmission of one letter only, and the message was to be sent by charging the proper wires in succession and received by observing the movements of small pieces of paper marked with the letters of the alphabet and placed under the ends of the wires, A very interesting modification was also proposed in the same letter, viz., to attach to the end of each wire a small light ball which when charged would be attracted towards an adjacent bell and strike it. Some twenty years later Le Sage proposed a similar method, in which each conductor was to be attached to a pith ball electroscope. An important advance on this was proposed in 1797 by Lomond,[3] who used only one line of wire and an alphabet of motions. Besides these we have in the same period the spark telegraph of Reiser, of Don Silva, and of Cavallo, the pith ball telegraph of Ronalds, and several others. Next came the discovery of Galvani and of Volta, and as a consequence a fresh set of proposals, in which voltaic electricity was to be used. The discovery by Nicholson and Carlisle of the decomposition of water and the subsequent researches of Davy on the decomposition of the solutions of salts by the voltaic current were turned to account in the water voltameter telegraph of Sömmering and the modification of it proposed by Schweigger, and in a similar method proposed by Coxe, in which a solution of salts was substituted for water. Then came the discovery by Romagnesi and by Oersted of the action of the galvanic current on a magnet. The application of this to telegraphic purposes was suggested by Laplace and taken up by Ampère, and afterwards by Triboaillet and by Schilling, whose work forms the foundation of much of modern telegraphy. Faraday's discovery of the induced current produced by passing a magnet through a helix of wire forming part of a closed circuit was laid hold of in the telegraph of Gauss and Weber, and this application was at the request of Gauss taken up by Steinheil, who brought it to considerable perfection. Steinheil communicated to the Göttingen Academy of Sciences in September 1838 an account of his telegraph, which had been constructed about the middle of the preceding year. The currents were produced by a magneto-electric machine resembling that of Clarke. The receiving apparatus consisted of a multiplier, in the centre of which were pivoted one or two magnetic needles, which either indicated the message by the movement of an index or by striking two bells of different tone or recorded it by making ink dots on a ribbon of paper. Among other workers about this time we may mention Masson, Bréguet, Davy, Deval, Billon, Soudalot, and Vorsselman who proposed to use the physiological effects of electricity in working an electric telegraph.[4]
Steinheil appears to have been anticipated in the matter of a recording telegraph by Morse of America, who in 1835 constructed a rude working model of an instrument; this within a few years was so perfected that with some modification in detail it has been largely used ever since (see below). In 1836 Cooke, to whom the idea appears to have been suggested by Schilling's method, invented a telegraph in which an alphabet was worked out by the single and combined movement of three needles. Subsequently, in conjunction with Wheatstone, he introduced another form, in which five vertical index needles, each worked by a separate multiplier, were made to point out the letters on a dial. Two needles were acted upon at the same time, and the letter at the point of intersection of the direction of the indexes was read. This telegraph required six wires, and was shortly afterwards displaced by the single-needle system, still to a large extent used on railway and other less important circuits. The single-needle instrument is a vertical needle galvanoscope worked by a battery and reversing key, the motions to right and left of one end of the index corresponding to the dashes and dots of the Morse alphabet. To increase the speed of working, two single-needle instruments were sometimes used (double-needle telegraph). This system required two lines of wire, and, along with all multiple-wire systems, soon passed out of use. Similar instruments to the single and double needle ones of Cooke and Wheatstone were about the same time invented by the Rev. H. Highton and his brother Edward Highton, and were used for a considerable time on some of the railway lines in England. Another series of instruments, introduced by Cooke and Wheatstone in 1840, and generally known as “Wheatstone's step-by-step letter-showing” or “ABC instruments,” were worked out with great ingenuity of detail by Wheatstone in Great Britain and by Bréguet and others in France. They are still largely used for private wires, but are being rapidly displaced by the telephone.[5] Wheatstone also described and to some extent worked out an interesting modification of his step-by-step instrument, the object of which was to produce a letter-printing telegraph. But it never came into use; some years later, however, an instrument embodying the same principle, although differing greatly in mechanical detail, was brought into use by Royal E. House of Vermont, U.S., and was very successfully worked on some of the American telegraph lines till 1860, after which it was gradually displaced by the Phelps combination telegraph. The House instrument is not now in use, but various modifications of it are still employed for private lines and for stock telegraphs, such as Calahan's and the universal stock telegraphs, Phelps's stock printer, Gray's automatic printer for private lines, Siemens's and Phelps's automatic type printers, &c. (see infra, pp. 120-121).
II.General Description of Electric Telegraphs for Land and Sea.
Essential apparatus.The first requisite for electro-telegraphic communication between two localities is an insulated conductor extending from one to the other. This, with proper apparatus for originating electric currents at one end and for discovering the effects produced by them at the other end, constitutes an electric telegraph. Faraday's term “electrode,” literally a way for electricity to travel along, might be well applied to designate the insulated conductor along which the electric messenger is despatched. It is, how ever, more commonly and familiarly called “the wire” or “the line.”
The apparatus for generating the electric action at one end is commonly called the transmitting apparatus or instrument, or the sending apparatus or instrument, or sometimes simply the transmitter or sender. The apparatus used at the other end of the line to render the effects of this action perceptible to any of the senses—eye, ear, or taste, all of which have been used in actual telegraphic signalling —is called the receiving apparatus or instrument.
Overground lines.In the aerial or overground system of land telegraphs the main line consists generally of a “galvanized” iron wire from one-sixth to a quarter of an inch in diameter, stretched through the air from pole to pole, at a sufficient height above the ground for security. The supports or insulators, as they are called, by which it is attached to the poles are of very different form and arrangement in different telegraphs, but consist essentially of a stem of glass, porcelain, coarse earthenware, or other non-conducting substance, protected by an overhanging screen or roof. One end of the stem is firmly attached to the pole, and the other bears the wire. The best idea of a single telegraphic insulator may be got from a common umbrella, with its stem of insulating substance attached upright to the top of a pole and bearing the wire supported in a notch on the top outside. The umbrella may be either of the same substance as the stem—all glass or all glazed earthenware, for instance—or of a stronger material, such as iron, with an insulating stem fitted to it to support it below. Very good insulators may be made of continuous glass; but well-glazed porcelain is more generally used, or rather earthenware, which is cheaper, less brittle, and less hygroscopic, and insulates well as long as the glazing is sufficient to prevent the porous substance within from absorbing moisture.
One of the best forms Varley's double cup insulator—is shown in fig. 1. It consists of two distinct cups (c, C), which are moulded and fired separately, and afterwards cemented together. The double cup gives great security against loss of insulation due to cracks extending through the insulator, and also gives a high surface insulation. An iron bolt (6) cemented into the centre of the inner cup is used for fixing the insulator to the pole or bracket.

Fig. 1.—Varley's Double Cup Insulator, one-fourth full size.
Underground lines. In the underground system the main line generally consists of a copper wire, or a thin strand of copper wires, covered with a continuous coating of gutta percha, india-rubber, or some equivalent insulating substance, served with tarred tape and enclosed in earthenware, iron, or lead pipes laid below the surface of the ground. This system is largely used for street and tunnel work, and to a considerable extent, especially in Germany, for ordinary lines. Each tube generally contains a number of wires, which are either laid up into a cable and covered with a serving of tarred tape or hemp before being drawn into the tube, or—as is more commonly the case in the United Kingdom—simply laid together in a parallel group and tied at intervals with binders, which are removed as the wires are drawn into the tube. On some long underground lines in Germany the insulated wires are laid up into a cable, served with jute or hemp, and sheathed with a continuous covering of iron wires, precisely similar to the submarine cables described below. The cable is laid in a deep trench and coated with bitumen. This form of cable is easily laid, and if properly manufactured is likely to be very durable.
Submarine cables.Submarine Cables.—A submarine cable (figs. 2-4), as usually manufactured at present, consists of a core a in the centre of which is a strand of copper wires varying in weight for different cables between 70 and 400 lb to the mile.

Fig. 2.
![]() Fig. 3. |
![]() Fig. 4. |
Figs. 2-4—Sections of three types of submarine cables, full size. Fig. 2.—Type of shore end. Fig. 3.—Intermediate type. Fig. 4.—Deep sea type.
The stranded form was suggested by Prof. W. Thomson at a meeting of the Philosophical Society of Glasgow in 1854, because its greater flexibility renders it less likely to damage the insulating envelope the manipulation of the cable. The central conductor is covered with several continuous coatings of gutta percha, the total weight of which also varies between 70 and 400 lb to the mile. With a light core the weight of the gutta percha generally exceeds that of the copper, while in some heavy cores the copper is heavier. The different coatings of gutta percha and of the conductor are usually separated by a thin coating of Chatterton's compound (a mixture of gutta percha, resin, and Stockholm tar), in order to make them adhere firmly together. This practice has recently been departed from by Messrs Siemens Brothers, who have succeeded by an improved process of manufacture in getting perfect adhesion without the use of the compound. The core is served with a thick coating of wet jute, yarn, or hemp (h), forming a soft bed for the sheath, which consists of soft iron, or of homogeneous iron, wires of the best quality. The sheathing wires are usually covered with one or two servings of tarred canvas tape (t), or of tarred hemp, laid on alternately with coatings of a mixture of asphaltum and tar. The weight of the iron sheath varies greatly according to the depth of the water, the nature of the sea bottom, the prevalence of currents, and so on. Fig. 2 shows the intermediate type again sheathed with a heavy armour to resist wear in the shallow water near shore. In many cases a still heavier type is used for the first mile or two from shore, and several intermediate types are often introduced, tapering gradually to the thin deep-water type. Captain S. Trot and Mr F. A. Hamilton have proposed[6] to abandon the iron sheath and substitute a strong double serving of hemp, laid on in such a way as to prevent twisting when the cable is under tension. This suggestion, which is a revival with some modifications of an old idea, is, however, still in the experimental stage.
We will now describe very briefly a few of the most important processes in the manufacture and submergence of submarine cables.
Their manufacture.In manufacturing a cable (fig. 5) the copper strand is passed through a vessel A containing melted Chatterton's compound, then through the cylinder C, in which a quantity of gutta percha, purified by repeated washing in hot water, by mastication, and by filtering through wire-gauze filters, is kept warm by a steam-jacket.

Fig. 5.
As the wire is pulled through, a coating of gutta percha, the thickness of which is regulated by the die D, is pressed out of the cylinder by applying the requisite pressure to the piston P. The newly coated wire is passed through a long trough T, containing cold water, until it is sufficiently cold to allow it to be safely wound on a bob bin B. This operation completed, the wire is wound from the bobbin B on to another, and at the same time carefully examined for air-holes or other flaws, all of which are eliminated. The coated wire is treated in the same way as the copper strand, the die D, or another of the same size, being placed at the back of the cylinder and a larger one substituted at the front. A second coating is then laid on, and after it passes through a similar process of examination a third coating is applied, and so on until the requisite number is completed. The finished core changes rapidly in its electric qualities at first, and is generally kept for a stated interval of time before being subjected to the specified tests. It is then placed in a tank of water and kept at a certain fixed temperature, usually 75 Fahr., until it assumes approximately a constant electrical state. Its conductor and dielectric resistance and its electrostatic capacity are then measured. These tests are generally repeated at another temperature, say 50 Fahr., for the purpose of obtaining at the same time greater certainty of the soundness of the core and the rate of variation of the conductor and dielectric resistances with temperature. Should these tests prove satisfactory the core is served with jute yarn, coiled in water tight tanks, and surrounded with salt water. The insulation is again tested, and if no fault is discovered the served core is passed through the sheathing machine, and the iron sheath and the outer covering are laid on. As the cable is sheathed it is stored in large water-tight tanks and kept at a nearly uniform temperature by means of water.
Submersion.The cable is now transferred to a cable ship, provided with water-tight tanks similar to those used in the factory for storing it. The tanks are nearly cylindrical in form and have a truncated cone fixed in the centre, as shown at C, fig. 6. The cable is carefully coiled into the tanks in horizontal flakes, each of which is begun at the outside of the tank and coiled towards the centre.

Fig. 6.—Diagram of cable tank and paying-out apparatus of submarine cable.
The different coils are prevented from adhering by a coating of whitewash, and the end of each nautical mile is carefully marked for future reference. After the cable has been again subjected to the proper electrical tests and found to be in perfect condition, the ship is taken to the place where the shore end is to be landed. A sufficient length of cable to reach the shore or the cable-house is paid overboard and coiled on a raft or rafts, or on the deck of a steam-launch, in order to be connected with the shore. The end is taken into the testing room in the cable -house and the conductor connected with the testing instruments, and, should the electrical tests continue satisfactory, the ship is put on the proper course and steams slowly ahead, paying out the cable over her stern. The cable must not be over strained in the process of submersion, and must be paid out at the proper rate to give the requisite slack. This involves the introduction of machinery for measuring and controlling the speed at which it leaves the ship and for measuring the pull on the cable. The essential parts of this apparatus are shown in fig. 6. The lower end e of the cable in the tank T is taken to the testing room, so that continuous tests for electrical condition can be made. The upper end is passed over a guiding quadrant Q to a set of wheels or fixed quadrants 1, 2, 3,... then to the paying-out drum P, from it to the dynamometer D, and finally to the stern pulley, over which it passes into the sea. The wheels 1, 2, 3,... are so arranged that 2, 4, 6,... can be raised or lowered so as to give the cable less or more bend as it passes between them, while 1, 3, 5,... are furnished with brakes. The whole system provides the means of giving sufficient back-pull to the cable to make it grip the drum P, round which it passes several times to prevent slipping. On the same shaft with P is fixed a brake-wheel furnished with a powerful brake B, by the proper manipulation of which the speed of paying out is regulated, the pull on the cable being at the same time observed by means of D. The shaft of P can be readily put in gear with a powerful engine for the purpose of hauling back the cable should it be found necessary to do so. The length paid out and the rate of paying out are obtained approximately from the number of turns made by the drum P and its rate of turning. This is checked by the mile marks, the known position of the joints, &c., as they pass. The speed of the ship can be roughly estimated from the speed of the engines; it is more accurately obtained by one or other of the various forms of log, or it may be measured by paying out continuously a steel wire over a measuring wheel. The average speed is obtained very accurately from solar and stellar observations for the position of the ship. The difference between the speed of the ship and the rate of paying out gives the amount of slack. The amount of slack varies in different cases between three and ten per cent., but some is always allowed, so that the cable may easily adapt itself to inequalities of the bottom and may be more readily lifted for repairs. But the mere paying out of sufficient slack is not a guarantee that the cable will always lie closely along the bottom or be free from spans. Whilst it is being paid out the portion between the surface of the water and the bottom of the sea lies along a straight line, the component of the weight at right angles to its length being supported by the frictional resistance to sinking in the water. If, then, the speed of the ship be , the rate of paying out , the angle of immersion , the depth of the water , the weight per unit length of the cable , the pull on the cable at the surface P, and A, B constants, we have—
and
where stands for “function” The factors and give the frictional resistance to sinking, per unit length of the cable, in the direction of the length and transverse to the length respectively. [7] It is evident from equation () that the angle of immersion depends solely on the speed of the ship; hence in laying a cable on an irregular bottom it is of great importance that the speed should be sufficiently low. This may be illustrated very simply as follows: —suppose (fig. 7) to be the surface of the sea, be the bottom, and the straight line made by the cable; then, if a hill H, which is at any part steeper than the inclination of the cable, is passed over, the cable touches it at some point t before it touches the part immediately below t, and if the friction between the cable and the ground is sufficient the cable will either break or be left in a long span ready to break at some future time. It is important to observe that the risk is in no way obviated by the increasing slack paid out, except in so far as the amount of sliding which the strength of the cable is able to produce at the points of contact with the ground may be thereby increased. The speed of the ship must therefore be so regulated that the angle of immersion is as great as the inclination of the steepest slope passed over. Under ordinary circumstances the angle of immersion varies between six and nine degrees.[8]

Fig. 7.
Qualities of a Telegraph Line.—The efficiency of the telegraph depends on three qualities of the main line (1) its conducting quality, (2) its insulation, and (3) its electrostatic capacity.
Conducting qualities.1. The conducting quality of a wire or other elongated portion of matter is measured by the quantity of electricity which it allows to flow through it when a stated ”electromotive force,“ or “difference of electric potentials,” is maintained between its two ends. It may be most naturally, and is in point of fact generally, expressed in terms of resistance to transmission, regarded as a quality inverse to that of conducting power, and expressed numerically by the reciprocal of the measure of the conducting power. An independent explanation and definition of the electrical resistance of a conductor may be given as follows: the electrical resistance of a conductor is measured by the amount of electromotive force, or difference of potentials, which must be maintained between its ends to produce a stated strength of electric current through it.
Insulation.2. The true measure of the insulation of a body is the resistance to conduction offered by its supports. The reciprocal of this, or the conducting power of the supports, measures the defectiveness of the insulation. Since no substance yet known is absolutely a non-conductor of electricity, perfect insulation is impossible. If, however, the supports on which a telegraph wire rests present, on each part and on the whole, so great a resistance to electric conduction as to allow only a small portion of the electricity sent in, in the actual working, at one end to escape by lateral conduction, instead of passing through the line and producing effect at the other end, the insulation is as good as need be for the mode of working adopted. With the good insulation attained in a submarine line, round every part of which the gutta percha is free from flaws, no telegraphic operation completed within a second of time can be sensibly influenced by lateral conduction. A charge communicated to a wire thus insulated under water, at the temperature of the sea-bottom, is so well held that, after thirty minutes, not so much as half of it is found to have escaped. From this, according to the familiar “compound interest” problem, it appears that the loss must be at the rate of less than five per cent, per two minutes.
Electrostatic capacity.3. In 1849 Werner Siemens proved that “when a current is sent through a submerged cable a quantity of electricity is retained in charge along the whole surface, being distributed in proportion to the tension of each point,”; that is to say, to the difference of potentials between the conductor at any point and the earth beside it. In 1854 Faraday showed the effect of this “electrostatic charge” on signals sent through great lengths of submerged wire, bringing to light many remarkable phenomena and pointing out the “inductive” embarrassment to be expected in working long submarine telegraphs. In letters[9] to Professor Stokes in November and December of the same year, Prof. W. Thomson gave the mathematical theory of these phenomena, with formulæ and diagrams of curves, containing the elements of synthetical investigation for every possible case of practical operations. Some of the results of this theory are given at the end of the present article. The conductor of a submarine cable has a very large electrostatic capacity in comparison with that of a land telegraph wire in consequence of the induction, as of a Leyden phial, which takes place across its gutta percha coat, between it and its moist outer surface, which may be regarded as perfectly connected with the earth, that is to say, at the same potential as the earth. The mathematical expressions for the absolute electrostatic capacity C, per unit of length, in the two cases are as follows.
Submarine line.Let D = diameter of the inner conductor, supposed to be that of a circular cross section, or of a circle inappreciably less than one circumscribed about the strand which constitutes a modern submarine conductor; = outer diameter of the insulating coat; I = specific inductive capacity of the gutta percha or other substance constituting the insulating coat. Then
Air line.In the case of a single wire of circular section, diameter D, undisturbed by the presence of others, and supported at a constant height h above the earth by poles so far apart as not to influence its capacity sensibly—
Example 1. In a submarine cable in which D'= 1 centimètre; D =0·4 centimètre; and I = 3·2—
Example 2. In a land line in which D = 0·6 centimètre and h =600 centimètres—
The capacity, therefore, is in this case less than one-twenty-ninth of that of the submarine cable of example 1 for the same length.
Telegraph Testing.
Standards of Measurement. Standards of Measurement.—A brief consideration of the standards according to which the electrical qualities referred to in the last section are measured, and the measurements to be described in this section are made, will render the statements of those qualities and quantities more definite. A complete and universally comparable system of standards for physical measurements can be obtained by adopting arbitrarily as fundamental units those of length, mass, and time, and expressing in terms of these in a properly defined manner the units of all the other quantities. The units now adopted all over the world for electrical measurements take the centimètre as the unit of length, the gramme as the unit of mass, and the mean solar second as the unit of time. There are two systems in use, the electrostatic and the electromagnetic. In the former the mutual forces exerted by two bodies, each charged with static electricity, are taken as the starting-point, and in the latter the mutual forces exerted between a current of electricity and a magnet. The units according to these two systems are definitely related; but as we deal in the present article with the electromagnetic system we give the following brief account of it only.
Units. The dyne or unit force is that force which, acting on a gramme of matter, free to move, imparts to it a velocity of 1 centimètre per second. Unit quantity of magnetism or unit magnetic pole is that quantity of magnetism which, when placed at a distance of 1 centimètre from an equal and similar quantity of magnetism or a magnetic pole, repels it with unit force. Unit magnetic field is a field which, when a unit quantity of magnetism or a unit magnetic pole is placed in it, is acted on by unit force. Unit current is a current which, when made to flow round a circle of unit radius, produces a magnetic field of 2π units' intensity at the centre of the circle, or acts on a unit quantity of magnetism placed at the centre of the circle with 2π units of force. Unit quantity of electricity is the quantity conveyed by the unit current in one second. Unit difference of potential is the difference of potential between the ends of a conductor of unit length when it is placed with its length at right angles to the direction of force in a unit magnetic field and kept moving with a velocity of 1 centimètre per second in the direction at right angles to its own length and to the direction of the magnetic force. Unit electromotive force is produced in a closed circuit if any unit of its length is held in the manner, and moved in the direction and with the velocity, described in the last section. Unit resistance is the resistance which, when acted on by unit electromotive force, transmits unit current. Unit capacity is the capacity of a body which requires unit quantity of electricity to raise its potential by unity. The units above specified are generally referred to as the absolute C.G.S. electromagnetic units of the different quantities. In practice their magnitudes were found inconvenient, and certain multiples and submultiples of them have been adopted as the practical units of measurement: thus the ohm is equal to 109 C.G.S. units of resistance; the volt is equal to 108 C.G.S. units of electromotive force; the ampere is equal to 10-1 C.G.S. units of current; the coulomb is equal to 10-1 C.G.S. units of quantity; the farad is the capacity which is charged to a volt by a coulomb, and is equal to 10-9 C.G.S. units of capacity; the microfarad is the millionth part of the farad, and is equal to 10-15 C.G.S. units of capacity.
We are here chiefly concerned with the units of electromotive force, resistance, and capacity. No universally recognized standard of electromotive force has yet been established, but the want has been to a great extent supplied by the potential galvanometers, electrostatic voltmeters, standard cells, and other instruments devised by Sir W. Thomson and others. The work of Lord Rayleigh, Dr. Fleming, and other experimenters on the Clark and Daniell standard cells has shown conclusively that an electromotive force can be reproduced with certainty within one -tenth per cent. of accuracy by means of either of these cells. Specimens of the standard unit of resistance, or ohm, made of an alloy of platinum and silver, or of platinum and iridium, have been constructed, and can be relied on, if properly taken care of, to remain very nearly accurate from year to year. Similar specimens of the standard unit of capacity or microfarad which remain very nearly constant have been successfully produced. For a fuller treatment of this subject and of the methods of determining the different units, see Electricity, vol. viii. p. 40 sq. [10]
Telegraph line testing consists mostly of comparisons of the resistance of the conductor and the insulator with sets of standard resistances, and of comparisons of the inductive capacity of the line or cable with standard condensers of known capacity. When, as is sometimes the case, the strength of the current flowing through the line or through a particular instrument is to be determined, it is measured by an electrodynamometer, or by a current galvanometer, properly constructed for indicating currents in absolute measure. In the absence of such an instrument it may be obtained accurately by the use of a standard galvanometer in a known or determined magnetic field, or, taking advantage of Faraday's discovery of the electro-chemical equivalents, by measuring the amount of silver or of copper deposited by the current when it is made to pass through an electrolytic cell; or the electromotive force per unit resistance of the circuit may be determined by the use of standard resistances and a standard cell. Space does not allow us to do more than simply refer to these methods, the first two at least of which involve accurate and somewhat difficult experimental work. [11]
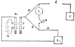
Measurement of wire resistance by Wheatstone's bridge.Measurement of Wire Resistance.—(1) By Wheatstone's bridge. [12]Let l (fig. 8) be the line with its distant end connected with the earth, a and b known resistances, x a resistance which can be varied, G a galvanometer, K a single lever key, K1 a reversing key, and B a battery.

Fig. 8.
Put the zinc pole of the battery to the line and adjust the resistance x until the galvanometer G shows no deflexion when K1 is depressed. We then have, assuming no electromotive force in the line, l = ax1/b. Next put the copper pole to the line and repeat the test, and suppose in this case l = ax2/b; if these two values of l nearly agree the true value may be taken as 2ax1x2/b(x1+x2. The effect of an electromotive force in the line itself is nearly eliminated by reversing the battery.
By direct deflexion. (2) Let the battery B (fig. 9) be connected through the keys K1 and K and the galvanometer G with the line l, which has its distant end to the earth as before; shunt the galvanometer by a shunt s until a convenient deflexion is obtained, and then take as quickly as possible a series of readings with zinc and copper alternately to the line. Next substitute for I a set of resistance coils and vary the resistance until the same series of readings is obtained. The resistance introduced for the reproduction of each reading indicates the apparent resistance of the line when that reading was taken. The readings will generally differ because of the existence of a variable electromotive force in the line. If, however, the difference is not very great, the harmonic mean of the arithmetic mean of the resistances, when zinc and copper were respectively to the line, will give nearly the true resistance.
Fig. 9.
Since the deflexions are reproduced by substituting resistances for the line, the galvanometer zero may be off the scale to one side, and hence the total deflexion, and therefore the sensibility, may be made very considerable. In this case the reversing key K is required for keeping the deflexion in the same direction. With a perfectly insulated battery this can be accomplished by putting the galvanometer between the battery and the key K; but the arrangement shown is safer. The most suitable galvanometer for these tests is a dead-beat mirror galvanometer with a long enough suspension to prevent error from the viscosity of the fibre. Such an instrument is much to be preferred to the astatic form, especially when variable earth-currents are present.
By differential galvanometer.(3) A highly sensitive modification of method (2) is obtained by the use of a differential galvanometer, one coil of which is joined in circuit with the standard resistances and the other coil with the line. The resistances are then adjusted to balance, or to give no permanent deflexion when the battery circuit is closed. Several balances with positive and negative currents must be taken and the results combined as indicated above.
By electrometer.(4) When an electrometer is employed for testing insulation, as described below, it may be used for the wire resistance also either by substituting it for the galvanometer in Wheatstone's bridge method (fig. 8, G) or by that shown in fig. 10.
Fig. 10.
One pole of the battery B is joined to the line through the reversing key K and the resistance R, the other pole being to the earth. The electrometer El is then applied to the two ends of R and to the end of l and the earth alternately and the relative deflexion noted. The deflexions should be as nearly as possible equal; that is, R should be as nearly as possible equal to l. The form of reversing key shown at K1 is convenient for this test, as it allows the comparisons to be made quickly; and, as the readings can be always taken to the same side of zero, the whole length of the scale is available for each deflexion. The key consists of two ordinary front and back stop single lever keys fixed together by an insulating piece I at such a distance apart that the contact stops a, b and c, d are at the corners of a square. Suppose one pole of the battery put to the line and the resistance R adjusted until no change of deflexion is obtained by depressing K1; then R is equal to l if there is no earth disturbance. Then put the other pole of the battery to the line; turn the levers of K through 90° round the pivot p; and repeat the adjustment of R for a second determination of l. Repeat these measurements several times and combine the results in the manner described in method (2). If R is not made equal to l, the resistances are in the ratio of the corresponding deflexions.
Measurement of insulator resistance; direct deflexion method.Measurement of Insulator Resistance.—(1) In the direct deflexion method the connexions are the same as those shown in fig. 9, except that the distant end of the line is insulated. Very great care must be taken that the galvanometer and all the connexions between it and the end of the line are so well insulated that no sensible part of the observed deflexion is due to leakage through them. In making the test, first earth the line for five minutes; then, with the galvanometer short-circuited, apply the zinc pole of the battery to the line; at the end of from thirty seconds to a minute, depending on the length and capacity of the line, remove the short-circuit plug; and record the deflexion at the end of every ten or fifteen seconds during the whole time (usually from ten to twenty minutes) the test is continued. Again earth the line for an interval equal to that during which the battery was applied; then apply the copper pole of the battery and repeat the readings as before. Using the deflexions as ordinates and the corresponding times as abscissæ, construct a smooth curve for both the zinc and the copper test. The galvanometer constant divided by the mean ordinate of these curves at any time gives the insulation at that time. To determine the galvanometer constant, substitute a high resistance R, say one megohm, for the line, and shunt the galvanometer with a shunt s. If the deflexion under these circumstances is d and G is the galvanometer resistance, the constant is
Electrometer method.(2) The electrometer method is only applicable to lines of considerable inductive capacity, but is particularly well suited for cable testing. The battery B (fig. 11) is connected through a reversing key K1 to the ends of the resistance slide ab, one end of which is put to earth.
Fig. 11.
The slide generally consists either of 10 or 100 equal resistances, amounting in the aggregate to from 10,000 to 100,000 ohms. The cable can be connected by means of the reversing key K to either pair of quadrants of the electrometer El, the slider s being at the same time put to the other pair. To determine the constant of the electrometer, connect the earth wire w with the cable terminal and the slider with contact 1, and observe the deflexion; this should be the same for both directions of the current through the slide; its value multiplied by 10, when the slide is made up of ten coils, gives the value in scale divisions of the full difference of potential between the ends of the slide. This number added to the zero reading of the electrometer is called the inferred zero. To find the insulation of the cable, remove the wire w, put in the short circuit plug p, move the slider to contact 10, and, the distant end of the cable being insulated, apply by means of K1 the zinc pole of the battery to the cable and the copper pole to the earth. Allow sufficient time for the cable to charge—say one minute for a cable of 2000 knots—then remove the short-circuit plug and take readings every fifteen or thirty seconds. The difference of these readings from zero gives the fall of potential of the cable due to discharge through the insulating coat. Next earth the cable at both ends for a time equal to the duration of the last test, and after reversing K put the copper pole of the battery to the cable and the zinc pole to the earth and take another series of readings. Subtract these readings from the inferred zero, and, using the differences as ordinates and the corresponding times as abscissæ, draw two curves. To find the insulation of the cable at any interval t after the battery was applied, draw a tangent to the curve at the point corresponding to that time and produce it to cut the axis of the ordinates. Let D1 be the ordinate to the point of intersection, and D the ordinate at the time t; then, if C be the capacity of the cable in microfarads and I its insulation in megohms,
If the difference between the reading and the inferred zero at the times t and t1 be D and D1, the insulation is given by the equation
when t1-t is reckoned in seconds. This latter is the formula commonly used; it gives the insulation at some time in the interval between the two observations; the exact time depends on the rate of "absorption" of the cable.
The advantages of the electrometer method of testing cables are the comparative steadiness of the needle during earth-current disturbances, its high sensibility for the detection of small intermittent faults, and the fact that simultaneous tests can be taken from both ends of the cable. In order to test from both ends simultaneously one or other of the following methods may be adopted. Call the ends of the cable A and B, and suppose the operator at A is to begin the test. The operator at B joins the copper pole to the earth and the zinc pole to the line, and leaves the slider of his slide resistance at the earth end of the slide. Then, at a time previously arranged, he watches until he sees the electrometer begin to indicate a charge in the cable, and moves the slider along the slide so as to keep the electrometer near zero. As soon as the electrometer ceases to indicate increase of charge he ceases to move the slider and begins to record the deflexions at regular intervals, the first reading being taken as zero. The other method is to leave the slider permanently to earth and keep the electrometer so insensitive that the deflexion is always within the limits of the scale. Observe the time at which the electrometer begins to be deflected, and from that time onward take readings every thirty seconds during the time of the test. The mean of the readings taken at both ends, reduced to the same sensibility, should be used for calculating the insulation. This method not only eliminates the effects of earth-current disturbance but also throws light on the nature and distribution of such disturbances.
Fall of potential method by galvanometer.When an electrometer is not available and the line is too much disturbed for good tests to be obtained by the galvanometer method, the following procedure may be adopted. Join the battery and the galvanometer in series with the cable as for the direct deflexion test. Short-circuit the galvanometer and charge the cable for one minute. Insulate the cable for fifteen seconds; then break the short circuit of the galvanometer; again apply the battery, and take the deflexion produced by the charge. Keep the battery on the cable for fifteen seconds, and during that time take if possible the direct deflexion reading two or three times. Again insulate for fifteen seconds and repeat the above readings; and continue the same cycle of operations for the whole time of the test. After earthing the cable for the proper interval repeat the above test with the other pole of the battery to the cable. To reduce the charge readings to absolute measure, find the deflexion of the galvanometer needle due to the charge of a condenser of microfarads capacity by the testing battery; let be this deflexion. Then the deflexion that would be obtained by charging the whole cable would be and, if D be any one of the deflexions during the test, is the fraction of the whole charge which has been lost in the fifteen seconds immediately preceding this charge; thus
The method just described takes advantage in a somewhat imperfect manner of both the direct deflexion and the electrometer test; but the galvanometer should have such a long period that the whole of the charge can take place before the needle is sensibly moved from its zero position, and that the vibration of the needle must not be damped to any great extent,—a condition which renders the instrument unsuitable for direct deflexion testing.
The points with regard to the cable which should be particularly attended to when testing for insulation are—the continuity of the insulation all through the test, that is, there should be no sign of a breakdown for ever so short a time; the rate of polarization with positive and negative current is always the same in a perfect cable, but is seldom so when a fault exists; the absolute insulation with both currents should also be the same if the cable is perfect, but is never so for any length of time when a fault exists. If the insulations show any sign of being defective great care must be taken not to apply a powerful battery to the cable, unless the object is to increase or "break down" the fault. The resistance of a fault is generally diminished by applying the zinc pole of the battery to the cable and increased by applying the copper pole; but if the fault is small it sometimes happens that both currents increase the resistance. Even a very powerful battery may in such a case fail to increase the fault.
Thomson's capacity test.Capacity Tests.—The arrangement of the connexions for Thomson's capacity test are shown in fig. 12.
Fig. 12.
A well-insulated battery B is connected through a reversing key K1 to the slide resistance ab, and by means of a key K can be put to a standard condenser C and b to the cable, or the condenser and the cable can be connected together and then both put to earth through the galvanometer G by closing the key K. Any point in the resistance ab can be put to earth by means of the sliders. Suppose the middle point put to the earth, then C and L will be charged to equal potentials but of opposite sign. If the connexions to the slide are broken and C is joined to L, the resulting charge will be zero when the capacity C is equal to the capacity L, and when K 2 is closed no current will flow through G. Similarly, if as is to sb as L is to C the resulting charge is zero. Hence when, after joining C to L, no deflexion is shown on G when K 2 is closed—
Gott's test.A modification of this test has been suggested by Mr John Gott. The condenser C is joined in series with the cable and one end of the slide is put to earth. The galvanometer G is joined from the end of the cable to the slider's and the position of the latter, which gives no deflexion, is found by successive trials, the cable being discharged and recharged between the trials. A small con denser in the galvanometer circuit is an advantage, as it allows several adjustments to be made without discharging the cable. The most suitable instrument, however, is an electrometer, as it allows the adjustment to be made at once.
De Sauty's test. The capacities of condensers may be compared by charging or discharging them through a galvanometer and comparing the deflexions, or, as in De Sauty's method, by substituting them for two sides of a Wheatstone's bridge and finding the ratio of the resistances in the other two sides; then, with the galvanometer circuit closed, the battery circuit can be closed without producing any deflexion. The galvanometer circuit must join the condensers at the same points as the bridge resistances. These methods are quite unsuited for telegraph-line testing because of the resistance and the inductive retardation of the line.
Tests of a submerged cableTests of a Submerged Cable.—During the submergence of a cable it is necessary to provide the means of knowing at every instant whether it continues in perfect electrical condition, so that should any fault develop it can be at once detected and further paying out stopped until it is removed. It is also of great importance that the ship and shore should be in telegraphic communication with each other. The arrangements made for these purposes by different electricians vary considerably; but the general principle will be gathered from fig. 13, which includes all that is absolutely necessary for the purpose.
Fig. 13.
The principal testing station is always on board the ship, and from it all the testing operations both on board and on shore are regulated. Referring first to the arrangements on board, B is the testing battery, K the testing key, and G the testing galvanometer; B1 is the signalling or "speaking" battery, K1 the key, and G1 the galvanometer; R is a resistance box and E the earth-plate—the ship's side in this case. The battery B is connected through the key K, the resistance R, and the galvanometer G to the cable, as for direct deflexion testing. The shore end of the cable is at the same time connected to one set of plates of a highly insulated condenser C1 and (although this may be omitted) to one pair of quadrants of an electrometer El. The other pair of plates of the condenser are put to earth through the signalling key K1. It is convenient also to have a second condenser C, on shore, the capacity of which can be readily varied, so arranged that its capacity can be added to that of C l by depressing the key K, and again discharged through a galvanometer G by releasing the key. The operations are then conducted as follows. The insulation is measured on board ship, alternately with positive and negative currents of from ten to fifteen minutes duration, by observing the deflexion on the galvanometer G; and the reading at the end of each minute, or oftener, is recorded in a diary. The continuity of the conductor is tested at short intervals—say every five minutes—by the observer on shore depressing the key K and thus adding the capacity of C to the cable. This gives a sudden deflexion on the galvanometer G on board, and at the same time shows that the conductor is continuous and that the observer on shore is attending to his duties. When the shore key K is released, the discharge through G is indicated by a throw deflexion, the amount of which is recorded in the diary and shows the potential to which the shore end of the cable is kept charged. When the electrometer El is used, a continuous test of the potential at the shore end is obtained, and the development of a fault in the cable is at once indicated. It is convenient for this purpose to dispense with the charge in the electrometer jar and needle and connect the needle to the pair of quadrants which are joined to the cable. The deflexion is then proportional to the square of the potential and is always to one side of zero, so that the whole range of the scale is available for the de flexion. The tests for wire-resistance and capacity are practically the same as those already described. They are in ordinary circumstances of much less importance than the insulation tests. The wire-resistance test is of great value, however, for giving a close estimate of the temperature of the submerged cable, and hence for giving the means of comparing the tests of the submerged cable with those of the cable previous to submersion. In laying short lengths of cable the shore station may be dispensed with and capacity tests relied on for continuity. Communication between ship and shore is carried on by means of the keys K1, K1, the galvanometer G1, and the batteries B1, B1 The signalling key on board the ship adds or subtracts the electromotive force of the battery B1 from the testing battery, and hence varies the potential of the cable. This is shown on shore by the partial charge or discharge of C1 passing through the galvanometer G1 and is interpreted in accordance with the single needle alphabet in the ordinary way. In a similar manner the signalling key on shore varies the charge of C1, and so causes slight variations of the testing-current on board the ship, which are read on the galvanometer G1 and interpreted in the same way. The testing is usually suspended during the signalling; but if the message is long an insulation reading is taken every few minutes according to pre-arrangement.
Marine galvanometer.The galvanometers used at sea require to be constructed so that the rolling of the ship does not deflect the needle, either on account of its inertia and the action of gravity, or of the relative changes in the position of the ship's magnetism. The best form of marine galvanometer consists of two short bobbins of fine silk-covered wire placed end to end, about an eighth of an inch apart, and having their axes in the same line, with a very light mirror, carrying cemented to its back one or more small magnets suspended between the two bobbins in such a way that the centre of the mirror is in their common axis. The mirror and magnet system weighs from one-half to one grain. It is suspended as shown in fig. 14 by a TELEGRAPH 119 FIG. 14. Marine galvano meter. single silk fibre/, which passes through the centre of inertia of the mirror and needle system in and is fixed at one end directly to the frame F and at the other end to a light spring s. The frame F is made thin enough to slide into the opening between the two bobbins, so that the mirror can be easily taken out for adjustment when necessary. So long as the suspending fibre passes through the centre of inertia of TO it is clear that no motion of translation of F can produce rotation of the mirror. When the instrument requires to be highly sensitive, as for testing purposes, it is shielded from the action of the ship s and the earth s magnetism by enclosing it in a massive iron case. For signalling pur poses the controlling magnet is arranged to produce at the needle a field so strong that the effect of variations of external mag netism is inappreciable. Testing for Faults. Numerous methods have been proposed for the localization of faults in telegraph lines, some of a complex char acter and adapted to the cases of faults of a kind which fortunately seldom, if ever, occur. We give here a brief outline of the tests for the cases of most common occurrence. Com- For the determination of the position of a complete rupture with plete the conductor insulated both the insulation and the capacity tests rupture are theoretically applicable. The insulation of a line of uniform with con- type and material is inversely as its length ; hence if a piece is ductor broken off the insulation is increased. If I be the total insulation insu- before rupture, Ij the insulation of one section after rupture, and I lated. the total length of the line, the length of the section is Il/l^ Un fortunately it is difficult to obtain the necessary accuracy in insula tion testing on account of the great influence of earth -currents on the result ; but apart from this there is always some uncertainty, especially in cables, as to the insulation at the break. For cables a fairly reliable test can be obtained from the capacity even when the insulation at the fault is somewhat imperfect, if it be sufficient to hold the greater part of the charge for a few seconds, since the amount of loss in any short interval can be estimated by a separate test. The capacity of a uniform cable is inversely as its length ; hence, if C be the total capacity of the perfect cable and C^ the capacity of one section, the length of that section is ZCj/C. When as is almost always the case the cable is not quite uniform in electrical quality and in temperature, a table or a curve showing the wire resistance, the insulation, and the capacity up to any point from either end should be kept for reference. Com- It is not at all uncommon in cables for one side of a fracture to plete be partially insulated through the conductor not breaking exactly fracture . at the same point as the insulator. In this case, however, the with end other end will be in most cases almost perfectly earthed and the partially position of the fault can be very nearly determined by the wire- earthed, resistance test. When both ends are partially insulated it is very difficult to obtain a near approach to the position of the fault because of the uncertainty as to which side of the break offers the greatest resistance. A first approximation is obtained by finding the wire resistance from both ends and subtracting the total wire resistance of the cable from the sum of these. This gives the sum of the resistances at the fracture, and half of this, if it is not too great, subtracted from the resistance of either section gives an approxima tion to the resistance of that section up to the break. If, however, the resistance at the fracture is comparable to the total wire re sistance of the cable, this method is useless. An approach to the solution of the difficulty can be obtained from capacity tests, the cable being discharged through different resistances at the testing end. But the procedure is very uncertain and difficult, and a full discussion of it would take more space than can be afforded here. The resistance at a fault can sometimes be greatly diminished by repeated application alternately of the positive and negative poles of a powerful battery to the cable, but this should never be resorted to if it can possibly be avoided. The direct deflexion method of taking wire resistance is most suitable for these tests. The resist ance seems to diminish gradually after the battery is applied until it reaches a minimum value, after which it again increases. This maximum deflexion should be taken as indicating most nearly the true wire resistance up to the fracture. Partial When the fault is a partial earth without fracture, and both earth ends of the cable are available as in factory testing, or when a without second well -insulated cable can be used the most satisfactory fracture, method is the loop test. In this the two sections of the cable form two sides of the Wheatstone s bridge ; one pole of the battery is put to the junction of the other two sides and the other pole to earth, that is, practically to the fault. The ratio of the resist ances in the bridge when balance is obtained gives the ratio of the resistances of the two sections of the cable, or the ratio of the resistance of one section to the resistance of the other section plus the resistance of the second cable. The total resistance of the cable being known, it is easy to determine the position of the fault. When the fault has a high resistance it is necessary to make a cor rection for the want of perfect insulation in the sound part of the cable. When both ends of the cable are not available, measure the potential at the testing end and the resistance between that end and the earth, and simultaneously measure, by means of a slide re sistance and zero galvanometer or by means of a quadrant electro meter, the potential at the distant end. Then, if V be the potential at the testing end, v the potential at the distant end, and R the re sistance measured, the true resistance of the fault is R^l-v/V). Another simple, although less perfect method, may be mentioned. Measure the resistance between both ends and the earth and subtract from the sum the true wire resistance of the cable ; the difference is twice the resistance of the fault. The imperfection of this method, and indeed of any which involves two observations not made simul taneously, lies in the variable character of the resistance of a fault. III. MODERN TELEGRAPHS. The code of signals introduced by Morse is still employed in the Morse United States and Canada, and the international code in vogue in system. Europe differs only slightly from it. Currents in one direction only are used, and different combinations of from one to four long and short contacts form the letters, while the numerals are represented by groups of five signals, and punctuation and other special signs by groups of six and sometimes more. The instruments used for land telegraphs on this system are of two types, " sounders," which indicate by sound, and "recorders," which record the signals. (1) Recorders vary in details of construction, but all have the Morse same object, namely, to record the intervals during which the current recorders, is applied to the line. In the earlier forms of instrument the record was made by embossing lines on a ribbon of paper by means of a sharp stile fixed to one end of a lever, which carried at the other end the armature of an electromagnet. This method of recording is still largely employed in America, and certainly has the advan tage of simplicity. The form of instrument almost universally used in Europe makes the record in ink, and hence is sometimes called the "ink-writer." This method has the advantage of dis tinctness, and so is less trying to the eyes of the operators. The action of the instrument will be understood from the annexed sketch (fig. 15). Sup pose s to be a strip of paper which is being pull- ed to wards the left by means of two rollers r a and moved by a train of mechanism. Underneath the roller r-^ a small wheel i is kept turning by the same mechanism, and has its lower edge in contact with the surface of ink in the ink-well w. When a current is sent through the magnet m, the armature a is FlG - i5.-Morse ink- writer, one-fourth attracted and the lever I lifts the ink-wheel i into contact with the paper, against the surface of which it rolls until the current is broken, thus making a mark the length of which depends on the speed of the mechanism and the time the current flows. As the speed of the mechanism is nearly constant, the relative lengths of the marks depend only on the duration of the current. In this way the letters of the alphabet, or any other understood signs, are indicated by groups of long and short marks, commonly called "dashes" and "dots." ing instrument soon Morse of the armature sounders, fatiguing method of (2) Operators who use the record- learn to read the message by the click against its stop, and as this is a less reading, and leaves the hands and eyes free to write, the sound is usu ally preferred. Thus, when it is not necessary to keep a copy, a much simpler instrument may be employed and the message read by sound. The earliest successful form was Bright s bell sounder, which consisted of two bells of distinct tone or pitch, one of which was sounded when the current was sent in one direction and the other when it was reversed. This instru ment was capable of giving very considerable speed, but it was more complicated than that now in use, which consists only of an electromagnet, with its armature lever arranged to stop Fio. 16. Morse sounder, one-fourth full size. 120 TELEGRAPH DOWN LINE against an anvil or screw b (fig. 16) in such a way as to give a dis tinct and somewhat loud sound. Dots and dashes are distinguished by the interval between the sounds of the instrument in precisely the same way as they are distinguished when reading from the recorder by sound. The form of sounder commonly used in England is shown in fig. 16 ; it is one of the simplest possible instruments, is easily adjusted to the current by tightening or slackening the spring s, and is very little liable to get out of order. Chemical Another and in some respects a simpler method of recording is tele- to use a chemically prepared ribbon of paper. Suppose, for in- graphs. stance, the paper ribbon to be soaked in a solution of iodide of potassium and a light contact spring made to press continu ously on its surface as it is pulled forward by the mechanism. Then, if a current is sent from the spring to the roller through the paper, a brown mark will be made by the spring due to the liberation of iodine. This was the principle of the chemical telegraph proposed by Edward Davy in 1838 and of that proposed by Bain in 1846. It gives a ready means of recording on the Morse plan at a high rate of speed, and Bain s telegraph was successfully worked for some years in America. Several ingenious applications of his method have been proposed, as, for example, the copying telegraph of Bake- well and of Cros, by means of which a telegram may be transmitted in the sender s own handwriting ; the pantelegraph of Caselli ; the autographic telegraphs of Meyer, Lenoir, Sawyer, and others ; and the autographic typo-telegraph of Bonelli. The principle of action of these instruments is this. Suppose two metallic cylinders, one at the sending and the other at the receiving station, to be kept revolving synchronously, and suppose the axis of each to be threaded with a fine screw so that as it revolves rapidly it has a slow side motion. Wrap round the cylinder at the sending station a ribbon of tinfoil, or paper covered with a conducting coating, on which the message is written in varnish or some other insulating substance. Suppose also a ribbon of paper which has been soaked in iodide of potassium to be wrapped round the cylinder at the receiving station. Cause a stile, as in the Bain telegraph, to press on each cylinder and set it in motion. It is evident that so long as the stile at the sending end presses on the clean foil the stile at the receiving end will continue to make a brown mark, but that when it passes over the varnish the mark will be interrupted. In this way, as the two cylinders revolve and move sideways, the series of interruptions made at the receiving end form an exact copy of the varnish marks at the sending end. These instruments are at present but little used. It has been found possible to make the Morse ink-writer so sensi tive that it can record signals sent over land lines of several hundred miles in length very much faster than they can be transmitted by hand, and this has led to the adoption of automatic methods of transmission. One was proposed by Bain as early as 1846, but it did not come into use. That now employed is, however, practically a development of his idea. It consists in punching, by means of " a puncher," a series of holes in a strip of paper in such a way that, when the strip is sent through another instrument, called the "transmitter," the holes cause the circuit to be closed at the proper times and for the proper proportionate intervals for the message to be correctly printed by the receiving instrument or recorder. The most successful apparatus of this kind is that devised by Wheatstone ; others have been introduced by Siemens and Halske, Gamier, Humaston, Siemens, and Little. Wheat- In Wheatstone s automatic apparatus three levers are placed side stone s by side, each acting on a set of small punches and on mechanism auto- for feeding the paper forward a step after each operation of the matic levers. The punches are arranged as shown in fig. 17, and the system, levers are adjusted so that the left-hand one moves a, b, c and punches a row of holes across the paper (group 1 in the figure), the middle one moves b only and punches a centre hole (2 in the figure), while the right-hand one moves a, b, d, e and punches four holes (3 and 4 in the figure). The whole of this operation represents a dot and a dash or the letter "a." The side rows of holes only are used for transmitting the message, the centre row being required for feeding forward the paper in the transmitter. The perforation of the paper when done by hand is usually performed by means of small mallets, but at the central telegraph office in London the keys are only used for opening air-valves, the actual punching being done by pneumatic pressure. In this way several thicknesses of paper can be perforated at the same time, which is a great convenience for press work, since copies of the same message have often to be transmitted to several newspapers at the same time. The mode of using the paper ribbon for the transmission of the message is illustrated in fig. 18. An ebonite beam E is rocked up and down rapidly by a train of mechanism and moves the cranks A and B by means of two metal pins p, p. A and B are in metallic contact with each other through the springs s, s, and they carry two light vertical rods M, Mj, the one as much in front of the other as there is space between two successive holes in the perforated ribbon. To the other ends of A, B rods H, Hj are loosely hinged, their ends passing loosely through holes in the ends of the bar P, which is fixed to the divided disk D. By means of two collars K, K a and the wheel W, the disk D is made to oscillate in unison with the beam E. The cranks C and Cj are connected with the poles of the sending i o
O* |
- d
o o 0* O4 Od ^ ^ o
O O j battery B. The operation is as follows. The paper ribbon R is moved forward by its centre row of holes at the proper speed above the upper ends of the rods M, Mj ; should there be no hole in the ribbon it pushes the crank A or B out of contact with the pinsjj, p and prevents a current passing to the line. Should, however, a row of holes, like group 1 above, be perforated, the rod Mj will first be allowed to pass through the paper and copper will be put to the line ; at the next half stroke of the beam, M will pass through, and as the disk D reverses the battery zinc will be put to the line. Thus for a dot first a positive and then a negative current are sent to the line, the effect of the positive current continuing during the time required for the paper to travel the space bejtween two holes. Again, suppose groups 3 and 4 to be punched. The first part will be, as before, copper to the line ; at the next half stroke of the beam M will not pass through, as there is no hole in the paper ; but at the third naif stroke it passes through and zinc is put to the line. Thus for a dash the interval between the positive and the negative current is equal to the time the paper takes to travel over twice the space between two successive holes. Hence for sending both a dot and a dash reverse currents of short duration are sent through the line, but the interval between the reversal is three times as great for the dash as for the dot. In the receiving instru ment the electromagnet is so constructed that the armature, if pulled into any position by either current, remains in that position, whether the current continues to flow or not, until a reverse current is made to act on the magnet. For the dot the armature is de flected by the first current, the ink-wheel being brought into con tact with the paper and after a short interval pulled back by the reverse current. In the case of the dash the ink-wheel is brought into contact with the paper by the first current as before and is pulled back by the reverse current after three times the interval. The armature acts on an inking disk on the principle described above, save only that the disk is supplied with ink from a groove in a second wheel, on which it rolls : the grooved wheel is kept turning with one edge in contact with ink in an ink-well. By this method of transmission the battery is always to the line for the same interval of time, and alternately with opposite poles, so that the effect of electrostatic induction is reduced to a minimum. Through the instrumentality of this method as many as 400 words per minute have lately been transmitted by Mr Preece between London and Newcastle, a distance of 278 miles. The first considerable improvement on the House type-printer, Hughes s referred to above, was made by D. E. Hughes of Kentucky in 1855. type- In the Hughes instrument (see fig. 19) two trains of clockwork printing mechanism, one at each end of the line, are kept moving synchron- tele- ously by powerful spring governors. Each instrument is provided graph, with a key -board, resembling that of a small piano, the key levers of which communicate with a circular row, R, of vertical pins. A horizontal arm A fixed to a vertical shaft in gear with the mechan ism sweeps over these pins at the rate of from one to two turns per second. When a key is depressed, slightly raising one of the pins, the battery is put to the line for a short time at that part of the revolution by means of a sledge S carried by the horizontal arm. The current thus sent to the line may be made either to act directly on the printing instrument or to close a local circuit by means of a relay. For simplicity we will suppose direct action. The current then passes through the coils of a powerful electromagnet M, which relieves the printing mechanism. The electromagnet consists of two coils each containing a soft iron core of the same length as the coil. These cores rest on the ends of the two arms of a powerful horse-shoe permanent magnet, and thus become strongly polarized by induction. A soft iron armature is placed across the free ends of the soft iron cores and is pulled by a strong spring, the tension TELEGRAPH 121 of which is adjusted so as to be nearly equal to the magnetic attrac tion. The current is sent in the proper direction to diminish the power of the magnet and allow the spring to preponderate. A very powerful action is thus obtained by means of a very small current, the actual work being done by motive-power in the instrument itself. After the letter is printed the mechanism short-circuits the magnet aud replaces the armature automatically. The printing action is as follows. The type-wheel W is carried round continu- Fio. 19. Hughes s type-printing instrument, one-tenth full size. ously by the clockwork, to which it is attached through a friction sleeve which allows it to be stopped, and pushed backward or for ward without stopping the mechanism. Another shaft carrying three cams is arranged so as to be locked into gear with the wheel- work when the armature leaves the poles of the magnet. The cams then come into action in rotation ; the first moves the adjustment lever, shown to the left of W in the figure, which pushes a wedge- shaped piece into the teeth of the type-wheel and adjusts it exactly to the proper position for printing ; the second cam presses the paper against the type ; the third moves forward the paper ; a fourth cam replaces the armature of the magnet and relieves the cam shaft, leaving the instrument ready to receive another letter. The whole of this operation occupies only a small fraction of a second. By means of the adjustment lever or " corrector " I every error in syn chronism decidedly less than half the space from letter to letter is perfectly corrected each time an impression is made. Thus, during the time the receiving instrument at one station is in use, its type- wheel is kept in perfect agreement with the sending wheel at the other station ; and, if the electric action keeps time, a wrong letter cannot be printed unless the rate of the clockwork is at fault by some such amount as one or two per cent. If the two wheels are allowed to run a long time without the electric maintenance of agreement, they will be found more or less at variance, as the pieces of clockwork, however good, cannot be perfect. All that is necessary to bring them into agreement again is to strike several times the key corresponding to a prearranged adjustment signal that corresponding to the dot type, for instance. The receiver knows (according to the regulated system of working) that it is adjustment, not message, that is being sent ; and he turns his type-wheel by hand till it prints dots. He then signals back "O.K." ("All correct ! ") and is ready to receive the message. If by any accident his type- wheel gets on a wrong letter in the course of a message, he disturbs the sender (who all the time sees the effect of his sending printed before his own eyes) by sending back a few currents on him ; he receives dots by way of acknowledgment, and resets his type-wheel to print correctly. This system of telegraphic printing has a great advantage over the step-by-step system in using con tinuous instead of intermittent currents, and so avoiding the neces sity for the rapidly acting electric escapement, which, however skil fully planned and executed, is always liable to failure when worked too rapidly. In Hughes s instrument almost perfect accuracy and certainty have been attained ; and in actual practice it has proved to be decidedly superior to all previous type-printing telegraphs, not only in speed and accuracy, but in less liability to mechanical derangement from wear and tear and from accident. It involves many novel features : the receiving electromagnet is of peculiar construction and remarkable efficiency ; the transmitting apparatus has a contrivance to prevent unintentional repetitions of a letter through the operator holding his finger too long on a key ; the type-wheel has a lock for each station, to be opened by its own key, one of the letter keys of any of the instruments in the circuit. This instrument was for some years extensively used in the United States, until superseded by G. M. Phelps s modification of it, known as the "American combination printing telegraph," because it embodied part of Hughes s and part of House s instruments. With this modified form somewhat greater speed was obtained, but it was found difficult to drive, requiring the use of steam or some such motive-power. In a subsequent modification introduced in 1875 an electromotor is applied to drive the printing mechanism. This allows a shorter train and stronger wheelwork to be used, secures more certain action, and involves less risk of derangement. Hughes s form was taken up by the French Government in 1860, and is still very largely in use in France. Stock and private line telegraphs Stock constitute an important class of instru- tele- ments, of which Laws s gold indi- graphs, cator," introduced in 1866, may be taken as the forerunner. A brief description of Calahan s stock telegraph, introduced in 1867, will give a general idea of the action of this class of instruments. The printing mechanism consists of two type- wheels, on the edge of one of which are the letters of the alphabet and on the edge of the other the numerals from 1 to 9 and fractions by eighths up to unity. The type-wheels are placed side by side, but can be turned independently of each other. Beneath them a platen is carried on one end of a lever, whose other end is attached to the armature of an electro magnet. Between the platen and the wheels a ribbon of paper broad enough to cover the edges of both wheels is passed. The instrument is worked by three lines of wire, one for driving each type-wheel and one for printing and feeding the paper forward. The movement of the type-wheel is accomplished by an escapement acted on by closing and opening the circuit of an electromagnet. For the convenience of the sender the transmitting instrument is made in the form of two dials, each resembling the dial of an ABC instrument, round the edge of one of which letters are printed, and round the other the numerals and fractions. Mechanism is provided for opening and closing the circuit, so that by turning a handle (fixed to an axis passing through the centre of the dial) until an index attached to it points to the letter which is to be printed, the type- wheel of the receiving instrument is in the proper position to print that letter, and this is accomplished by depressing a key and closing the third circuit. The printing magnet then raises the platen and presses the paper against the type. Suppose direct United States telegraph stock is to be reported and the price is 9|. The operator turns the index on the letter dial to D and presses the printing key ; he next turns the index to period and again presses the printing key ; he then turns in succession to U, to period, to S, to period, and prints these ; then he turns the index on the figure dial to 9 and prints it, lastly to f and to period, and prints them. The quotation then reads on the paper ribbon D. U. S. 9|. Various modifications of this instrument have since been intro duced. In one form, the "universal stock printer," two lines of wire are required, and both type-wheels are driven by one wire, the printing magnet being made to change the action from one wheel to the other when the wheels are brought into a particular position. In another, " Phelps s stock printer," only one line of wire is required, a polarized armature being used for moving the type-wheels and an ordinary neutral armature for the printing. The rapid reversals which work the polarized armature do not last long enough to move the printing lever, but when a pause is made the printing mechanism is relieved and a letter printed. This instrument is similar in principle to the House apparatus and is capable of working at a considerable speed. 1 Cowper s writing telegraph is designed to record the message in Cowper s written characters ; its arrangement is as follows : Two lines of writing wire are connected, one with each of two small resistance slides, tele- which are placed in such a way that the sliders move in the same graph, plane but in directions at right angles to each other. A pen placed at the point of intersection of the lines of motion of the two sliders is connected with them in such a way that, when it is moved, as in the act of writing, each slider takes up that component of the motion which is in the direction in which it is free to move. The sliders thus vary the resistance in the line circuits by an amount proportional to the motion of the pen, and when a battery is kept joined in the circuit the current varies in the same way. The current is passed through the coils of two electromagnets at the receiving end, each capable of giving motion to a pencil in one line, at right angles to the direction of motion of the other. When the pen at the sending end is moved as in the act of writing a message 1 For these and other type-printing instruments, see Prescott s Electricity and the Electric Telegraph. xxm. 1 6 122 TELEGRAPH Open circuit, single- current system. Positive and nega tive current. Double current. the pencil at the receiving end moves in a corresponding manner on account of the variations of the current, and in this way it writes the message on a slip of paper moving beneath its point. Methods of Working Telegraph Circuits. (1) The arrangement on the open circuit system for single-current working is shown in fig. 20, in which Lj represents the line, G a simple form of galvanoscope, used simply to show that the currents are going to line when the message is being transmitted, K the transmitting key, B the battery, I the re ceiving instrument, and E the earth- plate. The complete circuit is from the g- -- plate E through the instrument I, the key K, and the galvano scope G to the line L 1; then through the corresponding instru ments to the earth-plate E at the other end, and back through the earth to the plate E. The earth is always, except for some special reason, used as a return, because it offers little resist ance and saves the expense and the risk of failure of the return wire. The earth-plate E ought to be buried in moist earth or in water. In towns the water and gas pipe systems form excellent earth-plates. It will be observed that the circuit is not in this case actually open ; the meaning of the expression "open circuit" is "no battery to line." Under normal circumstances the instru ments at both ends are ready to receive, both ends of the line being to earth through the receiving instruments. A signal is sent by depressing the key K, and so changing the contact from a to b, and thus putting the battery to line. On circuits where the traffic is small it is usual to make one wire serve several stations. The connexions at an intermediate or wayside station are shown at W. S is a switch, consisting of three blocks of brass fixed to an insulat ing base. W may be made the terminal station of L x by inserting plug 3, and of L 2 by inserting plug 2, or the instruments may be cut out of circuit by inserting plug 1. In ordinary circumstances the messages from all stations are sent through the whole line, and thus the operator at any station may transmit, if the line is free, by manipulating his key. The greatest inconvenience of this system arises from the varying strength and resistance of the batteries used at the different stations. As, however, delicate recording instruments are seldom required on such circuits little difficulty is experienced. (2) The connexions for positive and negative current or single- needle working on open circuit are shown in fig. 21, in which all the letters have w the same meanings as before. But N is a single needle instru ment, and K is a reversing key. The levers 1 and 2 press against the stops a when the line is free ; hence the line is to earth at both ends. But, if lever 1 is depressed, one pole of the battery is put to line ; if 2 is depressed, the other pole is put to the line. In this way the needles of the receiving instrument may be made to turn to either left or right ; and, if we call a motion to the left a dot and a motion to the right a dash, the Morse alphabet may be read from these motions. The connexions for wayside stations are illustrated at W, and will be readily understood from the descrip tion given under single-current working above. (3) When the line consists in whole or in part of underground or submarine cable the capacity causes a very considerable diminu tion in the speed of working. This is to some extent got over by putting the earth con nexion in the middle of the bat tery and us ing double the number of cells, as shown in fig. 22. The stop a of the . key K is [EL"] connected through a switch S with one pole of the battery B, and the stop b in the usual way with the other pole. Suppose the arm c of the switch S to be in contact with 2; then when the key is mani- pulated it sends alternately positive and negative currents into the line. If the positive is called the signalling current, the line will be charged positively each time a signal is sent ; but as soon as the signal is completed a negative charge is communicated to the line, thus hastening the discharge and the return of the relay lever to its insulated stop. This method of working has been already referred to in connexion with Wheatstone s automatic system. The connexions for single-current working on this system are Closed illustrated in fig. 23. It differs from the open circuit in only rcquir- circuit ing one battery (although, as i * ( - system. in the figure, half of it is often placed at each end), in having the receiving instrument be tween the line and the key, ( and in having the battery con tinuously to the line. The battery is kept to the line by the bar c, which short-circuits the keys. When signals are to be sent from either station the operator turns the bar c out of contact with the stop b, and then operates precisely as in open cir cuit sending. This system is more expensive than the open circuit system, as the battery is always at work ; but it offers some ad vantages on circuits where there are a number of intermediate stations, as the circuit is under a constant electromotive force and has the same resistance no matter which station is sending or receiving. The arrangement at a wayside station is shown at W. When the circuit is long and contains a large number of stations, the sending battery is sometimes divided among them in order to give greater uniformity of current along the line. When only one battery is used the current at the distant end may be considerably affected by the leakage to earth along the line. In working long circuits with ordinary instruments inconven- Relay iently high battery power is required in order to send sufficient working. current to produce the signals. In such cases it is usual to employ a local battery to produce the signals and to close the local battery circuit by means of a delicate circuit-closing apparatus called a relay, which is a very delicate electromagnetic key having its lever attached to the armature of the magnet. The arrangement at a station worked by relay is shown in fig. 24, where L is the line of wire, joined through the key K to one end of the coil of the relay magnet R, the other end of which is put to earth. When a current passes through R the armature A is attracted and the local circuit is closed through the armature at b. The local battery Bj then sends a current through the instrument I and records the signal. Fig. 24. 1, E I In the form of relay indicated in the figure the armature is held against the stop a by a spring S. In some cases as, for example, in Siemens s polarized relay, shown in fig. 25 the armature a is put in contact through the pivot h with one pole N of a permanent magnet m, the other pole s of which is fixed to the yolk y of a horse-shoe electromag net M. The armature is placed between the poles of the electromagnet, a little nearer one pole than the other, so that the magnetic attraction holds the con tact lever against the insulated stop without the aid of a spring. This form of relay only answers to currents in one direction, but it is capable of giving great sensibility, and for some pur poses for instance, in some methods of quadru pi ex working its directional character is an advantage. Translation. In a precisely similar manner a relay may be made Transla te re-transmit automatically the message over another line, or, what tion. is the same thing, over a continuation of the same line when the whole length is too great for direct working. It is not usual in practice to employ the delicate receiving relay for re-transmitting the message, but it is made to work a coarser instrument, which takes the place of the sounder, or, it may be, the sounder itself, in the local circuit. It is clear that one receiving relay may be used to work a number of re-transmitting keys in the same local circuit, and hence to distribute a message simultaneously over a number of branch lines from a central station. Duplex, Quadruples, and Multiple Telegraphy. Duplex tele- Duplex, graphy consists in the simultaneous transmission of two messages, Fio. 25. Siemens s polarized relay. TELEGRAPH 123 one in each direction, over the same wire. The solution of this problem was attempted by Gintl of Vienna in 1853 and in the following year by Frischen and by Siemens and Halske. Within a few years several methods had been proposed by different inventors, but none were at first very successful, not from any fault in the principle, but because the effect of electrostatic capacity of the line was left out of account in the early arrangements. The first to introduce a really good practical system of duplex telegraphy, in which this difficulty was sufficiently overcome for land line purposes, was J. B. Stearns of Boston (Mass. ). In order that the line betweei two stations Sj and S 2 may be worked on the duplex system it is essential that the receiving instrument at S 1 shall not be acted on by the currents sent into the 4ine at S w and similarly that the currents sent into the line at S 2 shall not act on the receiving instrument at S.,, while at the same time these currents must act on the instruments at So and S t respectively. The two methods most commonly employed arc the following. Differen- (1) In fig. 26 B is the sending battery, B, a resistance equal to
- j MMM 11^. av a* 10 MMI vetMUUK UCVLLCIJ, jjj a icsiai/diiue vi[iuu tu
that of the battery, R a set of resistance coils, and C a condenser. method. Suppose the key at station Sj to be de pressed ; then a cur rent flows into the line through cir cuit 1, and to earth through circuit 2. Now, if both these currents pass, as in dicated in the fig ure, round the elec tromagnet of the receiving instru- Fig. 26. ment, but in opposite directions, and if their strengths are pro peiiy adjusted, no effect will be produced on that instrument. At station 83, however, the current flows to earth, partly through cir cuit 1 and partly through circuit 2, but in the same direction round the coils of the receiving instrument. Hence, if the current is strong enough, the receiving instrument at S 2 will be set in action. Similarly, the depression of the key at S 2 can be made to produce a signal at Sj and yet have no effect on the instrument at S 2 . The necessary and sufficient condition is that the currents in circuits 1 and 2 at the sending station shall at all times bear a certain fixed ratio to each other, depending on the coils of the receiving instrument at that station. If for simplicity we suppose the resist ance of the line to be constant and not to be affected by the trans mitting apparatus, and to be of zero electrostatic capacity, the fixed ratio may be obtained by adjusting R in the auxiliary circuit 2. In actual practice the line has capacity, and this is com pensated for by supplying to R from the condenser C capacity equivalent to that of the line. C should be of such a form that the capacity in the circuit can be varied, and it must have the same inductive retardation as the line ; that is to say, the capa city must be distributed along the resistance R in a manner equi valent to that in which the capacity of the line is distributed along its resistance. A rough approximation to this adjustment will answer the purpose for ordinary land line working, but for submarine cable work a very accurate adjustment is necessary. In order that the manipulation of the key may not affect the resist ance of the line, the resistance between the point D and E should be as nearly as possible the same for all positions of the key. This implies that the keys shall not at any time break circuit, nor make contact on both the front and the back stops for more than an instant, for an instantaneous break of the circuit would affect the signals being received from the other station. The principle of the "continuity preserving key," used for duplex working, will be understood from the figure. So long as the key is not depressed the line is kept to earth through the resistance Bj ; when the key is pushed down it suddenly changes to the battery B, being at the transition in contact with both B and Bj. This produces very little disturbance, because the key is moving quickly at that part of its stroke, and the resistance of the line and receiving instru ment is generally much higher than that of B a . This is called +>,o "differential method." The principle was first enunciated by the Frischen ; but its present condition is the result of the labours of a large number of experimenters, among whom may be mentioned Siemens and Halske, Stark, Edlund, Gintl, Nystrb m, Preece, Nedden, Farmer, Maron, Winter, Stearns, and Muirhead. (2) The second method to which we may here refer is known as the "Abridge method" from the similarity of the arrangement (see fig. 27) to that of the Wheatstone bridge. Instead of sending the currents in the two branches of the divided circuit DP and DQ through the two coils of a differentially wound relay or receiving instrument, as in Frischen s method, two resistances a and b are inserted and the instruments are joined between P and Q. It is clear that if the difference of potential between P and Q is unaffected by closing the sending key K no change of current will take place in the instrument circuit. The relative potential of P and Q is not affected by the manipulation of K if the resistance a is to that of b as the resistance of L is to that of R ; hence that is the arrange ment used. The same remarks with regard to retardation and capacity that were made when describing the differential method apply here also. One very great advantage in this method is that the instrument used between P and Q may be of any ordinary form. Most important cables, such as those of the Eastern Telegraph Company and the various Atlantic cables, are worked duplex on Muirhead s plan. What may be called a mechanical method of duplexing a cable was described by Sir W. Thomson in a patent taken out by him in 1858. In this, as in the ordinary methods, a differentially wound receiving instrument was used, one coil being connected with the cable and the other with the earth ; but it differed from other methods in requiring no "artificial" or model cable. The compensation was to be obtained by working the slides of a resistance slide included in the circuit of the compensating coil, either by the sending key or by clockwork relieved by the key, so as to vary the resistance in that circuit according to any law which might be required to prevent the receiving instrument being affected by the outgoing current. Four years later Varley patented his model cable, which was the first near approach to a successful solution of the duplex problem on the principle now adopted. It was not, however, a sufficiently perfect representation of a laid cable to serve for duplexing cables of more than a few hundred miles in length. 1 By an interesting modification of the bridge method, which has been applied with excellent results by Dr Muirhead to submarine work, condensers are substituted for a and b, one being also placed in the circuit between P and Q. In this case no current flows from the battery through the line or instruments, the whole action being inductive. As we have already stated, the distribution of the capacity along the resistance R must in submarine cable work be made to correspond very accurately with the distribution of the capacity along the resistance of the cable. This is accomplished by Dr Muirhead in the following manner. One side of a sheet of paraffined paper is covered with a sheet of conducting substance, say tinfoil, and over the other side narrow strips of the same sub stance are arranged gridironwise to form a continuous circuit along the strip. The breadth and thickness of the strip and the thick ness of the paraffined paper are adjusted so that the relative resist ance and capacity of this arrangement are the same as those of the cable with which it is intended to be used. A large number of such sheets are prepared and placed together, one over the other, the end of the strip of the first sheet being connected with the beginning of the strip of the second, and so on to the last sheet, the whole representing the conductor of the cable. In the same way all the conducting sheets on the other side of the paper are connected together and form the earth-plate of this artificial cable, thus representing the sea. The leakage through the insulator of the cable is compensated for by connecting high resistances be tween different points of the strip conductor and the earth coating. Faults or any other irregularity in the cable may be represented by putting resistances of the proper kind into the artificial line. This system of duplexing cables has proved remarkably successful. Quadruplex telegraphy consists in the simultaneous transmission Quadru- pf two messages from each end of the line. The only new problem plex. introduced is the simultaneous transmission of two messages in the same direction ; this is sometimes called " diplex transmission." The solution of this problem was attempted by Dr J. B. Stark of Vienna in 1855, and during the next ten years it was worked at by Bosscha, Kramer, Maron, Schaak, Schreder, Wartmann, and others. The first to attain success was Edison, and his method with some modifications is still used. One of the latest arrangements is shown in fig. 28, a brief description of which will indicate the general principle involved. K a and K 2 are two transmitting keys the nature of which will be understood from the illustration ; R, and R 2 are two differentially wound polarized relays, both of which are supposed to respond to positive currents and to be held against their back-stops by negative currents. When neither key is de pressed a current, which for convenience we call - 4, flows to the line ; this is sufficient to overcome the pull of the spring T in the relay Rj (the receiving instruments are supposed to be at the other end of the line), and hence the levers of both relays are held against their back-stops. W T hen Kj is depressed a current - 1 is sent to the me, and, this being too weak to overcome the spring T, the lever See De Sauty, Journ. Soc. Tel. Eng., vol. ii., 1873. 124 TELEGRAPH of Rj moves into contact with the auxiliary lever Z and closes the circuit of the sounder Sj. When K 2 only is depressed a current + 4 is sent to the line. This acts on both relays, but is powerful enough to overcome the pull of the spring TI, and so to move the lever I and break the cir cuit of the sounder Sj be fore it has time to act. Thus K 3 acts on the sounder S, but not on the sounder Sj. When both keys are depressed a current + 1 is sent into the line. This is sufficient to move the lever of Rj into con tact with I but not to overcome the pull of T t , and hence the circuit of sounder S x is closed ; it is also sufficient to move the lever of Rj and close the circuit of Sg, When therefore both keys are down the sounders S 3 and S. 2 at the other end of the line are both set in action ; the first responds to K 2 and the second to K 2 . Thus all the conditions for the simultaneous transmission of two messages are provided for. It is not necessary to enter again into the ques tion of continuity at the different positions of the keys. The figure illustrates how this diplex system may be duplexed, and hence how quadruplex working can be obtained. It is only necessary to wind the coils of the relay magnets differentially, when, by means of a precisely similar arrangement to that used for simple duplex, the instruments at the sending station are left unaffected by the out going currents, but are affected by the incoming currents. The method here indicated is on the differential principle ; but it is scarcely necessary to say that the bridge method is equally appli cable. A combination of the bridge and the differential methods has been used by Prescott and Smith, and possesses some advan tages in certain cases. It is impossible in this article to go into the great variety of detail in arrangement and method with which it is possible to obtain good results. Multiple. The several methods that have been proposed for the transmission of a number of messages in one direction on the same wire are reducible to two classes. In one the time which a revolving con tact slider takes to make one revolution is divided into as many intervals as there are sets of sending and receiving instruments on the line, and by means of it the current is closed through the different sets of apparatus in succession. This implies the syn chronous movement of the revolving sliders at the two ends of the line. In a sense this may be said to be simultaneous transmission : all the messages are being sent at the same time, but the progress of any one message is slower than it would be if it alone was occupy ing the whole line in the ordinary way. The method possesses some advantages when the line is capable of being worked at a higher speed than a single operator can attain, or when one of the stations can advantageously be used as a distributing station, for in that case one set of apparatus may be used as an automatic distributor. Multiple telegraphy on this plan was proposed by Thomson in 1858.* A very complete set of apparatus for the purpose was shown by Meyer at the Vienna exhibition of 1873. 2 Delaunay s multiple telegraph is the most recent development of the system, and has been lately adopted on some circuits in Great Britain. 3 In the other class there are joined to the two ends of the line of wire a number of branch circuits, in each of which a set of trans mitting and receiving apparatus is included. In the circuit, between the line and each of the sending keys, an electromagnetic vibrator is placed so as to open and close the circuit a great number of times during each signal. The vibrators in the key circuits at one end of the line have all different and, if possible, relatively incommen surable periods. The receivers at the other end of the line consist of a corresponding set of electromagnetic vibrators, mounted on resonators and having exactly the same vibrational periods as those in the key circuits at the sending end. When any one of the keys is manipulated the currents sent into the line have such a pulsatory character that they only affect the receiver, which is capable of vibrating freely in unison with these pulsations. When a number of keys are manipulated at the same time the receivers analyse the resultant wave, each picking out its own component, thus separ ating the different messages. The "harmonic telegraph" of Mr Elisha Gray of America is a good example of this class. Con- Working of Submarine Cables. The arrangement of the apparatus nexions. for working some of the most recent cables is shown in fig. 29. The cable is supposed to be worked duplex ; but, if S, C 1} C 2 , and AC are removed and the key connected directly with C 3 , the arrange ment for simplex working is obtained. The apparatus consists of a sending battery B, a reversing transmitting key K, a slide of small i Tel. Journ., September 1886. - For a description, see Prescott s Electric Telegraph, p. 862. 3 Preece, Journ. Soc. Tel. Eng., vol. xv. p. 231. Fig. 29. resistance S, three condensers C lf C 2 , C 3 , an artificial cable AC, the receiving instruments I and G, and one or more resistances R for adjusting the leakage current. The peculiar construction of AC has been already referred to. The conductor of the cable is practi cally insulated, as the condensers in the bridge have a very high resistance ; hence no appreciable current ever flows into or out of the line. Two receiving in struments, a siphon re corder and a mirror galva nometer, are shown ; one only is abso lutely neces- -^ sary, but it B .=- p= is convenient " B to have the galvanometer ready, so that in case of accident to the recorder it may be at once switched into circuit by the switch s. When one of the levers of K is depressed, the condenser C x and the cable, and the condenser C 2 and the artificial cable, are simultaneously charged in series ; but, if the capacity of Cj bears the same pro portion to the capacity of the cable as the capacity of C 2 bears to the capacity of the artificial cable, and if the other adjustments are properly made, no charge will be communicated to C 3 . After a very short interval of time, the length of which depends on the inductive retardation of the cable, the condensers corresponding to Cj and C 3 at the other end begin to be charged from the cable, and since the charge of C 3 passes through the receiving instrument I or G the signal is recorded. The charging of C 3 at the receiving end will take place, no matter what is the absolute potential of the condensers, consequently the incoming signals are not affected by those which are being transmitted from that end. In actual prac tice the receiving instrument is so sensitive that the difference of potential between the two coatings of the conde~nser C 3 produced by the incoming signal is only a very small fraction of the potential of the battery B. When the key is relieved the condensers and cables at once begin to return to zero potential, and if the key is depressed and relieved several times in rapid succession the cable is divided into sections of varying potential, which travel rapidly towards the receiving end, and indicate their arrival there by pro ducing corresponding fluctuations in the charge of the condenser C 3 . All cables of any great length are worked by reverse currents, the single needle alphabet being used : that is to say, currents in one direction indicate dots and in the other direction dashes. The following descriptions of the mirror galvanometer and the siphon recorder are, with some slight alteration, taken from a lecture delivered by Sir W. Thomson before the Institution of Engineers and Shipbuilders in Scotland. 4 (1) The instrument first used for receiving signals through a long Mirror submarine cable (the short-lived 1858 Atlantic cable) was the mirror galvano- galvanometer, 8 which consisted of a small mirror with four light meter, magnets attached to its back (weighing in all less than half a grain), suspended by means of a single silk fibre within the hollow of a bobbin of fine wire, a suitable controlling magnet being placed adjacent to the apparatus. The action of the instrument is as follows. On the passage of a current of electricity through the fine wire coil the suspended magnets with the mirror attached tend to take up a position at right angles to the plane of the coil, and are deflected to one side or the other according as the current is in one direction or the other. Deflexions to one side are interpreted as dots and to the other side as dashes, and the messages are trans mitted in accordance with the international Morse code of signals. (2) The spark recorder in some respects foreshadowed the more Spark perfect instrument the siphon recorder which was introduced recorder, some years later. Its action was as follows. To an indicator, suitably supported, a to-and-fro motion was given by the electro magnetic actions due to the electric currents constituting the signals. The indicator was connected with a Ruhmkorff coil or other equivalent apparatus, designed to cause a continual succession of sparks to pass between the indicator and a metal plate situated beneath it and having a plane surface parallel to its line of motion. Over the surface of the plate and between it and the indicator there was passed, at a regularly uniform speed, in a direction per pendicular to the line of motion of the indicator, a material capable of being acted on physically by the sparks, either through their chemical action, their heat, or their perforating force. The record of the signals given by this instrument was an undulating line of fine perforations or spots, and the character and succession of the undulations were used to interpret the signals desired to be sent. (3) The latest form of receiving instrument for long submarine Siphon cables is the siphon recorder, for which Sir W. Thomson obtained recorder. 4 See his Mathematical and Physical Papers, vol. ii. p. 168. o For a description of the mirror galvanometer, see art. GALVANOMETER, vol. x. p. 50 sq. TELEGRAPH 125 his first patent in 1867. "Within the three succeeding years great improvements were effected on it, and the instrument has since that date been exclusively employed in working most of the more important submarine cables of the world, indeed all except those on which the mirror galvanometer method is in use. In the siphon recorder (see fig. 30) the indicator consists of a light rectangular signal coil of fine wire, suspended be tween the poles of two powerful elec tromagnets M, M so as to be free to move about its longer axis, which is verti cal, and so joined that the electric signal currents through the cable pass through it. A fine glass siphon tube is suspended with freedom to move in only one degree, and is con nected with the sig nal-coil and moves with it. The short leg of the siphon tube dips into an in sulated ink-bottle, so that the ink it contains becomes electrified, while the Fia >.-Thoinson s.phon recorder, long leg has its open end at a very small distance from a brass table, placed with its surface parallel to the plane in which the mouth of the leg moves, and over which a slip of paper may be passed at a uniform rate, as in the spark recorder. The ink is electrified by a small induction electrical machine E placed on the top of the instrument ; this causes it to fall in very minute drops from the open end of the siphon tube upon the brass table or the paper slip passing over it. When therefore the signal-coil moves in obedience to the electric signal currents passed through it, the motion communicated to the siphon is recorded on the moving slip of paper by a wavy line of ink-marks very close together. The interpretation of the signals is according to the Morse code, the dot and dash being represented by deflexions of the line of dots to one side or other of the centre line of the paper. A very much simpler form of siphon ^ recorder has been de- vised and brought into use within the last few years. Instead of the electromagnets, two bundles of long bar- magnets of square sec tion and made up of square bars of glass- hard steel are used. They are supported vertically on a cast- iron socket, and on the upper end of each is fitted a soft iron shoe, shaped to concentrate the lines of force and thus produce a strong magnetic field in the space within which the signal-coil is suspended. Instruments of this kind have been made to work both with and without electrifi cation of the ink. Without electrifi- Fl " 31-Siphon recorder, cation the instrument (see fig. 31) is very simple and compact, and capable of doing good work on cables 500 or 600 miles long. When constructed for electrification of the ink they are available for much greater lengths, but for cables such as the Atlantic the original form is still used. The strongest magnetic field hitherto obtained by permanent magnets (of glass-hard steel) is about 3000 C.G.S. With the electromagnets used in the original form of siphon recorder a magnetic field of about or over 5000 C.G.S. is easily obtained. Fig. 32 shows a facsimile of part of a message received and recorded by a siphon recorder, such as that of fig. 30, from one of the Eastern Telegraph Company s cables about 830 miles long. (4) The automatic curb sender was designed by Sir W. Thomson Auto- for the purpose of diminishing the effect of inductive embarrass- matic ment in long cables. In ordinary hand-sending the end of the curb cable is put to one or the other pole of the battery and to earth sender, alternately, the relative time during which it is to battery and to earth depending to a great extent on the operator. By the auto- n. intermediate p Fio. 32. Facsimile of siphon recorder message. matic curb sender the cable is put to one or the other pole of the battery and then to the reverse pole for definite proportionate times during each signal. The cable is thus charged first positively and then negatively, or vice versa, for each signal. This method not only facilitates the discharge of the cable, and so accelerates the return of the index of the receiving instrument to zero, but provides the means of sending positive and negative currents into the cable at the proper times and for the proper intervals. The action of the instrument is regulated, like that of Wheatstone s automatic transmitter, by a perforated slip of paper. The arrange ment of the perforations and the method of using the paper slip are, however, quite different. The paper is fed forward by a central row of holes, which are therefore continuous. The dots and dashes of the message are represented by the side rows of holes ; but the two currents required for a dot are produced wholly by one hole on one side and those for a dash by one hole on the other side. The perforated slip is exactly similar to the message written by the siphon recorder, the side holes occupying the same relative positions as the loops to one side or other of the central line in the record. As the side holes reach a certain point in their passage through the instru ment they allow the end of one or the other of two levers to fall ; the other end of the lever lifts a light contact spring, forming one lever of a reversing key, and makes electrical connexion between the battery and another set of springs, which also form the levers of a reversing key. The spring is held up, by a flange on the edge of a revolving wheel passing under it, during the time required by the paper to advance through the distance between two central holes. During this interval the current is reversed at the proper time by a pair of adjustable cams fixed to the same spindle as the flanged wheel This method of transmission has been found quite successful, though it has not been brought into use, as hand- sending has hitherto proved sufficient for the work required. Speed of Signalling. The mathematical theory of the speed of Speed of telegraphic signalling was given in a paper on " The Theory of the signal- Electric Telegraph" communicated by Sir W. Thomson 1 to the ling. Royal Society in 1855. He shows that, if k be the wire resistance, c the capacity per unit length, and I the total length of the line, the current at the receiving end at any time t after the application of the battery at the sending end is given by the equation where C is the maximum current which the battery is capable of ^ maintaining through the line, and e is equal to ()a when a is equal to kcP log,, ($)/ir a . The number is quite arbitrary ; it is chosen because it makes a nearly equal to the time required for the current to become sensible at one end of the line after the battery has been applied to the other end. The number lO 1 ^, which is more con venient for calculation and which does not differ greatly from , was subsequently adopted by Sir W. Thomson, and also by Professor Jenkin. 2 The equation may be written which shows plainly how the current is affected by the length, the resistance, and the capacity of the line. It is evident from this equation that a finite time is required after the battery has been applied at the sending end for the current to become sensible at the receiving end, the interval being practi cally equal to a, and also that for similar actions the intervals be tween operations for one line must be to the corresponding intervals for another line directly as the values of a or of kcP for the two lines. We see, therefore, that for lines of the same type, worked in the same manner, the speed of working will be inversely as the square of the length of the line, or, if the type varies, inversely as the product KQ, where K is the total resistance and Q the total capacity 1 See his Mathematical and Physical Papers, vol. ii. p. 61. 2 See Jenkin, Electricity and Magnetism, p. 331. of the line. The interval a must not be confounded with the time required for each signal: it is a measure of the slowness of transmission; but the number of signals which can be received in a given time, on any one line, depends on the method of working and on the sensibility of the instruments employed. The ratios of the number of signals which can be sent over different lines in a stated time are the same as the ratios of the values of a for these lines. The value of a for the different Atlantic cables varies between a fifth and a quarter of a second, and, as the time required for the current to reach 90 per cent. of its maximum value is ten times a, an instrument which requires as much as 90 per cent. of the full current to produce a signal and a fall to 50 per cent, between the signals could only receive about one signal every two seconds or between one and two words per minute. The instruments actually used attain to a speed of about twenty times this; but they are capable of showing distinctly a current of a ten-thousandth, or even less, of the maximum current. The value of a for ordinary land lines is very small, probably not exceeding the five-thousandth part of a second for a circuit 500 miles in length. The current, therefore, rises almost to its full value for each signal when the time of contact is as small as the five-hundredth part of a second, or, on the Wheatstone instrument, when the speed is about 500 words per minute. There is, however, a very sensible increase in the effective resistance of the circuit, especially when iron wire is used, when signals are sent as rapidly as 100 per second, so that higher battery power is required for fast than for slow rates of speed. The difficulty in working land lines at rates up to 300, or even more, words per minute is not to any serious extent electrical, but is in great measure due to material and magnetic inertia in the receiving instruments. Although land lines can be worked at a very high speed when the whole of the wire is insulated on poles, the rate is greatly diminished if a length of underground or of submarine cable is included in the circuit. In practice also the speed depends greatly on the position of the cable in the circuit; for example, the actual speed from Dublin to London, according to Mr Preece, is about twice as great as that from London to Dublin. Mr Culley states that the greatest effect is produced when the cable is in the middle of the circuit. (T. GR.)
- ↑ See his Mathematical and Physical Papers, vol. ii. p. 105.
- ↑ From correspondence found among Sir David Brewster's papers after his death it seems highly probable that the writer of this letter, which was signed “C. M.”, was Charles Morrison, a surgeon and a native of Greenock, but at that time resident in Renfrew.
- ↑ See Arthur Young, Travels in France, p. 3.]
- ↑ The reader interested in the early history of the electric telegraph may consult Edward Highton, The Electric Telegraph, London, 1852; Moigno, Traité de Télégraphie Électrique, Paris, 1849; and Sabine, History of the Electric Telegraph, London, 1869.
- ↑ For the different forms, see Prescott's Electricity and the Electric Telegraph, pp. 562-602.
- ↑ Journ. Soc. Telegr. Eng., vol. xii. p. 495.
- ↑ See Sir W. Thomson, Mathematical and Physical Papers, vol. ii. p. 165.
- ↑ For details of cable manufacture and laying consult Douglas's Telegraph Construction, London, 1877, and Captain V. Hoskiær's Laying and Repairing of Electric Telegraph Cables, London, 1878.
- ↑ Published in Proc. Roy. Soc. for 1855.
- ↑ For the development of this important part of electrical science, see Weber, "Messungen galvanischer Leitungswiderstände nach einein absoluten Maasse," in Poggendorff's Annalen, March 1851; Thomson, "Mechanical Theory of Electrolysis," "Application of the Principle of Mechanical Effect to the Measurement of Electromotive Force, and of Galvanic Resistances in Absolute Units," and "Transient Electric Currents," in Phil. Mag., 1851 and 1852; Weber, Electrodynamische Maassbestimmungen, insbesondere Zurückführung der Stromintensitatsmessungen aufmechanischen Maass, Leipsic, 1856; Thomson, "On the Electric Conductivity of Commercial Copper," "Synthetical and Analytical Attempts" on the same subject, and "Measurement of the Electrostatic Force between the Poles of a Daniell's Battery, and Measurement of the Electrostatic Force required to produce a Spark in Air," Proc. Roy. Soc., 1857 and 1860; reprint of Reports of Brit. Assoc. Committee on Electr. Stand., &c., edited by Prof. F. Jenkin; Thomson, Electrical Units of Measurement, a lecture delivered at Institution of Civil Engineers, 1883; Reports of the International Conference for the Determination of the Electrical Units, held at Paris in 1882 and 1884; A. Gray, Absolute Measurements in Electricity and Magnetism, London, 1884.
- ↑ See A. Gray, Absolute Measurements in Electricity and Magnetism, pp. 27, 74; also T. Gray, Phil. Mag., November 1886. The following quotation from the art. Telegraph in the 8th ed. of the Ency. Brit, shows how comparatively recent is the introduction of anything like absolute measurement in telegraph testing: —"The ordinary test for insulation consists in applying a galvanic battery, with one pole to earth and the other through a galvanometer coil, to the line of telegraph of which the remote end is kept insulated. If the insulation of the whole line were perfect, the galvanometer needle would stand at zero; but, when looked for with a battery of suitable power and a galvanometer of suitable sensibility, indications of a current are always found, unless it is a very short length of very perfectly insulated line that is tested. The absolute measure of the strength of this current divided by the absolute measure of the electromotive force of the battery gives an absolute measure for the insulation of the cable. No telegraphic testing ought in future to be accepted in any department of telegraphic business which has not this definite character, although it is only within the last year that convenient instruments for working in absolute measure have been introduced at all, and the whole system of absolute measurement is still almost unknown to practical electricians." It was put in practice systematically for the first time in 1859, in experiments by Prof. F. Jenkin.
- ↑ For this theory, see Electricity, vol. viii. p. 44.

