1911 Encyclopædia Britannica/Signal
SIGNAL (a word common in slightly different forms to nearly all European languages, derived from Lat. signum, a mark, sign), a means of transmitting information, according to some pre- arranged system or code, in cases where a direct verbal or written statement is unnecessary, undesirable, or impracticable. The methods employed vary with the circumstances and the purposes in view, and the medium into which the transmitted idea is translated may consist of visible objects, sounds, motions, or indeed anything that is capable of affecting the senses, so long as an understanding has been previously effected with the recipient as to the meaning involved. Any two persons may thus arrange a system for the transmission of intelligence between them, and secret codes of this kind, depending on the inflections of the voice, the accent on syllables or words, the arrangement of sentences, &c, have been so elaborated as to serve for the production of phenomena such as are sometimes attributed to telepathy or thought transference. With the many private developments of such codes we are not here concerned, nor is it necessary to attempt an explanation of the systems of drum-taps, smoke-fires, &c, by which certain primitive peoples are supposed to be able to convey news over long distances with astonishing rapidity; the present article is confined to giving an account of the organized methods of signalling employed at sea, in military operations and on railways, these being matters of practical public importance.
Marine Signalling. — A system of marine signals comprises different methods of conveying orders or information to or from a ship in sight and within hearing, but at a distance too great to permit of hailing — in other words, beyond the reach of the voice, even when aided by the speaking-trumpet. The necessity of some plan of rapidly conveying orders or intelligence to a distance was early recognized. Polybius describes two methods, one proposed by Aeneas Tacticus more than three centuries before Christ, and one perfected by himself, which, as any word could be spelled by it, anticipated the underlying principle of later systems. The signal codes of the ancients are believed to have been elaborate. Generally some kind of flag was used. Shields were also displayed in a preconcerted manner, as at the battle of Marathon, and some have imagined that the reflected rays of the sun were flashed from them as with the modern heliograph. In the middle ages flags, banners and lanterns were used to distinguish particular squadrons, and as marks of rank, as they are at present, also to call officers to the admiral, and to report sighting the enemy and getting into danger. The invention of cannon made an important addition to the means of signalling. In the instructions issued by Don Martin de Padilla in 1507 the use of guns, lights and fires is mentioned. The introduction of the square rig permitted a further addition, that of letting fall a sail a certain number of times. Before the middle of the 17th century only a few stated orders and reports could be made known by signalling. Flags were used by day, and lights, occasionally with guns, at night. The signification then, and for a long time after, depended upon the position in which the light or flag was displayed. Orders, indeed, were as often as possible com- municated by hailing or even by means of boats. As the size of ships increased the inconvenience of both plans became intolerable. Some attribute the first attempt at a regular code to Admiral Sir William Penn (1621-1670), but the credit of it is usually given to James II. when duke of York. Notwithstanding the attention paid to the subject by Paul Hoste and others, signals continued strangely imperfect till late in the 18th century. Towards 1780 Admiral Kempenfelt devised a plan of flag-signal- ling which was the parent of that now in use. Instead of in- dicating differences of meaning by varying the position of a solitary flag, he combined distinct flags in pairs. About the beginning of the 19th century Sir Home Popham improved a method of conveying messages by flags proposed by R. Hall Gower (1 767-1833), and greatly increased a ship's power of communicating with others. The number of night and fog signals that could be shown was still very restricted. In 1867 an innovation of prodigious importance was made by the adop- tion in the British navy of Vice- Admiral (then Captain) Philip
Colomb's flashing system, on which he had been at work since 1858.
In the British navy, which serves as a model to most others, visual signals are made with flags or pendants, the semaphore, flashing, and occasionally fireworks. Sound signals are made with fog-horns, steam-whistles, sirens and guns. The number of flags in use in the naval code, comprising what is termed a " set," are 58, and consist of 26 alphabetical flags, 10 numeral flags, 16 pendants and 6 special flags. Flag signals are divided into three classes, to each of which is allotted a separate book. One class consists of two alphabetical flags and refers to orders usual in the administration of a squadron, such as, for example, the flags LE, which might signify " Captain repair on board flagship." Another class consists of three alphabetical flags, which refer to a coded dictionary, wherein are words and short sentences likely to be required. The remaining refers to evolutionary orders for manoeuvring, which have alpha- betical and numeral flags combined. The flags which constitute a signal are termed a " hoist." One or more hoists may be made at the same time. Although flag signalling is a slow method compared with others, a fair rate can be attained with practice. For example, a signal involving 162 separate hoists has been re- peated at sight by 13 ships in company in 76 minutes. Semaphore signals are made by the extension of a man's arms through a vertical plane, the different symbols being distinguished by the relative positions of the arms, which are never less than 45° apart. To render the signals more conspicuous the signaller usually holds a small flag on a stick in each hand, but all ships are fitted with mechanical semaphores, which can be worked by one man, and are visible several miles. Flag signalling being comparatively slow and laborious, the ordinary message work in a squadron is generally signalled by semaphore. The convenience of this method is enormous, and by way of example it may be of interest to mention a record message of 350 words which was signalled to 21 ships simultaneously at the rate of 17 words per minute. Flags being limited in size, and only distinguishable by their colour, signals by this means are not altogether satisfactory at long distances, even when the wind is suitable. For signalling at long range the British navy employs a semaphore with arms from 9 to 12 ft. long mounted at the top of the mast and capable of being trained in any required direction, and worked from the deck. Its range depends upon the clearness of the atmo- sphere, but instances are on record where a message by this means has been read at 16 to 18 m.
Night signalling is carried out by means of " flashing," by which is meant the exposure and eclipse of a single light for short and long periods of time, representing the dots and dashes composing the required symbol. The dots and dashes can be made mechanically by an obscuring arrangement, or by electro- mechanical means where magnets do the work, or by simply switching on and off specially manufactured electric lamps. The ordinary rate of signalling by flashing is from 7 to 10 words per minute. In the British navy, as in the army, dots and dashes are short and long exposures of light; but with some nations the dots and dashes are short and long periods of darkness, the light punctuating the spaces between them. The British navy uses the European modification of the so-called Morse code used in telegraphy, but with special signs added suitable to their code. The introduction of the " dot and dash " system into the British navy was entirely due to the perseverance of Vice-Admiral Colomb, who, in spite of great opposition, and even after it had once been condemned on its first trial at sea, carried it through with the greatest success. The value of this innovation made in 1867 may be gauged by the fact that now it is possible to handle a fleet with ease and safety in darkness and fog — a state of affairs which did not formerly exist. The simplicity of the dot and dash principle is its best feature. As the system only requires the exhibition of two elements it may be used in a variety of different manners with a minimum of material, namely, by waving the most conspicuous object at hand through short and long arcs, by exhibiting two different shapes, each representing one of the elements, or dipping a lantern in a bucket, and so on. Its adoption has not only contributed very materially to the increased efficiency of the British navy, but it has been made optional for use with the mercantile marine. Curiously enough, flashing is not to any great extent used in the navies of other countries which rely more on some system of coloured lights at night. This system generally takes the form of four or five double-coloured lanterns, which are suspended from some part of the mast in a vertical line. Each lantern generally contains a red and a white lamp, either of which can be switched on. By a suitable keyboard on deck any combination of these coloured lanterns can be shown. The advantage of this system lies in the fact that each symbol is self-evident in its entirety, and does not require an expert signalman to read it, as is the case with flashing, which is a progressive performance.
For long distances at night the search-light, or some other high power electric arc light, is atilized on the flashing system. Dots and dashes are then made either by flashing the light directly on the object, or by waving the beam up and down for short and long periods of time. Sometimes when a convenient cloud is available the reflection of the beam has been read for nearly 40 m., with land intervening between the two ships. In a fog signals are made by the steam-whistle, fog-horn, siren or by guns. Except for the latter method the dot and dash system is employed in a similar manner to flashing a light. Guns are sometimes used in a fog for signalling, the signification being determined by certain timed intervals between the discharges. The larger British ships are supplied with telegraph instruments for connexion with the shore, and heliographs are provided for land operations. Marine galvanometers are also provided, and can be used to communicate through submarine cables. To the various methods of naval signalling must be added wireless telegraphy, which in its application to ships at sea bids fair to solve some problems hitherto impracticable. (See Telegraphy: Wireless.)
The international code of signals, for use between ships of all nations, is perhaps the best universal dictionary in existence. By its means mariners can talk with great ease without knowing a word of one another's language. By means of a few flags any question can be asked and answered. The number of international flags and pendants used with the international code is 27, consisting of a complete alphabet and a special pendant characteristic of the code. At night flashing may be used. (C. A. G. B.; A. F. E.) )
Army Signalling.—Communication by visual signals between portions of an army is a comparatively recent development of military service. Actual signals were of course made in all ages of warfare, either specially agreed upon beforehand, such as a rocket or beacon, or of more general application, such as the old-fashioned wooden telegraph and the combinations of lights, &c, used by savages on the N.W. frontier of India. But it was not until the middle years of the 19th century that military signalling proper, as a special duty of soldiers, became at all general. It was about the year 1865 that, owing to the initiative of Captain Philip Colomb, R.N., whose signal system had been adopted for his own service, the question of army signalling was seriously taken up by the British military authorities. A school of signalling was created at Chatham, and some time later all units of the line were directed to furnish men to be trained as signallers. At first a code book was used and the signals represented code words, but it was found better to revert to the telegraphic system of signalling by the Morse alphabet, amongst the undeniable advantages of which was the fact that it was used both by the postal service and the telegraph units of Royal Engineers. Thenceforward, iA ever-increasing perfection, the work of signallers has been a feature of almost every campaign of the British army. To the original flags have been added the heliograph (for long-distance work), the semaphore system of the Royal Navy (for very rapid signalling at short distances), and the lamps of various kinds for working by night. Full and detailed instructions for the proper performance of the work, which provide for almost every possible contingency, have been published and are enforced.
Apparatus.
The apparatus employed for signalling in the British service consists of flags, large and small, heliograph and lamp for night work. The distances at which their signals can be read vary very considerably, the flags having but a limited scope of usefulness, whilst the range of a heliograph is very great indeed. Whether it be 10 m. or 100 away, it has been found in practice that, given good sunlight, nothing but the presence of an intervening physical obstacle, such as a ridge or wood, prevents communication. For shorter distances moonlight, and even artificial light, have on occasion been employed as the source of light. In northern Europe the use of the instrument is much restricted by climate, and, further, stretches of plain country, permitting of a line of vision between distant hills, are not often found. It is in the wilder parts of the earth, that is to say in colonial theatres of war, that the astonishing value of the heliograph is displaced. In European warfare flag signalling is more usually employed. The flags in use are blue and white, the former for use with light, the latter for dark backgrounds.

Fig. 1.
There is further a distinction between the " small " flag, which is employed for semaphore messages and for rapid Morse over somewhat shorter distances, and the " large " flag, which is readable at a distance of 5 to 7 m., as against the maximum of 4 m. allowed to the small flag. With a clear atmosphere these distances may be exceeded. The respective sizes of these flags are as follows:—large flag 3'X3', pole 5' 6" long; small flag 2'X 2', pole 3' 6" long. The lamps used for night signalling are of many kinds. Officially only the "lime light" and the "Begbie" lamps are recognized, but a considerable number of the old-fashioned oil lamps is still in use, especially in the auxiliary forces, and many experiments have been made with acetylene. The lime light is obtained by raising a lime pencil to a white heat by forcing a jet of oxygen through the flame of a spirit lamp. The strong light thus produced can be read under favourable conditions at a distance of 15 m.; but the equipment of gas-bag, pressure-bag, and other accessories make the whole instrument rather cumbrous. The bull's-eye lamp differs but slightly from the ordinary lantern of civil life; it burns vegetable oil. The Begbie lamp, which burns kerosene, is rather more elaborate and gives a whiter light. It was in use for many years in India before the objections made by the authorities in England to certain features of the lamp were withdrawn. All these lamps when in use are set up on a tripod stand and signals in the Morse alphabet- are made by opening and closing a shutter in front of the light, and thereby showing long and short flashes. The same principle is followed in the heliograph. This instrument, invented by Sir Henry C. Mance, receives on a mirror, and thence casts upon the distant station, the rays of the sun; the working of a small key controls the flashes by throwing the mirror slightly off its alignment and thus obscuring the light from the party reading signals. The fact that the heliograph requires sunlight, as mentioned above, militates against its employment in Great Britain, but where it is possible to use it it is by far the best means of signalling. Secrecy and rapidity are its chief advantages. An observer 6 m. distant would see none of its light if he were more than 50 yds. on one side of the exact alignment, whereas a flag signal could be read from almost every

Fig. 2.—Heliograph (by permission of the Controller of H.M. Stationery Office).
hill within range. None of the physical exertion required for fast signalling with the flag is required to manipulate the instrument at a high rate of speed. The whole apparatus is packed in a light and portable form. An alternative method of using the heliograph is to keep the rays permanently on the distant point, a shutter of some kind being used in front of it to produce obscurations.
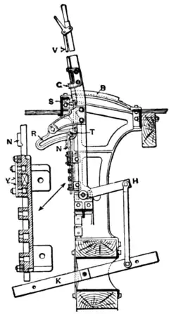
When in use the heliograph is fixed upon a tripod. A tangent screw (E) which moves the whole instrument (except the jointed arm L) turns the mirror in any direction. Metal U-shaped arms (C) carry the mirror (B), which is controlled by the vertical rod (J) and its clamping screw (K). The signalling mirror itself (usually having a surface of 5 in. diameter) is of glass, an unsilvered spot (R) being left in the centre. This spot retains its position through all movements in any plane. The instrument is aligned by means of the sighting vane (P) fixed in the jointed arm L, and the rays of the sun are then brought on to the distant station by turning the horizontal and vertical adjustments until the " shadow spot " cast by the unsilvered centre of the mirror appears on the vane. The heliograph is thus ready, and signals are made by the depression and release of the " collar " (I) which, with the pivoted arm (U, V), acts as a telegraph key. When the sun makes an angle of more than 120 degrees with the mirror and the distant station, a " duplex mirror " is used in place of the sighting vane. The process of alignment is in this case a little more complicated. Various other means of making dots and dashes are referred to in the official work, ranging from the " collapsible drum " hung on a mast to the rough but effective improvisation of a heliograph out of a shaving-glass. The employment of the beams of the search-light to make flashes on clouds is also a method of signalling which has been in practice very . effective.
The Morse code employed in army signalling is as follows:
A B C D E F G H I K L M P Q R S U V W X Y Z 1
The semaphore code used in the army is shown below:—

Fig. 3.—Semaphore (the thin upright strokes represent the seaman's body, the thick strokes his arms).
In using this code the signaller invariably faces his reader, as unless this were enforced each letter might, be read as its opposite. In the above diagram the appearance of the signals to the reader is shown, thus the sender's right side only is used for the letter A.
In sending a message accuracy is ensured by various checks. The number of words in a message is the most valuable of these, as the receiving station's number must agree before the message is taken as correct. Each word or "group" sent by the Morse code must be "answered" before the sender passes on to another. All figures are checked by the "clock check" in which 1 is represented by A, 2 by B and so on. All cipher "groups" are repeated back en bloc. There is an elaborate system of signals relating to the working of the line. The " message form " in use differs but slightly from the ordinary form of the Post Office telegraphs. Signal stations in the field are classed as (a) "fixed" and "moving," the former connecting points of importance, or on a line of communications, the latter moving with the troops; (b) "terminal," "transmitting" and "central"; the first two require no definition, the last is intended to send and receive messages in many directions. The "transmitting station" receives and sends on messages, and consists in theory of two full "terminals," one to receive and one to send on. It is rarely possible in the field to work rapidly with less than five men at a transmitting and three at a terminal station. "Central" stations are manned according to the number of stations with which they communicate.
Signalling is used on most campaigns to a large extent. In the Tirah expedition, 1897 and 1898, one signal station received and sent, between the 1st and 18th November, as many as 980 messages by heliograph, some of which were 200 to 300 words in length. It is often used as an auxiliary to the field telegraph, especially in mountainous countries, and when the wire is liable to be cut and stolen by hostile natives. In the Waziri expedition, 1881, communication was maintained direct for a distance of 70 m. with a 5-in. heliograph. In the Boer War, 1899-1902, the system of heliographic signalling was employed very extensively by both sides.
In Germany the first army signalling regulations only appeared in 1902. The practice was, however, rapidly developed and towards the end of the 1905 campaign in South-West Africa, 9 signalling officers and 200 signallers were employed in that country. These usually worked in parties of 2 or 3, each party being protected by a few infantrymen or troopers. The apparatus used was heliograph by day and a very elaborate form of lamp by night, and work was carried on between posts separated by 60 and even 90 m. The signallers were employed both with the mobile forces and in a permanent network of communication in the occupied territory. In 1907-1908 fresh signalling regulations were issued to the home army, and each company, battery or squadron is now expected to find one station of three men, apart from the regimental and special instructors and staff. Some experiments were carried out at Metz to ascertain the mean distance at which signals made by a man lying down could be seen, this being found to be about 1000 yds. The new regulations allow of the use of flag and lamp signalling at 4 m. instead of as formerly at 1¾. Three flags are used, blue, white and yellow, and it is stated that the last is the most frequently useful of the three.
The enormous development of the field telegraph and telephone systems in the elaborate war of positions of 1904-1905 more or less crowded out, so to speak, visual signalling on both sides, and in any case the average illiterate Russian infantryman or the Cossack was not adaptable to signalling needs. Only about one-quarter of the signalling force (which consisted exclusively of engineer troops) in Kuropatkin's army was employed in optical work, the other three-quarters being assigned to telegraph, wireless and telephone station work. The Italians, who are no strangers to colonial warfare, have a well-developed visual signalling system.
See British Official Training Manuals: Signalling (1907).
Railway Signalling.—In railway phraseology the term "signal" is applied to a variety of hand motions and indications by lamps and other symbols, as well as to fixed signals; but only the last-named class—disks and semaphores, with lights, permanently fixed (on posts) at the side of the track—will be considered here. These may be divided into (1) interlocking signals, used at junctions and yards, and (2) block signals, for maintaining an interval of space between trains following one another. In both classes the function of a signal is to inform the engine-driver whether or not he may proceed beyond the signal, or on what conditions he may proceed, and it is essential to give him the information some seconds before it need be acted upon.
The semaphore signal, which is now widely used, consists of an arm or blade about 5 ft. long extending horizontally, at right angles to the line of the track, from the top of a post (wood or iron) 15 to 30 ft. high, and sometimes higher (fig. 4). This arm, turning on a spindle, is pulled down ("off") to indicate that a train may pass it, the horizontal (or "on") position indicating "stop"; sometimes, as on the continent of Europe, use is made of the position of the arm in which it points diagonally upwards, and on one or two English lines the arm in the safety position hangs down perpendicularly, parallel to, but a few inches away from, the post. A lamp is fixed to the side of the post about on a level with the blade, and by the movement of the blade is made to show at night red for "stop" and green for go-ahead or "all clear." The earlier practice, white for "all clear," still prevails largely in America.
In the early days of railway signalling three positions of the semaphore arm were recognized:—(1) Horizontal, or at right angles to the post, denoting danger; (2) at a downward angle of 45 degrees, denoting caution; (3) hanging vertically downwards or parallel to the post, denoting all right. Corresponding to the position of the arm, three different lights were employed at night—red for danger, green for caution and white for all right. But now British railways make use of only two positions of the arm and two lights—the arm at right angles to the post and a red light, both signifying danger or stop; and the arm at about 60 degress (or vertical, as mentioned above) and a green light, both meaning all right or proceed. It is better to abolish the use of white lights for signalling purposes. The reason is obvious. There are many lights and lamps on the platforms, in signal-boxes and in the streets and houses adjacent to a railway; and if white lights were recognized as signals, a driver might mistake a light of this nature as a signal to proceed; in fact, accidents have been caused in this manner. A white light is not to be regarded as a danger signal, as is sometimes erroneously stated, but rather as no signal at all; and as there is a well-known rule to the effect that "the absence of a signal at a place where a signal is ordinarily shown must be treated as a danger signal," it follows that a white light, when seen at a place where a red or green light ought to be visible, is to be treated as a danger signal, not because a white light per se means danger, but because in such a case it denotes the absence of the proper signal. Some companies have adopted a purple or small white light as a "danger" signal for shunting purposes in sidings and yards; but this practice is not to be commended, since red should be the universal danger signal.
Distant signals are used to make it unnecessary for an engine-driver to slacken his speed in case the stop (home) signal is obscured by fog or smoke, or is beyond a curve, or for any reason is not visible sufficiently far away. Encountering the distant signal at a point 400 to 800 yds. before reaching the home signal, he is informed by its position that he may expect to find the latter in the same position; if it is "off" he passes it, knowing that the home signal must be in the same position, but if it is at danger he proceeds cautiously, prepared to stop at the home signal, if necessary. The arm of a distant signal usually has a fish-tail end. In Great Britain its colour indications are generally the same as for the home signal, but occasionally it shows yellow, and on some lines it is distinguished at night by an angular band of light, shaped like a fish-tail, which appears by the side of the red or green light. In America its night colour-indication is made different from that of the home signal. Thus, where white is used to indicate all clear (in both home and distant) the distant arm, when horizontal, shows a green light; where green is the all clear colour a horizontal distant shows either a yellow light or (on one road) a red and a green light side by side. Two lights for a single arm, giving their indication by position as well as colour, have been used to a limited extent for both home and distant signals. Dwarf signals (a in fig. 5) are used for very slow movements, such as those to or from a siding. Their blades are about 1 ft. long, and the posts about 4 ft. high; the lower arm on post c being for slow movements, is also frequently made shorter than the upper one. Where more than two full-sized arms are used on a post, the custom in America is to have the upper arm indicate for the track of the extreme right, and the others in the order in which the tracks lie; in Great Britain the opposite rule prevails, the upper arm indicating for the extreme left. But the signals controlling a large number of parallel or diverging tracks are preferably arranged side by side, often on a narrow overhead bridge or gantry spanning the tracks.
All the switches and locks are connected with the signal cabin by iron rods (channel-iron or gas-pipe) supported (usually near the ground and often covered by boxing) on small grooved wheels set at suitable distances apart. The foundations of these supports are of wood, cast iron or concrete. Concrete foundations are comparatively recent, but are cheap and durable. For signals (but not for points) wire connexions are universal in England, and are usual in America, being cheaper than rods. In changing the direction of a line of rodding a bell-crank is used, but with a wire a piece of chain is inserted and run round a grooved pulley. Wire connexions are shown at a and b, fig. 4, the main or "front" wire being attached at a. By this the signalman moves the arm down to the inclined or go ahead position, to do which he has to lift the counter

Fig. 4.—Semaphore signal. R, Red glass; G, green glass.
Interlocking.
So early as 1846 it became a common practice in England to concentrate the levers for working the points and signals of a station in one or more cabins, and the necessity of interlocking soon became evident to prevent simultaneous signals being given over conflicting routes, or for a route not yet prepared to receive the train. In large terminals concentration and interlocking are essential to rapid movements of trains and economical use of ground.
Fig. 5 shows a typical arrangement of interlocked signals, the principle being the same whether a yard has one set of points or

Fig. 5.—Interlocked signals (American practice, signals at right track and arms at right of post).
a hundred. The signals (at a, b, and c) are of the semaphore pattern. For the four signals and one pair of points there are, in the second storey of the cabin C, five levers. Each signal arm stands normally in the horizontal position, indicating stop. To permit a train to pass from A to B the signalman moves the arm of signal b to an inclined position (60 degrees to 75 degrees downwards); and the interlocking of the levers prevents this movement unless it can safely be made. If a has been changed to permit a movement from S to B, or if the points x have beeen set for such a movement, or if either signal on post c has been lowered, the lever for b is immovable. In like manner, to incline the arm of signal a for a movement from S to B it is first necessary to have the points set for track S, and to have the levers of all the other signals in the normal (stop) position. A sixth lever, suitably interlocked, works a lock bar, which engages with the head rod of the points; it is connected to the lock through the "detector bar," d. This bar, lying alongside of and close to the rail, must move upwards when the points lock is being moved either to lock or to unlock; and being made of such a length that it is never entirely free of the wheels of any car or engine standing or moving over it, it is held down by the flanges, and the signalman is prevented from inadvertently changing the points when a train is passing. At r is a throw-off or derailing switch ("catch-points"). When x is set for the passage of trains on the main line, r, connected to the same lever, is open; so that if a car, left on the side track unattended, should be accidentally moved from its position, it could not run foul of the main track.
The function of the interlocking machine is to prevent the simultaneous display of conflicting signals, or the display of a signal over points that are not set accordingly. The most common forms of interlocking have the locking bars arranged in a horizontal plane; but for ease of description we may take one having them arranged vertically, the principle being the same. The diagram (fig. 6) shows a section with a side view of one lever. A machine consists of as many levers, placed side by side, as there are points and signals to be moved, though in some cases two pairs of points are moved simultaneously by a single lever, and two or more separate arms on the same post may be so arranged that either one of them will be moved by the same lever, the position of the point connexions being made to govern the selection of the arm to be moved. A switch rod would be connected to this lever at H; the lever K is for use where a signal is connected by two wires, as before described. The lever is held in each of its two positions by the catch rod V, which engages with notches in the segment B. When the signalman, preparatory to lowering a signal, grasps the lever at its upper end, he moves this rod upwards, and in so doing actuates the interlocking, through the tappet N, attached at T. Lifting the tappet locks all levers which need to be locked to make it safe to move this one. In pulling over the lever the rocker R is also pulled; but the slot in it is radial to the centre on which the lever turns, so that during the stroke N remains motionless. On the completion of the stroke and the dropping of V, N is raised still farther, and this unlocks such levers as should be unlocked after this lever is pulled ("cleared" or "reversed"). It will be seen that whenever the tappet N of any lever is locked in the

Fig. 6.—Signal Lever, with Mechanical Interlocking.

Fig. 7.—Interlocking Frame.
position shown in the figure, it is impossible to raise V, and therefore impossible to move the lever.
The action of tappet N may be understood by reference to fig. 7. A tappet, say 3, slides vertically in a planed recess in the locking plate, being held in place by strips G and K. Transverse Power Interlocking.
grooves N, O, P, carry dogs, such as J. Two dogs maybe connected together by bars, R. The dogs are held in place by straps Y (fig. 6). Locking is effected by sliding the dogs horizontally; for example, dog J has been pushed into the notch in tappet 1, holding it in the normal position. If tappet 2 were raised, its notch would come opposite dog J; and then the lifting of 1 would lock 2 by pushing J to the left. By means of horizontal rod R, the lifting of 1 also locks 4. If 4 were already up, it would be impossible to lift 1.
Switch and signal machines are sometimes worked by compressed air, or electric or hydraulic power. The use of power makes it possible to move points at a greater distance from the cabin than is permissible with manual locking. power. The most widely used apparatus is the electro-pneumatic, by which the points and signals are moved by compressed air at 70 ft) per sq. in., a cylinder with piston being fixed at each signal or switch. From a compressor near the cabin, air is conveyed in iron pipes buried in the ground. The valves admitting air to a cylinder are controlled by electromagnets, the wires of which are laid from the cabin underground. Each switch or signal, on completing a movement, sends an electric impulse to the cabin, and the interlocking is controlled by this " return." In the machine the "levers" are very small and light, their essential function being to open and close electric circuits. This is performed through the medium of a long shaft placed horizontally with its end towards the operator, which is revolved on its axis through 60 degrees of a circle. This shaft actuates the interlocking, which is in principle the same as that already described; and it opens and closes the electric circuits, governing the admission of air to cylinders, by means of simple metal contact strips rubbing on sections of its surface. The high-pressure machine has been used with hydraulic power instead of pneumatic, and with electrical interlocking instead of mechanical.
Interlocking apparatus worked by compressed air at low pressure (15 ft) per sq. in.), and with no electrical features, is in use on some lines in America and has been introduced into England. In place of an electromagnet for admitting compressed air to the cylinders, a rubber diaphragm 8 in. in diameter is used. This is lifted by air at 7 lb pressure, this pressure being conveyed from a cabin, distant 500 ft. or more, in one or two seconds. As in the electro-pneumatic machine, the lever of a switch cannot complete its stroke until the switch has actually moved home and conveyed a " return indication " to the cabin. Pneumatic apparatus of other designs is in use to a limited extent.
Pneumatic interlockings are costly to instal, and, depending on an unfailing source of power, have not been much used at isolated places, except on railways where an air-pipe is installed for block signals; but at large yards the pneumatic machines have been made a means of economy, because one attendant can manage as many levers as can two or three in a manual power machine. Moreover, a single lever will work two or more switches, locks, &c, simultaneously, where desirable. The absence of outdoor connexions above ground is also an advantage.
Since about 1900 electric power has come into use for working both points and signals. A motor, with gearing and cranks, is fixed to the sleepers at each pair of points, the power is conveyed from the cabin by underground wires, the locking is of common mechanical types, and, in general, the system is similar to pneumatic systems except in the source of power. By using accumulators, charged by dynamos run by gasoline engines, or by a travelling power-car, the cost of power is reduced to a very low figure, so that power-interlocking becomes economical at small as well as large stations.
Block system.
The essence of block signalling is a simple regulation forbidding a train to start from station A until the last preceding train has passed station B; thus a space interval is maintained between each train, instead of the time-interval thatwas relied upon in the early days of railways. As the introduction of the telegraph was almost or quite contemporaneous with the advent of the railway, the possibility of a block system was early recognized; but its introduction was retarded by the great cost of employing attendants at every block station. But as traffic increased, the time-interval system proved inadequate; and in the United Kingdom the block system is now practically universal, while in America it is in use on many thousand miles of line. In "permissive blocking" a second train is allowed to enter a block section before the first has cleared it, the engine-man being required so to control his speed that if the first train be unexpectedly stopped he can himself stop before coming into collision with it. It thus violates the essential condition of true block signalling.
The manual "block" system in use at the present day in no way differs from that devised by W. F. Cooke in 1842, except so far as the details and designs of the telegraphic instruments are concerned. Cooke used a single-needle instrument giving two indications—the needle to the left signifying "line clear," to the right, "line blocked"; the instrument was also available for speaking purposes. The instruments employed in Great Britain consist of two dials—one for the up line and one for the down—and a bell. They may be divided into two main classes, those requiring one wire, and those requiring three wires for each double line of rails. The dials of the one- wire instruments give only two indications, namely, "line

Fig. 8.—Block signals. (English practice, trains run on left-hand track, signals at left of track, arms on left of post.)
clear" and "train on line" or "line blocked," the latter being the normal indication, even when there is no train in the section. The three-wire instrument has the advantage of giving three indications on the dial, namely, "line clear," "line closed" and "train on line," the normal indication being "line closed." The one-wire instrument differs from the three-wire in that the indicator is moved over to the different positions by a momentary current, and is then held there by induced magnetism, the wire being then free for any succeeding signals. In the three-wire apparatus there is a separate wire, with an instrument at each end for the up line; the same for the down line; and a wire for the bell, which is common to both lines. When no current is flowing, the indicator is vertical, meaning "line blocked or closed." When a current is sent along one of the wires, the deflections to the right or left, according to the polarity of the current, mean "line clear" or "train on line" respectively. Some dial instruments are made with needles, some with small disks, some with miniature semaphores to give the necessary indications, but the effect is the same. The block instruments and bells should not, as a rule, be used for speaking purposes; but on a few subsidiary railways, block working is effected by means of ordinary single-needle telegraphic instruments, or by telephone, the drawback to such an arrangement being that the signalman has no indication before him to remind him of the condition of the line.
Fig. 8 shows the signals at a typical English station, which may be called B. Notice having been received over the block telegraph that a train is coming from A (on the up track), the signalman in the cabin, b, lowers the home signal h; and (if the block section from B to C is clear of trains) he lowers the starting signal, s, also. The function of a distant signal d has already been described; it is mechanically impossible for it to be lowered unless h has previously been lowered. The relation of the signals to the "crossover road" xx is the same in principle as is shown in fig. 5. Dwarf or disk signals such as would be used for the siding T or the crossover xx are omitted from the sketch. Where the sections are very short, the starting signal of one section is often placed on the same post as the distant signal of the next. Thus, supposing B and C to be very close to each other, B's starting signal would be on the same post as C's distant signal, the latter being below the former, and the two would be so interconnected by "slotting" apparatus that C could not lower his distant signal unless B's starting signal was "off," while B by the act of raising his starting arm would necessarily throw C's distant arm to "danger." In America many block stations have only the home signal, even at stations where there are points and sidings, and on double-track lines the block telegraphing for both is done on a single Morse circuit. In the United Kingdom the practice is to have separate apparatus and separate wires for each track.
In the simple block system it is clearly possible for a signal- man, through carelessness, forgetfulness, or other cause, and in disregard of the indications of his telegraph instruments, ft/ocfc"*" " so t0 l° wer his signals as to admit a second train into the block section before the first has left it, and that without the driver of either train being aware of the fact. To eliminate as far as possible the chance of such an occurrence, which is directly opposed to the essence of the block system and may obviously lead to a collision, the locking of the mechanical signals with the electrical block instruments was introduced in England by W. R. Sykes about 1876, the apparatus being so arranged that a signalman at one end of a section is physically unable to lower his signals to let a train enter that section until they have been released electrically from the cabin at the other end. The starting signal at a block section A cannot be lowered until the signalman at the next station B , by means of an electric circuit, unlocks the lever in connexion with it. In so doing he breaks the unlocking circuit at his own station, and this break is restored only on the arrival of the train for which the unlocking was performed, the wheels of the train acting through a lever or by a short rail circuit. Valuable improvements have been made in this machine by Patenall, Coleman and others, and these are in use in America, where the system is known as the " con- trolled manual." The passage of a train is also made to set a signal at "stop" automatically, by disconnecting the rod between the signal and its lever. The connexion cannot be restored by the signalman ; it must be done by an electro-magnet brought into action by the train as it passes the next block station.
The block system is used on single as well as on double lines. In the United Kingdom and in Australia the means for preventing collisions between trains running towards each other on single-track railways is the " staff system." The staff, suitably inscribed, is delivered to the engine-driver at station A, and constitutes his authority to occupy the main track between that station and station B. On reaching B he surrenders the staff, and receives another one which gives him the right to the road between B and C. If there are two or more trains to be moved, all except the last one receive tickets, which belong to that particular staff. The staff system requires no telegraph; but to obviate the inconvenience of sometimes finding the staff at the wrong end of the road, electric staff apparatus has been devised. Staffs (or tablets) in any desired number are kept at each of the two stations, and are locked in a cabinet automatically controlled, through electro-magnets, by apparatus in the cabinet at the other station; and a staff (or tablet) being taken out at one station, a second one cannot be taken out at either station until this first one is re- turned to the magazine at one station or the other. Thus there is a complete block system. By simple "catching apparatus" on the engine, staffs or tablets may be delivered to trains moving at a good speed.
The signals so far described depend fqr their operation, either wholly or partially, on human agency, but there are others, commonly known as "automatic," which are worked signals. kv the trains themselves, without human intervention. Such signals, as a rule, are so arranged that normally they are constrained to stand at "safety," instead of in the "danger" position, which, like ordinary signals, they assume if left to themselves; but as a train enters a block section the constraint on the signals that guard it is removed and they return to the danger position, which they retain till the train has passed through. To effect this result an electrical track circuit or rail circuit is employed, in conjunction with some form of power to put the signalling devices to safety. Live-wire circuits were formerly employed, but are now generally abandoned. The current from a battery b (fig. 9) passes along the rails of one side oi trie track to tine signal s and returns along the other tails through a relay. If the current through this relay is stopped in
Staff system.
any way, whether by failure of the battery or by a short circuit caused by the presence of a train or vehicle with metal wheels connected by metal axles on any part of the block section, its electro-magnet is de-energized, and its armature drops, removing the constraint which kept the signals at safety and allowing them to move to danger. When the train has passed through the block

Fig. 9.—Automatic electric block signal, with rail circuit.
section the current is restored and the signals are forced back to show safety. The current used for the track circuit must be of low tension, because of the imperfect insulation, and as a rule the ballast must not be allowed to touch the rails and must be free from iron or other conducting substance. At each rail joint a wire is used to secure electrical continuity, and at the ends of each block section there are insulating joints in the track. Block sections more than about 1 m. long are commonly divided into two or more circuits, connected together by relays; but usually they are made under 1 m. in length and often on intra-urban railways very much less, so that many more trains can be passed over the line in a given time than is possible with ordinary block signalling. At points the track circuit is run through a circuit breaker, so that the "opening" of the points sets the signal for the section. The circuit is also led through the rails of the siding so far as they foul the main track. An indicator at each switch gives visual or audible warning of an approaching train.
The signals themselves have been devised to work by clock- work, by electricity—obtained, not from the track circuit, but from a power station, or from non-freezing batteries at each post, or from accumulators charged by dynamos situated, say, every 10 m. along the line—and by pneumatic power, either compressed atmospheric air laid on from a main or carbonic acid gas stored in a tank at the foot of the posts, each tank furnishing power for several thousand movements of the signal arm. A clockwork signal is shown in fig. 10. When an electro-magnet in the rail circuit drops its armature, the mechanism is released and causes the disk to turn and indicate stop. On the restoration of the current the disk makes another quarter
![]() |
|
| Fig. 10.—Signal moved by clockwork (Union). | Fig. 11.—Enclosed disk signal (Hall). |
turn and then shows only its edge to the approaching train, indicating "all clear."
The enclosed disk signal, commonly called a "banjo" (fig. 11), is a circular box about 4 ft. in diameter, with a glass-covered opening, behind which a red disk is shown to indicate stop. The disk, very light, made of cloth stretched over a wire, or of aluminium, is supported on a spindle, which is delicately balanced on a pivot so that the closing of an electro-magnet lifts the disk away from the window and thus indicates " all clear." On the withdrawal or failure of the current the disk falls by gravity to the " stop " position. A local battery is used, with a relay, the rail circuit not being strong enough to lift the disk. In the electro-pneumatic system a full-size semaphore is used. Compressed air, from pumps situated at intervals of 10 to 20 m., is conveyed along the line in an iron pipe, and is supplied to a cylinder at each signal, exactly as in pneumatic interlocking, before described. The rail circuit, when complete, maintains pressure in a cylinder, holding the signal " off." On the entrance of a train or the failure of the current, the air is liberated and the signal arm is carried by gravity to the " stop " position.
Automatic signals are sometimes made to stand normally (when no train is in the section) in the " stop " position. The local circuit is connected with the rail circuit so that it is closed only when a train is approaching within, say, 1 m. With the rail circuit, distant signals are controlled, without a line wire, by means of a polarized relay. Each signal, when cleared, changes the polarity of the rail circuit for the next section in its rear, and inis, by the polarized relay, closes the local circuit of the distant signal, without affecting the home signal for that section.
Automatic signals are used in America on a few single lines. The signal at A for the line AB is arranged as before described; and the signal at B, for movements in the opposite direction, is worked by means of a line wire from A, strung on poles. When a section is occupied, signals are set two sections away, so as to provide against the simultaneous entry of two trains.
One of the chief causes of anxiety and difficulty in the working of railway traffic is fog, which practically blots out the whole system P of visible signals, so that while the block telegraph re- slxnalllnx. mams ; the means of communicating the necessary instructions to the driver are no longer effective. Delay and confusion immediately arise; and in order to secure safety, speed has to be lessened, trains have to be reduced in number, and a system of " fog-signalling " introduced. In England, especially around London, elaborate arrangements have to be made. " Fog-signalling " consists in the employment of audible signals, or detonators, to convey to drivers the information ordinarily imparted by the visible or semaphore signals. As soon as possible after a fog comes on, a man is stationed at the foot of each distant signal, and generally of each home signal also, who by means of detonators, red and green flags and a hand-lamp, conveys information to the driver of every train as to the position of the semaphore arm. A detonator is a small flat metal case about 2 in. in diameter and J in. deep, furnished with two leaden ears or clips which can be easily bent down to grip the head of the rail. The case contains some detonating composition, which readily explodes with a loud report when a wheel passes over it. As soon as a signal arm is raised to " danger," the fogman places upon one of the rails of the track to which the signal applies two detonators, or in the case of a new and improved class of detonator which contains two separate charges in one case, one detonator, and at the same time exhibits a red flag or light to the driver of an approaching train. The engine of a train passing over the detonators explodes them, the noise so made being sufficient to apprise the driver that the signal, though invisible to him, is at danger, and he then should act in the same way as if he had seen the signal. If, however, the signal arm should be lowered to the "all-right " position before a train reaches it, the fogman should immediately remove the detonators and exhibit a green flag or lamp, replacing the detonators as soon as the signal is again raised to danger. As a rule the fogmen are drawn from the ranks of the permanent-way men, who otherwise would be idle. But if, as sometimes happens, a fog continues for several days, great difficulty is experienced in obtaining sufficient men to carry on this important duty without undue prolongation of their hours of work. When this happens, signalmen, shunters, porters, yardsmen and even clerks may have to be called on to take a turn at "fogging." Some companies have adopted mechanical appliances, whereby a man can place a detonator upon a line of rails or remove it while standing at a distance away from the track, thus enabling him to attend to more than one line without danger to himself. The cost of detonators often amounts to a considerable sum; and an apparatus called an economizer has been introduced, whereby the explosion of one detonator removes the second from the rails before the wheels reach it. As it is only necessary for one detonator to explode, the object of placing two on the rails being merely to guard against a miss-fire, considerable saving can thus be effected. Many attempts have been made to design a mechanical apparatus for conveying to a driver the requisite information as to the state of the signals during a fog, and for enabling the fogmen to be dispensed with. Such inventions usually consist of two parts, namely (1) an inclined plane or block or trigger, placed on the permanent way alongside the track or between the rails, and working in connexion with the arm of the signal ; and (2) a
lever or rod connected with the steam-whistle, or an electric bell or indicator on the foot-plate, and depending from the under-side of the engine in such a position as to come in contact with the apparatus on the ground, when the latter is raised above the level of the rails. Most of the proposed systems only give an indication when the signal is at danger, and are silent when the signal is off. This is contrary to good practice, which requires that a driver should receive a positive indication both when the signal is " off " as well as when it is " on." If this is not done, a driver may, if the signal is " off " and if the fog is thick, be unaware that he has passed the signal, and not know what part of the line he has reached. The absence of a signal at a place where a signal is usually exhibited should invariably be taken to mean danger. Fog signalling machines that depend on the ex- plosion of detonators or cartridges have the drawback that they require recharging after a certain number of explosions, -arying with the nature and size of the machine. Even when a satisfactory form of appliance has been discovered, the manner of using it is by no means simple. It is clearly no use placing such an apparatus im- mediately alongside a stop signal, as the driver would receive the intimation too late for him to be able to stop at the required spot. To place devices of this description at or near every stop signal in a large station or busy junction would involve a multiplication of wires or rods which is undesirable. Every such apparatus should certainly be capable of giving an " all-right " signal as well as a " danger " signal. It requires very careful maintenance, and should be in regular daily use to ensure its efficiency.
The fundamental principles of railway signalling are simple, but the development of the science has called for much study and a large money outlay. On every railway of any
Development
consequence the problems of safety, economy and convenience are involved, one with another, and signalling. cannot be perfectly solved. Even so fundamental a duty as that of guarding the safety of life and limb is a relative one when we have to consider whether a certain expenditure is justifiable for a given safety device. Having good discipline and foregoing the advantages of high speed, many a manager has successfully deferred the introduction of signals; others, having to meet severe competition, or, in Great Britain, under the pressure of the government, have been forced to adopt the most complete apparatus at great cost. In large city terminal stations, where additions to the space are out of the question, interlocking is necessary for economy of time and labour, as, indeed, it is in a less degree at smaller stations also; as a measure of safety, however, it is desirable at even the smallest, and the wise manager extends its use as fast as he is financially able. At crossings at grade level of one railway with another, and at drawbridges, interlocked signals with derailing switches obviate the necessity of stopping all the trains, as formerly was required by law everywhere in America, and saving a stop saves money. The block system was introduced primarily for safety, but where trains are frequent it becomes also an element of economy. Without it trains must usually be run at least five minutes apart (many managers deem seven or ten minutes the shortest safe interval for general use), but with it the interval may be reduced to three minutes, or less, according to the shortness of the block sections. With automatic signals trains are safely run at high speed only i| m. apart, and on urban lines the distance between them may be only a few hundred yards. (B. B. A.; H. M. R.) )

