7.5 - Industrial Production Starter Set
The following proposed starter set has emerged from the Conceptual Design Study in progress, and whose notes make up section 9.0 of this book. It should be able to produce a reasonably high percentage of its own parts. With sufficient programming it should also run with low levels of human labor. All the elements in the starter set appear to be within current technology, although some custom design and software will be needed. The study is still in progress, so the list of starter elements may change. Despite this, we think it is worth describing the current concepts so that others can comment and improve on it.
The set was selected with an emphasis on flexibility, so that the early machines can do many different tasks. As the starter kit grows to a full capacity factory, more specialized machines and additional copies of the starter set can be added to increase efficiency and production rates. The sizes of the machines are currently unspecified. That will depend on the desired output rates and what final products are to be produced. The best starter set will also likely change with location. The one that follows assumes a temperate environment on Earth, in or near a developed area.(1) Modular Robotics

This includes a combination of vehicle and manipulation elements to provide physical motion. The motion is produced by electric motors or hydraulics. The vehicle elements function like a farm tractor, performing a variety of functions by the use of different attachments. The robotic elements include cameras, computers, robotic arms, and end tools to manipulate objects. The design is envisioned as modular, with a frame, drive system (wheels, tracks, or legs), power system, and multiple attachment locations. One attachment would be a "manual control module", for times when a human needs to operate the vehicle directly. This can happen when a unique task is not worth programming to be automated, or human senses can respond better to unexpected conditions. Repetitive operations, like transporting rocks from a quarry pit, can be automated.
The robotic elements can also be used detached from the vehicle in a stationary location. In the factory building it would use a fixed mounting point with utility connections. The combined set of robotic equipment can, with the right attachments and tools, extract raw materials, haul them to the factory, then move items within the factory and do repetitive assembly tasks. Figure 1 shows a cancelled military unmanned ground vehicle design. Although cancelled, it illustrates the concept of a robotic vehicle with different attachments. It does not show the kind of robotic arms proposed here.(2) Solar Furnace

Many tasks require heat, and a solar furnace generates heat without consuming external electricity or fuels. This is envisioned as a collection of small mirrors that are mounted on a polar primary axis to follow the Sun's daily motion, and a seasonal tilt adjustment. The mirrors are arranged as either a flat Fresnel array or a paraboloid section to bring the sunlight to a focus. A secondary convex mirror above the primary mirror array directs the light back down to the polar axis. The focus therefore stays fixed as the Sun moves, making it easier to use the concentrated light, and having it at a more convenient working height. Different targets are placed at the focus depending on the task at hand.
A furnace can make bricks and other ceramics, cement for concrete, melt metals for casting, and make glass for more furnaces and other uses. It can also make electricity by placing a steam boiler or concentrating solar cells at the focus, and store energy by piping the heat into a rock thermal storage bed. If more than one task needs to be done, multiple copies of the furnace can be built, or a larger version which shares the focus zone. The furnace may need auxiliary heating when sunlight is not sufficient or intermittent. Figure 2 shows a solar furnace with a different kind of mounting. The design we propose places a secondary mirror where this one has the target, and moves the target to a fixed location near the ground where it is more accessible.(3) Bridge Mill
This is designed as a fixed-post bridge which moves in the vertical (Z) axis, and sliding table on rails in the horizontal (X) axis that moves under the bridge. The bridge itself has 4 mounts which move crosswise (Y), two on the front face and two on the back face. On each face, one mount starts from the left and the other from the right side. Each mount has its own lead screw, so they can move independently. Different heads for machining, 3D printing, plasma or laser cutting, spray painting, or other tasks attach to each mount as needed, and the different heads can swap bits or get refills as needed at the end positions, which extend past the posts beyond the work area. The table can accept pallets with additional motion axes, and the various heads can also include extra axes. For jobs like plasma cutting or painting, the pallet includes protection for the surroundings.
If more than four kinds of operations are needed, then multiple heads can be exchanged, or a second bridge installed further along the rails. By sharing the base rails and bridge for the main XYZ motions, less total equipment is required for multiple operations. This limits how many tasks can be done at the same time, but that is an acceptable compromise for a starter set. Figure 3 shows a small simple bridge mill which illustrates the basic shape and motion axes. It does not have many of the features noted here for a seed factory machine.(4) Horizontal Lathe

(5) Hydraulic Press

(6) Process Plant

To make copies of the machines, or new ones not in the original set, various materials are required. Some of the materials can be produced using the solar furnace, the ones requiring high temperatures. But other materials require a series of physical or chemical reactions or operations. This "machine" consists of a variety of units that each perform simple chemical processes. They can be connected in a flexible, modular way to perform more complex processes according to a programmed "recipe". This is in contrast to most commercial plants, which are designed to carry out a single process on a mass scale using equipment installed permanently. The same types of basic units will need to be built in different materials (glass, stainless steel, etc.) for chemical compatibility and different temperature and pressure ranges.
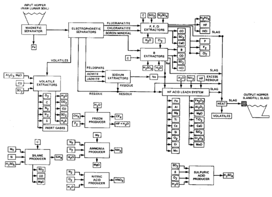
Whatever outputs are not the desired products are recycled or reprocessed so that the plant does not generate large amounts of waste. The units will also need cleaning to prevent cross-contamination when the process is changed. Figure 6 shows a proposed chemical process for extracting materials from Lunar soil. It gives the general idea of a chemical plant made up of simpler elements, but does not include the ability to change processes by rearranging the modules.(7) Electric Shop

(8) Building and Support Equipment

All the major equipment listed previously needs protection from the weather at least occasionally. In addition, housing for the control computers and a design area, a firm foundation, and utilities and lighting are needed. Beyond the main machine, chemical, and electrical areas, there is a need for storage, secondary machines for measuring, grinding, and sharpening, and portable and hand tools. This element of the factory includes the building itself, plus the supporting equipment listed, areas for assembly, aisles for transport and access, etc.
The building or buildings use a modular design, with environment control and protection from the outside as needed, and the ability to be extended or modified easily as needs change and the factory grows. Figure 8 shows a large general-purpose workshop building similar to the type proposed for the seed factory.