Practical Electronics/Transformers

Transformer is a passive electrical device that contains electromagnetic component consists of two coils wrap around a (usually) square magnetic material that has the capability of transferring electrical energy from one circuit to another through the process of electromagnetic induction.
The main application of transformer is commonly used to increase (‘step up’) or decrease (‘step down’) voltage levels between circuits.
The three main parts of a transformer:
| (i) Primary Winding of Transformer | Produces magnetic flux when it is connected to an electrical source |
| (ii) Magnetic Core of Transformer | The magnetic flux produced by the primary winding, that will pass through this low reluctance path linked with secondary winding and create a closed magnetic circuit |
| (iii)Secondary Winding of Transformer |
The flux, produced by primary winding, passes through the core, will link with the secondary winding. This winding also wounds on the same core and gives the desired output of the transformer. |
Operating Principle

Transformer work based on principles of Faraday's Induction Law operating principle shown below. Mutual induction between two or more windings (also known as coils) allows for electrical energy to be transferred between circuits.
Primary windings is supplied by an alternating electrical source, it will produces a continually changing and alternating flux that surrounds the winding.
If secondary winding is brought to close approximation to primary winding, some portion of this alternating flux will link with the second winding. As this flux is continually changing in its amplitude and direction, there must be a changing flux linkage in the second winding or coil.
The purpose of the transformer core is to provide a low resistance path for the magnetic flux, through which the maximum amount of flux produced by the primary winding is passed through and linked with the secondary winding.
According to Faraday's Induction Law , there will be an EMF induced in the second winding. If the circuit of this secondary winding is closed, then a current will flow through it. This is the basic working principle of a transformer.
Characteristic

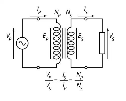
The formula of Transformers Turns Ratio is given as shown:
Whether the transformer increases or decreases the voltage level depends on the relative number of turns between the primary and secondary side of the transformer.
Step up - If there are less turns on the primary coil than the secondary coil than the output voltage will increase
Step down - If there are more turns on the primary coil than the secondary coil than the output voltage will decrease
Buffer Voltage when
Summary
Component Transformer Symbol
Construction
Function Step Up
Step Down
Buffer