Electronics Handbook/Devices/Rectifier
<
Electronics Handbook
|
Devices
Rectifier
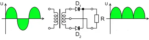
Rectifier is a Device that converts AC Electricity to DC Electricity
Configurations
Transformer with centered tap
Transformer without centered tap
Reference
Rectifier