Electronics Handbook/Circuits/Diode Configurations
<
Electronics Handbook
|
Circuits
Digital Logic Gate
AND Gate
OR Gate
Diode Bridge
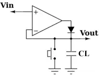
Peak Detector