Communication Systems/Amplitude Modulation
Amplitude modulation is one of the earliest radio modulation techniques. The receivers used to listen to AM-DSB-C are perhaps the simplest receivers of any radio modulation technique; which may be why that version of amplitude modulation is still widely used today. By the end of this module, you will know the most popular versions of amplitude modulation, some popular AM modulation circuits, and some popular AM demodulation circuits.
Amplitude Modulation
Amplitude modulation (AM) occurs when the amplitude of a carrier wave is modulated, to correspond to a source signal. In AM, we have an equation that looks like this:
We can also see that the phase of this wave is irrelevant, and does not change (so we don't even include it in the equation).
AM Double-Sideband (AM-DSB for short) can be broken into two different, distinct types: Carrier, and Suppressed Carrier varieties (AM-DSB-C and AM-DSB-SC, for short, respectively). This page will talk about both varieties, and will discuss the similarities and differences of each.
Characteristics
Modulation Index
Amplitude modulation requires a high frequency constant carrier and a low frequency modulation signal.
- A wave carrier is of the form
- A wave modulation signal is of the form
Notice that the amplitude of the high frequency carrier takes on the shape of the lower frequency modulation signal, forming what is called a modulation envelope.
The modulation index is defined as the ratio of the modulation signal amplitude to the carrier amplitude.
- where
The overall signal can be described by:
More commonly, the carrier amplitude is normalized to one and the am equation is written as:
- In most experienced author books this expression is simply written as:
- If the modulation index is zero () the signal is simply a constant amplitude carrier.
- If the modulation index is 1 (), the resultant waveform has maximum or 100% amplitude modulation.
Sidebands
Expanding the normalized AM equation:
we obtain:
where:
- represents the carrier
- represents the lower sideband
- represents the upper sideband
The sidebands occupies on the both sides of the center frequency. They are the sum and difference frequencies of the carrier and modulation signals. In the above example, they are just single frequencies, but normally the baseband modulation signal is a range of frequencies and hence two bands are formed.
AM Modulator
The standard amplitude modulation equation is:
From this we notice that AM involves a multiplication process. There are several ways to perform this function electronically. The simplest method uses a switch.
Switching Modulators
Switching modulators can be placed into two categories: unipolar and bipolar.
Bipolar Switching Modulator
The bipolar switch is the easiest to visualize. Note that an AM waveform appears to consist of a low frequency dc signal whose polarity is reversing at a carrier rate.
The AM signal can be created by multiplying a dc modulation signal by
- This seems complicated but, if the square wave switching function has a 50% duty cycle, this simplifies to:
- This tells us that the square wave is actually composed of a series of cosines (phase shifted sines) at odd multiples of the fundamental switching frequency. Therefore, using this signal to multiply the baseband signal results in AM signals being generated at each of the odd harmonics of the switching (carrier) frequencies. Since the amplitude of the harmonics decreases rapidly, this technique is practical for only the first few harmonics, and produces an enormous amount of unwanted signals (noise).
- A band pass filter can be used to select any one of the AM signals. The number of different output frequencies can be significantly reduced if the multiplier accepts sinewaves at the carrier input.
- Removing the DC component from the input eliminates the carrier signal and creates DSBSC modulation.
Physically this is done by reversing the signal leads:
The process of reversing the polarity of a signal is easily accomplished by placing two switch pairs in the output of a differential amplifier. The Mc1496 Balanced Modulator is an example of such a device.
Unipolar Switching Modulator
As previously mentioned, an AM signal can be created by multiplying a dc modulation signal by 0 & 1.
- The spectrum of this signal is defined by:
Physically this is done by turning the modulation signal on and off at the carrier rate:
A high amplitude carrier can be used to turn a diode on and off. A dc bias is placed on the modulation signal to make certain that only the carrier (not the modulation signal) can reverse bias the diode.
It may not seem obvious, but the output of this circuit contains a series of AM signals. A bandpass filter is needed to extract the desired one. Normally it is the 1st or 3rd harmonic of the fundamental. (The 1st harmonic is the fundamental.)
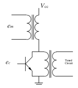
Collector Modulator
The diode switching modulator is incapable of producing high power signals since it is a passive device. A transistor can be used to overcome this limitation. A collector modulator is used for high level modulation.
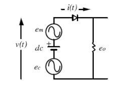
Square Law Modulator
The voltage-current relationship of a diode is nonlinear near the knee and is of the form:
- The coefficient a and b are constants associated with the particular diode.
Amplitude modulation occurs if the diode is kept in the square law region when signals combine.
- Let the injected signals be of the form:
- The voltage applied across the diode and resistor is given by:
- The current in the diode and hence in the resistor is given by:
- Which expands to:
Modulation Index Measurement
It is sometimes difficult to determine the modulation index, particularly for complex signals. However, it is relatively easy to determine it by critical observation.
There are two practical methods to derive the modulation index:
- By representing an AM wave as it is in time domain.(using maxima - minima terms.)
- By Trapezoidal method.
The trapezoidal oscilloscope display can be used to determine the modulation index.
- AM modulation index:
The trapezoidal display makes it possible to quickly recognize certain types of problems, which would reduce the AM signal quality.
The highest authorized carrier power for AM broadcast in the US is 50 kilowatts, although directional stations are permitted 52.65 kilowatts to compensate for losses in the phasing system. The ERP can be much higher
C-QUAM
The basic idea behind the C-Quam modulator is actually quite simple. The output stage is an ordinary AM modulator however; the carrier signal has been replaced by an amplitude limited vector modulator. Therefore, the limiter output is really a phase-modulated signal.
A standard AM receiver will detect the amplitude variations as L+R. A stereo receiver will also detect the phase variations and to extract L-R. It will then process these signals to separate the left and right channels.
To enable the stereo decoder, a 25 Hz pilot tone is added to the L-R channel.
AM Receivers
The most common receivers in use today are the super heterodyne type. They consist of:
- Antenna
- RF amplifier
- Local Oscillator and Mixer
- IF Section
- Detector and Amplifier
The need for these subsystems can be seen when one considers the much simpler and inadequate TRF or tuned radio frequency amplifier.
TRF Amplifier
It is possible to design an RF amplifier to accept only a narrow range of frequencies, such as one radio station on the AM band.
By adjusting the center frequency of the tuned circuit, all other input signals can be excluded.
The AM band ranges from about 500 kHz to 1600 kHz. Each station requires 10 kHz of this spectrum, although the baseband signal is only 5 kHz.
Recall that for a tuned circuit: . The center or resonant frequency in an RLC network is most often adjusted by varying the capacitor value. However, the Q remains approximately constant as the center frequency is adjusted. This suggests that as the bandwidth varies as the circuit is tuned.
- For example, the Q required at the lower end of the AM band to select only one radio station would be approximately:
- As the tuned circuit is adjusted to the higher end of the AM band, the resulting bandwidth is:
A bandwidth this high could conceivably pass three adjacent stations, thus making meaningful reception impossible.
To prevent this, the incoming RF signal is heterodyned to a fixed IF or intermediate frequency and passed through a constant bandwidth circuit.
Superheterodyne Receiver
The RF amplifier boosts the RF signal into the mixer. It has broad tuning and amplifies not just one RF station, but many of them simultaneously. It also amplifies any input noise and even contributes some of its own.
The other mixer input is a high frequency sine wave created by a local oscillator. In AM receivers, it is always 455 kHz above the desired station carrier frequency. An ideal mixer will combine the incoming carrier with the local oscillator to create sum and difference frequencies. .
A real mixer combines two signals and creates a host of new frequencies:
- • A dc level
- • The original two frequencies
- • The sum and difference of the two input frequencies
- • Harmonics of the two input frequencies
- • Sums and differences of all of the harmonics
Since the RF amplifier passes several radio stations at once, the mixer output can be very complex. However, the only signal of real interest is the difference between the desired station carrier frequency and the local oscillator frequency. This difference frequency, also called the IF (intermediate frequency) will alway be 455 kHz. By passing this through a 10 kHz BPF (band pass filter) centered at 455 kHz, the bulk of the unwanted signals can be eliminated.
Local Oscillator Frequency
Since the mixer generates sum and difference frequencies, it is possible to generate the 455 kHz IF signal if the local oscillator is either above or below the IF. The inevitable question is which is preferable.
- Case I The local Oscillator is above the IF. This would require that the oscillator tune from (500 + 455) kHz to (1600 + 455) kHz or approximately 1 to 2 MHz. It is normally the capacitor in a tuned RLC circuit, which is varied to adjust the center frequency while the inductor is left fixed.
- Since
- solving for C we obtain
- When the tuning frequency is a maximum, the tuning capacitor is a minimum and vice versa. Since we know the range of frequencies to be created, we can deduce the range of capacitance required.
Making a capacitor with a 4:1 value change is well within the realm of possibility.
- Case II The local Oscillator is below the IF. This would require that the oscillator tune from (500 - 455) kHz to (1600 - 455) kHz or approximately 45 kHz to 1145 kHz, in which case:
It is not practical to make a tunable capacitor with this type of range. Therefore the local oscillator in a standard AM receiver is above the radio band.
Image Frequency
Just as there are two oscillator frequencies, which can create the same IF, two different station frequencies can create the IF. The undesired station frequency is known as the image frequency.
If any circuit in the radio front end exhibits non-linearities, there is a possibility that other combinations may create the intermediate frequency. Once the image frequency is in the mixer, there is no way to remove it since it is now heterodyned into the same IF band as the desired station.
AM Demodulation
AM Detection
There are two basic type of AM detection, coherent and non-coherent. Of these two, the non-coherent is the simpler method.
- Non-coherent detection does not rely on regenerating the carrier signal. The information or modulation envelope can be removed or detected by a diode followed by an audio filter.
- Coherent detection relies on regenerating the carrier and mixing it with the AM signal. This creates sum and difference frequencies. The difference frequency corresponds to the original modulation signal.
Both of these detection techniques have certain drawbacks. Consequently, most radio receivers use a combination of both.
Envelope Detector
When trying to demodulate an AM signal, it seems like good sense that only the amplitude of the signal needs to be examined. By only examining the amplitude of the signal at any given time, we can remove the carrier signal from our considerations, and we can examine the original signal. Luckily, we have a tool in our toolbox that we can use to examine the amplitude of a signal: The Envelope Detector.
An envelope detector is simply a half wave rectifier followed by a low pass filter. In the case of commercial AM radio receivers, the detector is placed after the IF section. The carrier at this point is 455 kHz while the maximum envelope frequency is only 5 kHz. Since the ripple component is nearly 100 times the frequency of the highest baseband signal and does not pass through any subsequent audio amplifiers.
- An AM signal where the carrier frequency is only 10 times the envelope frequency would have considerable ripple:
Synchronous Detector
In a synchronous or coherent detector, the incoming AM signal is mixed with the original carrier frequency.
If you think this looks suspiciously like a mixer, you are absolutely right! A synchronous detector is one where the difference frequency between the two inputs is zero Hz. Of in other words, the two input frequencies are the same. Let's check the math.
Recall that the AM input is mathematically defined by:
- At the multiplier output, we obtain:
The high frequency component can be filtered off leaving only the original modulation signal.
This technique has one serious drawback. The problem is how to create the exact carrier frequency. If the frequency is not exact, the entire baseband signal will be shifted by the difference. A shift of only 50 Hz will make the human voice unrecognizable. It is possible to use a PLL (phase locked loop), but making one tunable for the entire AM band is not trivial.
As a result, most radio receivers use an oscillator to create a fixed intermediate frequency. This is then followed by an envelope detector or a fixed frequency PLL.
Squaring Detector
The squaring detector is also a synchronous or coherent detector. It avoids the problem of having to recreate the carrier by simply squaring the input signal. It essentially uses the AM signal itself as a sort of wideband carrier.
- The output of the multiplier is the square of the input AM signal:
Since the input is being multiplied by the component, one of the resulting difference terms is the original modulation signal. The principle difficulty with this approach is trying to create a linear, high frequency multiplier.
AM-DSB-SC
AM-DSB-SC is characterized by the following transmission equation:
It is important to notice that s(t) can contain a negative value. AM-DSB-SC requires a coherent receiver, because the modulation data can go negative, and therefore the receiver needs to know that the signal is negative (and not just phase shifted). AM-DSB-SC systems are very susceptible to frequency shifting and phase shifting on the receiving end. In this equation, A is the transmission amplitude.
Double side band suppressed carrier modulation is simply AM without the broadcast carrier. Recall that the AM signal is defined by:
- The carrier term in the spectrum can be eliminated by removing the dc offset from the modulating signal:
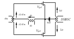
Double Balanced Ring Modulator
One of the circuits which is capable of creating DSBSC is the double balance ring modulator.
If the carrier is large enough to cause the diodes to switch states, then the circuit acts like a diode switching modulator:
The modulation signal is inverted at the carrier rate. This is essentially multiplication by ±1. Since the transformers cannot pass dc, there is no term which when multiplied can create an output carrier. Since the diodes will switch equally well on either cycle, the modulation signal is effectively being multiplied by a 50% duty cycle square wave creating numerous DSBSC signals, each centered at an odd multiple of the carrier frequency. Bandpass filters are used to extract the frequency of interest.
Some IC balanced modulators use this technique, but use transistors instead of diodes to perform the switching.
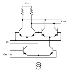
Push Pull Square Law Balanced Modulator
This circuit uses the same principles as the diode square law modulator. Since dc cannot pass through the transformer, it would be expected that there would be no output signal at the carrier frequency.
The drain current vs. gate-source voltage is of the form:
- The net drain current in the output transformer is given by:
- By applying KVL around the gate loops we obtain:
- Putting it all together we obtain:
- From this we note that the first term is the originating modulation signal and can easily be filtered off by a high pass filter. The second term is of the form:
- which is AM DSBSC.
AM-DSB-C
In contrast to AM-DSB-SC is AM-DSB-C, which is categorized by the following equation:
Where c is a positive term representing the carrier. If the term is always non-negative, we can receive the AM-DSB-C signal non-coherently, using a simple envelope detector to remove the cosine term. The +c term is simply a constant DC signal and can be removed by using a blocking capacitor.
It is important to note that in AM-DSB-C systems, a large amount of power is wasted in the transmission sending a "boosted" carrier frequency. since the carrier contains no information, it is considered to be wasted energy. The advantage to this method is that it greatly simplifies the receiver design, since there is no need to generate a coherent carrier signal at the receiver. For this reason, this is the transmission method used in conventional AM radio.
AM-DSB-SC and AM-DSB-C both suffer in terms of bandwidth from the fact that they both send two identical (but reversed) frequency "lobes", or bands. These bands (the upper band and the lower band) are exactly mirror images of each other, and therefore contain identical information. Why can't we just cut one of them out, and save some bandwidth? The answer is that we can cut out one of the bands, but it isn't always a good idea. The technique of cutting out one of the sidebands is called Amplitude Modulation Single-Side-Band (AM-SSB). AM-SSB has a number of problems, but also some good aspects. A compromise between AM-SSB and the two AM-DSB methods is called Amplitude Modulation Vestigial-Side-Band (AM-VSB), which uses less bandwidth then the AM-DSB methods, but more than the AM-SSB.
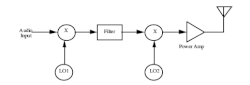
Transmitter
A typical AM-DSB-C transmitter looks like this:
c cos(...)
| |
Signal ---->(+)---->(X)----> AM-DSB-C
which is a little more complicated than an AM-DSB-SC transmitter.
Receiver
An AM-DSB-C receiver is very simple:
AM-DSB-C ---->|Envelope Filter|---->|Capacitor|----> Signal
The capacitor blocks the DC component, and effectively removes the +c term.
AM-SSB
To send an AM-SSB signal, we need to remove one of the sidebands from an AM-DSB signal. This means that we need to pass the AM-DSB signal through a filter, to remove one of the sidebands. The filter, however, needs to be a very high order filter, because we need to have a very aggressive roll-off. One sideband needs to pass the filter almost completely unchanged, and the other sideband needs to be stopped completely at the filter.
To demodulate an AM-SSB signal, we need to perform the following steps:
- Low-pass filter, to remove noise
- Modulate the signal again by the carrier frequency
- Pass through another filter, to remove high-frequency components
- Amplify the signal, because the previous steps have attenuated it significantly.
AM-SSB is most efficient in terms of bandwidth, but there is a significant added cost involved in terms of more complicated hardware to send and receive this signal. For this reason, AM-SSB is rarely seen as being cost effective.
Single sideband is a form of AM with the carrier and one sideband removed. In normal AM broadcast, the transmitter is rated in terms of the carrier power. SSB transmitters attempt to eliminate the carrier and one of the sidebands. Therefore, transmitters are rated in PEP (peak envelope power).
- With normal voice signals, an SSB transmitter outputs 1/4 to 1/3 PEP.
There are numerous variations of SSB:
- SSB - Single sideband - amateur radio
- SSSC - Single sideband suppressed carrier - a small pilot carrier is transmitted
- ISB - Independent sideband - two separate sidebands with a suppressed carrier. Used in radio telephony.
- VSB - Vestigial sideband - a partial sideband. Used in broadcast TV.
- ACSSB - Amplitude companded SSB
There are several advantages of using SSB:
- • More efficient spectrum utilization
- • Less subject to selective fading
- • More power can be placed in the intelligence signal
- • 10 to 12 dB noise reduction due to bandwidth limiting
Filter Method
The simplest way to create SSB is to generate DSBSC and then use a bandpass filter to extract one of the sidebands.
This technique can be used at relatively low carrier frequencies. At high frequencies, the Q of the filter becomes unacceptably high. The required Q necessary to filter off one of the sidebands can be approximated by:
- where:
Several types of filters are used to suppress unwanted sidebands:
- LC - Maximum Q = 200
- Ceramic - Maximum Q = 2000
- Mechanical - Maximum Q = 10,000
- Crystal - Maximum Q = 50,000
In order to reduce the demands placed upon the filter, a double heterodyne technique can be used.
The first local oscillator has a relatively low frequency thus enabling the removal of one of the sidebands produced by the first mixer. The signal is then heterodyned a second time, creating another pair of sidebands. However, this time they are separated by a sufficiently large gap that one can be removed by the band limited power amplifier or antenna matching network.
- Example
- Observe the spectral distribution under the following conditions:
- • Audio baseband = 100 HZ to 5 KHz
- • LO1 = 100 kHz
- • LO2 = 50 MHz
- The spectral output of the first mixer is:
- If the desired sideband suppression is 80 dB, the Q required to filter off one of the sidebands is approximately:
- It is evident that a crystal filter would be needed to remove the unwanted sideband.
- After the filter, only one sideband is left. In this example, we’ll retain the USB. The spectrum after the second mixer is:
- The Q required to suppress one of the side bands by 80 dB is approximately:
- Thus, we note that the required Q drops in half.
This SSB filter technique is used in radiotelephone applications.
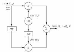
Phase Shift Method
The output from the top mixer is given by:
- The output from the bottom mixer is given by:
- The output of the sumer is:
- which corresponds to the lower sideband.
The major difficulty with this technique is the need to provide a constant 90o phase shift over the entire input audio band. To overcome this obstacle, the Weaver or third method uses an audio sub carrier, which is phase shifted.
Weaver Method
The Weaver or ‘third’ method places the baseband signal on a low frequency quadrature carrier.
This has the advantage of not requiring a broadband phase shifter however; the use of four mixers makes it awkward and seldom used.
SSB Transmitter
AM-SSB transmitters are a little more complicated:
cos(...)
|
Signal ---->(X)---->|Low-Pass Filter|----> AM-SSB
The filter must be a very high order, for reasons explained in that chapter.
SSB Receiver
An AM-SSB receiver is a little bit complicated as well:
cos(...)
|
AM-SSB ---->(X)---->|Low-Pass Filter|---->|Amplifier|----> Signal
This filter doesnt need to be a very high order, like the transmitter has.
These receivers require extremely stable oscillators, good adjacent channel selectivity, and typically use a double conversion technique. Envelope detectors cannot be used since the envelope varies at twice the frequency of the AM envelope.
Stable oscillators are needed since the detected signal is proportional to the difference between the untransmitted carrier and the instantaneous side band. A small shift of 50 Hz makes the received signal unusable.
SSB receivers typically use fixed frequency tuning rather than continuous tuning as found on most radios. Crystal oscillators are often used to select the fixed frequency channels.
AM-VSB
Single-sideband modulation works satisfactorily for an information-bearing signal (e.g.,
speech signal) with an energy gap centered around zero frequency. However, for the spectrally
efficient transmission of wideband signals, we have to look to a new method of modulation
for two reasons:
- Typically, the spectra of wideband signals (exemplified by television video signals and
computer data) contain significant low frequencies, which make it impractical to use
SSB modulation.
- The spectral characteristics of wideband data befit the use of DSB-SC. However, DSBSC
requires a transmission bandwidth equal to twice the message bandwidth, which
violates the bandwidth conservation requirement.
To overcome these two practical limitations, we need a compromise method of modulation
that lies somewhere between SSB and DSB-SC in its spectral characteristics. Vestigial sideband,
the remaining modulation scheme to be considered in this section, is that compromise
scheme.
Vestigial sideband (VSB) modulation distinguishes itself from SSB modulation in two
practical respects:
- Instead of completely removing a sideband, a trace or vestige of that sideband is transmitted, hence, the name “vestigial sideband.”
- Instead of transmitting the other sideband in full, almost the whole of this second band is also transmitted.
Transmitter
Here we will talk about an AM-VSB transmitter circuit.
Receiver
Here we will talk about an AM-VSB receiver circuit.



































