Circuit Idea/Group 65b

We are students from Faculty of Computer Systems, Technical University of Sofia. Our 65 group is divided into two sub-groups. We constitute the second one - 65b . Here are our names:
Svilen Peev, Tencho Petrov, Dimitar Shikov, Atanas Viyachki, Vladimir Konushliev,Galina Spasova,Silviya Karaivanova
Lab 1: Investigating passive resistive circuits by Microlab system.

The resistor as a component
What is resistor? It is defined by several parameters:
- Resistance in Ohms (Ω)
- Heat dissipation in Watts (W)
- Manufacturing tolerance (%)
How to make a resistor? Electricity experimenters in the early 1800's used turns of wire of high resistance composition or compressed carbon granules to make resistances for their experiments.
What does resistor do? In electronics we use a resistor when we need to reduce the voltage applied to a circuit.
How does a resistor work? ... Silviya Karaivanova
Can a single resistor decrease voltage?
(try to explain the phenomenon) Circuit-fantasist (talk) 07:56, 28 April 2008 (UTC)
To decrease a voltage we need at least two resistors. Let's discuss the two possible cases.
R1 = 0. As we know:
R2 = ∞. (explain...) Circuit-fantasist (talk) 12:42, 18 May 2008 (UTC)
So, we can finally conclude that one resistor couldn't decrease the voltage.
We know that the resistor converts the current IIN into a proportional voltage VOUT. So,
VR=R*IIN and VIN=R*IIN --> VR=VIN
The resistor R acts as a simple voltage-to–current converter.


Building a voltage divider by two resistors

Two resistors can be used to set a specific voltage. For example, if two resistors are connected as shown and a voltage of 10 volts is applied to the ends, then if both resistors are of equal value, the voltage at the middle point connection point will be 5 volts. The voltage is divided between the two resistors.
A three-terminal resistive voltage divider is sometimes also called a potentiometer. But what is potentiometer? Since it is a "meter", what does it measure? Circuit-fantasist (talk)
Basically a potentiometer is used to alter the potential difference in circuits. As we probably all know have so many definitions about the potentiometer. Some of them are:
1. Potentiometer is a three-terminal resistor with a sliding contact that forms an adjustable voltage divider.
2. Potentiometer is a measuring instrument for measuring direct current electromotive forces
3. Potentiometer is a resistor with three terminals, the third being an adjustable center terminal; used to adjust voltages in radios and TV sets
4. A device that controls the amount of current that flows through a circuit, such as a volume switch on a radio. Example: A volume control is usually a potentiometer.
5. Potentiometer is a variable resistor. It usually has three terminals: the two end terminals, across which the entire resistance appears, and a third terminal, the "wiper", which moves to a different spot on the resistor as the shaft is turned. ...
How a variable resistor works ? A variable resistor is a length of resistive material (wire, carbon, etc.) connected to the ends; a sliding connection makes the electrical connection. The resistance between the two connections is determined by the length of resistive material between the two connections. The closer the slider is to the end the lower the resistance is between this end and the slider and v.v.
A typical example is the volume control of audio equipment - there the resistive material is wrapped into an incomplete circle and the slider moves in an arc over the resistive material.
See also: dividers
Silviya Karaivanova i Galina Spasova
<the deleted scans were here>
Silviya, where have you taken these scans from? Don't you think we might have problems with Cambridge university press? Circuit-fantasist (talk) 15:21, 11 May 2008 (UTC)
Investigating the voltage divider

What do we need to carry out a computer-based experiment? First, we need a computer; after that we have only to connect to this computer a few analog-to-digital converters (ADC's) acting as analog inputs and a few digital-to-analog converters (DAC's) acting as analog outputs and our simple computer-based system Microlab is ready! Of course, we need the very voltage divider (or a potentiometer) that consists of at least two resistors. Silviya Karaivanova
Lab 2: The genuine Ohm's experiment.
Tuesday, March 25, 2008, 10.30 h
Lab 3: Transistor circuits (building the simplest transistor current source)
Tuesday, April 08, 2008, 10.30 h (extracted from the lab records made by a solid-state recorder) Circuit-fantasist 17:14, 28 May 2008 (UTC)
What a current source is

We begin our lab with general questions: "What is a current source? What do we want it to do?" How does a current source behave? How do we figure out that some device is a current source? How do we make a current source?" Simply speaking, we have to form a notion about constant current source.
What have you known about the current source from the basic course of electricity? Here is the well-known symbol of a current source (see the picture). How to make a good guess that it is a current source? If I give to you a (black) box with two leads and I say that it is a current source, how do you convince yourselves that it is really a current source? Vladimir: It will begin warming... Why do you think so? And what will happen, if we connect the two leads (a short circuit - case 1 on the picture)? Is it dangerous for the current source (comparing with a voltage one)? Vladimir: Yes, it is... Atanas: No, it isn't... Indeed, there is nothing dangerous for a current source, if we short its two leads. As the current source is designed for a given current, it keeps up (limits) the current thus protecting itself.
Then, maybe the opposite condition - an open circuit (case 3 on the picture) - will be dangerous as the current source will try to pass the same current as before. In this situation, the current source is misled: it doesn't see the open circuit; it "thinks" there is something connected there. It just "sees" that no current flows and raises its internal voltage up with the "hope" to pass a current through the harmful "thing". Of course, the current source does not manage to pass any current through the open circuit and reaches the final (compliance) voltage; a saturation and even a breakdown occurs. Thus, the compliance voltage represents the maximum voltage that the current source can reach when strives to produce the desired current.
Passive current source

Atanas has said that, if we connect a resistor in series to the voltage source there will no problem with the short connection. Well, let's place a resistor; thus we obtain the simplest current source. Choose for concreteness the favorite pretty values for the electrical quantities: V = 10 V and R = 10 kΩ to obtain I = 1 mA.
Ideal load. First, make a short connection at the output of the circuit. Since there is no voltage drop across the load, all the input voltage V is applied across the resistor R. As a result, the current is exactly as Ohm's law says:
Keeping a constant current by using an ideal current load
Passive voltage-to-current converter (voltage causes current)

Imperfections. What are the problems of this humble circuit? Let's connect a load having some resistance to see what happens. As we can see, a voltage drop appears across the load and the current decreases.
The real load introduces some voltage drop VL, which affects the excitation voltage VIN. Now, not all the input voltage is applied across the current-setting resistor R but only the voltage difference VIN - VL. In other words, here the voltage difference VIN - VL determines the current IOUT instead the voltage VIN. As a result, the current decreases:
This passive circuit is imperfect; it can't stand against the load "intervention" especially, if the load varies. It is a static, fixed, non-adaptable circuit... What do we do then?
Keeping a constant current by depreciating the load
Passive voltage-to-current converter (voltage-controlled current source)
Op-amp circuit builder (go to Stage 2 of this interactive flash movie)
Dynamic current sources
Discovering the web
What a new idea might arise now? Maybe, we will find out it on the web? Then let's write "current source" in the Google window. No one knows why Google has chosen the Wikipedia page about current source from about 2,000,000 pages and put it at the first place. Well, open it to see what the truth about constant current source is. Alas! The page look quite cluttered and all that we can see here are definitions and specific circuit solutions. There is no philosophy; there are no basic ideas shown... For these cases they say, "Can't see the forest for the trees". Oh, the discussion page is quite more interesting! Even someone has suggested here a new structure of the page - the idea is first to reveal the basic idea and then to show the specific circuit solutions; that was in June, 2006...
Basic idea
Obviously, we have to reveal the truth by ourselves; let's then begin reasoning. The problem pops up when we connect a load and, what is worse, if we begin varying its resistance. Note the load may be not only a steady or varying resistor; it might be a capacitor that is charging, a diode (ordinary, zener, LED, base-emitter junction, etc.) or even a voltage source (e.g., a rechargeable battery)... It is not so important what exactly the load is; it is only important that a voltage drop appears across the load and this voltage drop confuses things.
If we look around, we can see that most things in this world are changeable, adaptable, dynamic... According to this observation, we have to make our current source react somehow to the load "intervention", to resist to its attempt to lower the current. That means something inside the current source has to change, in order to compensate the disturbing voltage drop across the load. What can change in this simple electric circuit?
Varying (dynamic) internal voltage

Vladimir: We might change the voltage... Yes, it is the one possible solution. Vladimir suggests, if the voltage drop VL across the load begins rising, the internal voltage VVAR of the current source to begin rising as well in the same direction with the same rate so that the difference VR between them to stay constant. This is the first idea: dynamic current source with following internal voltage. Till when will this magic continue? Of course, until VVAR finally reaches the positive supply rail. After that point, our wonderful "voltage-dynamic" current source becomes an ordinary passive one.
Have you heard the legend about Baron Munchhausen that was using his own boot straps to pull himself out of the sea? Our circuit is just one possible implementation of Munchhausen's bootstrapping idea in electronics.
Varying (dynamic) internal resistance

Do you have another idea? What else can change in this humble circuit when the voltage drop VL rises and, as a result, the current lowers? Atanas: Let's vary the resistance R... Great idea! The resistance R is another attribute that can change to keep the current constant.
Actually, we have to make the current source change its internal resistance so that to keep a constant sum R + RL; as a result, the current I = VREF/(R + RL) will stay constant. Again, till when will this magic continue? If RL rises, R will lower until it becomes finally zero. After that point, our wonderful "resistance-dynamic" current source becomes an ordinary one.
Since the resistor R has the property to keep up a constant current, they name it current-stable resistor. Let's realize this idea as it is simpler and more obvious than the idea of a dynamic voltage source considered above.
A transistor acting as a current-stable resistor

What electronic component has such a current-stable behavior? A student: The operational amplifier... No, no, it has to be a simpler element. Remember in this lab cicle we consider diode and transistor circuits; so, it has to be a diode or a transistor. A hint: the one has a behavior of a voltage source (more precisely, of a voltage-stable element); the other has a behavior of a current source (current-stable element). Well, which of the two behaves as a current-stable element? Of course, the transistor...
Well, let's then see why the transistor has such a behavior. You have already studied a subject about semiconductor elements; so, you have to know how it behaves. Do you have any reminiscence of it? What can a transistor do? A student: ...to amplify... No, it might sound paradoxical but the transistor does not amplify; it attenuates!?! The only thing that a transistor can do is to change its present resistance thus dissipating a power and, as a result, regulating the current through or the voltage across the load.
Here is an n-p-n transistor connected in series with a load RL and a power supply VCC. It is a three-terminal element (a triode) while a diode is a two-terminal element. A triode is too complicated for our reasoning:) so, we break down it into two two-terminal parts: an input base-emitter part and an output collector-emitter part. Each of them has an IV characteristic; now we are interested in the output characteristic of the collector-emitter part. Why they name it "IV characteristic"? Because we can do two things with it: to apply a voltage across it and to measure the current through it or to pass a current through it and to measure the voltage drop across it. Also, they name this curve output characteristic because it represents the output transistor's part. How does it look? Let's present the circuit operation graphically.
For this purpose, we have to superimpose two characteristics - one of the source and one of the load. First, let's draw the IV characteristic of the voltage source acting here as a power supply. What is it? It is a vertical line that is shifted with the magnitude of the voltage source VCC. Then, we have to show the presence of the load by inclining the line to the left according to the load resistance RL. The resulting curve represents an IV characteristic of a real voltage source having a voltage VCC and an internal resistance RL (they name it "load line"). After, we have to plot the transistor's output characteristic on the same coordinate system. The crossing point is known as an operating point; it represents the present magnitudes of the voltage and the current.


When we vary the load, the load line rotates and the operating point moves horizontally along the transistor's output characteristic. But why? How does it do this magic? What does the transistor actually do to achieve such an effect? Can someone explain? Let's try.
When we lower the load resistance the load line stands up; the transistor does the opposite - it increases its present collector-emitter resistance RCE (or just RT) so that to keep up a constant total circuit resistance. We may show RT by another line that begins from the coordinate system origin (the trick is to think of the present resistance RT as an ohmic one). So, this line will rotate around the origin and incline as well. As a result, the crossing point moves along a new almost horizontal line - the output transistor characteristic. This line is imaginary, unreal, artificial but we can see only this line; it represents the behavior of a current-stable resistor.
The text below is written by a student from this group:
The BJT transistor as a three-legged creature looks much like a light switch (2 legs for IN and OUT, and one for the ON/OFF button), and basically that's what it is - a switch. But this one here is like those fancy light switches with a rotating knob or even the more fancy ones - with a metal "touch-plate", which can be used to set a different light intensity in a continuous range by rotating the knob, or keeping your finger on the metal plate for a short time. But unlike these mechanically controlled switches, the transistor is an electrically controlled one - on this scheme the output collector-emitter(C-E) current is controlled by the input base current or the base voltage, whichever suits us more.
So here comes the simple idea - if we apply a constant base voltage, we will set a constant C-E current. When the C-E voltage increases (e.g. due to decrease in voltage on the load resistor Rl) the C-E resistance will increase too (remember we set the C-E current to constant using a constant base voltage). So what do we get - a dynamic varying resistor which keeps a constant current flow. In short - a current-stable resistor. Which is exactly what we need in order to make a constant current source.
This behaviour is shown on the IV diagrams below. They can be explained as a mechanism with the I line acting as a "fixed rail", on which the crossing of the two "pivots" - Rl and Rt lines - point A slides. As we decrease the load (Rl that is) point A slides down the Rl line, up the Rt line, and to the right on the I line. This means that the transistor resistance increases, so the whole resistance of the circuit remains the same, and therefore the current flow remains the same. As we do the opposite - guess what - exactly the opposite things happen ;)
--V.konushliev (talk) 08:42, 19 May 2008 (UTC)
Building a simplest transistor current source on the whiteboard
Please, read carefully this story. IMO, this is the fanciest and the most incredible story about a transistor circuit that I have ever seen on the web! What do you think about this assertion? Circuit-fantasist (talk) 05:55, 20 May 2008 (UTC)
Looks scary at first sight :) But none of the elements involved bites, and everyone has it's role.
- Maybe, it looks scary because we have placed here the final, complete and perfect circuit solution? Maybe, we would build it step-by-step snapping every drawing on the whiteboard to show the circuit evolution? Maybe... Circuit-fantasist (talk) 05:37, 20 May 2008 (UTC)

In the middle, surrounded by a blue line is the "boss" of the circuit - the varying load resistor Rl. It's he who leads the concert, and the whole circuit is built for him - to satisfy his needs and desires for constant current. The nameless resistor just beneath the boss is his "bodyguard" - just in case someone curious moves the slider of the "boss resistor" to its very end and try to short-circuit the power source through the transistor.
Everything outside the blue line is the BJT current source itself - a whole team of elements working for the "boss". There's the "hero" of the circuit - the workhorse - the mighty bipolar junction transistor (BJT), who does all the dirty job (donkey work:) of keeping the constant current. Connected to its base is his "manager" (modern heroes need to have managers), the varying resistor (potentiometer) P, who is basically a varying voltage divider, and by the means of base voltage Vb tells the transistor what to do. In this case - using a constant base voltage the manager tells him to keep the current flow at a constant rate. The "manager" also has a "bodyguard" - Rb keeping the power source safe from short-circuit's caused by someone playing with the potentiometer P.
Then there are our watchful eyes - the voltmeter V2, used to keep an eye on the voltage drop on the load resistor (the boss), another voltmeter V1, watching over the voltage drop on the transistor's collector-emitter junction, and an ammeter, which gives us a sneak-peak on the current flow.
Last, but not least - the power source VCC, who brings the whole circuit to life :) -- V.konushliev (talk) 13:22, 19 May 2008 (UTC)
Mounting the circuit on a PCB
It was easy so far but now we have to materialize the circuit on a prototyping printed circuit board. Can someone solder? If yes, please! Here are soldering iron and solder. How do we solder? Look at this links: 1, 2. You may use also various tools...
The transistor is n-p-n type packed in metallic body. The collector is connected to the body; so, you might measure the collector voltage by touching the body. You may supply the circuit by the computer or by an external power supply. What do you prefer? If you use the PC supply, there are two fixed voltages (+12 V and -12 V). Maybe, it is better to use the two varying lab supplies because we might provoke our transistor current source by varying the supply voltage. If you prefer, you might use a single power supply...


For our educational purposes it is preferable to arrange the elements in a similar way to the circuit diagram drawn on the whiteboard. For example, place the negative rail at the bottom and the positive one at the top; drive the transistor from the left and take the output from the right, etc. Now, let's make some photos..


What do we connect as a load? Let's it to be something varying - this 10 kΩ rotating "potentiometer" will suit us. Connect it as a rheostat (a two-terminal varying resistor). By the way, why the slider is connected to the one end? What is the idea of this connection? Also, as it is very likely someone to burn out it, connect a protecting resistor in series with the potentiometer.
How to set the input voltage? How to make a lower voltage by a higher one? Of course, by another potentiometer supplied by the same power supply (here it is connected as a real potentiometer).
Investigating the circuit...
In the beginning, we may draw and superimpose the current loops over the circuit diagram. Then, in order to measure the currents and voltages, we have to connect ammeters and voltmeters.
I have an idea for a synchronised presentation - I will "move" the slider of the input potentiometer on the whiteboard; at the same time, you will move the real slider on the PCB. In the beginning, the input voltage is 0 V; so, no any base current flows. The transistor is "closed". Increase carefully the input voltage and look at the input transistor characteristic; imagine we walk along it:) At some moment, a current will begin flowing through the base-emitter junction and β times bigger collector current will flows through the load.
What happens, if you go too far? The transistor will saturate. So, we have to stay in the middle where the transistor operates in the active region.
What elements constitute our current source? These are all the elements excluding the very load, of course... Well, now we have to see, if it is a constant current source. How? We have to disturb, "provoke" it and to observe its reaction to our "intervention". But let's afford an opportunity to Vladimir to tell what has happened in the laboratory (he can do it very well). Circuit-fantasist (talk) 19:41, 27 May 2008 (UTC)
The text below is written by a student from this group:
Everything here is based on the simple law of Ohm
...by varying the load resistance RL...

... we observe a change in V1 and V2, but no change in the ammeter. We're happy: the current flow is constant :) How did that happen?
When we increase the load resistance Rl so does its voltage drop, which can be seen on voltmeter V2 (logically simple - more resistance generates more pressure). As V2 shows an increment, V1 respectively shows a decrement (their sum represents the voltage of the power source Vcc). Since we made the transistor act as a current-stable resistor, it "senses" the decrement of the C-E voltage drop and obediently reduces its resistance, so the sum of resistances in the circuit branch remains the same. Therefore the current flow remains the same too.
When we decrease the load resistance, exactly the opposite happens (V2 shows a decrement, V1 shows an increment, the transistor rises its resistance, the sum of resistance remains the same, and so does the current flow).
...by varying the supply voltage VCC
...we observe the same pleasing facts: no change in the ammeter, although V1 and V2 show changes. We're happy again: the current flow is still constant :)
This time both the voltmeters V1 and V2 showed increments of voltage drops, with the increment of the supply voltage Vcc. The transistor again "senses" the change in voltage drop and rises its resistance. But if the transistor reacts the same way as in the case above, how does the current remain the same, if there is no change in Rl? The difference comes with the fact, that the "manager" of the transistor tells him to rise it's resistance even more, by applying a larger base-emitter voltage (is it true? Circuit-fantasist). Of course this is due to the fact, that the "manager", as a simple voltage divider, divides a larger voltage (Vcc), and therefore gives a larger result (Vbe). At the end, the sum resistance of the circuit branch rises enough to compensate the increment in supply voltage Vcc and keep the current flow the same.
And again, with the opposite input (decrement of Vcc) the opposite phenomena is observed, but the result stays the same - constant current flow. A job well done by the BJT and it's "team" :) --V.konushliev (talk) 15:11, 19 May 2008 (UTC)
- Vladimir, now I am realizing that I have misled you to some extent in this experiment. The circuit is not as correct as it seems. It would be more consistent, if we have made all the possible to make the input "manager" keep a constant voltage. Here we rely on the constant power supply; so, we shouldn't change its voltage. We should supply the potentiometer by another voltage source or replace the input voltage-divider circuit by a voltage-stabilizing one (e.g., by connecting a diode into the lower leg). This would be a prelude to the famous current mirror circuit (see group 66b and group 67b). Please, edit your explanation according to these circumstances.
- Vladimir, I have a suggestion to. Would you contribute the Circuit idea story about the simplest transistor constant current source (and not only it)? Your writing style is unique; so, you might tell your lively story in a separate page as a different viewpoint at this famous circuit. Circuit-fantasist (talk) 06:46, 20 May 2008 (UTC)
- I will try to contribute and help you with some pages, but this will be done after the exam session :) Time is running faster these days, unlike the current flow in the discussed circuit ;) Last week when we talked, you mentioned you'll be presenting your experience with involving students in web-based learning process on a conference before your colleagues. When will this conference be carried out? Cause i want to send you an e-mail with some feedback on your teaching style that might help you (or the opposite), so let me know the deadline. --V.konushliev (talk) 09:29, 28 May 2008 (UTC)
- Hi Vladimir! Thank you for your willingness for contribution and giving me the so valuable feedback that I need. Frankly, I was surprised by your insertion since the term has passed over and the most of my students (including you:) are already rated. I know from my experience that, as a rule, students (even the best of them) loose interest in the subject after passing the examination. But obviously you are not one of them:)
- Your remark sounds intriguing and I am eager to find out what you will send me as a feedback; I can only guess now. As for stories about the "Wikibooks student open project" that you, your colleagues and I, all together, have realized this term, I have started for discussion two Circuit idea stories:
- Inducing Creativity in Students by Involving Them in Wikibooks - a general story,
- Involving Students from Technical University of Sofia in Circuit Idea Wikibook - a concrete teacher's story.
- As I have already said to you, I intend to present a paper version of the second story at the conference COMPUTER SCIENCE' 2008 that will be conducted during 18–19 September 2008 in Kavala, Greece. My idea is simple - to tell how I have managed to make students reason by involving them in Wikibooks. In this connection, I have a suggestion to you.
- Why don't we (a teacher and a student) write this paper together? I will expose my teacher's viewpoint and you will show your student's viewpoint at the conducted web experiment. We might begin writing and developing the paper first on the talk page; then, we may use these drafts to create the main page and finally - the very paper. What do you think about my invitation? Email or call me to know more about the conference. Regards, Circuit-fantasist (talk) 19:05, 28 May 2008 (UTC)
Resources
Reinventing constant current source reveals the philosophy behind constant current source
Understanding the simple BJT current source
Lab4: Op-amp circuits with parallel negative feedback
Tuesday, April 22, 2008, 10.30 h
What is negative feedback?
Analogies
Driving: keeping up a constant speed, direction, temperature, volume... More negative feedback analogies: studying, teaching, keeping up a room temperature (body weight, mental equilibrium...) Thermostat control is a very popular example for using the negative feedback. When the temperature reaches certain value the heating (or the cooling) is switched on/off and soon we have again the temperature we want (Tencho65). In all these cases we do all that is possible to realize our goals, to move toward the goal...


Structure (block diagram)
So, the simplest negative feedback follower consists of only three components: power (energy) source E, regulating element R and a subtractor (-). Negative feedback connects the system output (inverted) with the system input. In response to some disturbance "attacking" the system, the negative feedback tends to re-establish equilibrium again. We can already draw a pretty block diagram. Tencho65

Operation
This humble device operates according to a simple algorithm: if X > Y, then increase Y; if X < Y, decrease Y; if X = Y, do nothing. As a result, always X = Y. So, this is an "active copying" principle and this device is an "active follower". This "algorithm" is so simple that humble devices (tubes, transistors, op-amps...) having no any intellect can perform it.
Advantages
Why do we make followers in this odd way? What are the advantages of this "negative feedback" approach?
What is op-amp?
How let's say some words about the main component of a negative feedback system - the operational amplifier (op-amp).

Inputs. Grounded voltage source... What is single-ended input? Floating voltage source... What is differential input? Why do we need a differential input? Input resistance... Do input currents flow? How does a non-inverting input behave? How does an inverting input behave? Can we use an op-amp with a differential input as an op-amp with single-ended (inverting or non-inverting) input? What do we do in these cases?
Output. How the op-amp output is made? What is the idea of a complementary, push-pull emitter follower? Output resistance...
Supplying. The idea of bipolar (split) supply (+12 V and -12 V here)... Why do we need a bipolar supply? Where currents flow? We can imagine the output part of the op-amp consists of two parts - a positive and a negative. Each of them works when its output voltage has the according polarity. By the way, is it possible to supply the op-amp with only one (e.g., positive) voltage and, at the same time, to obtain the opposite (negative) output voltage? And can the op-amp output voltage exceed the supply voltage? Maybe, it would be possible, if there were capacitive or inductive differentiating circuits inside the op-amp... But (for now) an op-amp contains only resistive and active components:(
Gain. Typical value is A > 200000. It seems too high. Can we manage to utilize all this gain? What is the maximum input voltage to keep the op-amp in the active region (assume 10 V maximum output voltage)? Can we use a bare op-amp as an amplifier? Or we can use it as another useful device having analog inputs and discrete output (write its name here)? We may conclude: If we use the op-amp as an amplifier, the voltage difference between its inputs is zero. But if we use it as a comparator, the input voltage might be whatever.


Transfer characteristic. Microlab can help us to obtain this curve on the screen. There is no time in this graphical presentation; there is only input and output quantities. We might discern three regions on this curve: negative saturation (large), active region (narrow) and positive saturation (large).
Generalization. What does the op-amp actually do? A possible answer is: an op-amp converts the steady power supply into varying voltage source; it acts as a voltage-controlled voltage source.
Building an op-amp follower (inverter)
Passive electric follower

Now, we have only to convey this powerful idea from real life to electronics. Well, let's begin.
VIN will represent X in our electric follower; accordingly, VOUT will represent Y. But let's first persuade ourselves what is the use of building such an active follower instead a "passive" one.
What is the simplest voltage follower? Of course, a piece of wire can act as a humle voltage follower. It works perfectly, if there is no load (there is no current flowing). Only, is it still a follower, if we connect a big load at the end of the wire (especially, if it is a thin and long wire)? And imagine what happens, if the load and wire resistances vary... For example, the wire length can vary...
Another nasty problem of the passive voltage follower is that the load consumes energy from the input voltage source.; so, it droops when loaded.
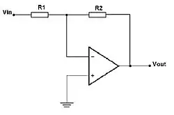
Op-amp negative feedback inverter
What does the parallel inverter do? First,we use the resistive parallel amplifier.We use this component for comparing Uin and Uout voltages.It is the system with a negative feedback.There are two resistors wich are used for comparing voltages. If R1-R2=0 then Uout =Uin,but if R1 is not equal to R2 then the amplifier receives the difference between Vin and Vout on its input. And also if Vin is PLUS and Vout is MINUS then there is a "virtual ground". Uout/Uin=-R2/R1 --78.90.51.95 (talk) 15:36, 19 May 2008 (UTC)galina spasova
Building the circuit on the whiteboard

No, the bare wire is not a perfect follower in all the cases; so, it is worth the trouble to build an active negative feedback follower... Let's see how the students from group 65a, 66a and 67a have build such a follower by using an op-amp with differential input.
First, we connect a power supply - a voltage source V representing the power source E from the block diagram. We assume a bipolar input voltage; so, we get a bipolar (split) power supply. Then, we connect an op-amp OA acting as the regulating element R. Finally, we need a voltage subtractor to make the op-amp compare its output voltage VOUT with the input voltage VIN. Wh at is the simplest voltage subtractor? Of course, this is the bare loop (a piece of wire) according to Kirchhoff's voltage law (KVL). In other words, we have to connect the two voltage sources in series and in opposite directions (+ -, - +) traversing the loop, in order to subtract their voltages. Then, we have to cut the loop and to feed the op-amp input by the voltage difference.


But here we have a big problem: our op-amp has not a differential input; it has a single-ended input. How do we solve this problem?
It's time to remember the famous Ohm's experiment that we have conducted in our laboratory during Lab 2. See at the end of the page where we have invented the so useful parallel voltage summer (subtractor). Eureka! We can use it as a subtractor with single-ended inputs in our inverting circuit! Let's do it.

In practice, we usually connect separate resistors; thus we obtain the classic circuit diagram of the inverting amplifier. We have already known what the transfer ratio is:
Investigating the circuit by Microlab




Explaining the circuit operation
(please, do it in a human-friendly manner!)

We are human beings, not computers... It seems strange but, in order to understand what the abstract op-amp really does in this circuit, we have to think of the op-amp as a "slow-thinking" device, not as a fast, non-inertial, instant device... From this human viewpoint, the op-amp compares continuously its output voltage VOUT with the input voltage VIN and changes VOUT in the right direction so that to keep almost zero difference VOUT - VIN = 0. It does exactly the same what we, human beings, were doing in all the analogies above.
Where currents flow in this circuit? Draw them with whole loops in the two cases - at a positive and a negative input voltage. Remember: a current always arrives at the point from where it has gone. Another tip: in the two cases (at positive and negative input voltage) the load current will flow through different power supplies (accordingly, through the positive and negative voltage sources). Imagine also the complementary output emitter follower inside the op-amp: the upper n-p-n transistor will "blows" the output current when the op-amp "wants" to produce a positive voltage and the lower p-n-p transistor will "sucks" the output current when the op-amp "wants" to produce a negative voltage.
Disturbing the negative feedback inverter
Let's now make difficult the op-amp's action. How can we disturb it?
Explain here the unique property of all the negative feedback system to overcome various disturbances... See also how the "magicians" from group 68b have made almost ideal components by applying a parallel NFB. Circuit-fantasist (talk) 13:17, 28 April 2008 (UTC)
Converting the NFB follower into an amplifier
We have already seen how an op-amp overcomes various disturbances. Can we use its reaction to the disturbance as an output? Is this the idea needed to convert the inverter (K = -1) into an amplifier (K > -1)? Have you seen this phenomenon in your day's routine?
Resources
Differential and Single-Ended Inputs